Выполненные проекты
Отопление кирпичного дома 178 м.кв. в Москве, проект
Объект: двухэтажный частный дом из пустотелого кирпича, площадью 178 м.кв., расположенный в Москве.
Вариант отопления: «Комфортный»
Цена проекта отопления, канализации и водоснабжения: 39 150 руб. со скидкой 10%, проект котельной - бесплатно.
Проект котельной, отопления, водоснабжения и канализации выполнен: 17.05.2021
Состав проекта котельной, отопления, канализации и водоснабжения дома в Москве:
1. Пояснительная записка проекта, общие данные по системам отопления, канализации и водоснабжения дома 178 м.кв. в Москве.
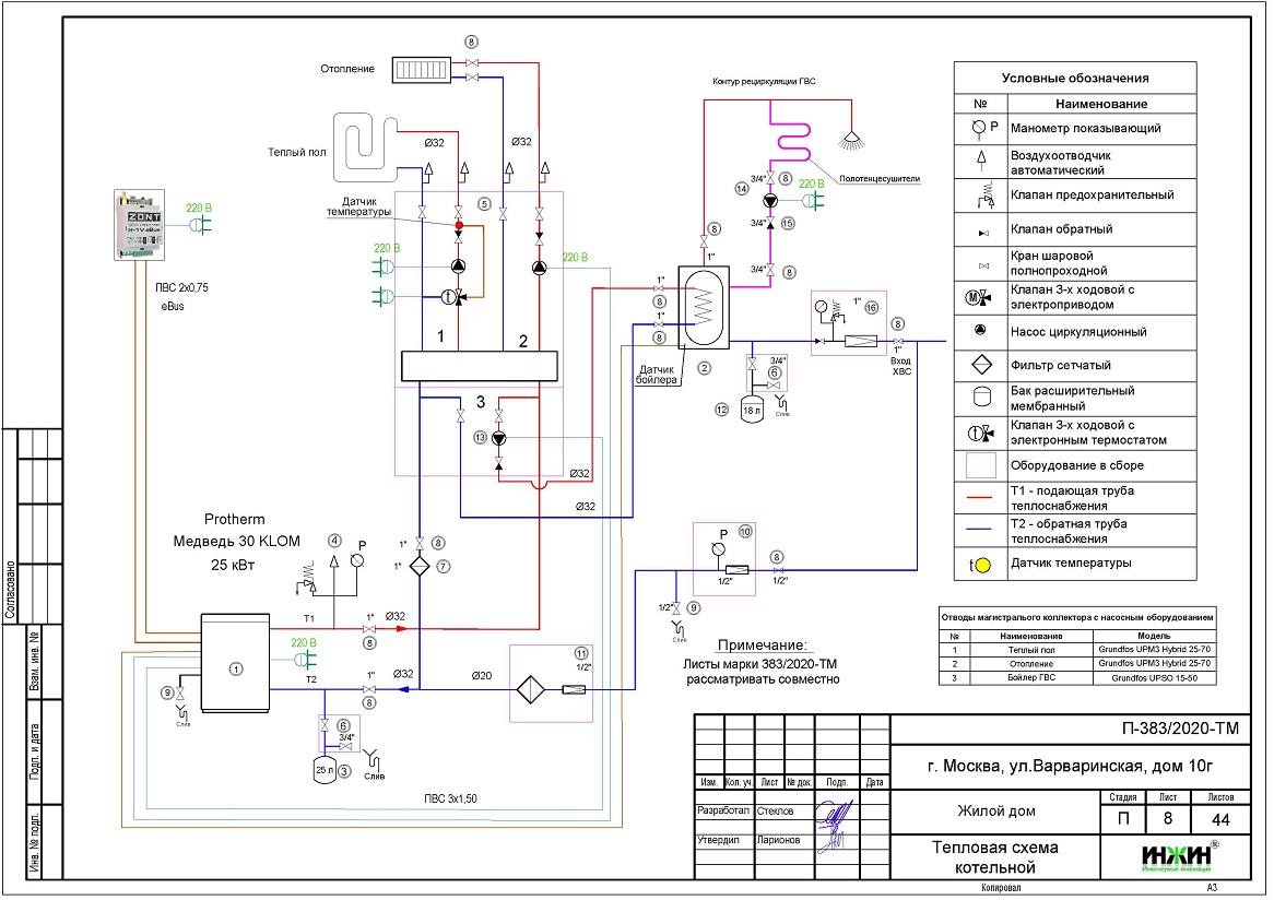
2. Тепломеханическая схема котельной с размещением оборудования в отдельном помещении дома из кирпича.
3. Комплект поэтажных чертежей радиаторного отопления дома в Москве.
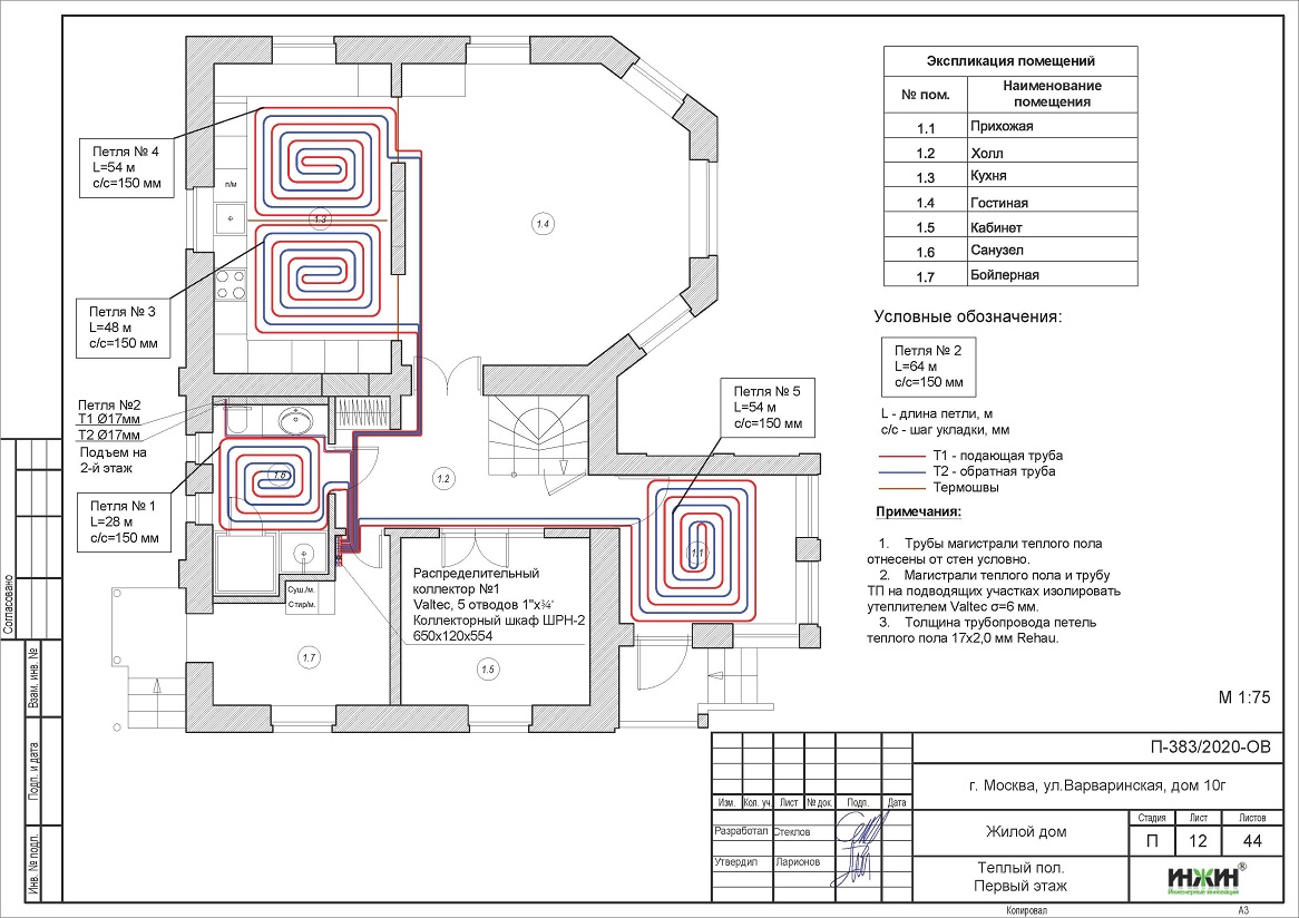
4. Комплект чертежей теплого пола на площади 32 м.кв.
5. Комплект чертежей водоснабжения и канализации частного дома из кирпича в Москве.
6. Типовые схемы системы отопления канализации и водоснабжения дома 178 м.кв.
7. Теплотехнический расчет отопления дома из кирпича.
8. Спецификация материалов и оборудования по котельной, отоплению, канализации и водоснабжению дома в Москве.
Объем проекта отопления, канализации и водоснабжения дома в Москве: 44 листа.
Описание проекта отопления, котельной, канализации и водоснабжения частного дома 178 м.кв. в Москве.
Котельная частного дома в Москве(проект котельной бесплатно).
o Размещена в отдельном помещении дома 178 м.кв.;
o Теплогенератор - напольный газовый котел Protherm Медведь 40KLOM, мощностью 35 кВт (в наличии);
o Контуры теплоснабжения котельной – радиаторное отопление дома, теплый пол и горячее водоснабжение, для которого предусмотрен накопительный бойлер Protherm FE 200/6 BM, объемом 200 литров (подключение к коллектору);
o Расширительные баки отопления и бойлера Flamco, объемом 18 литров каждый;
o Дымоудаление естественное, дымоход выполнен на объекте;
o Распределительный коллектор Meibes, с насосно-смесительными группами;
o Автоматика котельной – встроена в котел с дополнительным GSM-модулем.
Отопление дома в Москве (проект отопления дома).
o Выполнен теплотехнический расчет отопления дома из кирпича (утеплитель кровли - минеральная вата Rockwool, 100мм) с учетом теплопотерь через ограждающие конструкции при наружной температуре -28°С для Московской области (по СП 131.13330.2012), расчетный расход тепла на отопление дома составил 30,04 кВт, удельные теплопотери 167,9 Вт/м.кв.;
o Подобраны приборы для отопления дома: стальные трубчатые радиаторы Arbonia с нижним подключением, в вентильном исполнении;
o Схема радиаторного отопления дома двухтрубная, коллекторно-лучевая, с принудительной циркуляцией теплоносителя и температурным графиком 80/60°С;
o Трубы отопления из сшитого полиэтилена Rehau;
o Теплоизоляция трубопроводов отопления Valtec, толщиной 6мм;
o Теплоноситель в системе радиаторного отопления дома – подготовленная вода, предусмотрены средства защиты от образования накипи.
Водяной теплый пол дома в Москве (проект теплого пола).
o Водяной теплый пол в доме предусмотрен на площади 32 м.кв., 5 петель, коллектор теплого пола Valtec на 5 отводов;
o Предусмотрен насосно-смесительный узел для теплоснабжения водяного теплого пола в котельной;
o Трубопроводы теплого пола – сшитый полиэтилен Rehau;
o Регулирование температуры теплого пола - общее, термостатом на смесительном узле котельной.
Внутренний водопровод дома в Москве (проект водоснабжения).
o Схема внутреннего водоснабжения дома – коллекторно-лучевая с рециркуляцией горячей воды через водяные полотенцесушители, выполнен расчет 20-и точек водоснабжения и полотенцесушителей;
o Трубопроводы системы водоснабжения – из сшитого полиэтилена Rehau;
o Теплоизоляция трубопроводов Valtec, толщиной 6мм;
o Для летнего водопровода предусмотрен незамерзающий кран Meibes SEPP-Eis.
Внутренняя канализация (проект канализации) дома в Москве.
o Безнапорная, отвод стоков от санитарно-технических приборов предусмотрен в септик;
o Произведен расчет 12-и точек бытовой канализации;
o Канализационные трубы Синикон, раструбные, из полипропилена.
Заказать в нашей компании проект отопления, водоснабжения и канализации частного дома в Москве дистанционно со скидкой.
По этому проекту выполнен монтаж систем отопления, водоснабжения,канализации и индивидуальной котельной.






















