Выполненные проекты
Отопление дома 160 м.кв. в Выборге, проект
Объект: двухэтажный частный дом из газобетонных блоков, площадью 160 м.кв., расположенный в г.Выборг Ленинградской области.
Вариант отопления: «Комфортный»
Цена проекта отопления, канализации и водоснабжения: 38 160 руб. со скидкой 10%, проект котельной - бесплатно.
Проект котельной, отопления, водоснабжения и канализации выполнен: 11.05.2021
Состав проекта котельной, отопления, канализации и водоснабжения дома в Выборге:
1. Пояснительная записка проекта, общие данные по системам отопления, канализации и водоснабжения дома 160 м.кв. в Выборге.
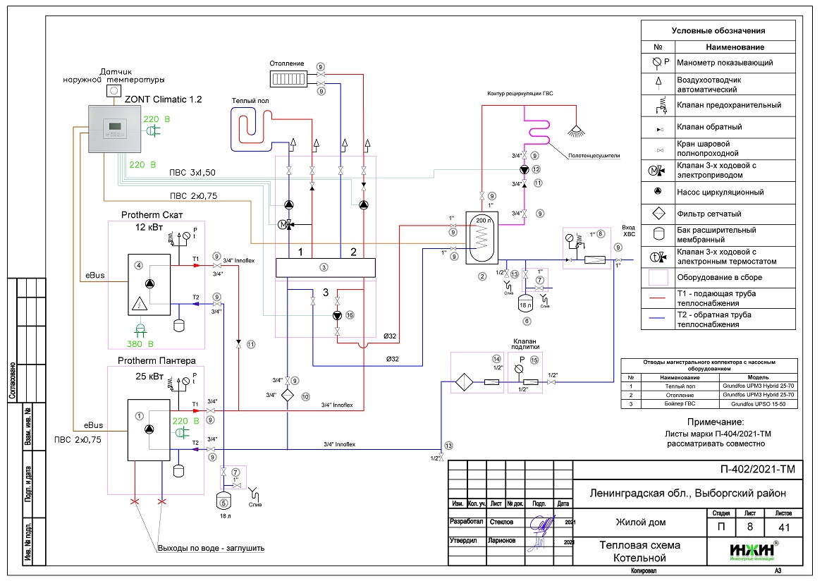
2. Тепломеханическая схема котельной с размещением оборудования в отдельном помещении дома из газобетонных блоков.
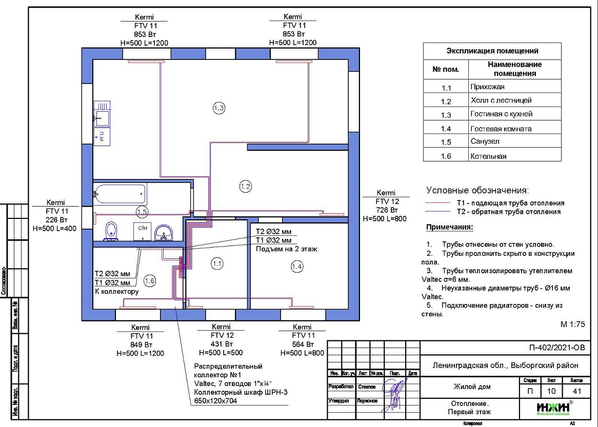
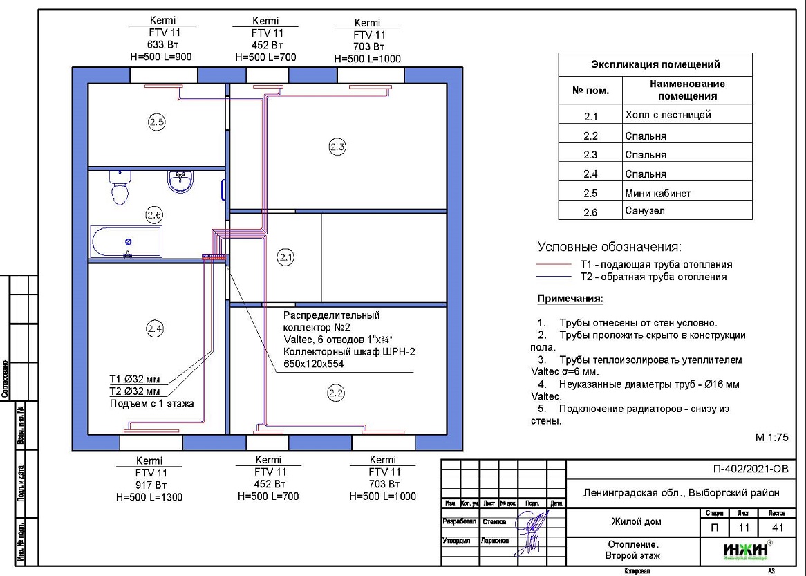
3. Комплект поэтажных чертежей радиаторного отопления дома в Выборге.
4. Комплект чертежей теплого пола на площади 70 м.кв.
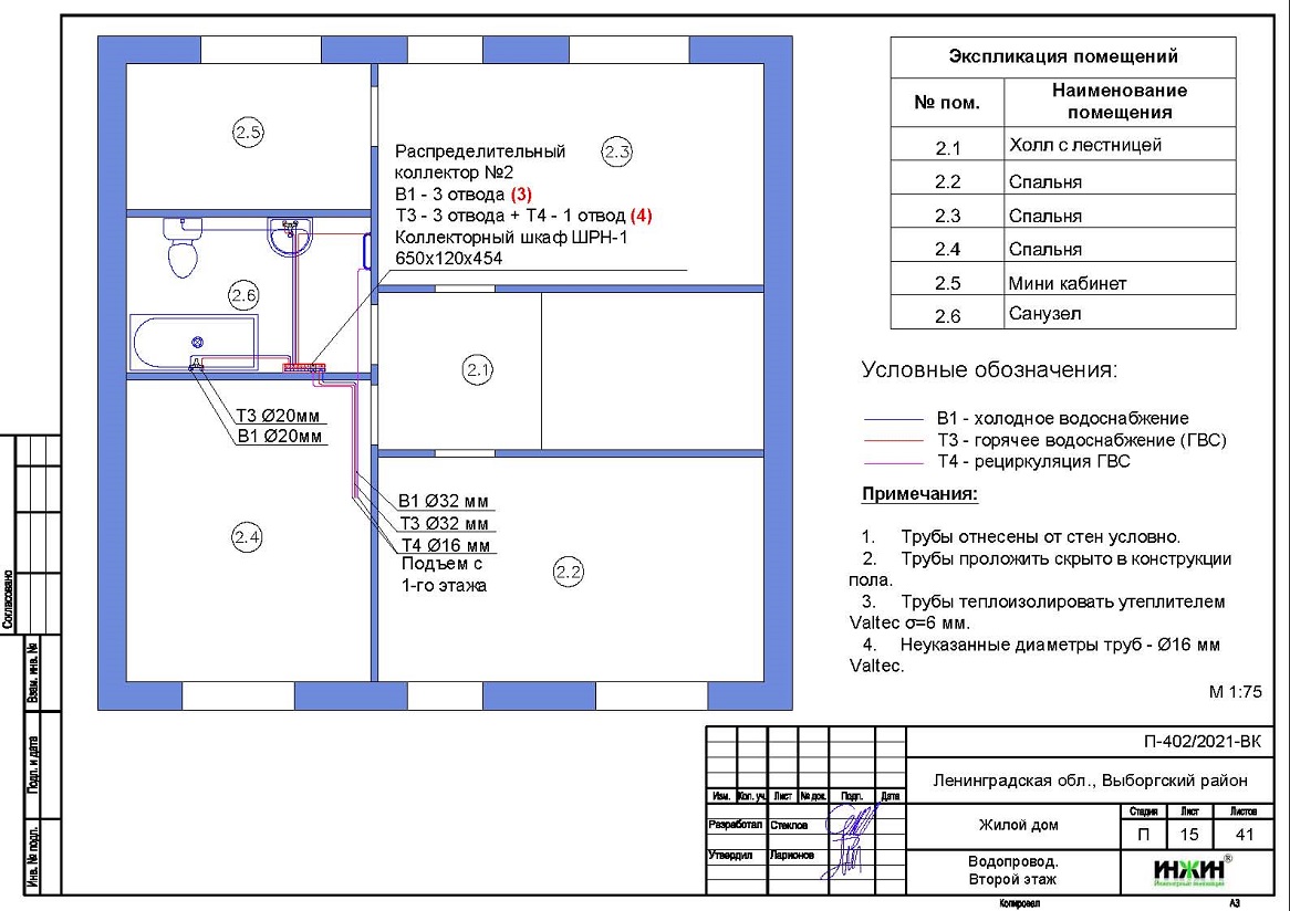
5. Комплект чертежей водоснабжения и канализации частного дома из газобетонных блоков в Выборге.
6. Типовые схемы системы отопления канализации и водоснабжения дома 160 м.кв.
7. Теплотехнический расчет отопления дома из газобетонных блоков.
8. Спецификация материалов и оборудования по котельной, отоплению, канализации и водоснабжению дома в Выборге.
Объем проекта отопления, канализации и водоснабжения дома в Выборге: 41 лист.
Описание проекта отопления, котельной, канализации и водоснабжения частного дома 160 м.кв. в Выборге.
Котельная частного дома в Выборге(проект котельной бесплатно).
o Размещена в отдельном помещении дома 160 м.кв.;
o Теплогенераторы - основной настенный газовый котел Protherm Пантера, мощностью 25 кВт, резервный - электрический котел Protherm Скат, мощностью 12 кВт;
o Контуры теплоснабжения котельной – радиаторное отопление дома, теплый пол и горячее водоснабжение, для которого предусмотрен накопительный бойлер Protherm, объемом 200 литров (подключение к коллектору);
o Расширительные баки отопления и бойлера Flamco, объемом 18 литров каждый;
o Дымоудаление принудительное, дымоход коаксиальный, комплект Protherm для прохода через стену, диаметр 60/100 мм;
o Распределительный коллектор - компактный модуль Meibes Kombimix с опциональной группой загрузки бойлера;
o Автоматика котельной – контроллер ZONT Climatic 1.2 со встроенным GSM-модулем.
Отопление дома в Выборге (проект отопления дома).
o Выполнен теплотехнический расчет отопления дома из газобетонных блоков (утеплитель кровли - минеральная вата 400мм, плиты пола - засыпка песком 200мм) с учетом теплопотерь через ограждающие конструкции при наружной температуре -26°С для Ленинградской области (по СП 131.13330.2012), расчетный расход тепла на отопление дома составил 10,7 кВт, удельные теплопотери 78,4 Вт/м.кв.;
o Подобраны приборы для отопления дома: стальные панельные радиаторы Kermi с нижним подключением, в вентильном исполнении;
o Схема радиаторного отопления дома двухтрубная, коллекторно-лучевая, с принудительной циркуляцией теплоносителя и температурным графиком 80/60°С;
o Трубы отопления из металлопластика Valtec;
o Теплоизоляция трубопроводов отопления Энергофлекс, толщиной 9мм;
o Теплоноситель в системе радиаторного отопления дома – подготовленная вода, предусмотрены средства защиты от образования накипи.
Водяной теплый пол дома в Выборге (проект теплого пола).
o Водяной теплый пол в доме предусмотрен на площади 70 м.кв., коллектор теплого пола Valtec на 8 отводов;
o Предусмотрен насосно-смесительный узел для теплоснабжения водяного теплого пола дома - в составе модуля Kombimix;
o Трубопроводы теплого пола – сшитый полиэтилен Valtec;
o Регулирование температуры теплого пола - общее, регулятором на смесительной группе.
Внутренний водопровод дома в Выборге (проект водоснабжения).
o Схема внутреннего водоснабжения дома – коллекторно-лучевая с рециркуляцией горячей воды через водяные полотенцесушители, выполнен расчет 20-ти точек водоснабжения и полотенцесушителей;
o Трубопроводы системы водоснабжения – из металлопластика Valtec;
o Теплоизоляция трубопроводов Энергофлекс Супер, толщиной 9мм;
o Для летнего водопровода предусмотрен незамерзающий кран Meibes SEPP-Eis.
Внутренняя канализация (проект канализации) дома в Выборге.
o Безнапорная, отвод стоков от санитарно-технических приборов предусмотрен в септик;
o Произведен расчет 13-ти точек бытовой канализации;
o Канализационные трубы Синикон, раструбные, из полипропилена.
Заказать в нашей компании проект отопления, водоснабжения и канализации загородного дома дистанционно со скидкой.
Для этого загородного дома в Выборге выполнен проект электроснабжения и освещения (электрики).






















