Выполненные проекты
Отопление дома 150 м.кв. в СНТ "Инструментальщик", проект
Объект: двухэтажный загородный дом из газоблоков, площадью 150 м.кв., расположенный в СНТ "Инструментальщик" (г.Москва)
Вариант отопления: «Комфортный»
Цена проекта отопления и теплого пола: 16 605 руб. со скидкой 10%, проект котельной - бесплатно.
Проект котельной и отопления выполнен: 12.07.2021
Состав проекта котельной и отопления дома в СНТ "Инструментальщик":
1. Пояснительная записка проекта, общие данные по системе отопления дома 150 м.кв. в Москве.
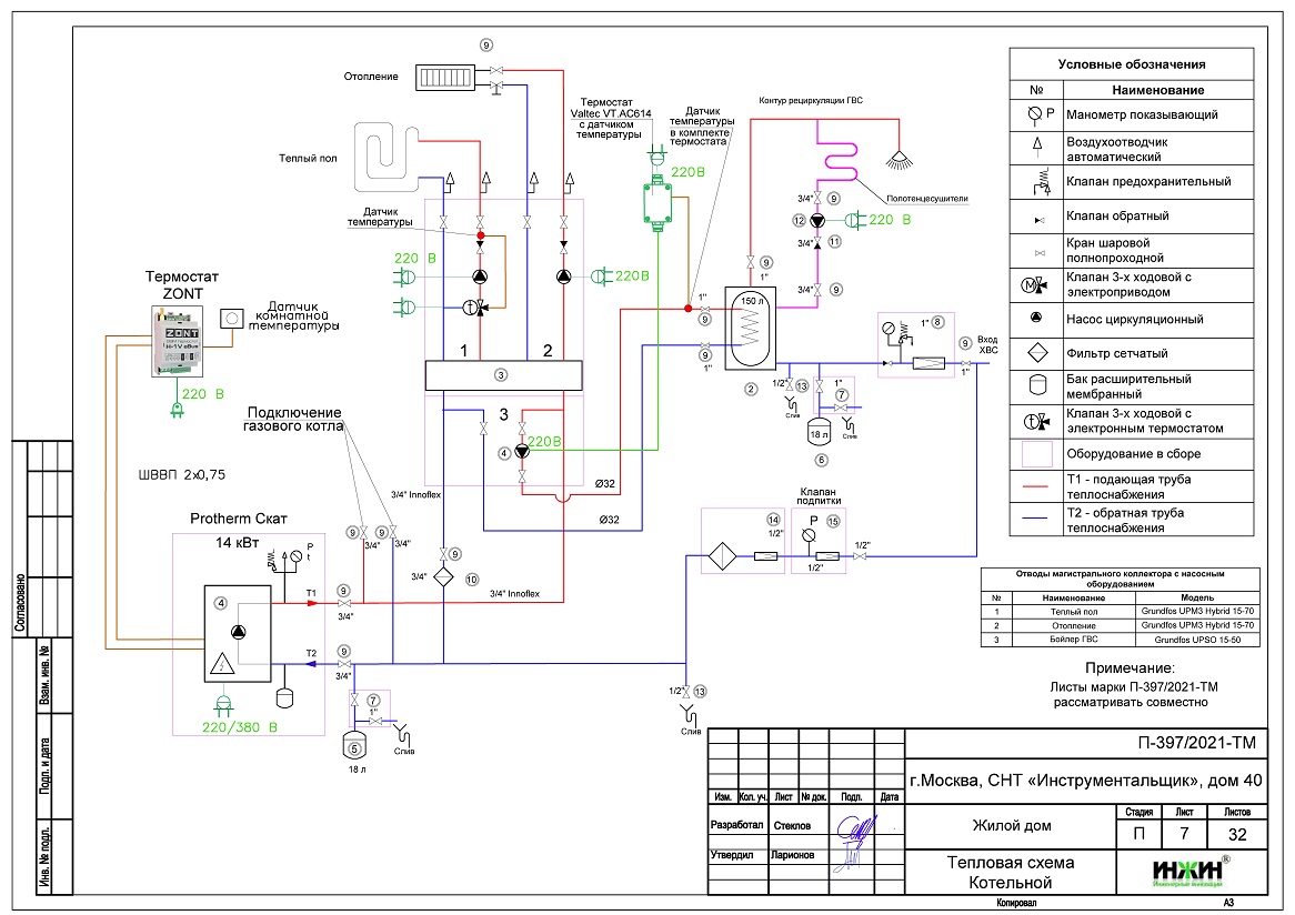
2. Тепломеханическая схема котельной с размещением оборудования в отдельном помещении дома из газоблоков.
3. Комплект поэтажных чертежей радиаторного отопления дома в СНТ "Инструментальщик".
4. Комплект чертежей теплого пола на площади 90 м.кв.
5. Типовые схемы системы отопления дома 150 м.кв.
6. Теплотехнический расчет отопления дома из газобетонных блоков.
7. Спецификация материалов и оборудования по котельной и отоплению дома в СНТ "Инструментальщик".
Объем проекта отопления и водоснабжения дома: 32 листа.
Описание проекта отопления и котельной частного дома 150 м.кв. в СНТ "Инструментальщик".
Котельная частного дома в СНТ "Инструментальщик" (проект котельной бесплатно).
o Размещена в отдельном помещении дома 150 м.кв.;
o Теплогенератор - настенный электрический котел Proherm Скат мощностью 12 кВт;
o Контуры теплоснабжения котельной – радиаторное отопление дома, теплый пол и горячее водоснабжение, для которого предусмотрен накопительный бойлер Proherm, объемом 200 литров (подключение к котлу при помощи комплекта FUGAS);
o Расширительные баки отопления и бойлера Flamco, объемом 18 литров каждый;
o Циркуляционный насос отопления и бойлера встроен в котел;
o Распределительный коллектор в котельной - компактный модуль Meibes Kombimix;
o Автоматика котельной – встроена в котел с дополнительным GSM-модулем ZONT.
Отопление дома в СНТ "Инструментальщик" (проект отопления дома).
o Выполнен теплотехнический расчет отопления дома из газобетонных блоков (утеплитель пола и кровли - пеноплекс, 100 и 150мм, соответственно) с учетом теплопотерь через ограждающие конструкции при наружной температуре -28°С для Московской области (по СП 131.13330.2012), расчетный расход тепла на отопление дома составил 15,09 кВт, удельные теплопотери 108,3 Вт/м.кв.;
o Подобраны приборы для отопления дома: биметаллические (и алюминиевые) секционные радиаторы Rifar с нижним подключением;
o Схема радиаторного отопления дома двухтрубная, коллекторно-лучевая, с принудительной циркуляцией теплоносителя и температурным графиком 80/60°С;
o Трубы отопления из сшитого полиэтилена Rehau;
o Теплоизоляция трубопроводов отопления Энергофлекс, толщиной 9мм;
o Теплоноситель в системе радиаторного отопления дома – подготовленная вода, предусмотрены средства защиты от образования накипи в системе отопления.
Водяной теплый пол дома в СНТ "Инструментальщик" (проект теплого пола).
o Водяной теплый пол в доме предусмотрен на площади 90 м.кв., всего 13 петель на 2-х этажах;
o Предусмотрен отдельный контур котельной для теплоснабжения водяного теплого пола дома (насосно-смесительный узел в котельной);
o Трубопроводы теплого пола – Rehau RAUTHERM S;
o Регулирование температуры теплого пола - общее, на смесительном узле, а также локальное - по помещениям.



















