Выполненные проекты
Проект отопления дома 282 м.кв. в Софрино
Объект: частный дом из пустотелого кирпича, площадью 282 м.кв., расположенный в микрорайоне "Пушкинский лес", п. Софрино, Пушкинского района Московской области.
Вариант отопления: «Комфортный»
Цена проекта отопления, канализации и водоснабжения: 43 290 руб. со скидкой 10%, проект котельной - бесплатно.
Проект котельной, отопления, водоснабжения и канализации выполнен: 19.07.2021
Состав проекта котельной, отопления, канализации и водоснабжения дома в п. Софрино (мкр "Пушкинский лес"):
1. Пояснительная записка проекта, общие данные по системам отопления, канализации и водоснабжения дома 282 м.кв. в Софрино.
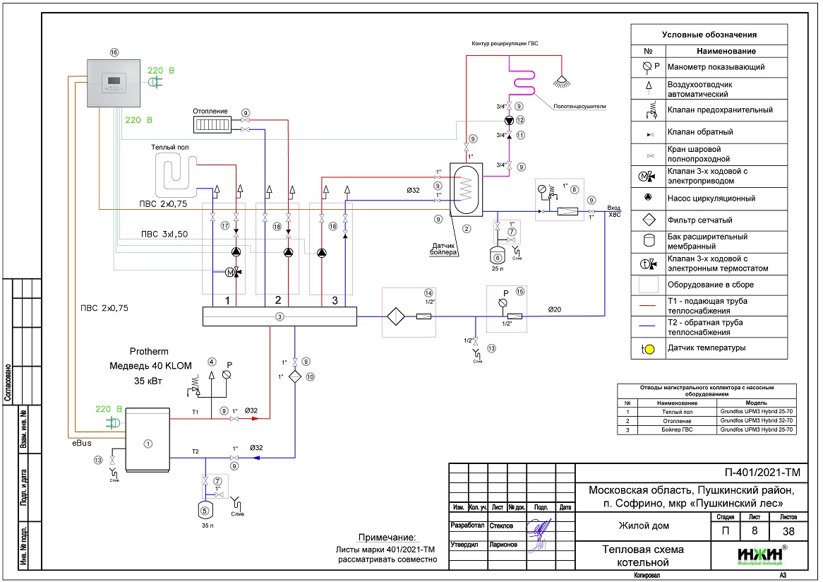
2. Тепломеханическая схема котельной с размещением оборудования в отдельном помещении дома из кирпича.
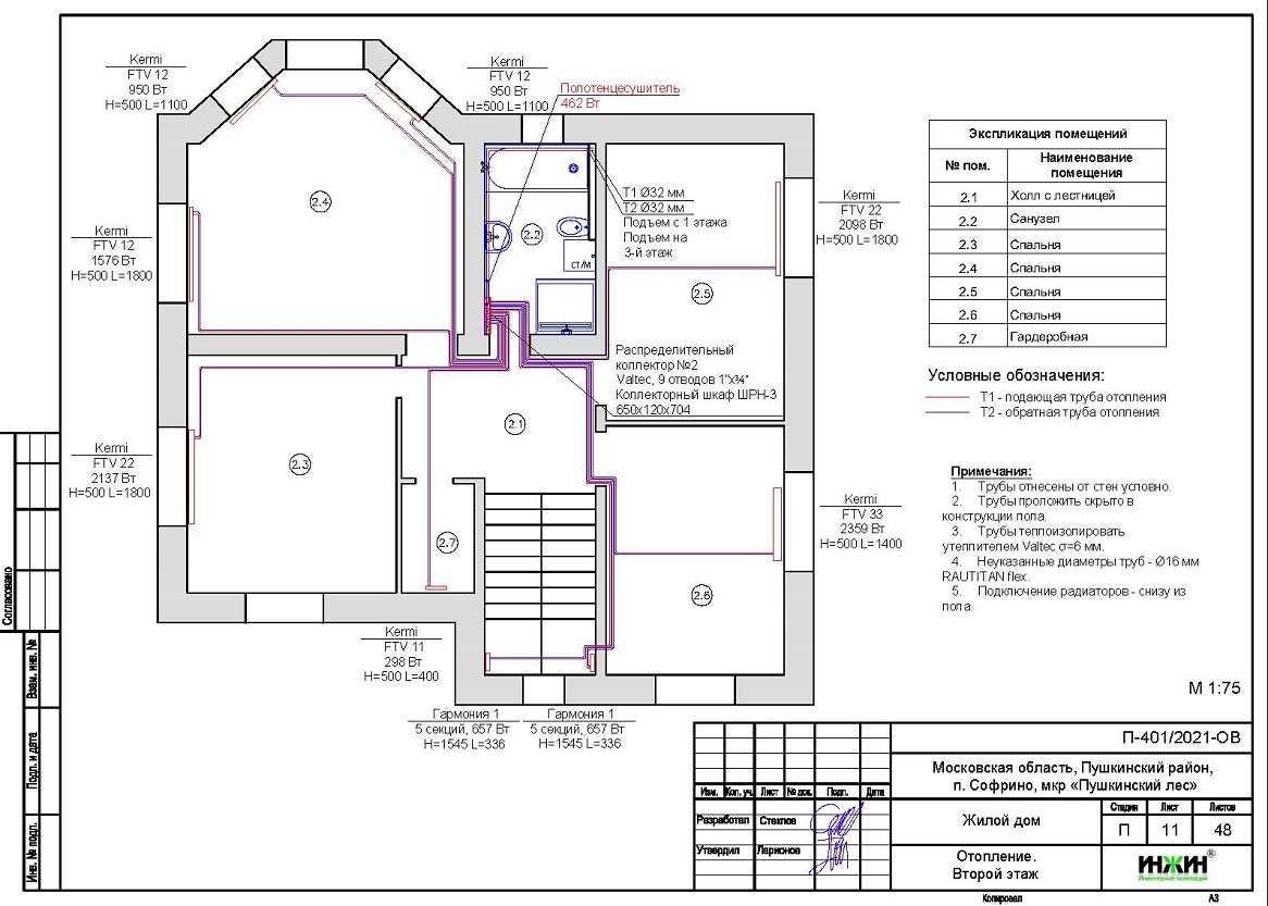
3. Комплект поэтажных чертежей радиаторного отопления дома в Софрино.
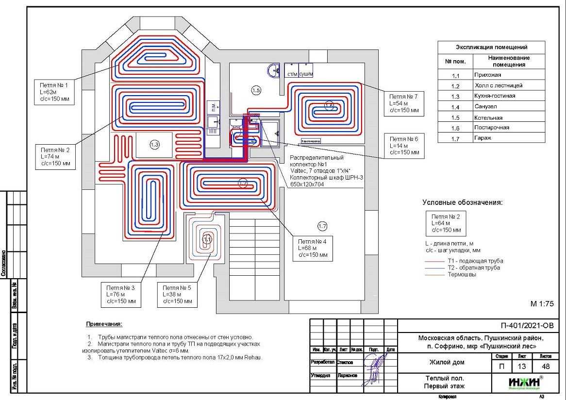
4. Комплект чертежей теплого пола на площади 60 м.кв.
5. Комплект чертежей водоснабжения и канализации частного дома из кирпича в Софрино (мкр "Пушкинский лес").
6. Типовые схемы системы отопления канализации и водоснабжения дома 282 м.кв.
7. Теплотехнический расчет отопления дома из кирпича.
8. Спецификация материалов и оборудования по котельной, отоплению, канализации и водоснабжению дома в Софрино (м-н "Пушкинский лес").
Объем проекта отопления, канализации и водоснабжения дома в Софрино (мкр "Пушкинский лес"): 48 листов.
Описание проекта отопления, котельной, канализации и водоснабжения частного дома 282 м.кв. в Софрино.
Котельная частного дома в Софрино(проект котельной бесплатно).
o Размещена в отдельном помещении дома 282 м.кв.;
o Теплогенератор - напольный газовый котел Protherm Медведь 40KLOM, мощностью 35 кВт;
o Контуры теплоснабжения котельной – радиаторное отопление дома, теплый пол и горячее водоснабжение, для которого предусмотрен накопительный бойлер Protherm FE 200/6 BM, объемом 200 литров (подключение к коллектору);
o Расширительные баки отопления и бойлера Flamco, объемом 35 и 18 литров, соответственно;
o Дымоудаление естественное, дымоход выполнен на объекте;
o Распределительный коллектор Meibes, с насосно-смесительными группами;
o Автоматика котельной – контроллер отопления ZONT Climatic со строенным GSM-модулем.
Отопление дома в Софрино (проект отопления дома).
o Выполнен теплотехнический расчет отопления дома из кирпича (утеплитель кровли - минеральная вата Rockwool, 200мм) с учетом теплопотерь через ограждающие конструкции при наружной температуре -28°С для Московской области (по СП 131.13330.2012), расчетный расход тепла на отопление дома составил 33,87 кВт, удельные теплопотери 116,6 Вт/м.кв.;
o Подобраны приборы для отопления дома: стальные трубчатые радиаторы Гармония (КЗТО) и стальные панельные радиаторы Kermiс нижним подключением, в вентильном исполнении;
o Схема радиаторного отопления дома двухтрубная, коллекторно-лучевая, с принудительной циркуляцией теплоносителя и температурным графиком 80/60°С;
o Трубы отопления из сшитого полиэтилена Rehau;
o Теплоизоляция трубопроводов отопления Valtec, толщиной 6мм;
o Теплоноситель в системе радиаторного отопления дома – подготовленная вода, предусмотрены средства защиты от образования накипи.
Водяной теплый пол дома в Софрино (проект теплого пола).
o Водяной теплый пол в доме предусмотрен на площади 60 м.кв., 7 петель, коллектор теплого пола Valtec на 7 отводов;
o Предусмотрен насосно-смесительный узел для теплоснабжения водяного теплого пола в котельной;
o Трубопроводы теплого пола – сшитый полиэтилен Rehau;
o Регулирование температуры теплого пола - общее, термостатом на смесительном узле котельной.
Внутренний водопровод дома в Софрино (проект водоснабжения).
o Схема внутреннего водоснабжения дома – коллекторно-лучевая с рециркуляцией горячей воды через водяные полотенцесушители, выполнен расчет 34-х точек водоснабжения и полотенцесушителей;
o Трубопроводы системы водоснабжения – из сшитого полиэтилена Rehau;
o Теплоизоляция трубопроводов Valtec, толщиной 6мм;
o Для летнего водопровода предусмотрен незамерзающий кран Meibes SEPP-Eis.
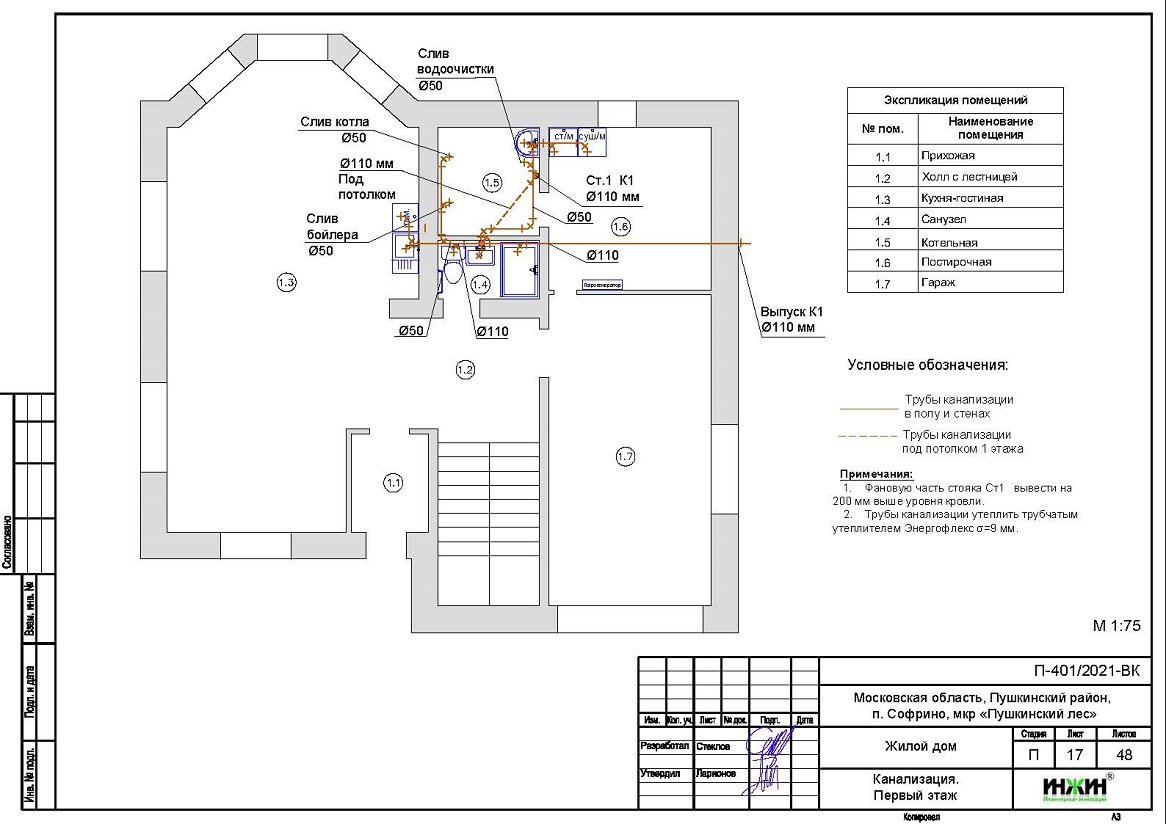
Внутренняя канализация (проект канализации) дома в Софрино (мкр "Пушкинский лес").
o Безнапорная, отвод стоков от санитарно-технических приборов предусмотрен в септик;
o Произведен расчет 21-й точки бытовой канализации;
o Канализационные трубы Синикон, раструбные, из полипропилена.

Заказать в нашей компании проект отопления, водоснабжения и канализации частного дома в Софрино дистанционно со скидкой.
Для этого дома в мкр Пушкинский лесвыполнен проект электрики (электроснабжения и освещения).
По этому проекту выполнен монтаж отопления в КП "Пушкинский лес".






















