Выполненные проекты
Проект отопления дома 510 м.кв. с бассейном
Проект отопления, водоснабжения и канализации: выполнен 09.01.2014
Объект: частный дом площадью 500 кв.м. в г.Ивантеевка, Московской области
Вариант отопления: «Комфортный»
Стоимость проекта отопления: 80 600 руб. (проект котельной – бесплатно)
Состав проекта отопления, водоснабжения и канализации:
1. Пояснительная записка. Общие данные по котельной, отоплению, водоснабжению и канализации.
2. Теплотехнический расчет отопления.
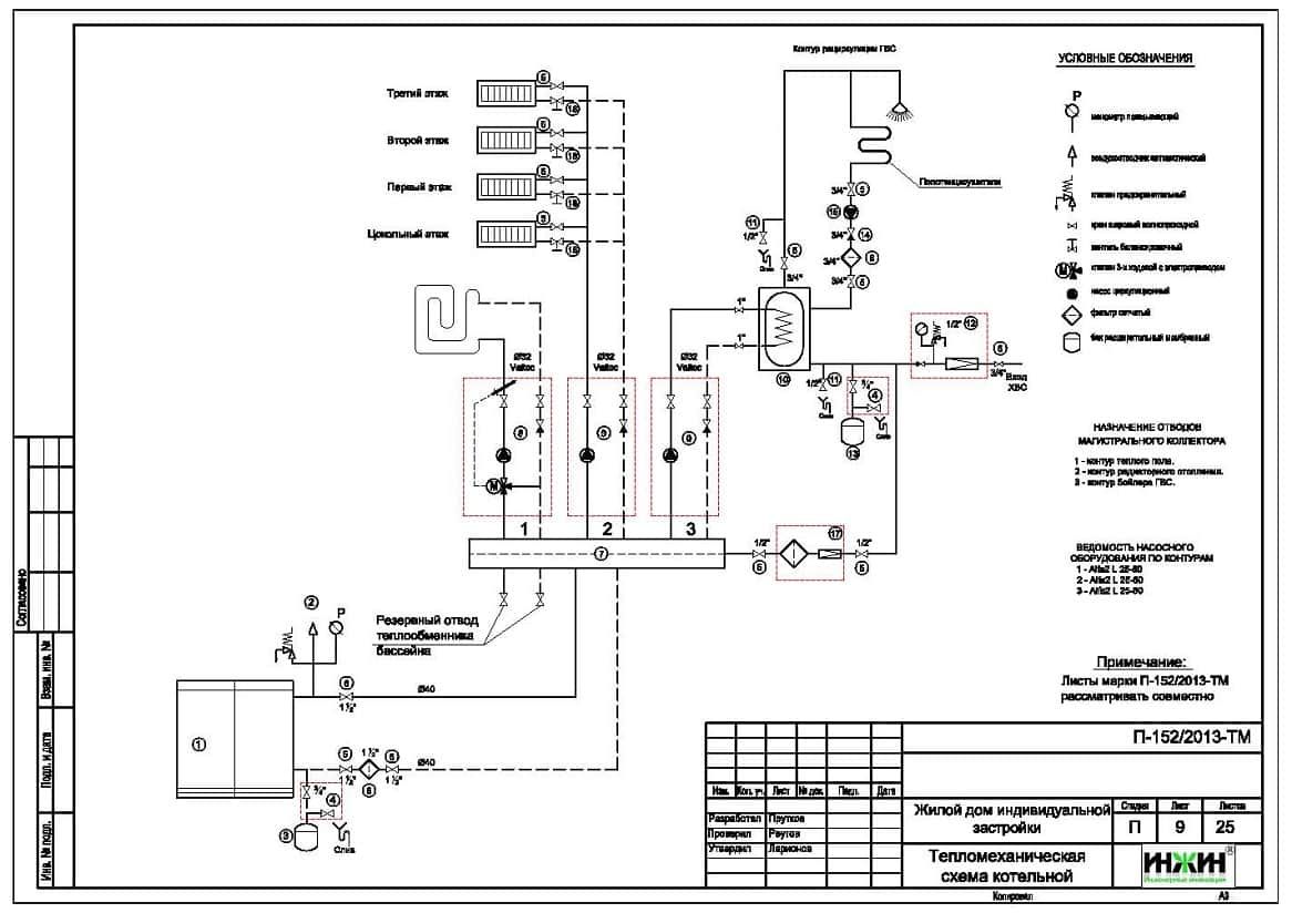
3. Тепломеханическая схема котельной с размещением оборудования.
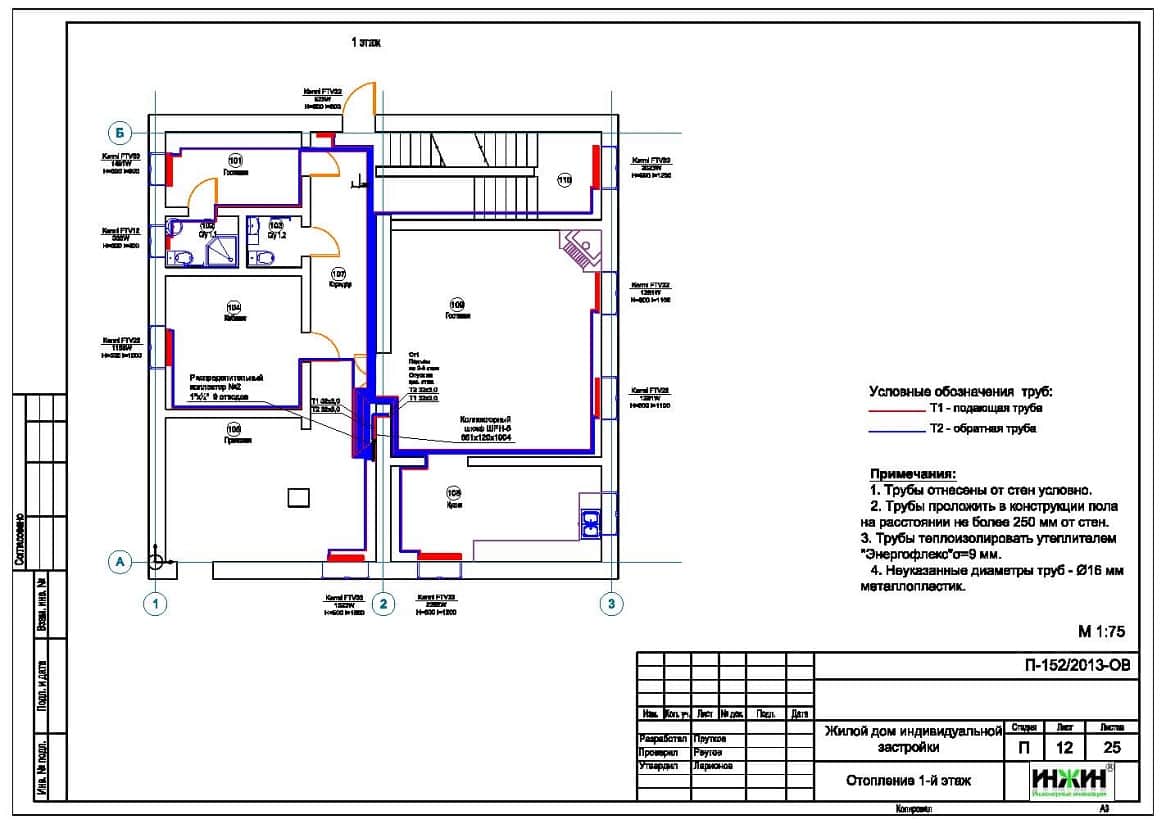
4. Комплект чертежей радиаторного отопления жилого дома.
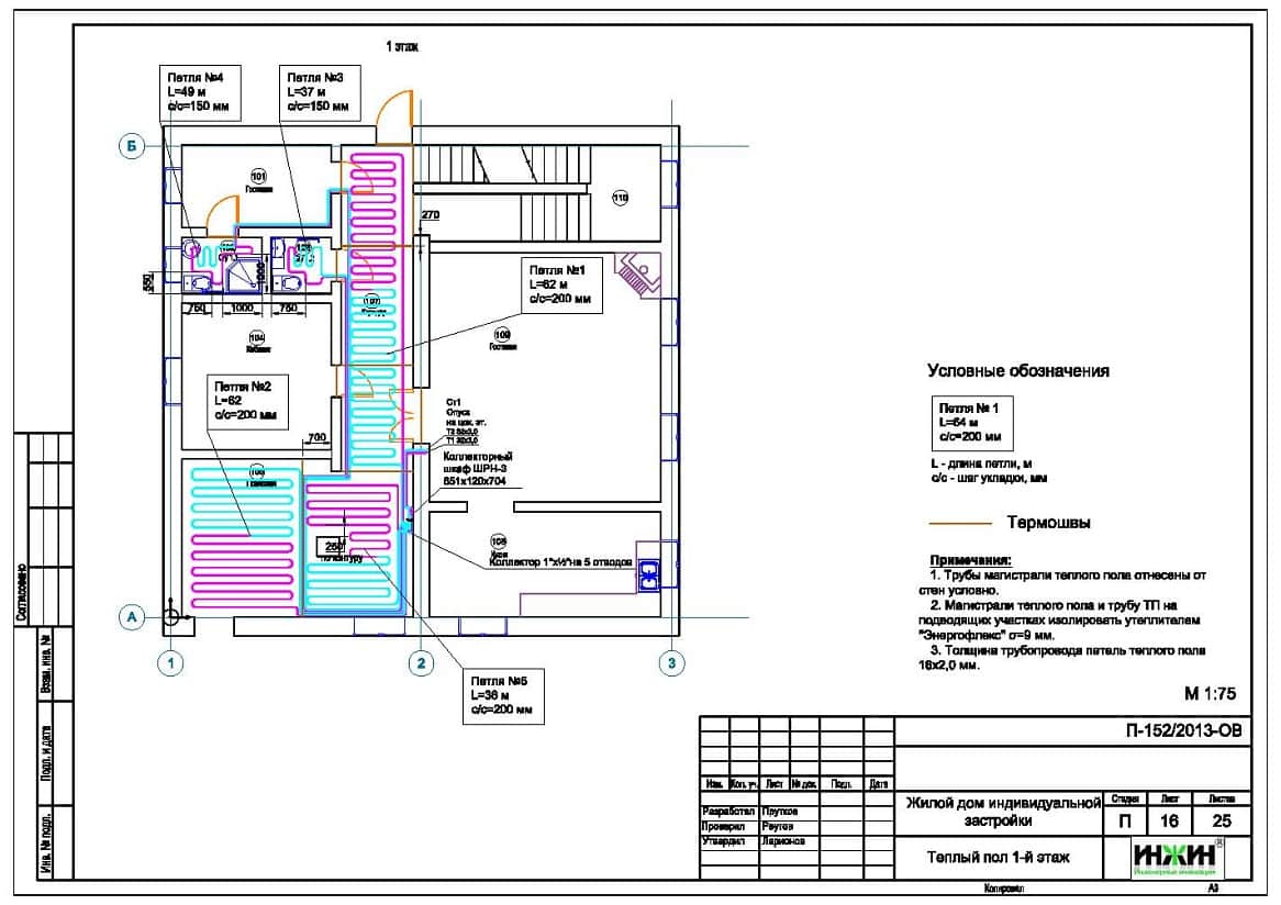
5. Комплект чертежей напольного отопления (теплого пола) жилого дома.
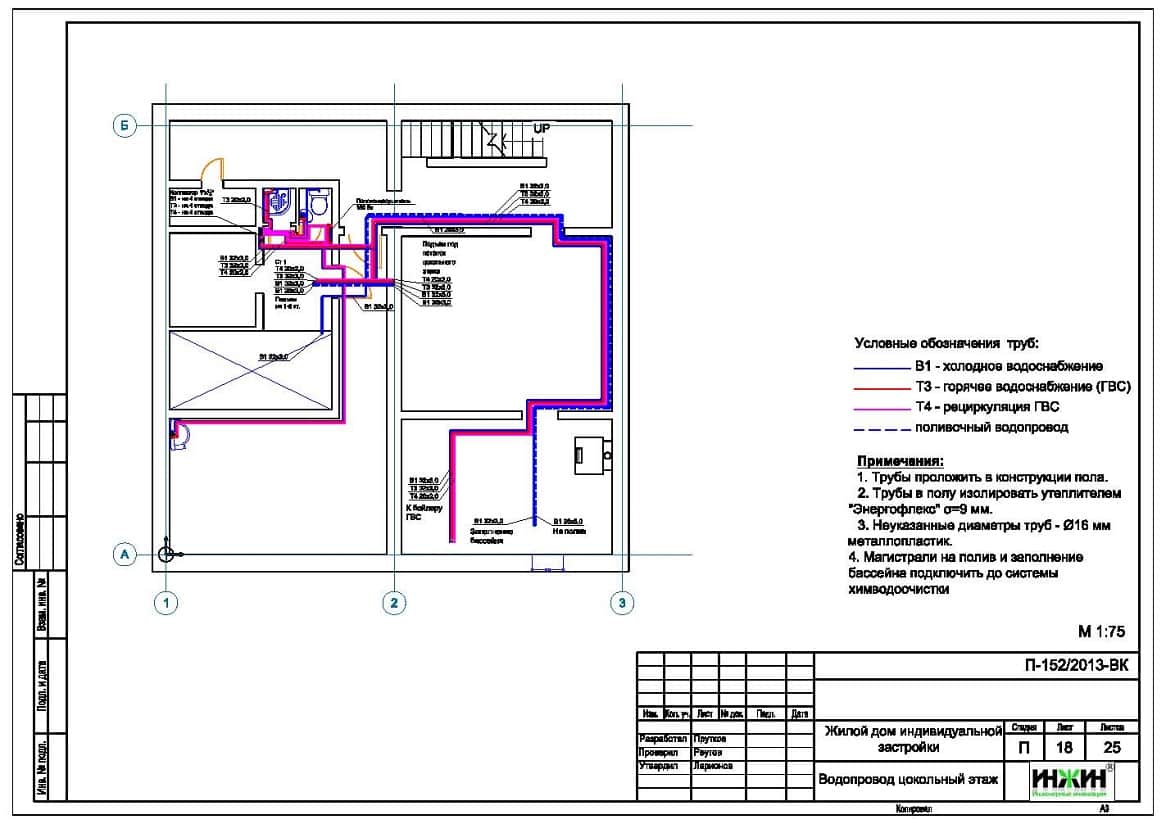
6. Комплект чертежей внутреннего водопровода и канализации жилого дома.
7. Схема системы канализации (аксонометрия).
8. Спецификация материалов и оборудования по системам отопления, водоснабжения и канализации.
Объем проекта отопления, водоснабжения и канализации: 54 листа.
Основные проектные решения, в соответствии с заданием Заказчика.
Котельная (проект котельной бесплатно).
o На базе напольного чугунного котла Viessmann Vitogas 100 F мощностью 72 кВт с атмосферной газовой горелкой (в наличии на объекте);
o Контуры котельной – отопление дома, горячее водоснабжение, водяной теплый пол и теплоснабжение бассейна;
o Приготовление горячей воды при помощи бойлера Viessmann Vitocell, объемом 200 литров;
o Расширительные баки отопления и водоснабжения Reflex объемом 50 и 18 литров соответственно;
o Насосное оборудование для отопления и теплого пола Grundfos;
o Трубы дымоходные – выполнены на объекте;
o Распределительная гребенка с насосно-смесительными узлами Meibes;
o Автоматика котельной – основной блок Viessmann Vitotronic 100 (в наличии на объекте).
Автоматизация (вариант «Комфортный»).
o Автоматическое регулирование отопления по наружной температуре (погодное регулирование);
o Автоматическое поддержание заданной температуры в контурах отопления, теплого пола и горячего водоснабжения.
Отопление дома с бассейном.
o Отопление дома радиаторное, использованы панельные радиаторы Kermi с нижней подводкой, тип FTV (34 шт.);
o Схема радиаторного отопления коллекторная с принудительной циркуляцией теплоносителя;
o Температурный график отопления 80/60° С;
o Трубопроводы отопления: магистральные – армированный полипропилен Valtec, подводящие - металлопластик Valtec.
Водяной теплый пол.
Теплые полы проектом предусмотрены на площади 70 м.кв.
Трубопроводы теплого пола - металлопластик Valtec.
Управление теплым полом – общее, контуром котельной.
Водяные полотенцесушители.
Источником теплоснабжения полотенцесушителей принят контур рециркуляции бытовой горячей воды.
Внутренний водопровод.
o Схема внутреннего водоснабжения – коллекторная, с рециркуляцией горячей воды у потребителей;
o Трубопроводы системы водоснабжения – металлопластик Valtec.
Внутренняя канализация.
Предусмотрен комбинированный отвод стоков от санитарно-технических приборов: безнапорный (1, 2, 3 этажи) и напорный (цокольный этаж). В напорной канализации цокольного этажа предусмотрено 2 канализационных станции Grundfos Sololift2.



















