Выполненные проекты
Отопление дома в ДНП "Талицкие берега", проект
Объект: одноэтажный частный дом из кирпича, площадью 153 м.кв., расположенный в ДНП "Талицкие берега", Пушкинского района Московской области
Вариант отопления: «Комфортный+»
Цена проекта отопления: 33 390 руб. со скидкой 10%, проект котельной - бесплатно.
Проект котельной и отопления выполнен: 21.05.2023
Состав проекта котельной, отопления и теплого пола дома в ДНП "Талицкие берега":
1. Пояснительная записка проекта, общие данные по системе отопления дома 153 м.кв. в ДНП "Талицкие берега".
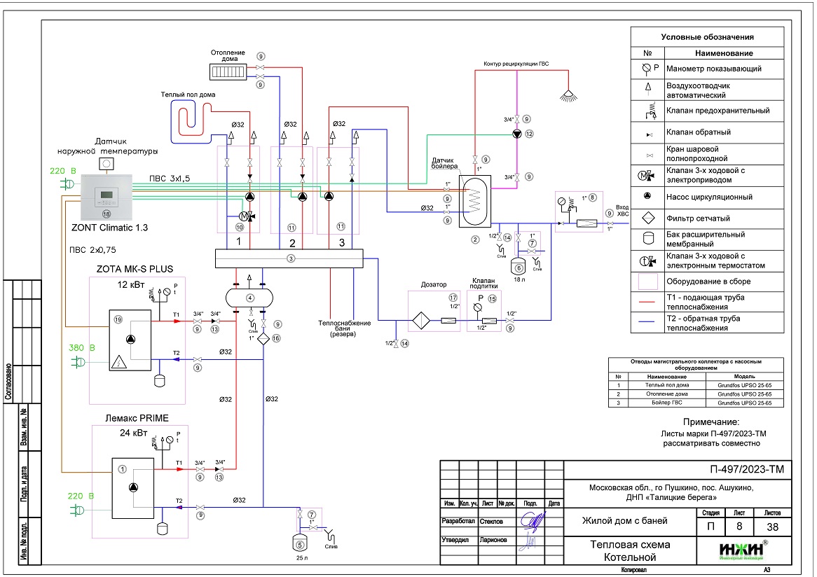
2. Тепломеханическая схема котельной с размещением оборудования в отдельном помещении дома из кирпича.
3. Комплект поэтажных чертежей радиаторного отопления дома в ДНП "Талицкие берега".
4. Комплект чертежей теплого пола на площади 25 м.кв.
5. Типовые схемы системы отопления и водоснабжения дома 153 м.кв.
6. Теплотехнический расчет отопления дома из кирпича.
7. Спецификация материалов и оборудования по котельной и отоплению дома в ДНП "Талицкие берега".
Объем проекта отопления дома в ДНП "Талицкие берега": 38 листов.
Описание проекта отопления, котельной, водоснабжения, канализации и теплого пола частного дома 153 м.кв. в ДНП "Талицкие берега".
Котельная частного дома в ДНП "Талицкие берега"(проект котельной бесплатно).
o Размещена в отдельном помещении дома 153 м.кв.;
o Теплогенераторы - основной настенный газовый котел Лемакс Prime-V24 HO, мощностью 24 кВт, резервный - электрический котел ZOTA MK, мощностью 12 кВт;
o Контуры теплоснабжения котельной – радиаторное отопление дома, теплый пол, теплоснабжение бани (резерв) и горячее водоснабжение, для которого предусмотрен накопительный бойлер STOUT, объемом 200 литров (подключение к коллектору);
o Расширительные баки отопления и бойлера Flamco, объемом 25 и 18 литров;
o Дымоудаление принудительное, дымоход коаксиальный, диаметр 60/120 мм, размещение - через стену;
o Распределительный коллектор - в котельной STOUT, с насосными группами и гидравлическим разделителем;
o Автоматика котельной – контроллер ZONT Climatic 1.3.
Отопление дома в ДНП "Талицкие берега" (проект отопления дома).
o Выполнен теплотехнический расчет отопления дома из кирпича (утеплитель кровли - минвата 200мм) с учетом теплопотерь через ограждающие конструкции при наружной температуре -28°С для Московской области (по СП 131.13330.2012), расчетный расход тепла на отопление дома составил 13,96 кВт, удельные теплопотери 91,0 Вт/м.кв.;
o Подобраны приборы для отопления дома: трубчатые дизайн-радиаторы Arbonia с нижним подключением и встраиваемый в пол конвектор Varmann с принудительной конвекцией;
o Схема радиаторного отопления дома двухтрубная, коллекторно-лучевая, с принудительной циркуляцией теплоносителя и температурным графиком 80/60°С;
o Трубы отопления из металлопластика Valtec;
o Теплоизоляция трубопроводов отопления Valtec, толщиной 6мм;
o Теплоноситель в системе радиаторного отопления дома – подготовленная вода, предусмотрены средства защиты от образования накипи.
Водяной теплый пол дома в ДНП "Талицкие берега" (проект теплого пола).
o Водяной теплый пол в доме предусмотрен на площади 25 м.кв., коллектор теплого пола Valtec на 4 отвода;
o Предусмотрена насосная группа (со смесителем) для теплоснабжения водяного теплого пола дома;
o Трубопроводы теплого пола – сшитый полиэтилен Valtec;
o Регулирование температуры теплого пола - общее, контурами котельной, а также локальное (по помещениям), при помощи электронных термостатов Valtec.
Внутренний водопровод дома в ДНП "Талицкие берега" (проект водоснабжения).
o Схема внутреннего водоснабжения дома – коллекторно-лучевая с рециркуляцией горячей воды через полотенцесушители, выполнен расчет 24-х точек водоснабжения и полотенцесушителей;
o Трубопроводы системы водоснабжения – из металлопластика Valtec;
o Теплоизоляция трубопроводов Valtec, толщиной 6мм.
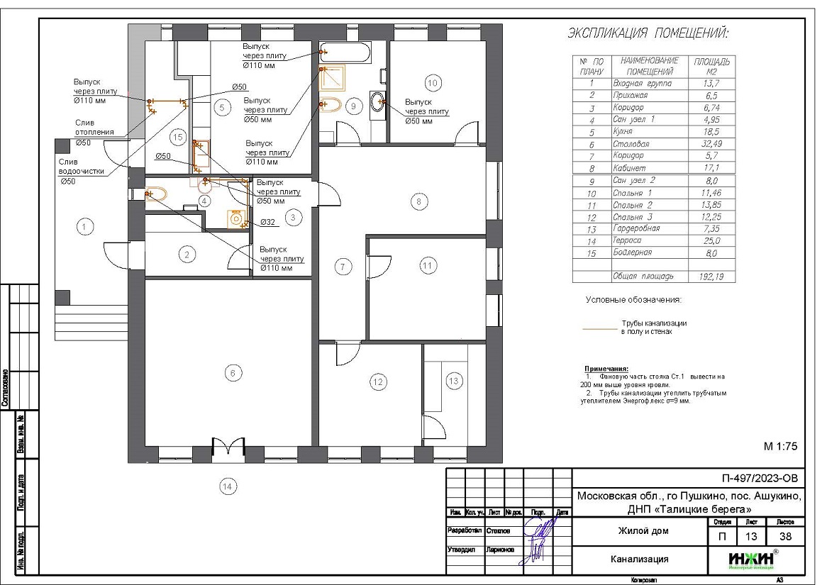
Внутренняя канализация (проект канализации) дома в ДНП "Талицкие берега".
o Безнапорная, отвод стоков от санитарно-технических приборов предусмотрен в септик;
o Произведен расчет 12-и точек бытовой канализации;
o Канализационные трубы Синикон, раструбные, из полипропилена, утепленные трубчатым утеплителем Энергофлекс Супер, 9мм.
Заказать в нашей компании проект отопления, водоснабжения и канализации загородного дома дистанционно со скидкой.
Для этого дома выполнен проект электроснабжения и освещения (электрики).



















