Выполненные проекты
Отопление дома 430 м.кв. в Мытищинском районе, проект
Объект: частный дом с бассейном (3 этажа) из блоков Porotherm, общей площадью 430 м.кв., расположенный в дер. Коргашино, Мытищинского района Московской области
Вариант отопления: «Комфортный+»
Цена проекта отопления, канализации и водоснабжения: 92 610 руб. со скидкой 10%, проект котельной - бесплатно.
Проект котельной, отопления, водоснабжения и канализации выполнен: 26.09.2023
Состав проекта котельной, отопления, канализации и водоснабжения дома в дер. Коргашино:
1. Пояснительная записка проекта, общие данные по системам отопления, канализации и водоснабжения дома 430 м.кв. в дер. Коргашино.
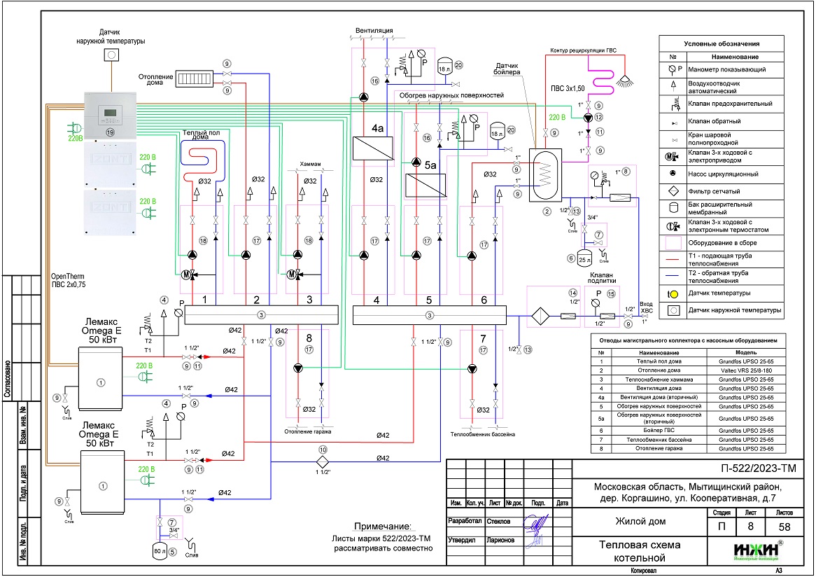
2. Тепломеханическая схема котельной с размещением оборудования в отдельном помещении дома из блоков Porotherm.
3. Комплект поэтажных чертежей радиаторного отопления дома в дер. Коргашино.
4. Комплект чертежей теплого пола на площади 50 м.кв.
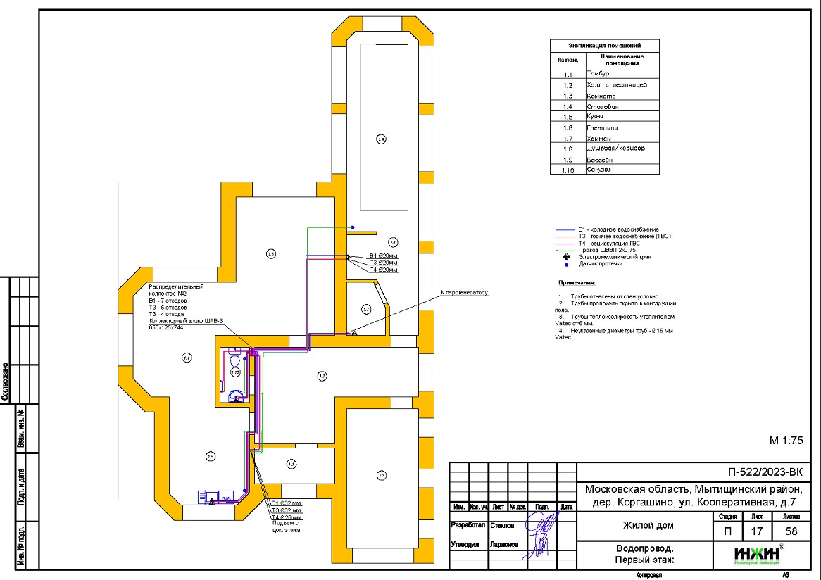
5. Комплект чертежей водоснабжения и канализации частного дома из блоков Porotherm в дер. Коргашино.
6. Типовые схемы системы отопления канализации и водоснабжения дома 430 м.кв.
7. Теплотехнический расчет отопления дома из блоков Porotherm.
8. Спецификация материалов и оборудования по котельной, отоплению, канализации и водоснабжению дома в дер. Коргашино.
Объем проекта отопления, канализации и водоснабжения дома в дер. Коргашино: 58 листов.
Описание проекта отопления, котельной, канализации и водоснабжения частного дома 430 м.кв. в дер. Коргашино.
Котельная частного дома в дер. Коргашино(проект котельной бесплатно).
o Размещена в отдельном помещении дома 430 м.кв.;
o Теплогенератор - напольный газовый котел Лемакс OMEGA E-50, мощностью 50 кВт;
o Контуры теплоснабжения котельной (8 шт.) – радиаторное отопление дома, теплый пол, теплоснабжения хаммама, теплоснабжение гаража, контуры теплообменника бассейна, вентиляции, обогрева наружных поверхностей (с раздельным теплообменником) и контур горячего водоснабжения, для которого предусмотрен накопительный бойлер STOUT, объемом 300 литров (подключение к коллектору);
o Расширительные баки отопления и бойлера Flamco, объемом 80 и 25 литров, соответственно;
o Дымоудаление естественное, дымоход выполнен на объекте;
o Распределительный коллектор STOUT, с насосно-смесительными группами;
o Автоматика котельной – контроллер ZONT Climatic 1.3 со встроенным GSM-модулем и дополнительными блоками расширения EX-77.
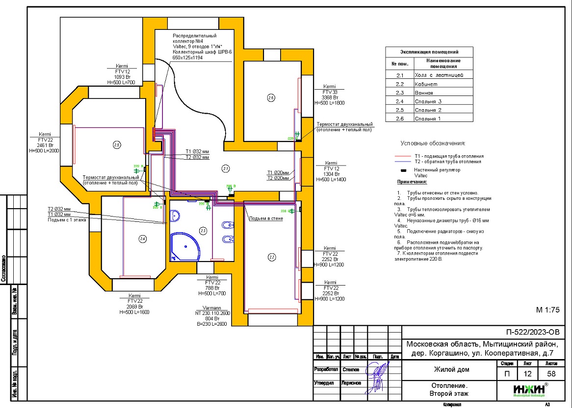
Отопление дома в дер. Коргашино (проект отопления дома).
o Выполнен теплотехнический расчет отопления дома из блоков Porotherm (утеплитель кровли базальтовая вата 100мм) с учетом теплопотерь через ограждающие конструкции при наружной температуре -28°С для Московской области (по СП 131.13330.2012), расчетный расход тепла на отопление дома составил 49,79 кВт, удельные теплопотери 128,6 Вт/м.кв.;
o Подобраны приборы для отопления дома: стальные панельные радиаторы Kermi с нижним подключением, в вентильном исполнении, а также встраиваемый в пол конвектор Varmann;
o Схема радиаторного отопления дома двухтрубная, коллекторно-лучевая, с принудительной циркуляцией теплоносителя и температурным графиком 80/60°С;
o Трубы отопления из металлопластика Valtec;
o Теплоизоляция трубопроводов отопления Valtec, толщиной 6мм;
o Теплоноситель в системе радиаторного отопления дома – подготовленная вода, предусмотрены средства защиты от образования накипи.
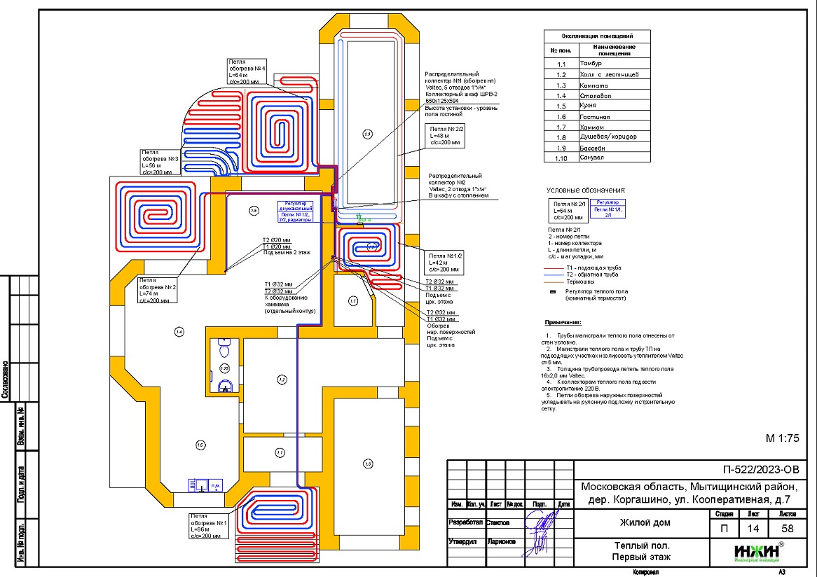
Водяной теплый пол дома в дер. Коргашино (проект теплого пола).
o Водяной теплый пол в доме предусмотрен на площади 50 м.кв., 10 петель, коллекторы теплого пола Valtec на 2, и 4 и 5 отводов;
o Предусмотрен насосно-смесительный узел для теплоснабжения водяного теплого пола в котельной;
o Трубопроводы теплого пола – сшитый полиэтилен Valtec, основание - плиты пенополистирольные с покрытием и фиксирующими бобышками EasyFix L (Формат);
o Регулирование температуры теплого пола - общее, контуром котельной.
Внутренний водопровод дома в дер. Коргашино (проект водоснабжения).
o Схема внутреннего водоснабжения дома – коллекторно-лучевая с рециркуляцией горячей воды через проходные водорозетки и полотенцесушители, выполнен расчет 31-й точки водоснабжения и полотенцесушителей;
o Трубопроводы системы водоснабжения – из металлопластика Valtec;
o Теплоизоляция трубопроводов Valtec, толщиной 6мм.
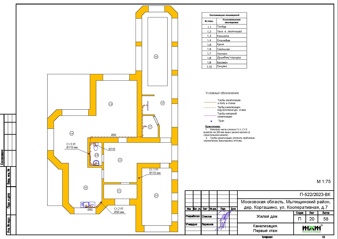
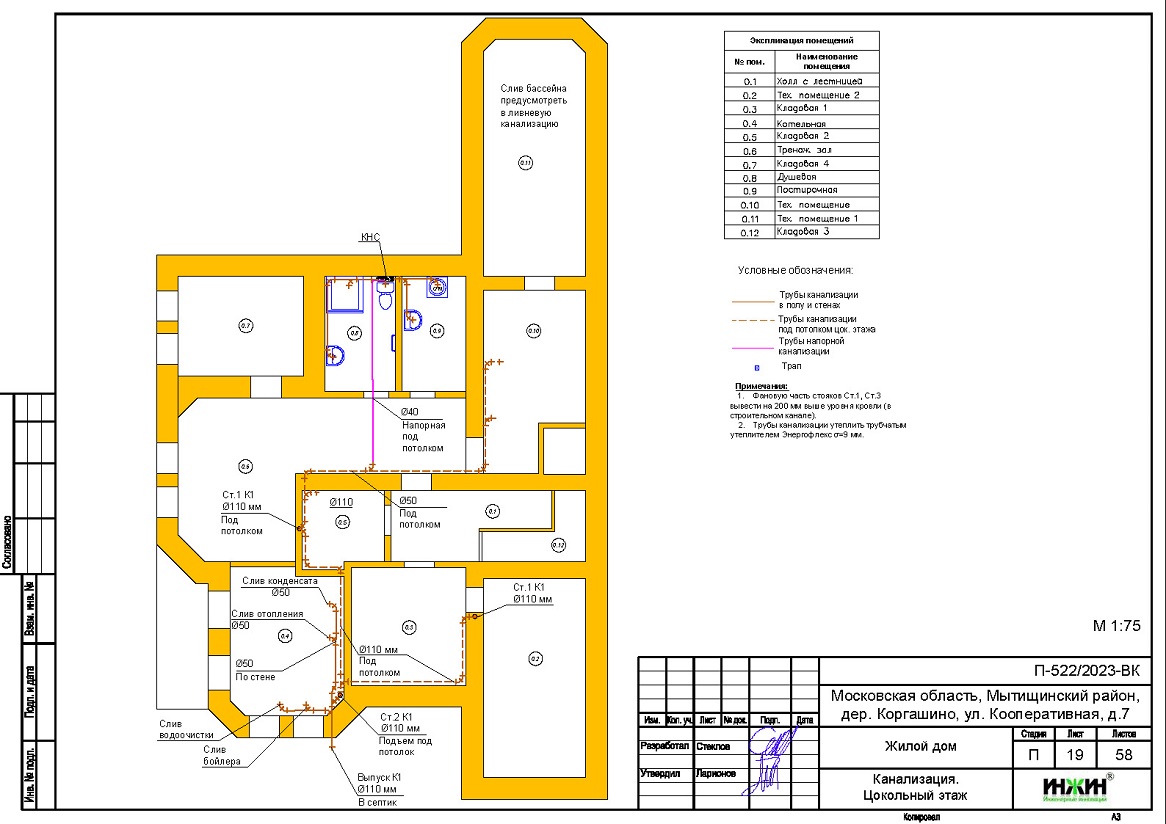
Внутренняя канализация (проект канализации) дома в дер. Коргашино.
o Безнапорная, отвод стоков от санитарно-технических приборов предусмотрен в септик;
o Произведен расчет 18-и точек бытовой канализации, в том числе 3 трапа с "сухим" затвором;
o Канализационные трубы Синикон, раструбные, из полипропилена, утепленные трубчатым утеплителем Энергофлекс Супер, 9мм.
Заказать в нашей компании проект отопления, водоснабжения и канализации частного дома дистанционно со скидкой.
Для этого дома 430 м.кв. выполнен проект электроснабжения и освещения.

























