Выполненные проекты
Проект отопления дома 338 м.кв. (с отдельной баней)
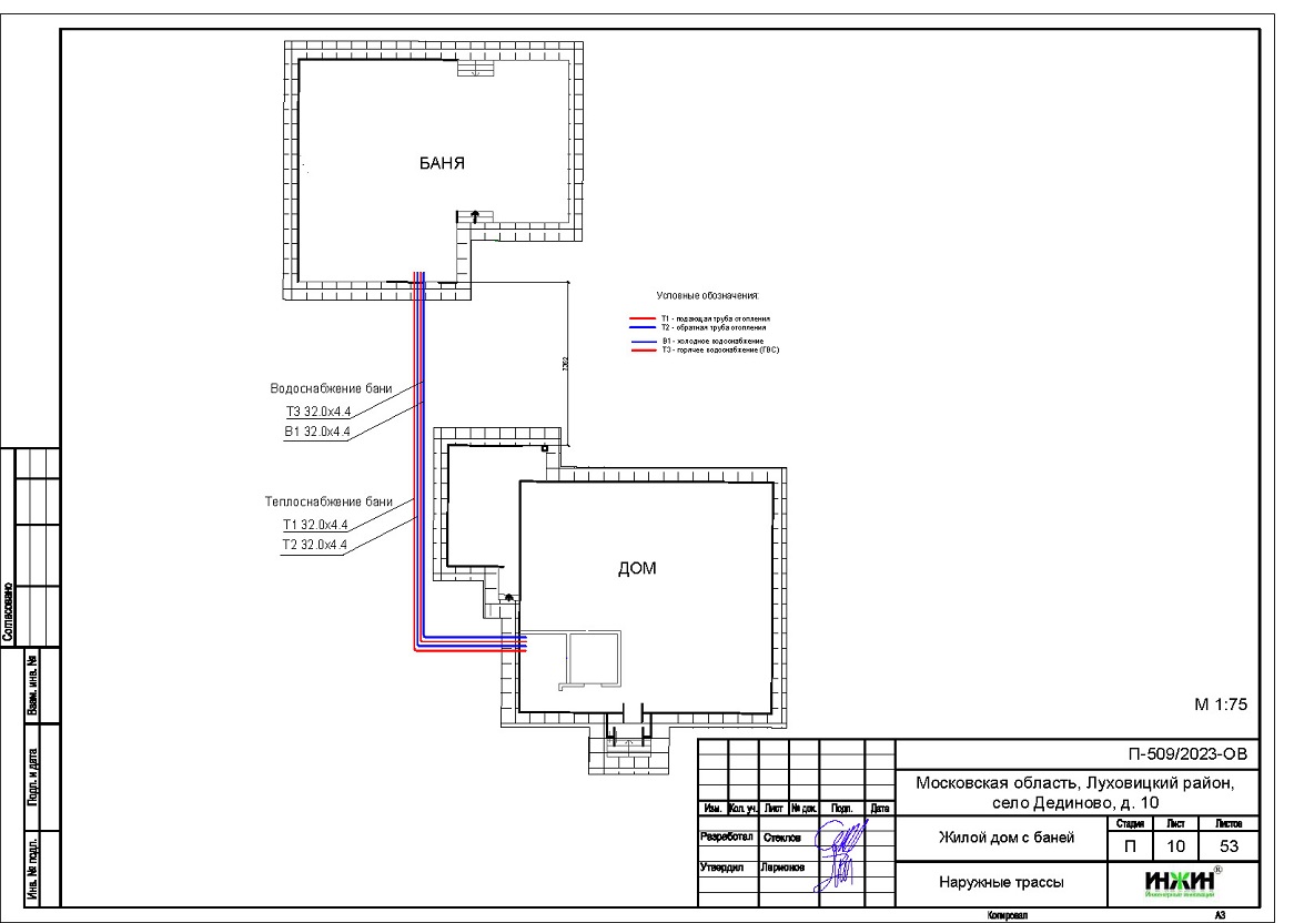
Объект: частный дом из газобетона, с баней (отдельное строение), общей площадью 338 м.кв., расположенный в с. Дединово Луховицкого района Московской области
Вариант отопления: «Комфортный+»
Цена проекта отопления, канализации и водоснабжения: 64 388 руб. со скидкой 10%, проект котельной - бесплатно.
Проект котельной, отопления, водоснабжения и канализации выполнен: 10.11.2023
Состав проекта котельной, отопления, канализации и водоснабжения дома в с. Дединово:
1. Пояснительная записка проекта, общие данные по системам отопления, канализации и водоснабжения дома 338 м.кв. в с. Дединово.
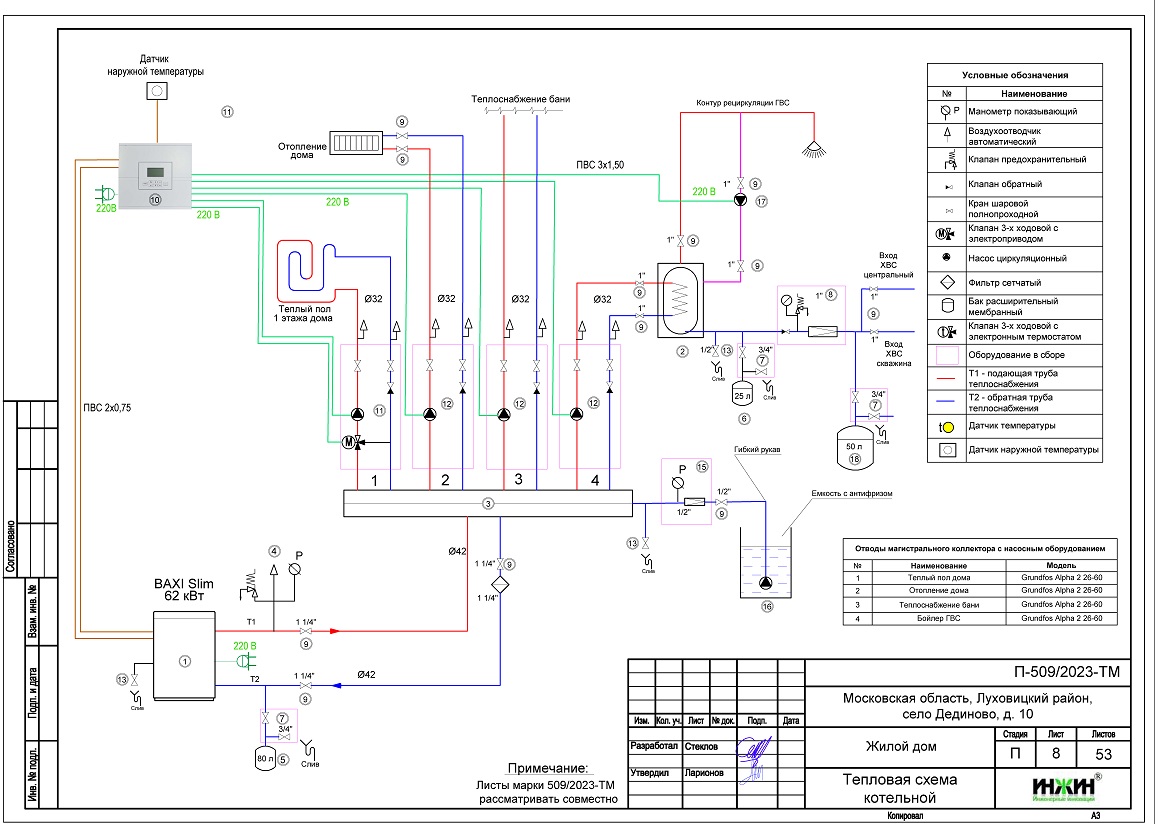
2. Тепломеханическая схема котельной с размещением оборудования в отдельном помещении дома из газобетона.
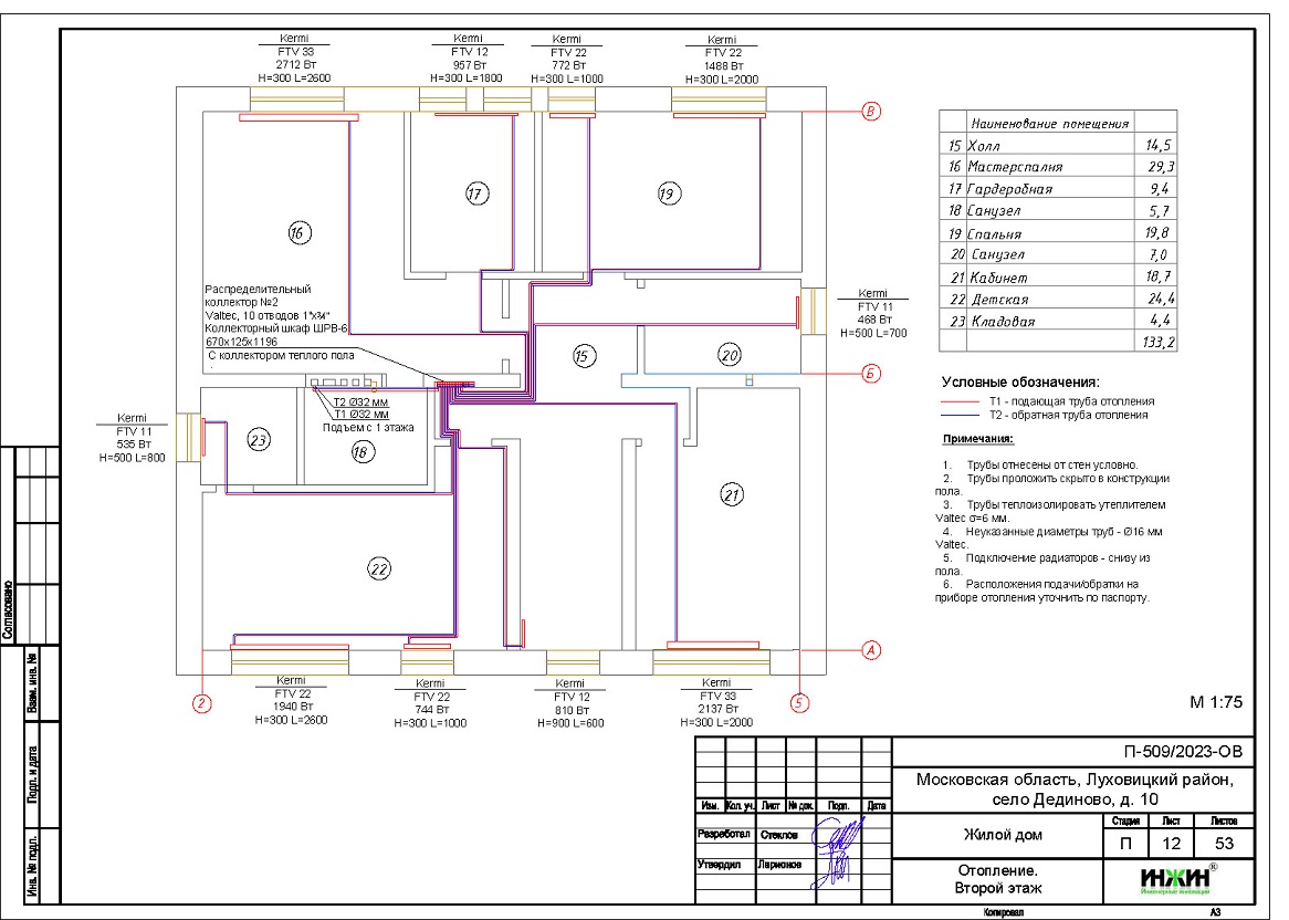
3. Комплект поэтажных чертежей радиаторного отопления дома в с. Дединово.
4. Комплект чертежей теплого пола на площади 160 м.кв.
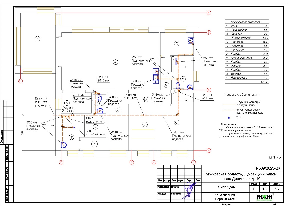
5. Комплект чертежей водоснабжения и канализации частного дома из газобетона в с. Дединово.
6. Типовые схемы системы отопления канализации и водоснабжения дома 338 м.кв.
7. Теплотехнический расчет отопления дома из газобетона.
8. Спецификация материалов и оборудования по котельной, отоплению, канализации и водоснабжению дома в с. Дединово
Объем проекта отопления, канализации и водоснабжения дома в с. Дединово: 53 листа.
Описание проекта отопления, котельной, канализации и водоснабжения частного дома 338 м.кв. в с. Дединово.
Котельная частного дома в с. Дединово(проект котельной бесплатно).
o Размещена в отдельном помещении первого этажа дома 338 м.кв.;
o Теплогенераторы - напольный газовый котел BAXI SLIM1.620 iN, мощностью 62 кВт;
o Контуры теплоснабжения котельной – радиаторное отопление дома, теплый пол, теплоснабжение бани и горячее водоснабжение, для которого предусмотрен накопительный бойлер S-TANK, объемом 300 литров (подключение к коллектору);
o Расширительные баки отопления и бойлера Flamco, объемом 80 и 25 литров, соответственно;
o Дымоудаление естественное, дымоход из нержавеющей стали диаметром 180 мм;
o Распределительный коллектор - STOUT с насосными группами;
o Автоматика котельной – контроллер ZONT Climatic 1.3 со встроенным GSM-модулем.
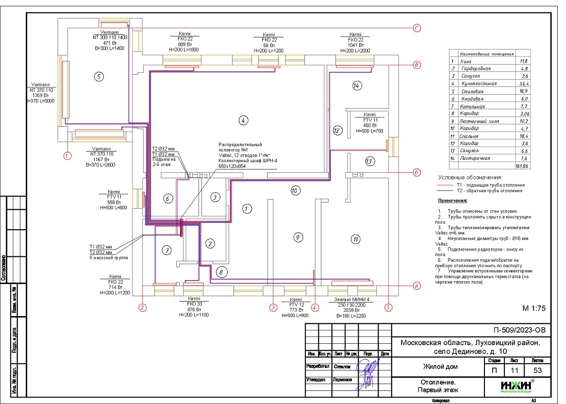
Отопление дома в с. Дединово (проект отопления дома).
o Выполнен теплотехнический расчет отопления комплекса строений (утеплитель кровли - базальтовая вата 200мм) с учетом теплопотерь через ограждающие конструкции при наружной температуре -28°С для Московской области (по СП 131.13330.2012), расчетный расход тепла на отопление дома составил 31,02 кВт, удельные теплопотери 90,1 Вт/м.кв.;
o Подобраны приборы для отопления дома: стальные панельные радиаторы Kermi с нижним подключением, напольный конвектор Элегант МИНИ (КЗТО), а также встроенные в пол конвекторы Varmann c естественной конвекцией;
o Схема радиаторного отопления основного и гостевого дома двухтрубная, коллекторно-лучевая, с принудительной циркуляцией теплоносителя и температурным графиком 80/60°С;
o Трубы отопления из сшитого полиэтилена Valtec;
o Теплоизоляция трубопроводов отопления Valtec, толщиной 6мм;
o Теплоноситель в системе радиаторного отопления дома – незамерзающая жидкость Warme Eco Pro 30.
Водяной теплый пол дома в с. Дединово (проект теплого пола).
o Водяной теплый пол в основном и гостевом доме предусмотрен на площади 160 м.кв., коллекторы теплого пола Valtec на 2 и 12 отводов;
o Предусмотрен насосно-смесительный узел для теплоснабжения водяного теплого пола дома;
o Трубопроводы теплого пола – сшитый полиэтилен Valtec;
o Регулирование температуры теплого пола - общее, регулятором на смесительной группе и локальное, по помещениям, при помощи электронных комнатных термостатов Valtec с Wi-Fi (обзор которых публиковали на нашем сайте в разделе новинок).
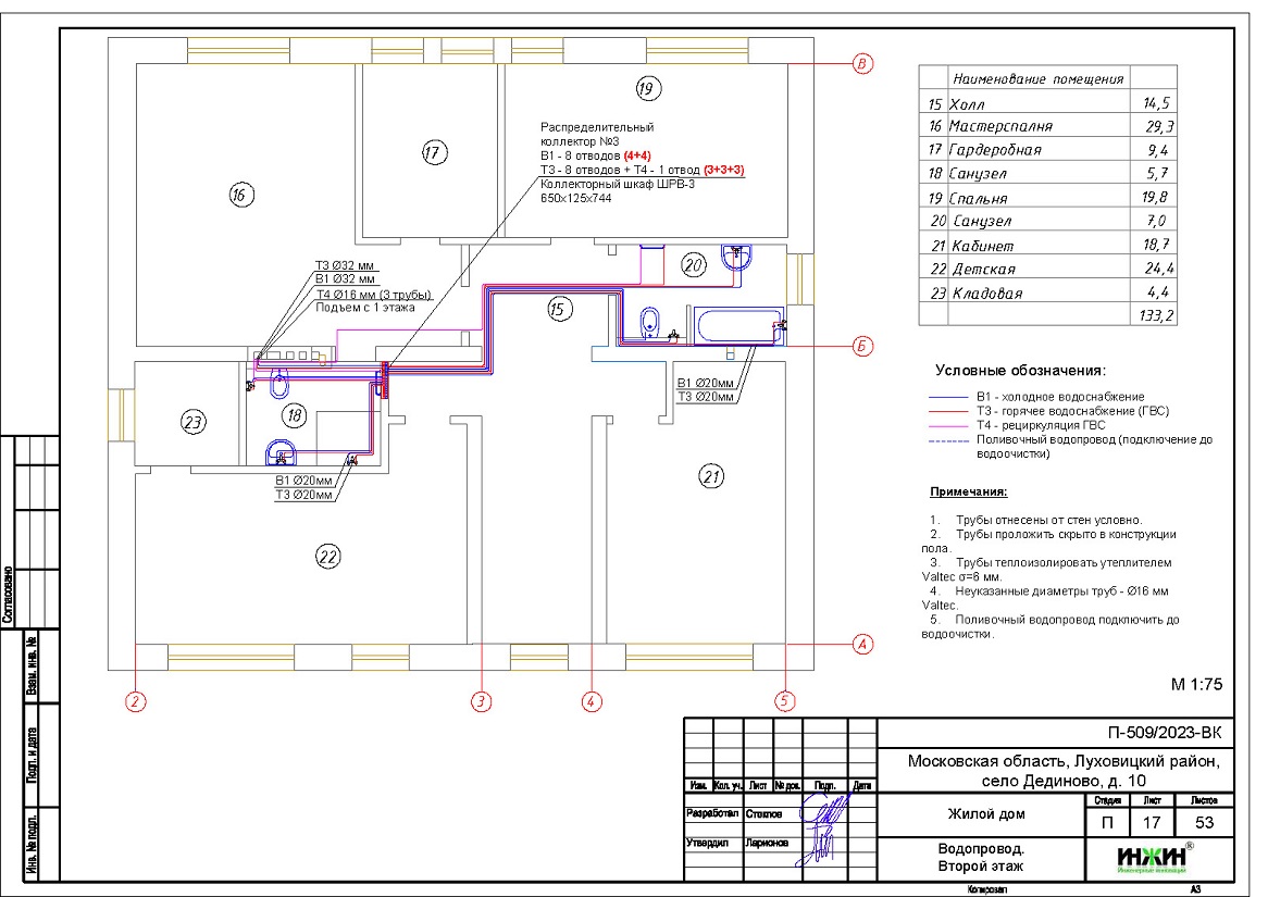
Внутренний водопровод дома в с. Дединово (проект водоснабжения).
o Схема внутреннего водоснабжения дома – коллекторно-лучевая с рециркуляцией горячей воды через водяные полотенцесушители и коллекторы, выполнен расчет 37-и точек водоснабжения и полотенцесушителей;
o Трубопроводы системы водоснабжения – из сшитого полиэтилена Valtec;
o Теплоизоляция трубопроводов Valtec, толщиной 6мм;
o Для летнего водопровода предусмотрен незамерзающий кран Arrowhead.
Внутренняя канализация (проект канализации) дома в с. Дединово.
o Безнапорная, отвод стоков от санитарно-технических приборов предусмотрен в септик;
o Произведен расчет 18-и точек бытовой канализации;
o Канализационные трубы Синикон, раструбные.

Заказать в нашей компании проект отопления, водоснабжения и канализации загородного дома дистанционно со скидкой.
Для этого дома в с. Дединово выполнен проект электрики.
По этому проекту выполнен монтаж систем отопления, водоснабжения и канализации.

























