Выполненные проекты
Проект отопления дома 247 м.кв. в пос. Газопровод
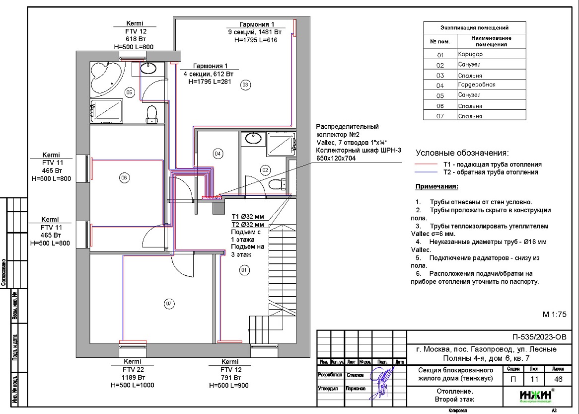
Объект: частный дом (3 этажа) из блоков Porotherm, общей площадью 247 м.кв., расположенный в пос. Газопровод, г. Москва
Вариант отопления: «Комфортный»
Цена проекта отопления, канализации и водоснабжения: 42 897 руб. со скидкой 10%, проект котельной - бесплатно.
Проект котельной, отопления, водоснабжения и канализации выполнен: 08.01.2024
Состав проекта котельной, отопления, канализации и водоснабжения дома в пос. Газопровод, г. Москва:
1. Пояснительная записка проекта, общие данные по системам отопления, канализации и водоснабжения дома 247 м.кв. в пос. Газопровод, г. Москва.
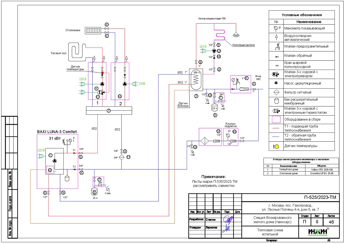
2. Тепломеханическая схема котельной с размещением оборудования в отдельном помещении дома из блоков Porotherm.
3. Комплект поэтажных чертежей радиаторного отопления дома в пос. Газопровод, г. Москва.
4. Комплект чертежей теплого пола на площади 50 м.кв.
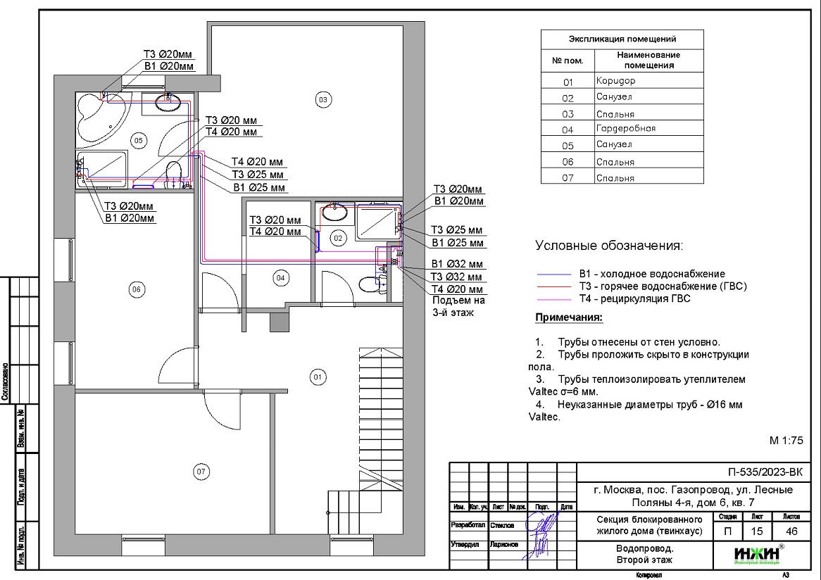
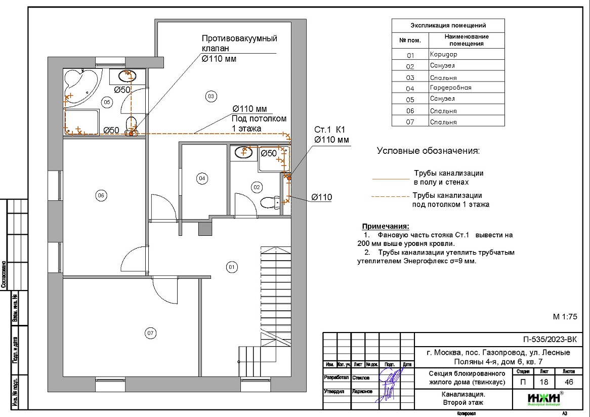
5. Комплект чертежей водоснабжения и канализации частного дома из блоков Porotherm в пос. Газопровод, г. Москва.
6. Типовые схемы системы отопления канализации и водоснабжения дома 247 м.кв.
7. Теплотехнический расчет отопления дома из блоков Porotherm.
8. Спецификация материалов и оборудования по котельной, отоплению, канализации и водоснабжению дома в пос. Газопровод, г. Москва.
Объем проекта отопления, канализации и водоснабжения дома в пос. Газопровод, г. Москва: 46 листов.
Описание проекта отопления, котельной, канализации и водоснабжения частного дома 247 м.кв. в пос. Газопровод, г. Москва.
Котельная частного дома в пос. Газопровод, г. Москва(проект котельной бесплатно).
o Размещена в отдельном помещении дома 247 м.кв.;
o Теплогенератор - настенный газовый котел Baxi LUNA-3 Comfort 1.340 Fi (в наличии), мощностью 31 кВт;
o Контуры теплоснабжения котельной (3 шт.) – отопление дома, теплый пол и горячее водоснабжение, для которого предусмотрен накопительный бойлер STOUT, объемом 200 литров (подключение к котлу);
o Расширительные баки отопления и бойлера Flamco, объемом 25 литров каждый;
o Дымоудаление принудительное, дымоход коаксиальный, через стену;
o Распределительный коллектор STOUT, с насосно-смесительными группами;
o Автоматика котельной – встроена в котел.
Отопление дома в пос. Газопровод, г. Москва (проект отопления дома).
o Выполнен теплотехнический расчет отопления дома из блоков Porotherm (утеплитель стен и кровли ЭППС 50 и 150мм, соответственно) с учетом теплопотерь через ограждающие конструкции при наружной температуре -28°С для Московской области (по СП 131.13330.2012), расчетный расход тепла на отопление дома составил 19,47 кВт, удельные теплопотери 82,4 Вт/м.кв.;
o Подобраны приборы для отопления дома: стальные панельные радиаторы Kermi с нижним подключением, в вентильном исполнении;
o Схема радиаторного отопления дома двухтрубная, коллекторно-лучевая, с принудительной циркуляцией теплоносителя и температурным графиком 80/60°С;
o Трубы отопления из сшитого полиэтилена Valtec;
o Теплоизоляция трубопроводов отопления Valtec, толщиной 6мм;
o Теплоноситель в системе радиаторного отопления дома – подготовленная вода, предусмотрены средства защиты от образования накипи.
Водяной теплый пол дома в пос. Газопровод, г. Москва (проект теплого пола).
o Водяной теплый пол в доме предусмотрен на площади 50 м.кв., 6 петель, коллектор теплого пола Valtec на 6 отводов;
o Предусмотрен насосно-смесительный узел для теплоснабжения водяного теплого пола;
o Трубопроводы теплого пола – сшитый полиэтилен Valtec, основание - плиты пенополистирольные с покрытием и фиксирующими бобышками EasyFix L (Формат);
o Регулирование температуры теплого пола - общее, контуром котельной.
Внутренний водопровод дома в пос. Газопровод, г. Москва (проект водоснабжения).
o Схема внутреннего водоснабжения дома – коллекторно-лучевая с рециркуляцией горячей воды через полотенцесушители, выполнен расчет 44-х точек водоснабжения и полотенцесушителей;
o Трубопроводы системы водоснабжения – из сшитого полиэтилена Valtec;
o Теплоизоляция трубопроводов Valtec, толщиной 6мм.
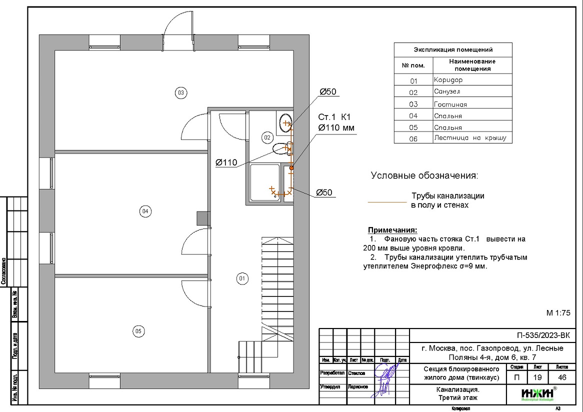
Внутренняя канализация (проект канализации) дома в пос. Газопровод, г. Москва.
o Безнапорная, отвод стоков от санитарно-технических приборов предусмотрен в септик;
o Произведен расчет 16-и точек бытовой канализации;
o Канализационные трубы Синикон, раструбные, из полипропилена, утепленные трубчатым утеплителем Энергофлекс Супер, 9мм.

























