Выполненные проекты
Проект теплого пола дома в Ногинском районе
Объект: двухэтажный дом площадью 141 м.кв., расположенный в дер. Следово Ногинского района Московской области
Вариант теплого пола: «Комфортный»
Цена проекта теплого пола: 6 707 руб. со скидкой 10%, проект котельной - бесплатно.
Проект теплого пола выполнен: 11.01.2024
Состав проекта теплого пола дома в дер. Следово:
1. Пояснительная записка проекта, общие данные по системе теплого пола дома 141 м.кв. в дер. Следово.
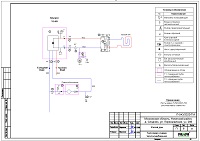
2. Тепломеханическая схема котельной с размещением оборудования в отдельном помещении дома из газобетона.
4. Комплект чертежей теплого пола на площади 108 м.кв.
6. Типовые схемы системы теплого пола дома 141 м.кв.
8. Спецификация материалов и оборудования по котельной и теплому полу дома в дер. Следово.
Объем проекта теплого пола дома в дер. Следово: 11 листов.
Описание теплого пола частного дома 141 м.кв. в дер. Следово.
Котельная частного дома в дер. Следово(проект котельной бесплатно).
o Размещена в отдельном помещении дома 141м.кв.;
o Теплогенератор - настенный газовый котел Kiturami World alpha s 18, мощностью 18 кВт (в наличии);
o Контуры теплоснабжения котельной – теплый пол и горячее водоснабжение (второй контур котла);
o Расширительный бак отопления Flamco, объемом 18 литров;
o Дымоудаление принудительное, дымоход коаксиальный, через стену здания;
o Распределительный коллектор не предусмотрен;
o Автоматика котельной – встроена в котел.
Водяной теплый пол дома в дер. Следово (проект теплого пола).
o Водяной теплый пол в доме предусмотрен на площади 108 м.кв., коллектор теплого пола Valtec на 9 отводов;
o Предусмотрен насосно-смесительный узел SMS для теплоснабжения водяного теплого пола дома (в наличии);
o Трубопроводы теплого пола – сшитый полиэтилен Valtec;
o Регулирование температуры теплого пола - общее, регулятором на смесительной группе.
















