Выполненные проекты
Проект отопления дома 150 м.кв в СНТ "Лесное"
Объект: частный дом из газобетона, общей площадью 150 м.кв., расположенный в СНТ "Лесное" Химкинского района Московской области
Вариант отопления: «Комфортный»
Цена проекта отопления и водоснабжения: 27 270 руб. со скидкой 10%, проект котельной - бесплатно.
Проект котельной, отопления и водоснабжения выполнен: 26.12.2023
Состав проекта котельной, отопления и водоснабжения дома в СНТ "Лесное":
1. Пояснительная записка проекта, общие данные по системам отопления и водоснабжения дома 150 м.кв. в СНТ "Лесное".
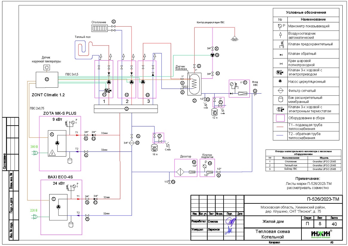
2. Тепломеханическая схема котельной с размещением оборудования в отдельном помещении дома из газобетона.
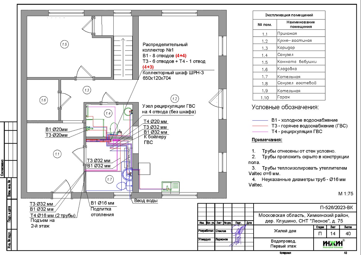
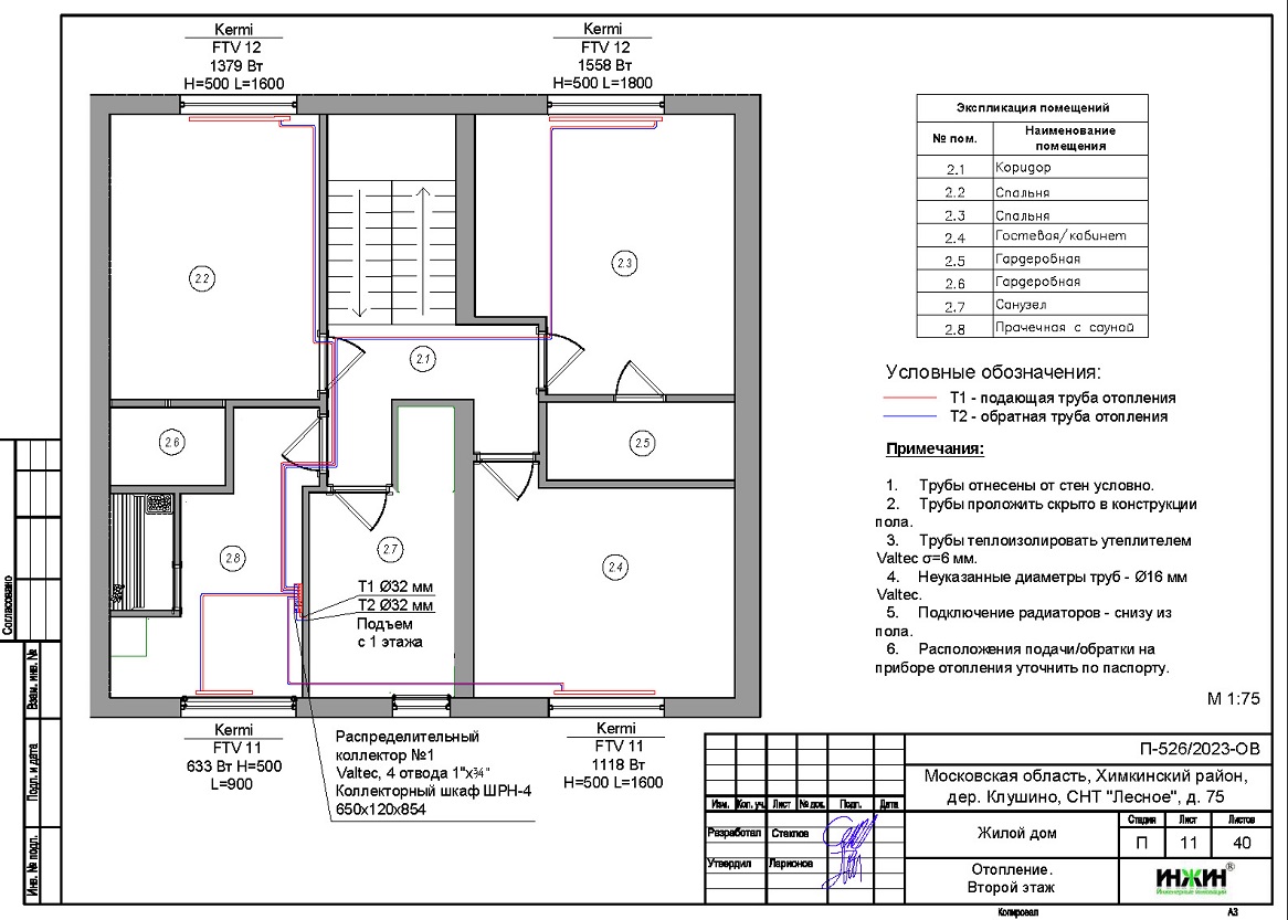
3. Комплект поэтажных чертежей радиаторного отопления дома в СНТ "Лесное".
4. Комплект чертежей теплого пола на площади 50 м.кв.
5. Комплект чертежей водоснабжения и канализации частного дома из газобетона в СНТ "Лесное".
6. Типовые схемы системы отопления канализации и водоснабжения дома 150 м.кв.
7. Теплотехнический расчет отопления дома из газобетона.
8. Спецификация материалов и оборудования по котельной, отоплению, канализации и водоснабжению дома в СНТ "Лесное".
Объем проекта отопления и водоснабжения дома в СНТ "Лесное": 40 листов.
Описание проекта отопления, котельной и водоснабжения частного дома 150 м.кв. в СНТ "Лесное".
Котельная частного дома в СНТ "Лесное"(проект котельной бесплатно).
o Размещена в отдельном помещении первого этажа дома 150 м.кв.;
o Теплогенераторы - основной настенный газовый котел BAXI ECO-4S, мощностью 24 кВт, резервный - электрический котел ZOTA MK, мощностью 6 кВт;
o Контуры теплоснабжения котельной – радиаторное отопление дома, теплый пол дома и горячее водоснабжение, для которого предусмотрен накопительный бойлер STOUT, объемом 150 литров;
o Расширительные баки отопления и бойлера Flamco, объемом 18 и 12 литров, соответственно;
o Дымоудаление принудительное, дымоход коаксиальный, комплект для горизонтального прохода через стену, диаметр 60/100 мм;
o Распределительный коллектор - STOUT с насосными группами и встроенным гидравлическим разделителем;
o Автоматика котельной – контроллер ZONT Climatic 1.2 со встроенным GSM-модулем.
Отопление дома в СНТ "Лесное" (проект отопления дома).
o Выполнен теплотехнический расчет отопления дома (утеплитель кровли и стен дома - минвата 200мм и 100мм, соответственно) с учетом теплопотерь через ограждающие конструкции при наружной температуре -26°С для Москвы (по СП 131.13330.2020), расчетный расход тепла на отопление дома составил 10,5 кВт, удельные теплопотери 64,4 Вт/м.кв.;
o Подобраны приборы для отопления дома: стальные панельные радиаторы Kermiс нижним подключением;
o Схема радиаторного отопления основного и гостевого дома двухтрубная, коллекторно-лучевая, с принудительной циркуляцией теплоносителя и температурным графиком 80/60°С;
o Трубы отопления из металлопластика Valtec;
o Теплоизоляция трубопроводов отопления Valtec, толщиной 6мм;
o Теплоноситель в системе радиаторного отопления дома – вода.
Водяной теплый пол дома в СНТ "Лесное" (проект теплого пола).
o Водяной теплый пол в доме предусмотрен на площади 50 м.кв., коллекторы теплого пола Valtec на 7 и 2 отводов, всего 9 петель на 2-х этажах;
o Предусмотрен насосно-смесительный узел для теплоснабжения водяного теплого пола дома (на коллекторе котельной);
o Трубопроводы теплого пола из сшитого полиэтилена Valtec;
o Регулирование температуры теплого пола - общее, регулятором на смесительной группе.
Внутренний водопровод дома в СНТ "Лесное" (проект водоснабжения).
o Схема внутреннего водоснабжения дома – коллекторно-лучевая с рециркуляцией горячей воды через водяные полотенцесушители, выполнен расчет 31-й точки водоснабжения и полотенцесушителей;
o Трубопроводы системы водоснабжения – из металлопластика Valtec;
o Теплоизоляция трубопроводов Valtec, толщиной 6мм.
Внутренняя канализация (проект канализации) дома в СНТ "Лесное".
o Безнапорная, отвод стоков от санитарно-технических приборов предусмотрен в септик;
o Произведен расчет 18-ти точек бытовой канализации, предусмотрено 3 трапа с горизонтальным отводом и "сухим затвором";
o Канализационные трубы Синикон, раструбные, из полипропилена.
Заказать в нашей компании проект отопления, водоснабжения и канализации загородного дома дистанционно со скидкой.
Для этого дома в СНТ "Лесное"выполнен проект электрики.






















