Выполненные проекты
Отопление дома из бруса в СНТ "Тушино", проект
Объект: двухэтажный частный дом из бруса, площадью 120 м.кв., расположенный в СНТ "Тушино" Волоколамского района Московской области
Вариант отопления: «Комфортный»
Цена проекта отопления: 14 040 руб. со скидкой 10%, проект котельной - бесплатно.
Проект котельной и отопления выполнен: 07.12.2023
Состав проекта котельной, отопления и теплого пола дома в СНТ "Тушино":
1. Пояснительная записка проекта, общие данные по системе отопления дома 120 м.кв. в СНТ "Тушино".
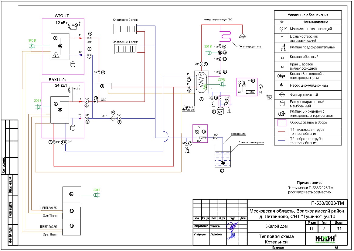
2. Тепломеханическая схема котельной с размещением оборудования в отдельном помещении дома из бруса.
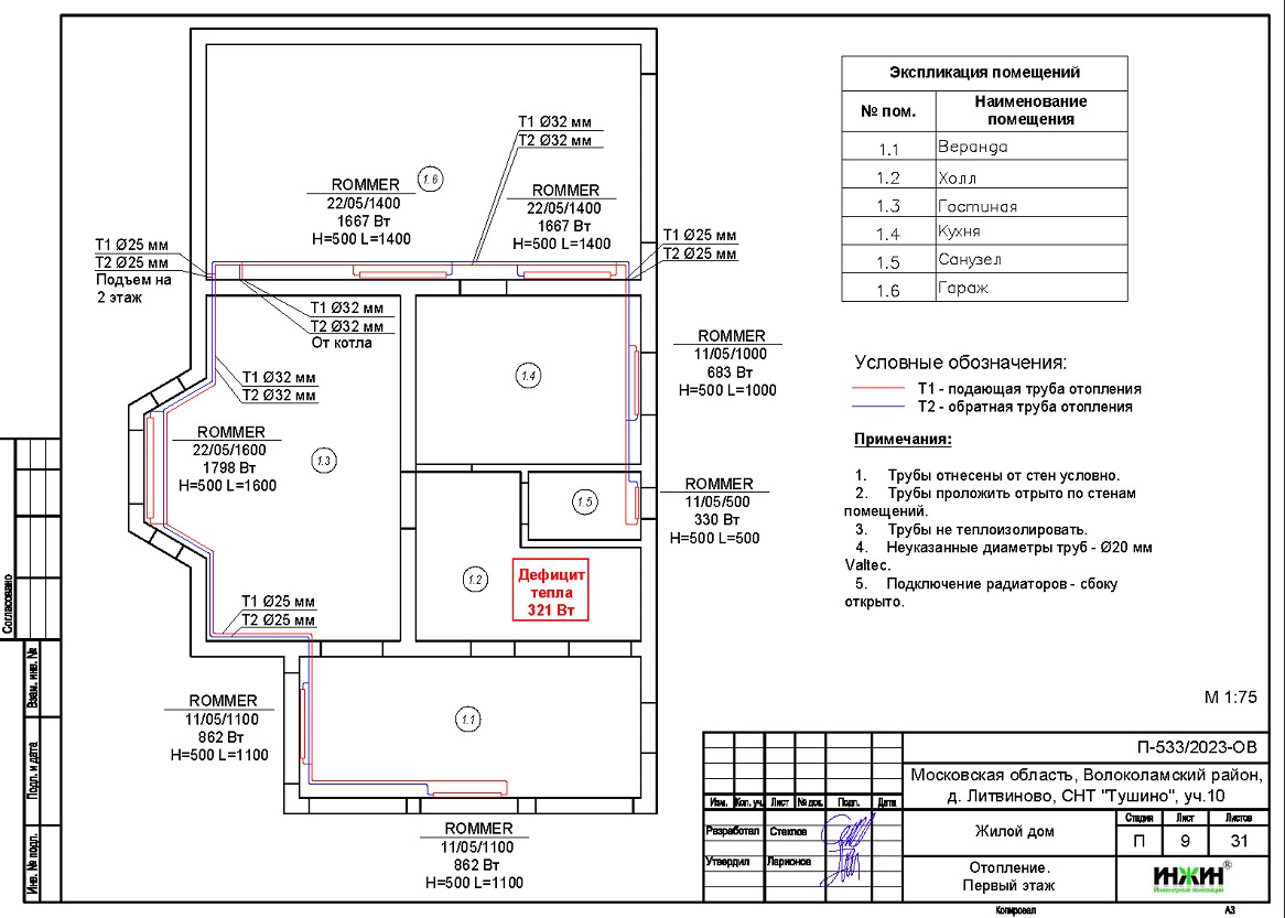
3. Комплект поэтажных чертежей радиаторного отопления дома в СНТ "Тушино".
4. Типовые схемы системы отопления и водоснабжения дома 120 м.кв.
5. Теплотехнический расчет отопления дома из бруса.
6. Спецификация материалов и оборудования по котельной и отоплению дома в СНТ "Тушино".
Объем проекта отопления дома в СНТ "Тушино": 31 лист.
Описание проекта отопления, котельной частного дома 120 м.кв. в СНТ "Тушино".
Котельная частного дома в СНТ "Тушино"(проект котельной бесплатно).
o Размещена в отдельном помещении дома 120 м.кв.;
o Теплогенераторы - основной настенный газовый котел BAXI ECO LIFE, мощностью 24 кВт, резервный - электрический котел STOUT, мощностью 12 кВт;
o Контуры теплоснабжения котельной – радиаторное отопление дома и горячее водоснабжение, для которого предусмотрен накопительный бойлер STOUT, объемом 150 литров (подключение к котлам);
o Расширительный бак бойлера Flamco, объемом 12 литров;
o Дымоудаление принудительное, дымоход коаксиальный, диаметр 60/100 мм, размещение - через стену;
o Распределительный коллектор не предусмотрен;
o Автоматика котельной – контроллер ZONT H-1V.02 со встроенным GSM-модулем.
Отопление дома в СНТ "Тушино" (проект отопления дома).
o Выполнен теплотехнический расчет отопления дома из бруса (утеплитель стен и кровли - базальтовая вата 100мм и 200мм, соответственно) с учетом теплопотерь через ограждающие конструкции при наружной температуре -28°С для Московской области (по СП 131.13330.2012), расчетный расход тепла на отопление дома составил 10,29 кВт, удельные теплопотери 82,4 Вт/м.кв.;
o Подобраны приборы для отопления дома: стальные панельные радиаторы ROMMERс боковым подключением;
o Схема радиаторного отопления дома двухтрубная, коллекторно-лучевая, с принудительной циркуляцией теплоносителя и температурным графиком 80/60°С;
o Трубы отопления из полипропилена Valtec;
o Теплоизоляция трубопроводов отопления не предусмотрена;
o Теплоноситель в системе радиаторного отопления дома – незамерзающая жидкость Warme Eco Pro 30.
Водяной теплый пол проектом не предусмотрен.
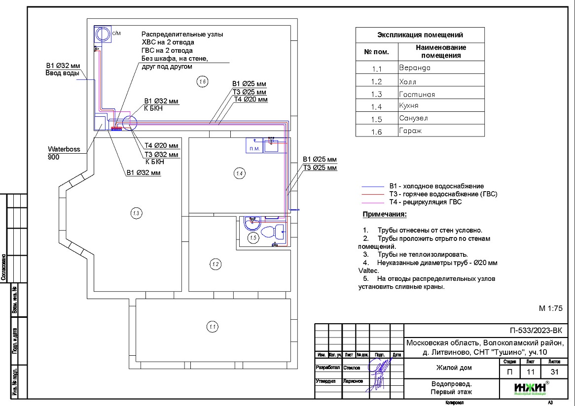
Внутренний водопровод дома в СНТ "Тушино" (проект водоснабжения).
o Схема внутреннего водоснабжения дома – тройниковая с рециркуляцией горячей воды через полотенцесушитель, выполнен расчет 13-и точек водоснабжения;
o Трубопроводы системы водоснабжения – из полипропилена Valtec;
o Теплоизоляция трубопроводов Valtec, толщиной 6мм.



















