Выполненные проекты
Отопление дома 201 м.кв. в дер. Акиньшино, проект
Объект: двухэтажный дом из газобетона, площадью 201 м.кв., расположенный в дер. Акиньшино Московской области
Вариант отопления: «Комфортный+»
Цена проекта отопления, канализации и водоснабжения: 38 840 руб. со скидкой 10%, проект котельной - бесплатно.
Проект котельной, отопления, водоснабжения и канализации выполнен: 20.02.2024
Состав проекта котельной, отопления, канализации и водоснабжения дома в дер. Акиньшино:
1. Пояснительная записка проекта, общие данные по системам отопления, канализации и водоснабжения дома 201 м.кв. в дер. Акиньшино.
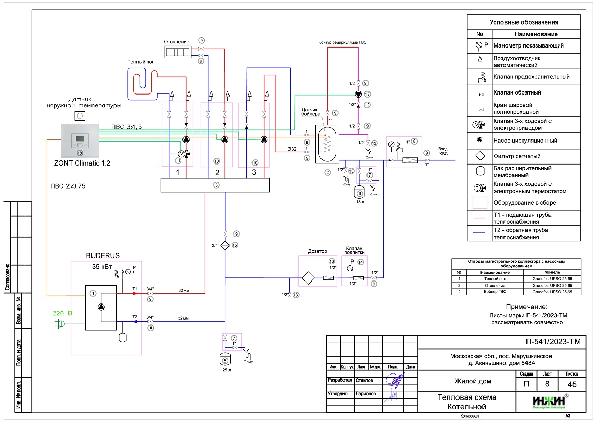
2. Тепломеханическая схема котельной с размещением оборудования в отдельном помещении дома из газобетона.
3. Комплект поэтажных чертежей радиаторного отопления дома в дер. Акиньшино.
4. Комплект чертежей теплого пола на площади 104 м.кв.
5. Комплект чертежей водоснабжения и канализации частного дома из полистиролбетона в дер. Акиньшино.
6. Типовые схемы системы отопления канализации и водоснабжения дома 201 м.кв.
7. Теплотехнический расчет отопления дома из газобетона.
8. Спецификация материалов и оборудования по котельной, отоплению, канализации и водоснабжению дома в дер. Акиньшино.
Объем проекта отопления, канализации и водоснабжения дома в дер. Акиньшино: 45 листов.
Описание проекта отопления, котельной, канализации и водоснабжения частного дома 201 м.кв. в дер. Акиньшино.
Котельная частного дома в дер. Акиньшино(проект котельной бесплатно).
o Размещена в отдельном помещении дома 201 м.кв.;
o Теплогенератор - настенный газовый котел Buderus Logamax, мощностью 35 кВт (в наличии);
o Контуры теплоснабжения котельной – радиаторное отопление дома, теплый пол и горячее водоснабжение, для которого предусмотрен накопительный бойлер ELSEN, объемом 300 литров (в наличии);
o Расширительные баки отопления и бойлера Flamco, объемом 25 литров каждый;
o Дымоудаление принудительное, дымоход коаксиальный, через стену здания;
o Распределительный коллектор - STOUT с насосными группами;
o Автоматика котельной – контроллер ZONT Climatic 1.2 со встроенным GSM-модулем.
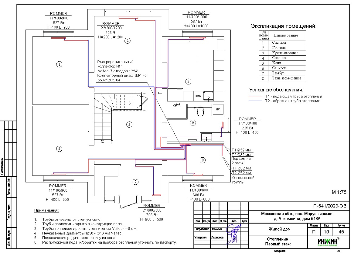
Отопление дома в дер. Акиньшино (проект отопления дома).
o Выполнен теплотехнический расчет отопления дома из газобетона (утеплитель стен и кровли - минвата 100мм и 200мм, соответственно) с учетом теплопотерь через ограждающие конструкции при наружной температуре -28°С для Московской области (по СП 131.13330.2012), расчетный расход тепла на отопление дома составил 14,25 кВт, удельные теплопотери 76,9 Вт/м.кв.;
o Подобраны приборы для отопления дома: стальные панельные радиаторы Kermi с нижним подключением и двух встроенных в пол конвекторов Varmann с естественной конвекцией;
o Схема радиаторного отопления дома двухтрубная, коллекторно-лучевая, с принудительной циркуляцией теплоносителя и температурным графиком 80/60°С;
o Трубы отопления из металлопластика Valtec;
o Теплоизоляция трубопроводов отопления Valtec, толщиной 6мм;
o Теплоноситель в системе радиаторного отопления дома – подготовленная вода, предусмотрены средства защиты от образования накипи.
Водяной теплый пол дома в дер. Акиньшино (проект теплого пола).
o Водяной теплый пол в доме предусмотрен на площади 104 м.кв., коллектор теплого пола Valtec на 10 отводов;
o Предусмотрен насосно-смесительный узел для теплоснабжения водяного теплого пола дома - в составе насосной группы;
o Трубопроводы теплого пола – сшитый полиэтилен Valtec;
o Регулирование температуры теплого пола - общее, регулятором на смесительной группе, а также локальное, по помещениям.
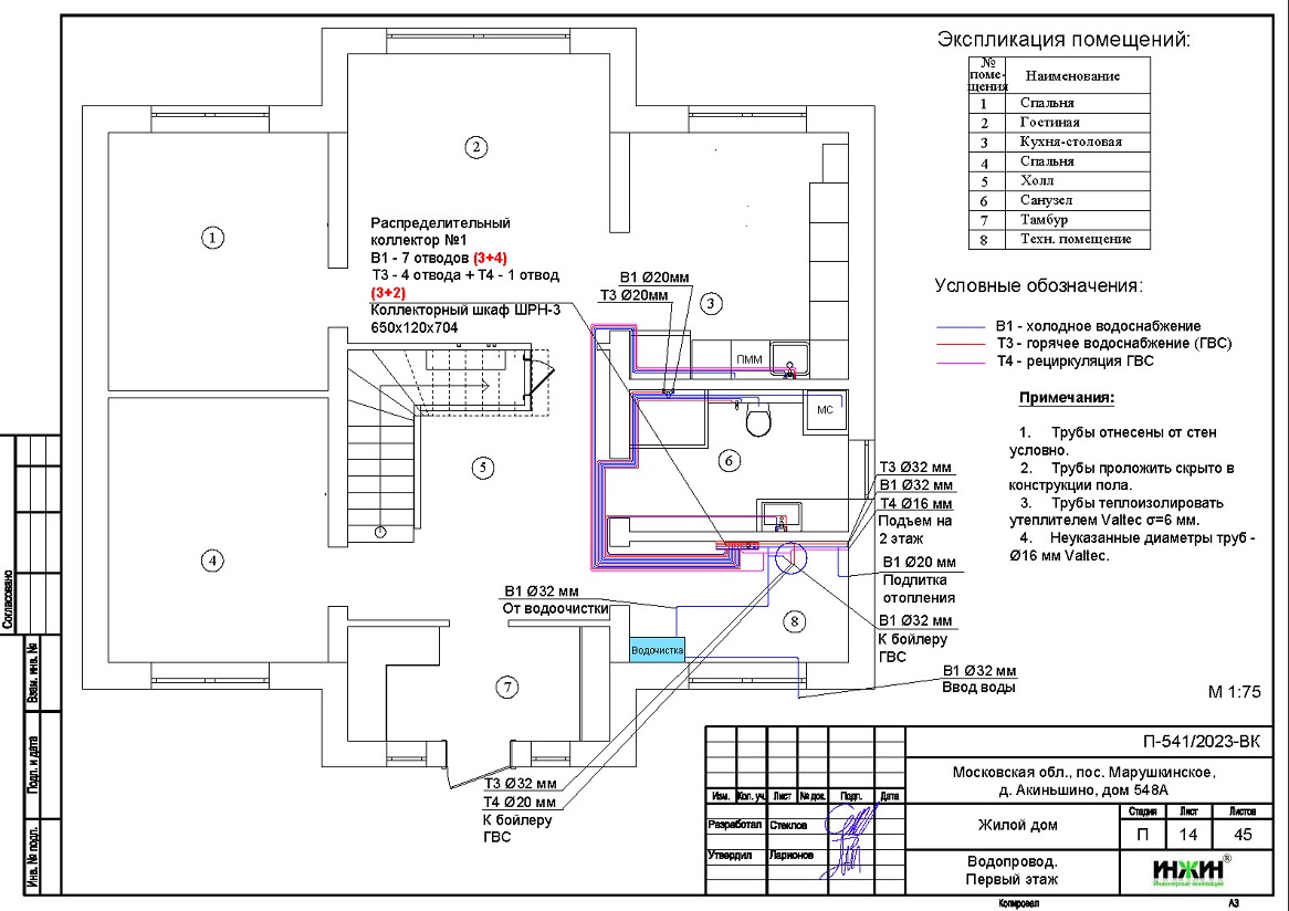
Внутренний водопровод дома в дер. Акиньшино (проект водоснабжения).
o Схема внутреннего водоснабжения дома – коллекторно-лучевая с рециркуляцией горячей воды через водяные полотенцесушители, выполнен расчет 20-ти точек водоснабжения и полотенцесушителей;
o Трубопроводы системы водоснабжения – из металлопластика Valtec;
o Теплоизоляция трубопроводов Valtec, толщиной 6мм.
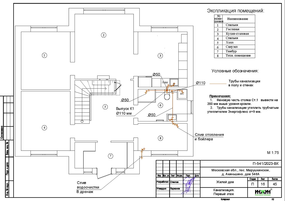
Внутренняя канализация (проект канализации) дома в дер. Акиньшино.
o Безнапорная, отвод стоков от санитарно-технических приборов предусмотрен в септик;
o Произведен расчет 13-ти точек бытовой канализации;
o Канализационные трубы Синикон, раструбные, из полипропилена.

Для этого дома в дер. Акиньшино выполнен проект электрики.
По этому проекту выполнен монтаж отопления.






















