Выполненные проекты
Проект отопления дома в Калужской области
Объект: частный дом из газобетона, общей площадью 137 м.кв., расположенный в г. Жуков Калужской области
Вариант отопления: «Комфортный»
Цена проекта отопления: 16 340 руб. со скидкой 10%, проект котельной - бесплатно.
Проект котельной, отопления выполнен: 12.03.2024
Состав проекта котельной, отопления дома в г. Жуков Калужской области:
1. Пояснительная записка проекта, общие данные по системам отопления и водоснабжения дома 137 м.кв. в г. Жуков Калужской области.
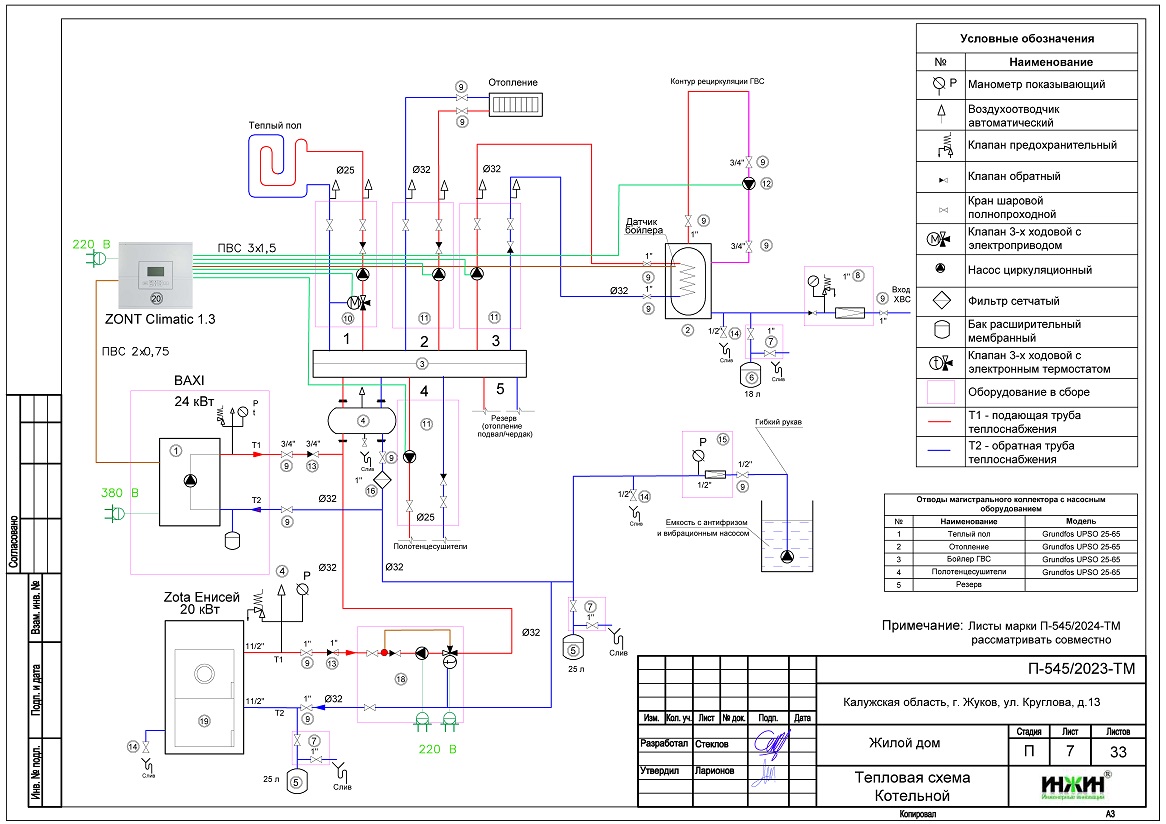
2. Тепломеханическая схема котельной с размещением оборудования в отдельном помещении дома из газобетона.
3. Комплект поэтажных чертежей радиаторного отопления дома в г. Жуков Калужской области
4. Комплект чертежей теплого пола на площади 10 м.кв.
5. Типовые схемы системы отопления канализации и водоснабжения дома 137м.кв.
6. Теплотехнический расчет отопления дома из газобетона.
7. Спецификация материалов и оборудования по котельной и отоплению дома в г. Жуков Калужской области.
Объем проекта отопления дома в г. Жуков Калужской области: 33 листа.
Описание проекта отопления и котельной частного дома 137 м.кв. в г. Жуков Калужской области.
Котельная частного дома в г. Жуков Калужской области(проект котельной бесплатно).
o Размещена в отдельном помещении дома 137 м.кв.;
o Теплогенераторы - основной настенный газовый котел BAXI ECO-4S, мощностью 24 кВт, резервный - твердотопливный ZOTA «Енисей-20», 20 кВт;
o Контуры теплоснабжения котельной – радиаторное отопление дома, теплый пол дома, полотенцесушители и горячее водоснабжение, для которого предусмотрен накопительный бойлер STOUT, объемом 200 литров;
o Расширительные баки отопления и бойлера Flamco, объемом 25 и 18 литров, соответственно;
o Дымоудаление принудительное (для основного котла), дымоход коаксиальный, комплект для горизонтального прохода через стену, диаметр 60/100 мм;
o Распределительный коллектор - STOUT с насосными группами и гидравлическим разделителем;
o Автоматика котельной – контроллер ZONT Climatic 1.3 со встроенным GSM-модулем.
Отопление дома в г. Жуков Калужской области (проект отопления дома).
o Выполнен теплотехнический расчет отопления дома (утеплитель кровли дома - минвата 200мм) с учетом теплопотерь через ограждающие конструкции при наружной температуре -27°С для Калуги (по СП 131.13330.2012), расчетный расход тепла на отопление дома составил 13,28 кВт, удельные теплопотери 101,9 Вт/м.кв.;
o Подобраны приборы для отопления дома: биметаллические радиаторы Rifar Base с боковым подключением;
o Схема радиаторного отопления основного и гостевого дома двухтрубная, коллекторно-лучевая, с принудительной циркуляцией теплоносителя и температурным графиком 80/60°С;
o Трубы отопления из сшитого полиэтилена Valtec;
o Теплоизоляция трубопроводов отопления Valtec, толщиной 6мм;
o Теплоноситель в системе радиаторного отопления дома – незамерзающая жидкость.
Водяной теплый пол дома в г. Жуков Калужской области (проект теплого пола).
o Водяной теплый пол в доме предусмотрен на площади 10 м.кв., коллектор теплого пола Valtec на 3 отвода, всего 3 петли;
o Предусмотрен насосно-смесительный узел для теплоснабжения водяного теплого пола дома (на коллекторе котельной);
o Трубопроводы теплого пола из сшитого полиэтилена Valtec;
o Регулирование температуры теплого пола - общее, регулятором на смесительной группе.
Заказать в нашей компании проект отопления, водоснабжения и канализации загородного дома дистанционно со скидкой.
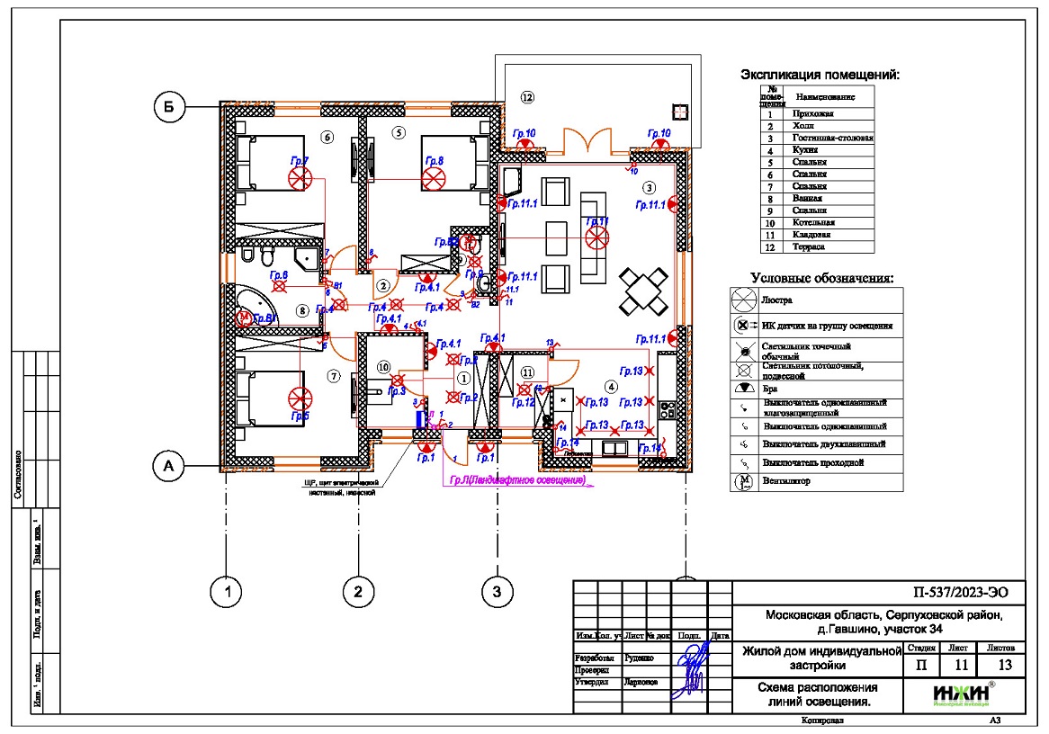
Для этого дома в г. Жуков Калужской областивыполнен проект электрики.



















