Выполненные проекты
Проект отопления каркасного дома в дер. Плетенинское
Объект: частный каркасный дом с гостевым домиком, общей площадью 122 м.кв., расположенный в дер. Плетенинское Лотошинского района Московской области
Вариант отопления:«Комфортный»
Цена проекта отопления: 20 772 руб. со скидкой 10%, проект котельной - бесплатно.
Проект котельной и отопления выполнен: 03.04.2024
Состав проекта котельной, отопления и теплого пола дома в дер. Плетенинское:
1. Пояснительная записка проекта, общие данные по системе отопления дома 122 м.кв. в дер. Плетенинское.
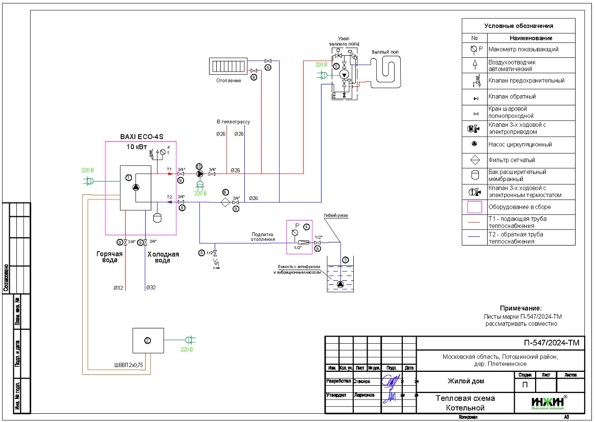
2. Тепломеханическая схема котельной с размещением оборудования в отдельном помещении каркасного дома.
3. Комплект поэтажных чертежей радиаторного отопления и теплого пола дома в дер. Плетенинское.
4. Теплотехнический расчет отопления каркасного дома.
5. Спецификация материалов и оборудования по котельной и отоплению дома в дер. Плетенинское.
Объем проекта отопления дома в дер. Плетенинское: 34 листа.
Описание проекта отопления и котельной частного дома 122 м.кв. в дер. Плетенинское.
Котельная частного дома в дер. Плетенинское(проект котельной бесплатно).
o Размещена в отдельном помещении дома 122 м.кв.;
o Теплогенератор - настенный газовый котел BAXI ECO-4Sмощностью 10 кВт;
o Контуры теплоснабжения котельной – радиаторное отопление дома и теплый пол (на контуре отопления), горячее водоснабжение предусмотрено вторым контуром котла;
o Расширительный бак отопления Flamco, объемом 18 литров;
o Дымоход коаксиальный, в исполнении "через стену";
o Распределительный коллектор в котельной не предусмотрен;
o Автоматика котельной встроена в котел, предусмотрено дистанционное управление при помощи регулятора ZONT CONNECT+.
Отопление дома в дер. Плетенинское (проект отопления дома).
o Выполнен теплотехнический расчет отопления каркасного дома (утеплитель стен и кровли - каменная вата 200 и 250 мм, соответственно) с учетом теплопотерь через ограждающие конструкции при наружной температуре -26°С для Московской области (по СП 131.13330.2020), расчетный расход тепла на отопление дома (с гостевым домиком) составил 10,1 кВт, удельные теплопотери 82,7 Вт/м.кв.;
o Подобраны приборы для отопления дома: секционные радиаторы RIFAR с боковым и нижним подключением, а также встроенные в пол конвекторы Varmann;
o Схема радиаторного отопления дома двухтрубная (для дома) и коллекторно-лучевая (для гостевого дома), с принудительной циркуляцией теплоносителя и температурным графиком 80/60°С;
o Трубы отопления из металлопластика и полипропилена Valtec;
o Теплоизоляция трубопроводов отопления Valtec, толщиной 6мм;
o Теплоноситель в системе радиаторного отопления дома – антифриз Warme.
Водяной теплый пол дома в дер. Плетенинское (проект теплого пола).
o Водяной теплый пол в доме предусмотрен на площади 18 м.кв., 4 петли, коллектор теплого пола Valtec на 4 отвода;
o Предусмотрен насосно-смесительный узел для теплоснабжения водяного теплого пола в котельной (на контуре отопления);
o Трубопроводы теплого пола – сшитый полиэтилен Valtec, основание - плиты пенополистирольные с покрытием и фиксирующими бобышками EasyFix L (Формат);
o Регулирование температуры теплого пола - общее, на смесительном узле, а также локальное, по помещениям, при помощи комнатных термостатов Valtec.
Заказать в нашей компании проект отопления, водоснабжения и канализации загородного дома дистанционно со скидкой.
Для этого дома в дер. Плетенинское выполнен проект электроснабжения и освещения.



















