Выполненные проекты
Отопление дома 170 м.кв в КП «Петровское Парк», проект
Объект: частный дом из газобетона, общей площадью 170 м.кв., расположенный в КП «Петровское Парк», г. Чехов Московской области
Вариант отопления: «Комфортный+»
Цена проекта отопления и водоснабжения: 37 944 руб. со скидкой 10%, проект котельной - бесплатно.
Проект котельной, отопления и водоснабжения выполнен: 10.04.2024
Состав проекта котельной, отопления и водоснабжения дома в КП «Петровское Парк»:
1. Пояснительная записка проекта, общие данные по системам отопления и водоснабжения дома 170 м.кв. в КП «Петровское Парк».
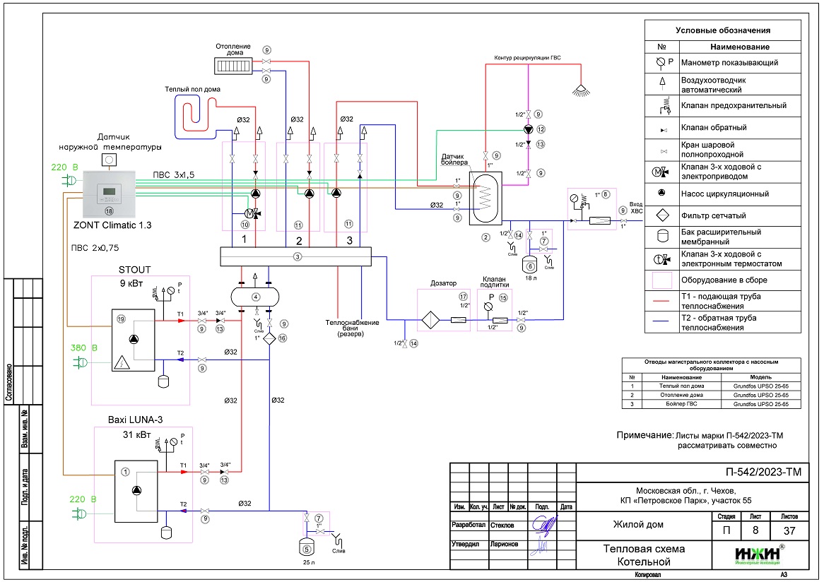
2. Тепломеханическая схема котельной с размещением оборудования в отдельном помещении дома из газобетона.
3. Комплект поэтажных чертежей радиаторного отопления дома в КП «Петровское Парк».
4. Комплект чертежей теплого пола на площади 170 м.кв.
5. Комплект чертежей водоснабжения и канализации частного дома из газобетона в КП «Петровское Парк».
6. Типовые схемы системы отопления канализации и водоснабжения дома 170 м.кв.
7. Теплотехнический расчет отопления дома из газобетона.
8. Спецификация материалов и оборудования по котельной, отоплению, канализации и водоснабжению дома в КП «Петровское Парк».
Объем проекта отопления и водоснабжения дома в КП «Петровское Парк»: 37 листов.
Описание проекта отопления, котельной и водоснабжения частного дома 170 м.кв. в КП «Петровское Парк».
Котельная частного дома в КП «Петровское Парк»(проект котельной бесплатно).
o Размещена в отдельном помещении первого этажа дома 170 м.кв.;
o Теплогенераторы - основной настенный газовый котел BAXI, мощностью 31 кВт (в наличии), резервный - электрический котел STOUT, мощностью 9 кВт;
o Контуры теплоснабжения котельной – радиаторное отопление дома, теплый пол дома и горячее водоснабжение, для которого предусмотрен накопительный бойлер STOUT, объемом 200 литров;
o Расширительные баки отопления и бойлера Flamco, объемом 18 литров каждый;
o Дымоудаление принудительное, дымоход коаксиальный, комплект для горизонтального прохода через стену, диаметр 60/100 мм;
o Распределительный коллектор - STOUT с насосными группами и встроенным гидравлическим разделителем;
o Автоматика котельной – контроллер ZONT Climatic 1.3 со встроенным GSM-модулем.
Отопление дома в КП «Петровское Парк» (проект отопления дома).
o Выполнен теплотехнический расчет отопления дома (утеплитель кровли дома - минвата 300мм) с учетом теплопотерь через ограждающие конструкции при наружной температуре -26°С для Москвы (по СП 131.13330.2020), расчетный расход тепла на отопление дома составил 15,21 кВт, удельные теплопотери 89,6 Вт/м.кв.;
o Подобраны приборы для отопления дома: стальные дизайн-радиаторы Гармония СОЛО (КЗТО) с нижним подключением;
o Схема радиаторного отопления основного и гостевого дома двухтрубная, коллекторно-лучевая, с принудительной циркуляцией теплоносителя и температурным графиком 80/60°С;
o Трубы отопления из сшитого полиэтилена Valtec;
o Теплоизоляция трубопроводов отопления Valtec, толщиной 6мм;
o Теплоноситель в системе радиаторного отопления дома – вода.
Водяной теплый пол дома в КП «Петровское Парк» (проект теплого пола).
o Водяной теплый пол в доме предусмотрен на площади 170 м.кв., коллекторы теплого пола Valtec на 8 и 10 отводов, всего 18 петель;
o Предусмотрен насосно-смесительный узел для теплоснабжения водяного теплого пола дома (на коллекторе котельной);
o Трубопроводы теплого пола из сшитого полиэтилена Valtec;
o Регулирование температуры теплого пола - общее, регулятором на смесительной группе и локальное, по помещениям, при помощи электронных термостатов Valtec VT.АС 712.
Внутренний водопровод дома в КП «Петровское Парк» (проект водоснабжения).
o Схема внутреннего водоснабжения дома – коллекторно-лучевая с рециркуляцией горячей воды через водяные полотенцесушители, выполнен расчет 24-х точек водоснабжения и полотенцесушителей;
o Трубопроводы системы водоснабжения – из сшитого полиэтилена Valtec;
o Теплоизоляция трубопроводов Valtec, толщиной 6мм.
Внутренняя канализация (проект канализации) дома в КП «Петровское Парк».
o Безнапорная, отвод стоков от санитарно-технических приборов предусмотрен в септик;
o Произведен расчет 15-ти точек бытовой канализации, предусмотрен трап с горизонтальным отводом и "сухим затвором";
o Канализационные трубы Синикон, раструбные, из полипропилена.



















