Выполненные проекты
Проект отопления деревянного дома в Тверской области
Объект: двухэтажный частный дом из бревна, площадью 156 м.кв., расположенный в с. Свердлово Тверской области
Вариант отопления: «Комфортный+»
Цена проекта отопления: 28 465 руб. со скидкой 10%, проект котельной - бесплатно.
Проект котельной и отопления выполнен: 02.05.2024
Состав проекта котельной, отопления и теплого пола дома в с. Свердлово Тверской области:
1. Пояснительная записка проекта, общие данные по системе отопления дома 156 м.кв. в с. Свердлово Тверской области.
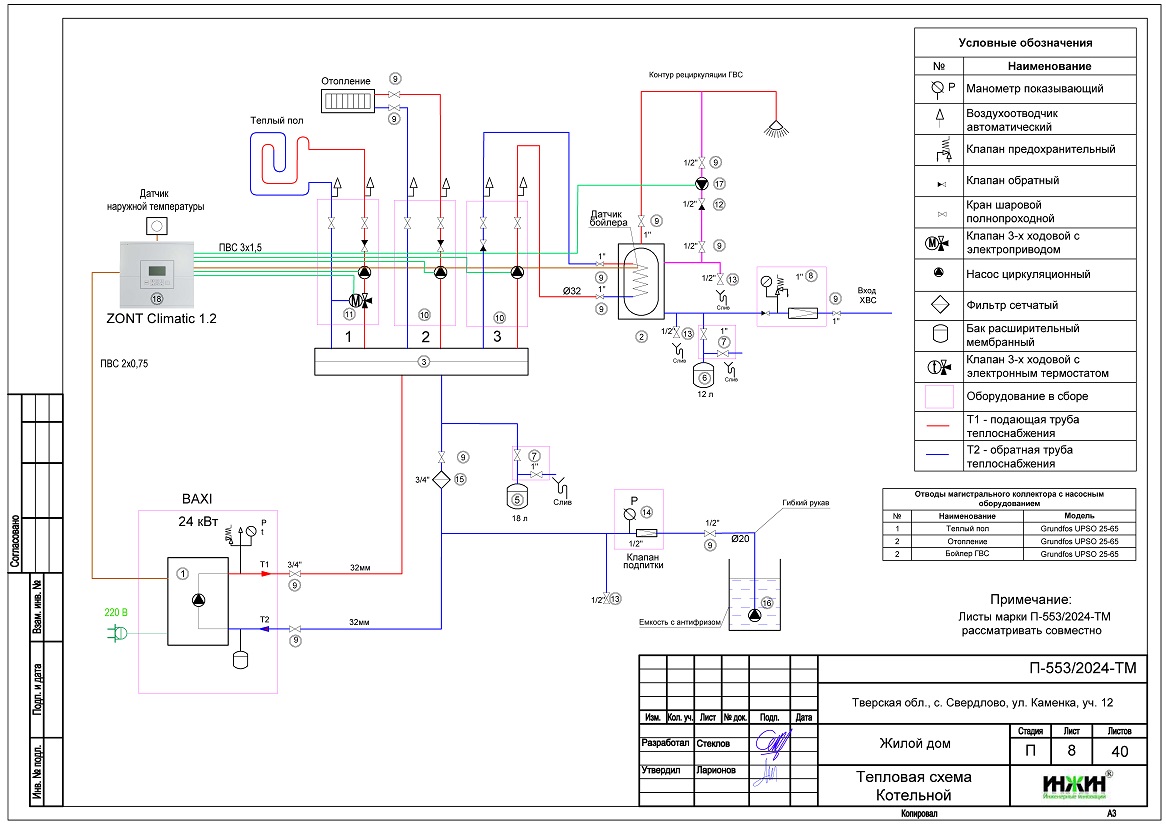
2. Тепломеханическая схема котельной с размещением оборудования в отдельном помещении дома из бревна.
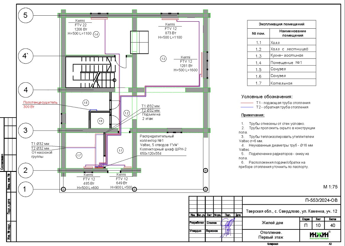
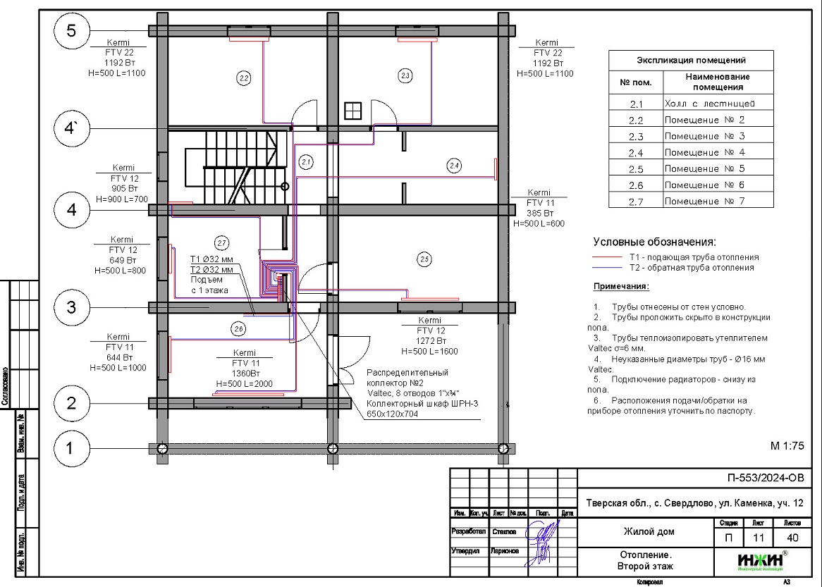
3. Комплект поэтажных чертежей радиаторного отопления дома в с. Свердлово Тверской области.
4. Комплект чертежей теплого пола на площади 54 м.кв.
5. Типовые схемы системы отопления и водоснабжения дома 156 м.кв.
6. Теплотехнический расчет отопления дома из бревна.
7. Спецификация материалов и оборудования по котельной и отоплению дома в с. Свердлово Тверской области.
Объем проекта отопления дома в с. Свердлово Тверской области: 40 листов.
Описание проекта отопления, котельной и теплого пола частного дома 156 м.кв. в с. Свердлово Тверской области.
Котельная частного дома в с. Свердлово Тверской области(проект котельной бесплатно).
o Размещена в отдельном помещении дома 156 м.кв.;
o Теплогенератор - настенный газовый котел Buderus Logamax, мощностью 24 кВт;
o Контуры теплоснабжения котельной – радиаторное отопление дома, теплый пол и горячее водоснабжение, для которого предусмотрен накопительный бойлер STOUT, объемом 150 литров (подключение к коллектору);
o Расширительные баки отопления и бойлера Flamco, объемом 18 литров каждый;
o Дымоудаление принудительное, дымоход коаксиальный, диаметр 60/100 мм, размещение - через стену;
o Распределительный коллектор - STOUT с насосными группами;
o Автоматика котельной – контроллер ZONT Climatic 1.2 со встроенным GSM-модулем.
Отопление дома в с. Свердлово Тверской области (проект отопления дома).
o Выполнен теплотехнический расчет отопления дома из бревна (утеплитель кровли - эковата 300мм) с учетом теплопотерь через ограждающие конструкции при наружной температуре -26°С для Московской области (по СП 131.13330.2020), расчетный расход тепла на отопление дома составил 14,29 кВт, удельные теплопотери 92,1 Вт/м.кв.;
o Подобраны приборы для отопления дома: стальные панельные радиаторы Kermiс нижним подключением, в вентильном исполнении;
o Схема радиаторного отопления дома двухтрубная, коллекторно-лучевая, с принудительной циркуляцией теплоносителя и температурным графиком 80/60°С;
o Трубы отопления из металлопластика Valtec;
o Теплоизоляция трубопроводов отопления Valtec, толщиной 6мм;
o Теплоноситель в системе радиаторного отопления дома – антифриз Anifrogen N.
Водяной теплый пол дома в с. Свердлово Тверской области (проект теплого пола).
o Водяной теплый пол в доме предусмотрен на площади 54 м.кв., коллектор теплого пола Valtec на 7 отводов;
o Предусмотрен отдельный контур котельной для теплоснабжения водяного теплого пола дома;
o Трубопроводы теплого пола – сшитый полиэтилен Valtec;
o Регулирование температуры теплого пола - общее, регулятором на смесительной группе.
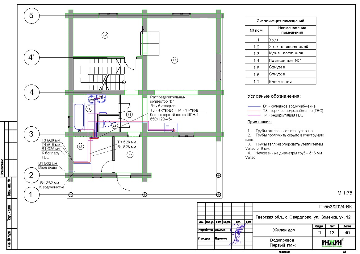
Внутренний водопровод дома в с. Свердлово Тверской области (проект водоснабжения).
o Схема внутреннего водоснабжения дома – коллекторно-лучевая с рециркуляцией горячей воды через полотенцесушители, выполнен расчет 11-ти точек водоснабжения и полотенцесушителей;
o Трубопроводы системы водоснабжения – из металлопластика Valtec;
o Теплоизоляция трубопроводов Valtec, толщиной 6мм.
Внутренняя канализация (проект канализации) дома в с. Свердлово Тверской области.
o Безнапорная, отвод стоков от санитарно-технических приборов предусмотрен в септик;
o Произведен расчет 8-ми точек бытовой канализации;
o Канализационные трубы Синикон, раструбные, из полипропилена.



















