Выполненные проекты
Проект отопления дома из газобетона площадью 340 м.кв.
Объект: двухэтажный дом из газобетона, площадью площадью 340 м.кв., расположенный в пос. Вешки Мытищинского района Московской области
Вариант отопления: «Комфортный»
Цена проекта отопления, канализации и водоснабжения: 54 854 руб. со скидкой 10%, проект котельной - бесплатно.
Проект котельной, отопления, водоснабжения и канализации выполнен: 08.07.2024
Состав проекта котельной, отопления, канализации и водоснабжения дома в пос. Вешки:
1. Пояснительная записка проекта, общие данные по системам отопления, канализации и водоснабжения дома 340 м.кв. в пос. Вешки.
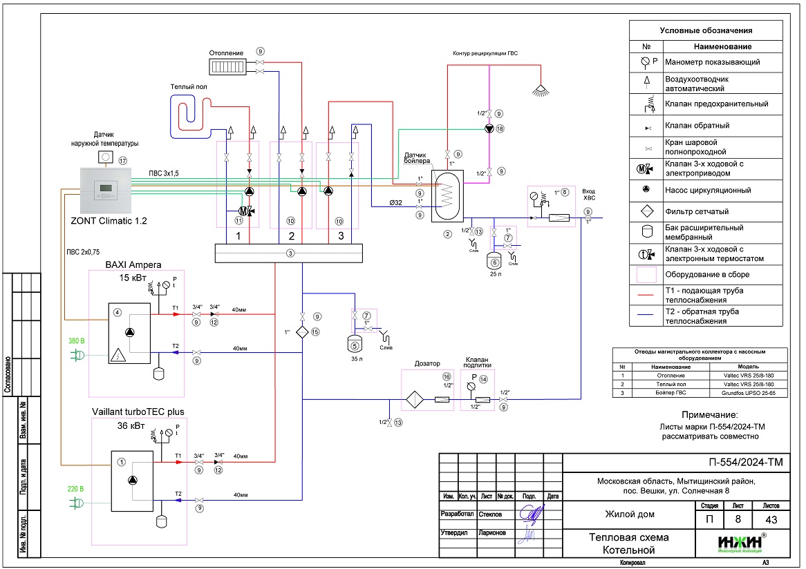
2. Тепломеханическая схема котельной с размещением оборудования в отдельном помещении дома из газобетона.
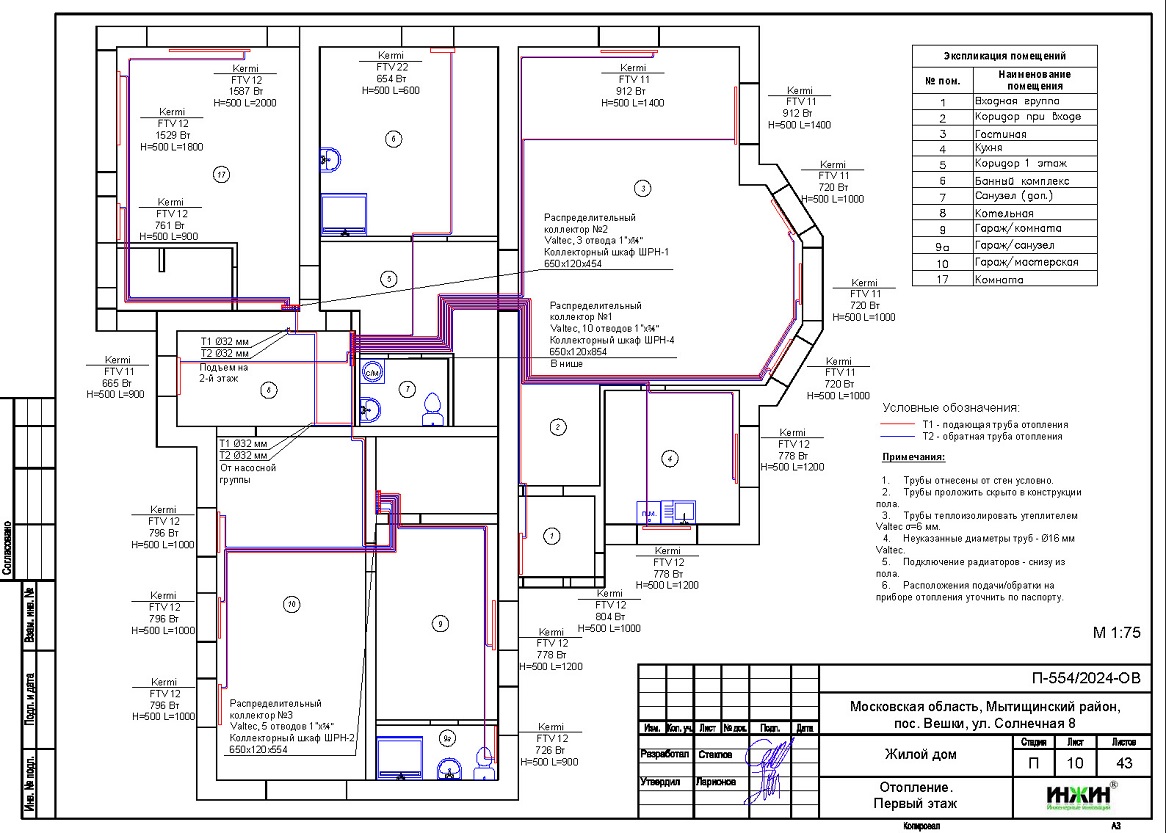
3. Комплект поэтажных чертежей радиаторного отопления дома в пос. Вешки.
4. Комплект чертежей теплого пола на площади 131 м.кв.
5. Комплект чертежей водоснабжения и канализации частного дома из газобетона в пос. Вешки.
6. Типовые схемы системы отопления канализации и водоснабжения дома 340 м.кв.
7. Теплотехнический расчет отопления дома из газобетона.
8. Спецификация материалов и оборудования по котельной, отоплению, канализации и водоснабжению дома в пос. Вешки.
Объем проекта отопления, канализации и водоснабжения дома в пос. Вешки: 43 листа.
Описание проекта отопления, котельной, канализации и водоснабжения частного дома 340 м.кв. в пос. Вешки.
Котельная частного дома в пос. Вешки(проект котельной бесплатно).
o Размещена в отдельном помещении дома 340м.кв.;
o Теплогенераторы - настенный газовый котел Vaillant, мощностью 36 кВт (основной), настенный электрический котел BAXI AMPERA Plus, мощностью 15 кВт (резервный);
o Контуры теплоснабжения котельной – радиаторное отопление дома, теплый пол и горячее водоснабжение, для которого предусмотрен накопительный бойлер STOUT, объемом 300 литров;
o Расширительные баки отопления и бойлера Flamco, объемом 35 и 25 литров, соответственно;
o Дымоудаление принудительное, дымоход раздельный, в строительной шахте;
o Распределительный коллектор - STOUT с насосными группами и встроенной гидрострелкой;
o Автоматика котельной – контроллер ZONT Climatic 1.2 со встроенным GSM-модулем.
Отопление дома в пос. Вешки (проект отопления дома).
o Выполнен теплотехнический расчет отопления дома из газобетона (утеплитель кровли - минвата 100мм) с учетом теплопотерь через ограждающие конструкции при наружной температуре -26°С для Московской области (по СП 131.13330.2020), расчетный расход тепла на отопление дома составил 30,69 кВт, удельные теплопотери 102,2 Вт/м.кв.;
o Подобраны приборы для отопления дома: стальные панельные радиаторы Kermi с нижним подключением;
o Схема радиаторного отопления дома двухтрубная, коллекторно-лучевая, с принудительной циркуляцией теплоносителя и температурным графиком 80/60°С;
o Трубы отопления из металлопластика Valtec;
o Теплоизоляция трубопроводов отопления Valtec, толщиной 6мм;
o Теплоноситель в системе радиаторного отопления дома – подготовленная вода, предусмотрены средства защиты от образования накипи.
Водяной теплый пол дома в пос. Вешки(проект теплого пола).
o Водяной теплый пол в доме предусмотрен на площади 131 м.кв., коллекторы теплого пола Valtec на 6 и 11 отводов, всего 17 петель;
o Предусмотрен насосно-смесительный узел для теплоснабжения водяного теплого пола дома - в составе насосной группы;
o Трубопроводы теплого пола – сшитый полиэтилен Valtec;
o Регулирование температуры теплого пола - общее, регулятором на смесительной группе.
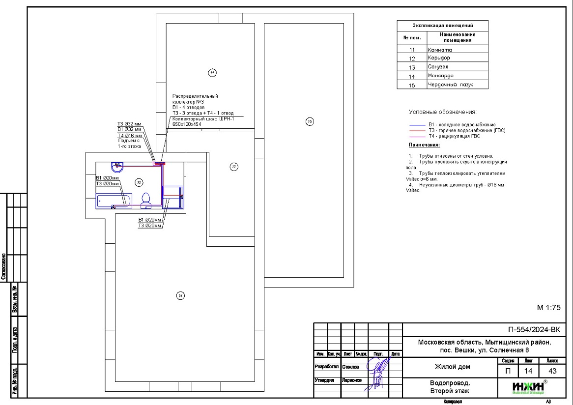
Внутренний водопровод дома в пос. Вешки(проект водоснабжения).
o Схема внутреннего водоснабжения дома – коллекторно-лучевая с рециркуляцией горячей воды через водяные полотенцесушители, выполнен расчет 23-х точек водоснабжения и полотенцесушителей;
o Трубопроводы системы водоснабжения – из металлопластика Valtec;
o Теплоизоляция трубопроводов Valtec, толщиной 6мм.
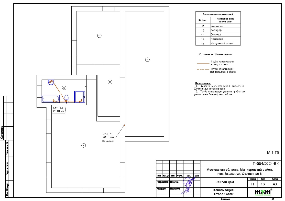
Внутренняя канализация (проект канализации) дома в пос. Вешки.
o Безнапорная, отвод стоков от санитарно-технических приборов предусмотрен в септик;
o Произведен расчет 16-ти точек бытовой канализации;
o Канализационные трубы Синикон, раструбные, из полипропилена.
Для этого дома в пос. Вешкивыполнен проект электрики.






















