Выполненные проекты
Проект отопления кирпичного дома в дер. Юрлово
Объект: двухэтажный дом из кирпича, площадью площадью 157 м.кв., расположенный в дер. Юрлово Солнечногорского района Московской области
Вариант отопления: «Комфортный»
Цена проекта отопления, канализации и водоснабжения: 28 771 руб. со скидкой 10%, проект котельной - бесплатно.
Проект котельной, отопления, водоснабжения и канализации выполнен: 03.06.2024
Состав проекта котельной, отопления, канализации и водоснабжения дома в дер. Юрлово:
1. Пояснительная записка проекта, общие данные по системам отопления, канализации и водоснабжения дома 157 м.кв. в дер. Юрлово.
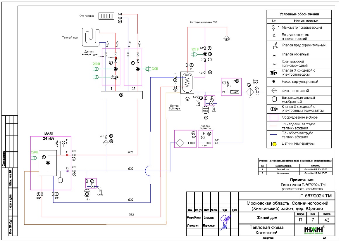
2. Тепломеханическая схема котельной с размещением оборудования в отдельном помещении дома из кирпича.
3. Комплект поэтажных чертежей радиаторного отопления дома в дер. Юрлово.
4. Комплект чертежей теплого пола на площади 56 м.кв.
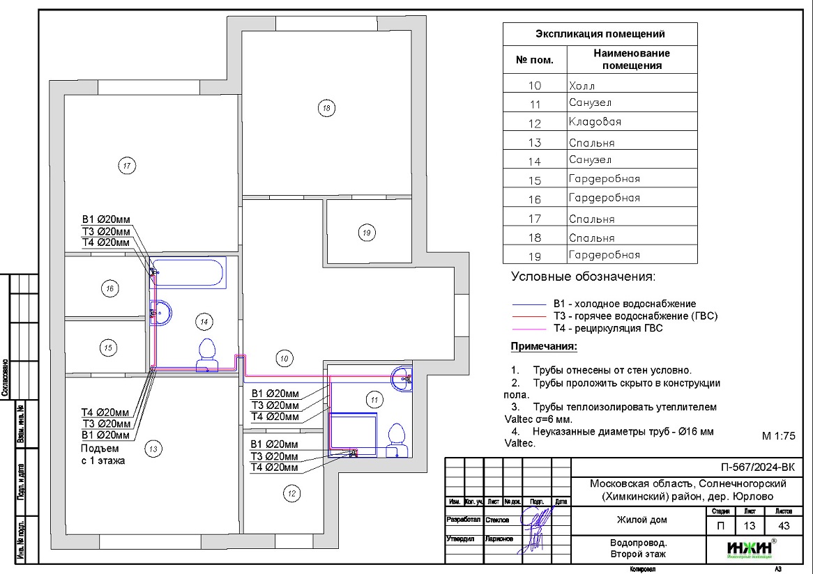
5. Комплект чертежей водоснабжения и канализации частного дома из кирпича в дер. Юрлово.
6. Типовые схемы системы отопления канализации и водоснабжения дома 157 м.кв.
7. Теплотехнический расчет отопления дома из кирпича.
8. Спецификация материалов и оборудования по котельной, отоплению, канализации и водоснабжению дома в дер. Юрлово.
Объем проекта отопления, канализации и водоснабжения дома в дер. Юрлово: 43 листа.
Описание проекта отопления, котельной, канализации и водоснабжения частного дома 157 м.кв. в дер. Юрлово.
Котельная частного дома в дер. Юрлово(проект котельной бесплатно).
o Размещена в отдельном помещении дома 157м.кв.;
o Теплогенераторы - настенный газовый котел BAXI мощностью 24 кВт;
o Контуры теплоснабжения котельной – радиаторное отопление дома, теплый пол и горячее водоснабжение, для которого предусмотрен накопительный бойлер STOUT, объемом 300 литров;
o Расширительные баки отопления и бойлера Flamco, объемом 35 и 25 литров, соответственно;
o Дымоудаление принудительное, дымоход раздельный, в строительной шахте;
o Распределительный коллектор - STOUT с насосными группами и встроенной гидрострелкой;
o Автоматика котельной – встроена в котел.
Отопление дома в дер. Юрлово (проект отопления дома).
o Выполнен теплотехнический расчет отопления дома из кирпича (утеплитель кровли - минвата 200мм) с учетом теплопотерь через ограждающие конструкции при наружной температуре -26°С для Московской области (по СП 131.13330.2020), расчетный расход тепла на отопление дома составил 13,58 кВт, удельные теплопотери 86,2 Вт/м.кв.;
o Подобраны приборы для отопления дома: секционные биметаллические радиаторы RIFAR BASE с нижним подключением;
o Схема радиаторного отопления дома двухтрубная, с принудительной циркуляцией теплоносителя и температурным графиком 80/60°С;
o Трубы отопления из металлопластика Valtec;
o Теплоизоляция трубопроводов отопления Valtec, толщиной 6мм;
o Теплоноситель в системе радиаторного отопления дома – незамерзающая жидкость Warme Eco Pro 30.
Водяной теплый пол дома в дер. Юрлово(проект теплого пола).
o Водяной теплый пол в доме предусмотрен на площади 56 м.кв., коллектор теплого пола Valtec на 9 отводов, 9 петель;
o Предусмотрен насосно-смесительный узел для теплоснабжения водяного теплого пола дома - в составе насосной группы;
o Трубопроводы теплого пола – сшитый полиэтилен Valtec;
o Регулирование температуры теплого пола - общее, регулятором на смесительной группе.
Внутренний водопровод дома в дер. Юрлово(проект водоснабжения).
o Схема внутреннего водоснабжения дома – тройниковая с рециркуляцией горячей воды через проходные водорозетки, выполнен расчет 20-ти точек водоснабжения и полотенцесушителей;
o Трубопроводы системы водоснабжения – из металлопластика Valtec;
o Теплоизоляция трубопроводов Valtec, толщиной 6мм.
Внутренняя канализация (проект канализации) дома в дер. Юрлово.
o Безнапорная, отвод стоков от санитарно-технических приборов предусмотрен в септик;
o Произведен расчет 13-ти точек бытовой канализации;
o Канализационные трубы Синикон, раструбные, из полипропилена.
Для этого дома в дер. Юрлововыполнен проект электрики.






















