Выполненные проекты
Проект отопления дома в КП "Рахманово Парк"
Объект: частный дом (2 этажа) из блоков Porotherm, общей площадью 146 м.кв., расположенный в КП "Рахманово Парк" Московской области
Вариант отопления: «Комфортный»
Цена проекта отопления, канализации и водоснабжения: 25 776 руб. со скидкой 10%, проект котельной - бесплатно.
Проект котельной, отопления, водоснабжения и канализации выполнен: 27.06.2024
Состав проекта котельной, отопления и водоснабжения дома в КП "Рахманово Парк":
1. Пояснительная записка проекта, общие данные по системам отопления и водоснабжения дома 146 м.кв. в КП "Рахманово Парк".
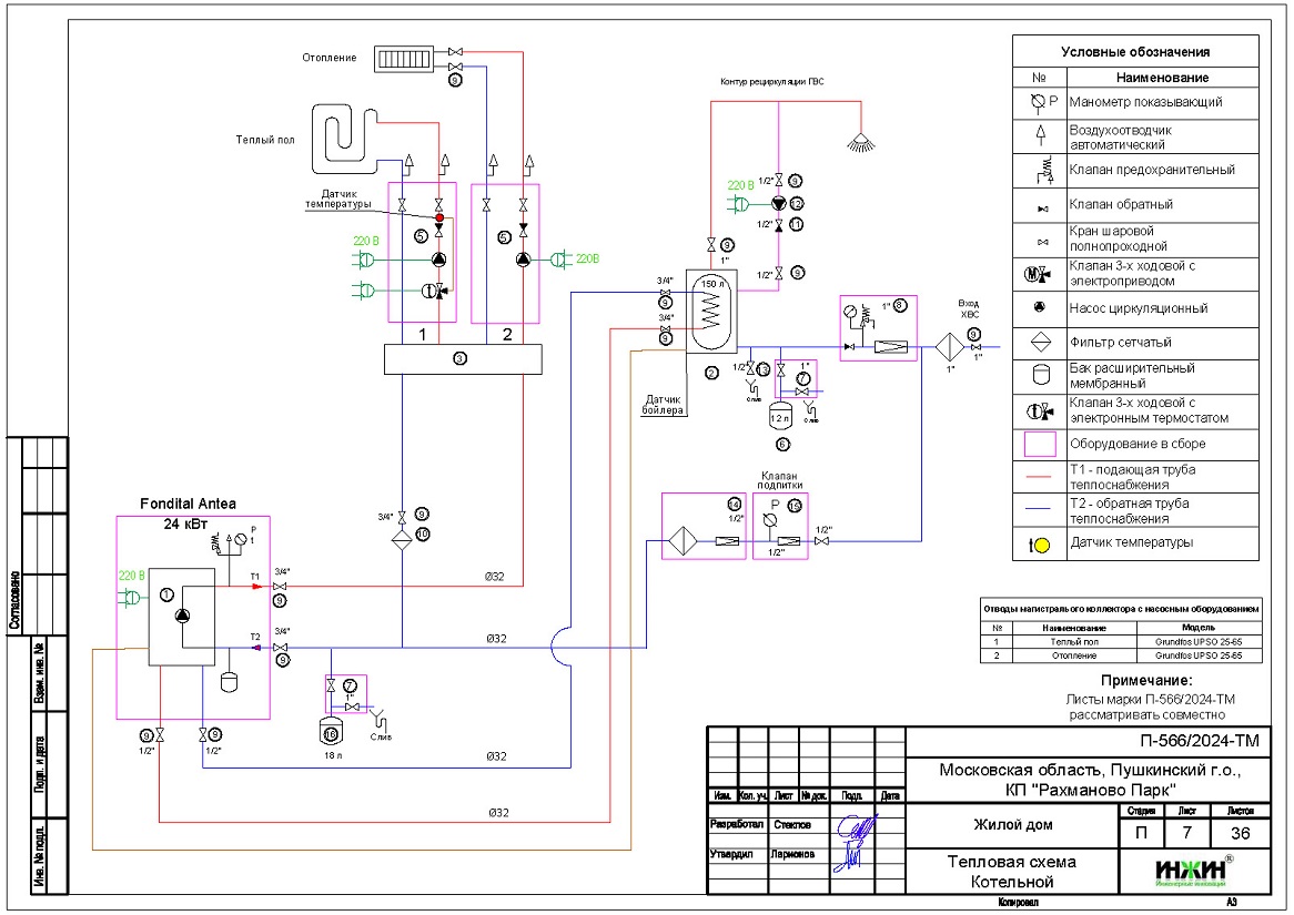
2. Тепломеханическая схема котельной с размещением оборудования в отдельном помещении дома из блоков Porotherm.
3. Комплект поэтажных чертежей радиаторного отопления дома в КП "Рахманово Парк".
4. Комплект чертежей теплого пола на площади 140 м.кв.
5. Комплект чертежей водоснабжения частного дома из блоков Porotherm в КП "Рахманово Парк".
6. Типовые схемы системы отопления канализации и водоснабжения дома 146 м.кв.
7. Теплотехнический расчет отопления дома из блоков Porotherm.
8. Спецификация материалов и оборудования по котельной, отоплению и водоснабжению дома в КП "Рахманово Парк".
Объем проекта отопления и водоснабжения дома в КП "Рахманово Парк": 36 листов.
Описание проекта отопления, котельной, канализации и водоснабжения частного дома 146 м.кв. в КП "Рахманово Парк".
Котельная частного дома в КП "Рахманово Парк"(проект котельной бесплатно).
o Размещена в отдельном помещении дома 146 м.кв.;
o Теплогенератор - настенный газовый котел Fondital Antea RBTN 24 (в наличии), мощностью 24 кВт;
o Контуры теплоснабжения котельной (3 шт.) – отопление дома, теплый пол и горячее водоснабжение, для которого предусмотрен накопительный бойлер Royal Thermo, объемом 150 литров (подключение к котлу);
o Расширительные баки отопления и бойлера Flamco, объемом 18 и 12 литров, соответственно;
o Дымоудаление естественное, дымоход из нержавеющей стали, диаметр 130 мм, размещение - в строительной шахте;
o Распределительный коллектор STOUT, с насосно-смесительными группами;
o Автоматика котельной – встроена в котел.
Отопление дома в КП "Рахманово Парк" (проект отопления дома).
o Выполнен теплотехнический расчет отопления дома из блоков Porotherm (утеплитель стен пеноплекс 50мм, кровли - эковата 200мм) с учетом теплопотерь через ограждающие конструкции при наружной температуре -26°С для Московской области (по СП 131.13330.2020), расчетный расход тепла на отопление дома составил 12,36 кВт, удельные теплопотери 83,6 Вт/м.кв.;
o Подобраны приборы для отопления дома: секционные биметаллические радиаторы RIFAR Tubogс боковым подключением;
o Схема радиаторного отопления дома двухтрубная, коллекторно-лучевая, с принудительной циркуляцией теплоносителя и температурным графиком 80/60°С;
o Трубы отопления из сшитого полиэтилена Valtec;
o Теплоизоляция трубопроводов отопления Valtec, толщиной 6мм;
o Теплоноситель в системе радиаторного отопления дома – подготовленная вода, предусмотрены средства защиты от образования накипи.
Водяной теплый пол дома в КП "Рахманово Парк" (проект теплого пола).
o Водяной теплый пол в доме предусмотрен на площади 140 м.кв., коллекторы теплого пола Valtec на 6 и 7 отводов (всего 13 петель);
o Предусмотрен насосно-смесительный узел для теплоснабжения водяного теплого пола;
o Трубопроводы теплого пола – сшитый полиэтилен Valtec, основание - плиты пенополистирольные с покрытием и фиксирующими бобышками EasyFix L (Формат);
o Регулирование температуры теплого пола - общее, контуром котельной.
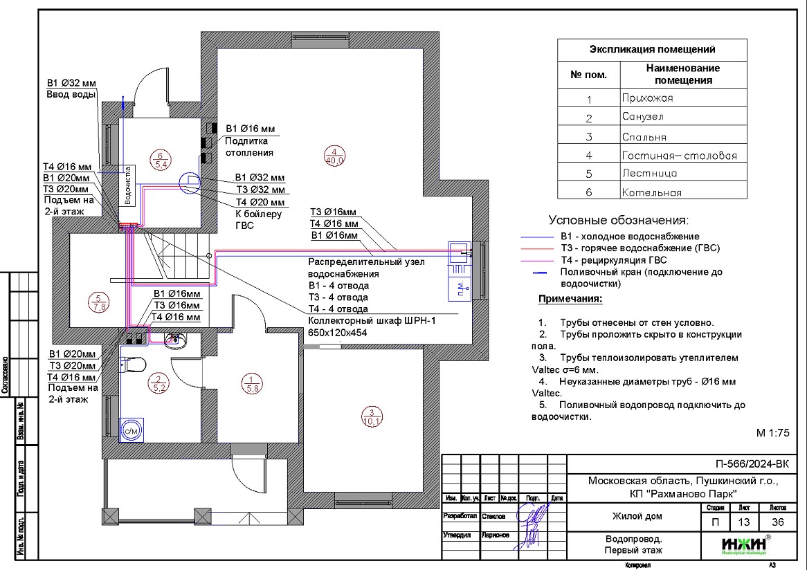
Внутренний водопровод дома в КП "Рахманово Парк" (проект водоснабжения).
o Схема внутреннего водоснабжения дома – коллекторно-лучевая с рециркуляцией горячей воды через полотенцесушители, выполнен расчет 21-й точки водоснабжения и полотенцесушителей;
o Трубопроводы системы водоснабжения – из сшитого полиэтилена Valtec;
o Теплоизоляция трубопроводов Valtec, толщиной 6мм.



















