Выполненные проекты
Отопление каркасного дома в Конаково, проект
Объект: одноэтажный частный дом (каркас), площадью 120 м.кв., расположенный в дер. Малое Новоселье Конаковского района Тверской области
Вариант отопления: «Комфортный»
Цена проекта отопления: 20 264 руб. со скидкой 10%, проект котельной - бесплатно.
Проект котельной и отопления выполнен: 17.06.2024
Состав проекта котельной, отопления и теплого пола дома в дер. Малое Новоселье Тверской области:
1. Пояснительная записка проекта, общие данные по системе отопления дома 120 м.кв. в дер. Малое Новоселье Тверской области.
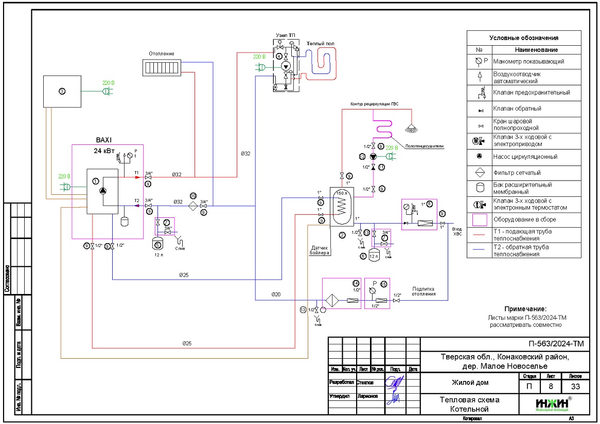
2. Тепломеханическая схема котельной с размещением оборудования в отдельном помещении каркасного дома.
3. Комплект поэтажных чертежей радиаторного отопления и теплого пола дома в дер. Малое Новоселье.
4. Теплотехнический расчет отопления каркасного дома.
5. Спецификация материалов и оборудования по котельной и отоплению дома в Тверской области.
Объем проекта отопления дома в дер. Малое Новоселье Тверской области: 33 листа.
Описание проекта отопления и котельной частного дома 120 м.кв. в дер. Малое Новоселье.
Котельная частного дома в дер. Малое Новоселье (проект котельной бесплатно).
o Размещена в отдельном помещении дома 120 м.кв.;
o Теплогенератор - настенный газовый котел BAXIмощностью 24 кВт;
o Контуры теплоснабжения котельной – радиаторное отопление дома и теплый пол (на контуре отопления), горячее водоснабжение предусмотрено при помощи накопительного бойлера STOUT, объемом 150 литров;
o Расширительные баки отопления и бойлера Flamco, объемом 12 литров каждый;
o Дымоудаление принудительное, дымоход коаксиальный, комплект для горизонтального прохода через стену, диаметр 60/100 мм;
o Распределительный коллектор в котельной не предусмотрен;
o Автоматика котельной встроена в котел.
Отопление дома в дер. Малое Новоселье Тверской области (проект отопления дома).
o Выполнен теплотехнический расчет отопления каркасного дома (утеплитель стен и кровли - эковата 195 и 300 мм, соответственно) с учетом теплопотерь через ограждающие конструкции при наружной температуре -27°С для Тверскойобласти (по СП 131.13330.2020), расчетный расход тепла на отопление дома составил 9,83 кВт, удельные теплопотери 98,5 Вт/м.кв.;
o Подобраны приборы для отопления дома: секционные биметаллические радиаторы Royal Thermo Vittoria Super с боковым и нижним подключением;
o Схема радиаторного отопления дома двухтрубная, коллекторно-лучевая, с принудительной циркуляцией теплоносителя и температурным графиком 80/60°С;
o Трубы отопления из полиэтилена Valtec;
o Теплоизоляция трубопроводов отопления Valtec, толщиной 6мм;
o Теплоноситель в системе радиаторного отопления дома – подготовленная вода.
Водяной теплый пол дома в дер. Малое Новоселье (проект теплого пола).
o Водяной теплый пол в доме предусмотрен на площади 15 м.кв., 3 петли, коллектор теплого пола Valtec на 3 отвода;
o Предусмотрен насосно-смесительный узел для теплоснабжения водяного теплого пола в котельной (на контуре отопления);
o Трубопроводы теплого пола – сшитый полиэтилен Valtec, основание - плиты пенополистирольные с покрытием и фиксирующими бобышками EasyFix L (Формат);
o Регулирование температуры теплого пола - общее, на смесительном узле и зональное, при помощи электронных комнатных термостатов.
Внутренний водопровод дома в дер. Малое Новоселье (проект водоснабжения).
o Схема внутреннего водоснабжения дома – коллекторно-лучевая с рециркуляцией горячей воды через водяные полотенцесушители, выполнен расчет 14-ти точек водоснабжения и полотенцесушителей;
o Трубопроводы системы водоснабжения – из сшитого полиэтилена Valtec;
o Теплоизоляция трубопроводов Valtec, толщиной 6мм.
Внутренняя канализация (проект канализации) дома в дер. Малое Новоселье.
o Безнапорная, отвод стоков от санитарно-технических приборов предусмотрен в септик;
o Произведен расчет 9-ти точек бытовой канализации;
o Канализационные трубы Синикон, раструбные, из полипропилена.



















