Выполненные проекты
Отопление дома 263 м.кв. в КП "Адмирал", проект
Объект: частный дом из газобетона, общей площадью 263 м.кв., расположенный в КП "Адмирал", Мытищинского района Московской области
Вариант отопления: «Комфортный+»
Цена проекта отопления и водоснабжения: 41 060 руб. со скидкой 10%, проект котельной - бесплатно.
Проект котельной, отопления и водоснабжения выполнен: 13.08.2024
Состав проекта котельной, отопления и водоснабжения дома в КП "Адмирал":
1. Пояснительная записка проекта, общие данные по системам отопления и водоснабжения дома 263 м.кв. в КП "Адмирал".
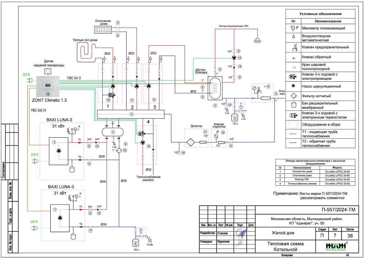
2. Тепломеханическая схема котельной с размещением оборудования в отдельном помещении дома из газобетона.
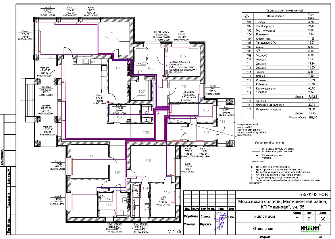
3. Комплект поэтажных чертежей радиаторного отопления дома в КП "Адмирал".
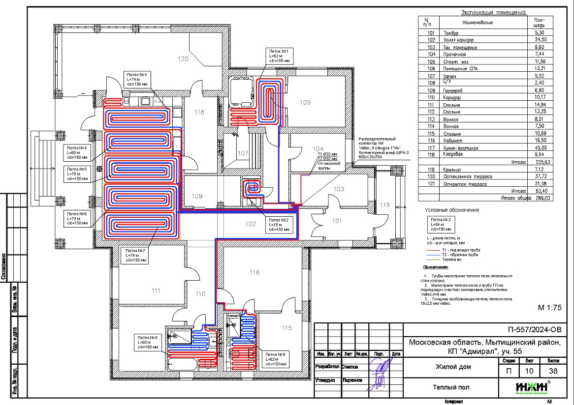
4. Комплект чертежей теплого пола на площади 60 м.кв.
5. Комплект чертежей водоснабжения частного дома из газобетона в КП "Адмирал".
6. Типовые схемы системы отопления и водоснабжения дома 263 м.кв.
7. Теплотехнический расчет отопления дома из газобетона.
8. Спецификация материалов и оборудования по котельной, отоплению и водоснабжению дома в КП "Адмирал".
Объем проекта отопления и водоснабжения дома в КП "Адмирал": 38 листов.
Описание проекта отопления, котельной и водоснабжения частного дома 263 м.кв. в КП "Адмирал".
Котельная частного дома в КП "Адмирал"(проект котельной бесплатно).
o Размещена в отдельном помещении первого этажа дома 263 м.кв.;
o Теплогенераторы - каскад из двух настенных газовых котлов Baxi LUNA-3 Comfort, мощностью 31 кВт каждый (в наличии);
o Контуры теплоснабжения котельной – радиаторное отопление дома, теплый пол дома, теплоснабжение хаммама и горячее водоснабжение, для которого предусмотрен накопительный бойлер Baxi, объемом 200 литров;
o Расширительные баки отопления и бойлера Flamco, объемом 35 и 18 литров, соответственно;
o Дымоудаление принудительное, дымоход коаксиальный, комплект для вертикального прохода через кровлю (отдельно для каждого котла), диаметр 60/100 мм;
o Распределительный коллектор - STOUT с насосными группами и встроенным гидравлическим разделителем;
o Автоматика котельной – контроллер ZONT Climatic 1.3 со встроенным GSM-модулем.
Отопление дома в КП "Адмирал" (проект отопления дома).
o Выполнен теплотехнический расчет отопления дома (утеплитель кровли и стен дома - минвата 200мм и 50мм, соответственно) с учетом теплопотерь через ограждающие конструкции при наружной температуре -26°С для Москвы (по СП 131.13330.2020), расчетный расход тепла на отопление дома составил 23,07 кВт, удельные теплопотери 88,7 Вт/м.кв.;
o Подобраны приборы для отопления дома: стальные панельные радиаторы Kermiс нижним подключением и трубчатые дизайн-радиаторы Rifar TUBOG;
o Схема радиаторного отопления основного и гостевого дома двухтрубная, коллекторно-лучевая, с принудительной циркуляцией теплоносителя и температурным графиком 80/60°С;
o Трубы отопления из сшитого полиэтилена Valtec;
o Теплоизоляция трубопроводов отопления Valtec, толщиной 6мм;
o Теплоноситель в системе радиаторного отопления дома – вода, предусмотрены средства защиты от накипи.
Водяной теплый пол дома в КП "Адмирал" (проект теплого пола).
o Водяной теплый пол в доме предусмотрен на площади 60 м.кв., коллектор теплого пола Valtec на 11 отводов, всего 11 петель;
o Предусмотрен насосно-смесительный узел для теплоснабжения водяного теплого пола дома (на коллекторе котельной);
o Трубопроводы теплого пола из сшитого полиэтилена Valtec;
o Регулирование температуры теплого пола - общее, регулятором на смесительной группе.
Внутренний водопровод дома в КП "Адмирал"(проект водоснабжения).
o Схема внутреннего водоснабжения дома – коллекторно-лучевая с рециркуляцией горячей воды через водяные полотенцесушители, выполнен расчет 34-х точек водоснабжения и полотенцесушителей;
o Трубопроводы системы водоснабжения – из сшитого полиэтилена Valtec;
o Теплоизоляция трубопроводов Valtec, толщиной 6мм.



















