Выполненные проекты
Проект отопления дома 194 м.кв. в Калужской области
Объект: частный дом из газобетона, общей площадью 194 м.кв., расположенный в дер. Сутормино Калужской области
Вариант отопления: «Комфортный+»
Цена проекта отопления: 30 632 руб. со скидкой 10%, проект котельной - бесплатно.
Проект котельной, отопления выполнен: 11.12.2024
Состав проекта котельной, отопления дома в дер. Сутормино Калужской области:
1. Пояснительная записка проекта, общие данные по системам отопления и водоснабжения дома 194 м.кв. в дер. Сутормино Калужской области.
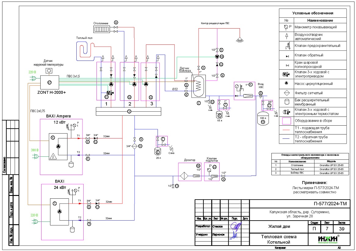
2. Тепломеханическая схема котельной с размещением оборудования в отдельном помещении дома из кирпича.
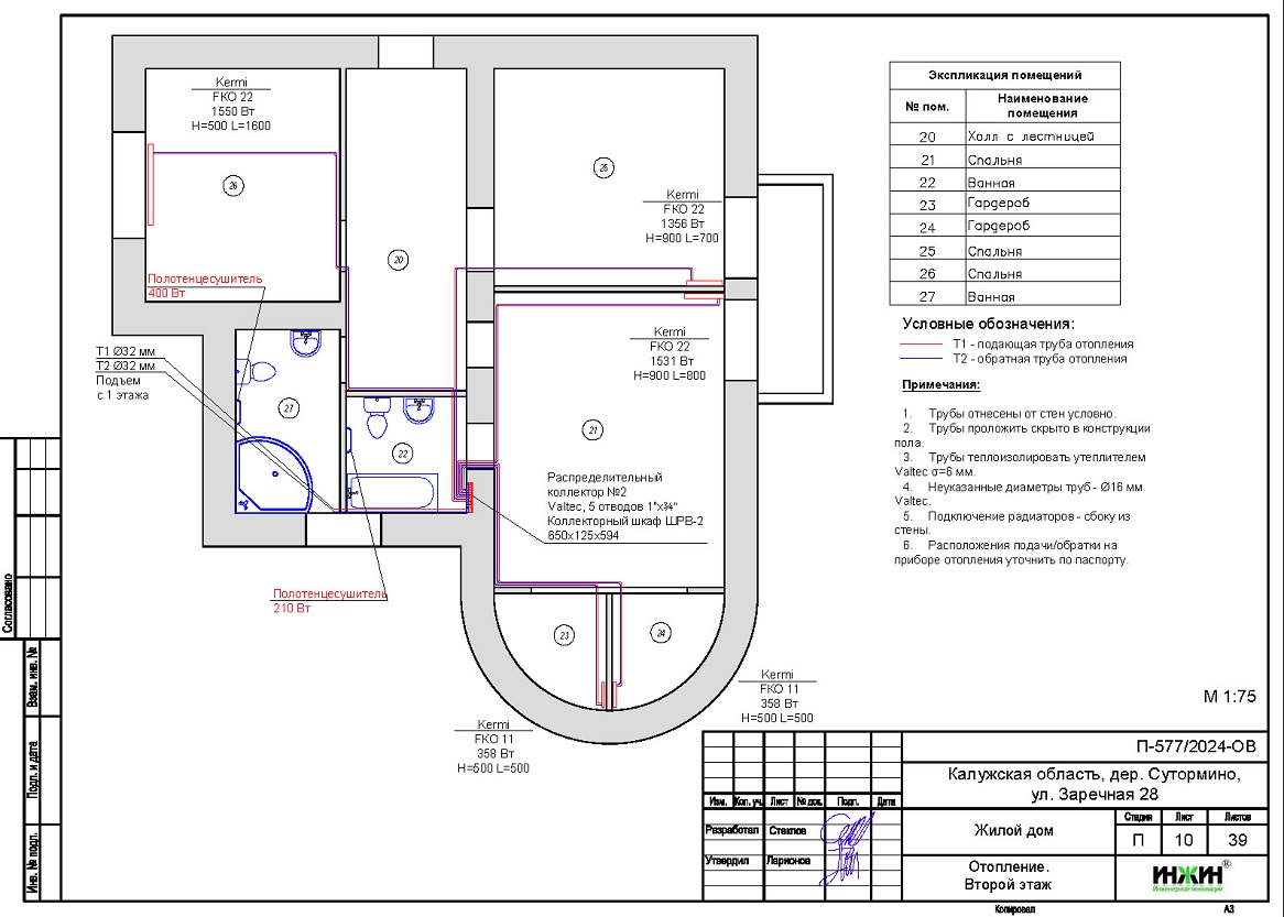
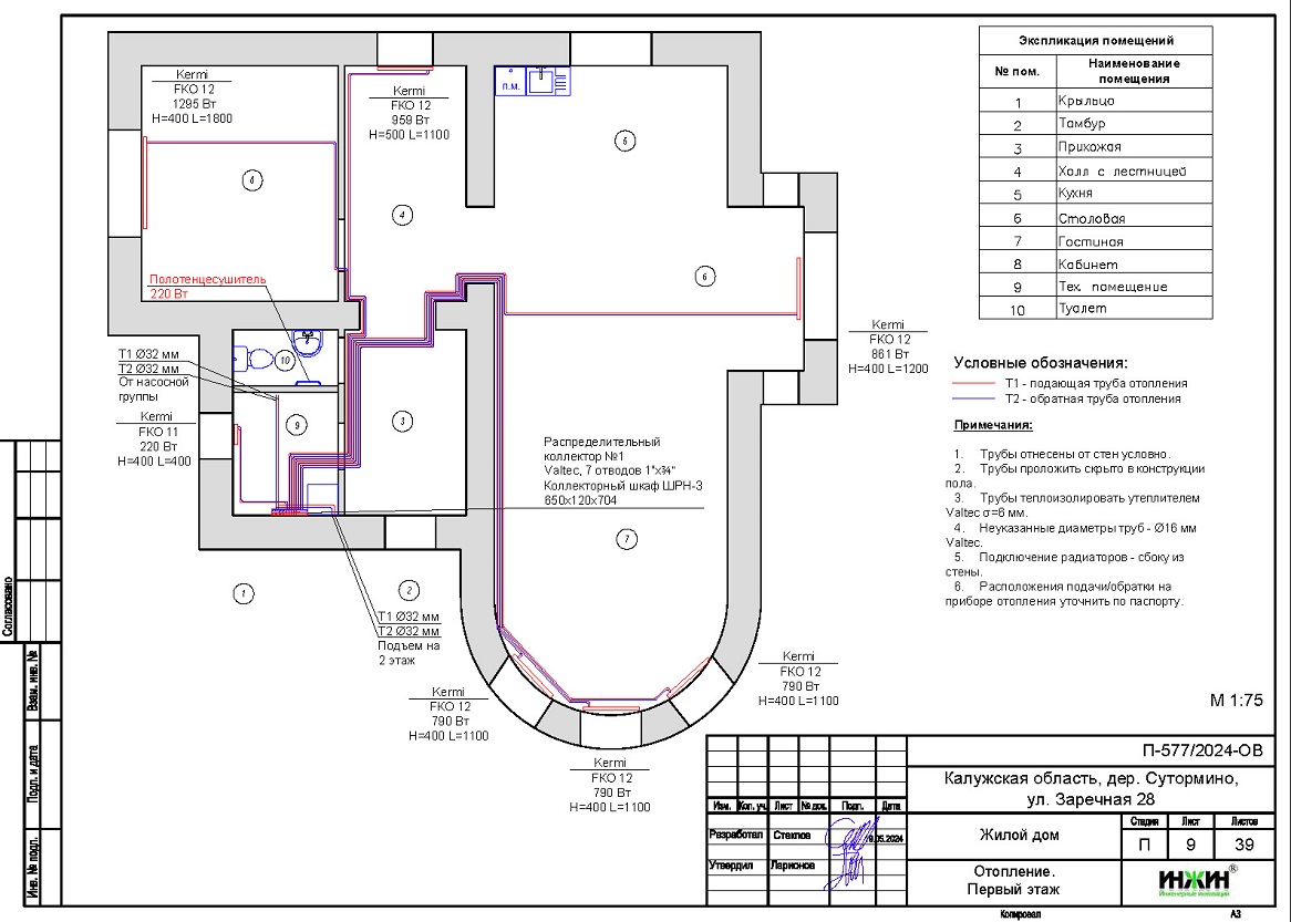
3. Комплект поэтажных чертежей радиаторного отопления дома в дер. Сутормино Калужской области.
4. Комплект чертежей теплого пола на площади 52 м.кв.
5. Типовые схемы системы отопления и водоснабжения дома 194м.кв.
6. Теплотехнический расчет отопления дома из кирпича.
7. Спецификация материалов и оборудования по котельной и отоплению дома в дер. Сутормино Калужской области.
Объем проекта отопления дома в дер. Сутормино Калужской области: 39 листов.
Описание проекта отопления и котельной частного дома 194 м.кв. в дер. Сутормино Калужской области.
Котельная частного дома в дер. Сутормино Калужской области(проект котельной бесплатно).
o Размещена в отдельном помещении дома 194м.кв.;
o Теплогенераторы - основной настенный газовый котел BAXI ECO-4S, мощностью 24 кВт, резервный - электрический котел Baxi Ampera, 12 кВт;
o Контуры теплоснабжения котельной – радиаторное отопление дома, теплый пол дома (на контуре отопления) и горячее водоснабжение, для которого предусмотрен накопительный бойлер STOUT, объемом 200 литров;
o Расширительные баки отопления и бойлера Flamco, объемом 25 и 18 литров, соответственно;
o Дымоудаление естественное (для основного котла), дымоход из нержавеющей стали, подключение к существующему дымоходу в строительной шахте, диаметр 120 мм;
o Распределительный коллектор не предусмотрен;
o Автоматика котельной – контроллер ZONT H-2000+ PRO.V2 со встроенным GSM-модулем.
Отопление дома в дер. Сутормино Калужской области (проект отопления дома).
o Выполнен теплотехнический расчет отопления дома (утеплитель стен и кровли дома - каменная вата 100 и 200мм, соответственно) с учетом теплопотерь через ограждающие конструкции при наружной температуре -27°С для Калуги (по СП 131.13330.2012), расчетный расход тепла на отопление дома составил 14,63 кВт, удельные теплопотери 70,4 Вт/м.кв.;
o Подобраны приборы для отопления дома: стальные панельные радиаторы Kermi с нижним подключением;
o Схема радиаторного отопления дома двухтрубная, коллекторно-лучевая, с принудительной циркуляцией теплоносителя и температурным графиком 80/60°С;
o Трубы отопления из сшитого полиэтилена Valtec;
o Теплоизоляция трубопроводов отопления Valtec, толщиной 6мм;
o Теплоноситель в системе радиаторного отопления дома – подготовленная вода, предусмотрены средства защиты от образования накипи.
Водяной теплый пол дома в дер. Сутормино Калужской области (проект теплого пола).
o Водяной теплый пол в доме предусмотрен на площади 52 м.кв., коллектор теплого пола Valtec на 6 отводов, всего 6 петель;
o Предусмотрен насосно-смесительный узел для теплоснабжения водяного теплого пола дома (на контуре отопления);
o Трубопроводы теплого пола из сшитого полиэтилена Valtec;
o Регулирование температуры теплого пола - общее, регулятором на смесительной группе, а также зональное, при помощи электронных комнатных хронотермостатов с Wi-Fi (Valtec).
Внутренний водопровод дома в дер. Сутормино Калужской области(проект водоснабжения).
o Схема внутреннего водоснабжения дома – коллекторно-лучевая с рециркуляцией горячей воды через водяные полотенцесушители, выполнен расчет 26-и точек водоснабжения и полотенцесушителей;
o Трубопроводы системы водоснабжения – из сшитого полиэтилена Valtec;
o Теплоизоляция трубопроводов Valtec, толщиной 6мм.



















