Выполненные проекты
Отопление дома в КП "Березовый парк 4", проект
Объект: частный дом из газобетона, общей площадью 146 м.кв., расположенный в КП "Березовый парк 4", Раменского района Московской области
Вариант отопления: «Комфортный+»
Цена проекта отопления и водоснабжения: 33 097 руб. со скидкой 10%, проект котельной - бесплатно.
Проект котельной, отопления и водоснабжения выполнен: 05.12.2024
Состав проекта котельной, отопления и водоснабжения дома в КП "Березовый парк 4":
1. Пояснительная записка проекта, общие данные по системам отопления и водоснабжения дома 146 м.кв. в КП "Березовый парк 4".
2. Тепломеханическая схема котельной с размещением оборудования в отдельном помещении дома из газобетона.
3. Комплект поэтажных чертежей радиаторного отопления дома в КП "Березовый парк 4".
4. Комплект чертежей теплого пола на площади 60 м.кв.
5. Комплект чертежей водоснабжения и канализации частного дома из газобетона в КП "Березовый парк 4".
6. Типовые схемы системы отопления и водоснабжения дома 146 м.кв.
7. Теплотехнический расчет отопления дома из газобетона.
8. Спецификация материалов и оборудования по котельной, отоплению и водоснабжению дома в КП "Березовый парк 4".
Объем проекта отопления и водоснабжения дома в КП "Березовый парк 4": 36 листов.
Описание проекта отопления, котельной и водоснабжения частного дома 146 м.кв. в КП "Березовый парк 4".
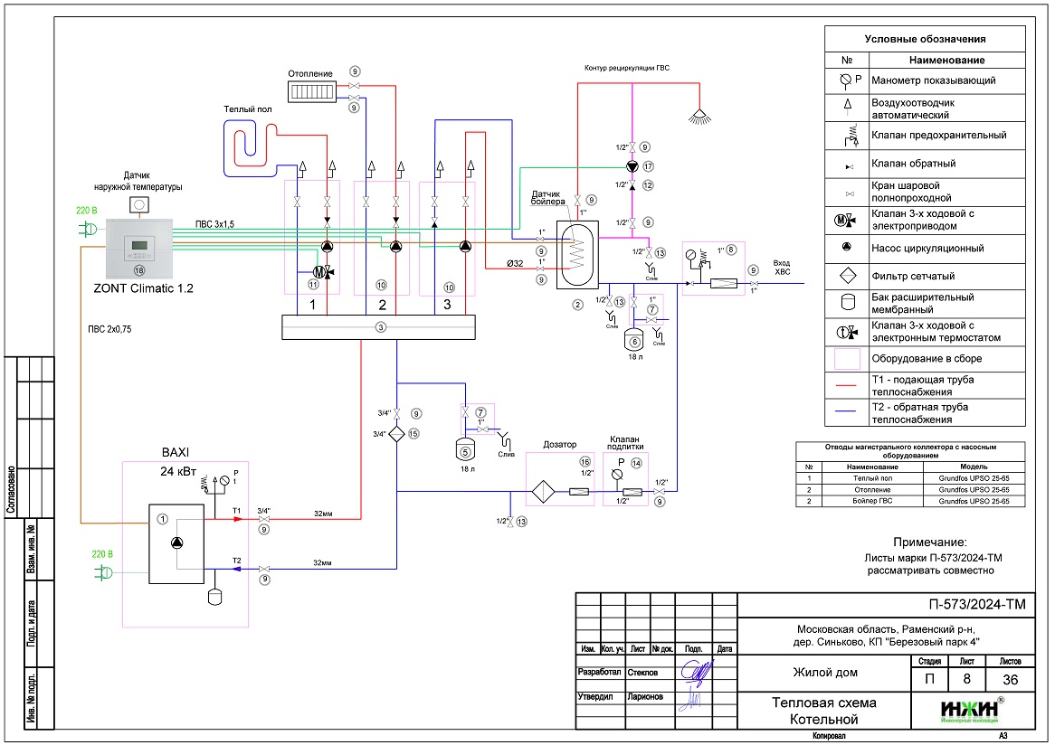
Котельная частного дома в КП "Березовый парк 4"(проект котельной бесплатно).
o Размещена в отдельном помещении первого этажа дома 146 м.кв.;
o Теплогенератор - настенный газовый котел BAXI, мощностью 24 кВт;
o Контуры теплоснабжения котельной – радиаторное отопление дома, теплый пол дома и горячее водоснабжение, для которого предусмотрен накопительный бойлер AQUATEC INOX, объемом 200 литров;
o Расширительные баки отопления и бойлера Flamco, объемом 18 литров каждый;
o Дымоудаление принудительное, дымоход коаксиальный, комплект для вертикального прохода через кровлю, диаметр 60/100 мм;
o Распределительный коллектор - STOUT с насосными группами и встроенным гидравлическим разделителем;
o Автоматика котельной – контроллер ZONT Climatic 1.2 со встроенным GSM-модулем.
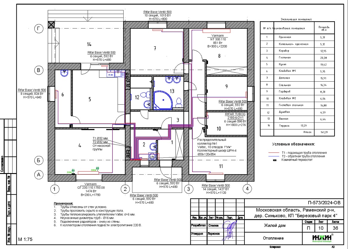
Отопление дома в КП "Березовый парк 4" (проект отопления дома).
o Выполнен теплотехнический расчет отопления дома (утеплитель кровли дома - базвата 185 мм) с учетом теплопотерь через ограждающие конструкции при наружной температуре -26°С для Москвы (по СП 131.13330.2020), расчетный расход тепла на отопление дома составил 12,55 кВт, удельные теплопотери 88,8 Вт/м.кв.;
o Подобраны приборы для отопления дома: секционные радиаторы Rifar Base Ventilс нижним подключением, а также встроенные в пол конвекторы Varmann;
o Схема радиаторного отопления дома двухтрубная, коллекторно-лучевая, с принудительной циркуляцией теплоносителя и температурным графиком 80/60°С;
o Трубы отопления из сшитого полиэтилена Valtec;
o Теплоизоляция трубопроводов отопления Valtec, толщиной 6мм;
o Теплоноситель в системе радиаторного отопления дома – подготовленная вода.
Водяной теплый пол дома в КП "Березовый парк 4"(проект теплого пола).
o Водяной теплый пол в доме предусмотрен на площади 60 м.кв., коллектор теплого пола Valtec на 12 отводов, всего 12 петель;
o Предусмотрен насосно-смесительный узел для теплоснабжения водяного теплого пола дома (на коллекторе котельной);
o Трубопроводы теплого пола из сшитого полиэтилена Valtec;
o Регулирование температуры теплого пола - общее, регулятором на смесительной группе и локальное, по помещениям, при помощи электронных термостатов Valtec VT.АС 712.
Внутренний водопровод дома в КП "Березовый парк 4"(проект водоснабжения).
o Схема внутреннего водоснабжения дома – коллекторно-лучевая с рециркуляцией горячей воды через водяные полотенцесушители, выполнен расчет 24-х точек водоснабжения и полотенцесушителей;
o Трубопроводы системы водоснабжения – из сшитого полиэтилена Valtec;
o Теплоизоляция трубопроводов Valtec, толщиной 6мм.
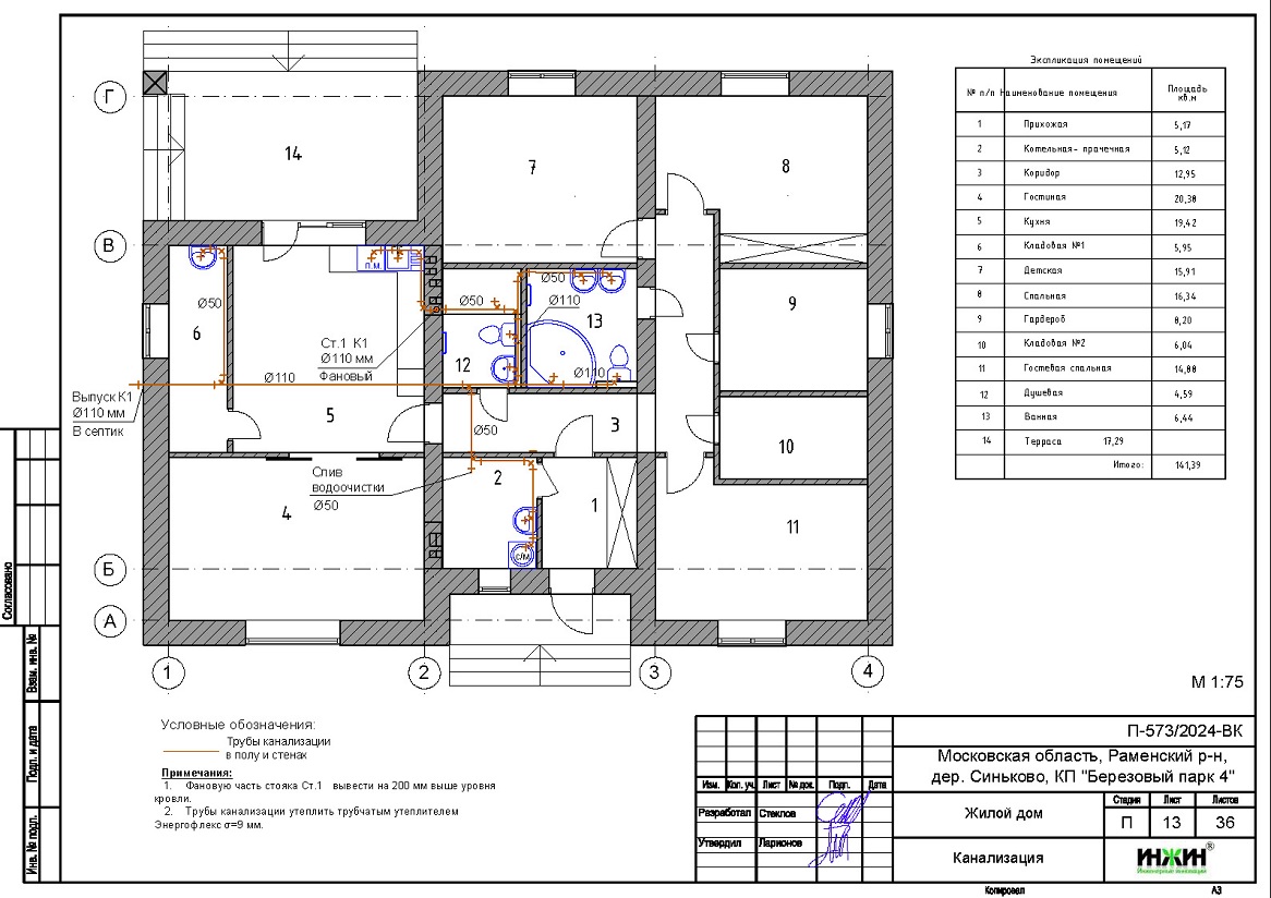
Внутренняя канализация (проект канализации) дома в КП "Березовый парк 4".
o Безнапорная, отвод стоков от санитарно-технических приборов предусмотрен в септик;
o Произведен расчет 13-ти точек бытовой канализации;
o Канализационные трубы Синикон, раструбные, из полипропилена.

Заказать в нашей компании проект отопления, водоснабжения и канализации загородного дома дистанционно со скидкой.
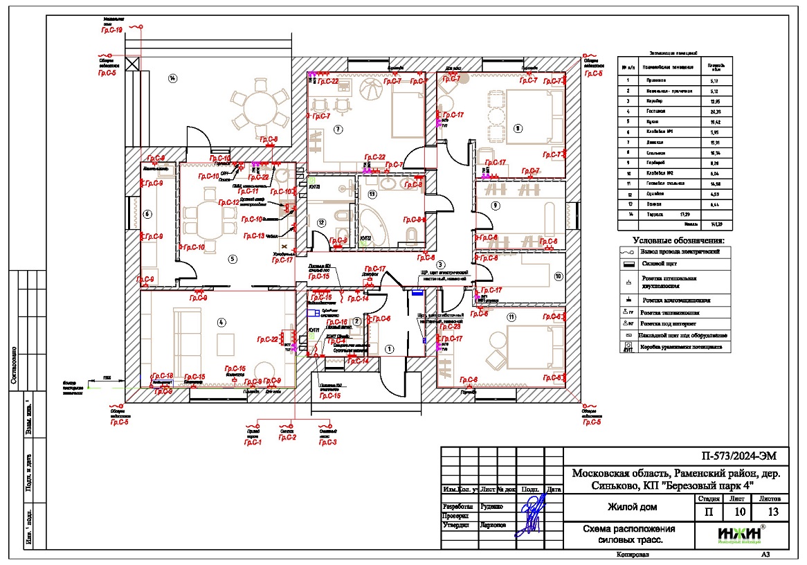
Для этого дома в КП "Березовый парк 4"выполнен проект электрики.
По этому проекту выполнен монтаж систем отопления, водоснабжения и канализации.



















