Выполненные проекты
Отопление дома в СНТ "Балтийская Слобода", проект
Объект: одноэтажный частный дом (каркас), площадью 137 м.кв., расположенный в СНТ "Балтийская Слобода" Ленинградской области
Вариант отопления: «Комфортный+»
Цена проекта отопления: 30 603 руб. со скидкой 10%, проект котельной - бесплатно.
Проект котельной и отопления выполнен: 28.11.2024
Состав проекта котельной, отопления и теплого пола дома в СНТ "Балтийская Слобода" Ленинградской области:
1. Пояснительная записка проекта, общие данные по системе отопления дома 137 м.кв. в СНТ "Балтийская Слобода" Ленинградской области.
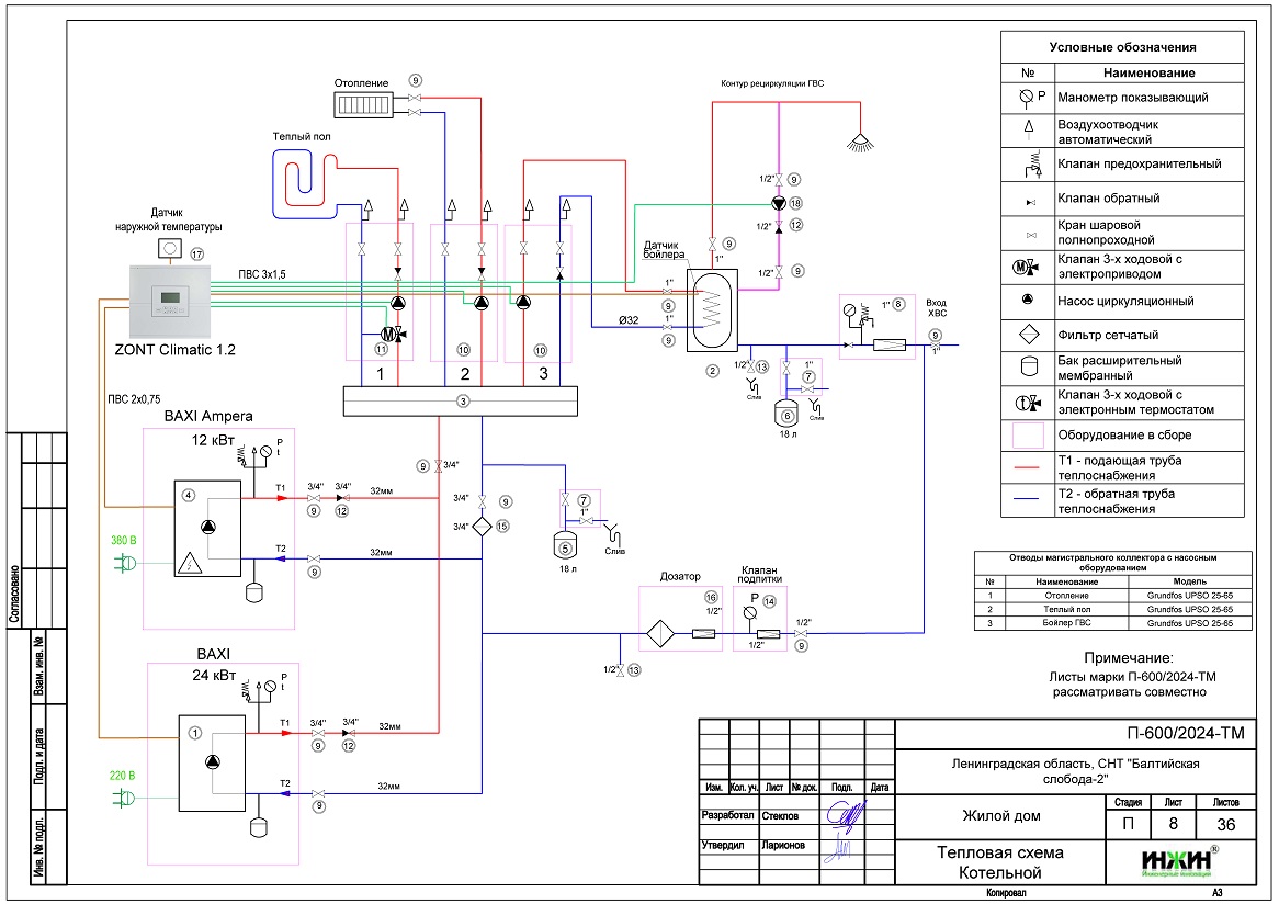
2. Тепломеханическая схема котельной с размещением оборудования в отдельном помещении каркасного дома.
3. Комплект поэтажных чертежей радиаторного отопления, водоснабжения, канализации и теплого пола дома в СНТ "Балтийская Слобода".
4. Теплотехнический расчет отопления каркасного дома.
5. Спецификация материалов и оборудования по котельной, водоснабжению, канализации и отоплению дома в Ленинградской области.
Объем проекта отопления дома в Ленинградской области: 36 листов.
Описание проекта отопления и котельной частного дома 137 м.кв. в СНТ "Балтийская Слобода".
Котельная частного дома в СНТ "Балтийская Слобода" Ленинградской области(проект котельной бесплатно).
o Размещена в отдельном помещении дома 137 м.кв.;
o Теплогенератор - основной настенный газовый котел BAXI ECO-4S, мощностью 24 кВт, резервный - электрический котел Baxi Ampera, 12 кВт;
o Контуры теплоснабжения котельной – радиаторное отопление дома, теплый пол, горячее водоснабжение предусмотрено при помощи накопительного бойлера STOUT, объемом 200 литров;
o Расширительные баки отопления и бойлера Flamco, объемом 18 литров каждый;
o Дымоудаление принудительное, дымоход коаксиальный, комплект для горизонтального прохода через стену, диаметр 60/100 мм;
o Распределительный коллектор - STOUT с насосными группами и встроенным гидравлическим разделителем;
o Автоматика котельной – контроллер ZONT Climatic 1.2 со встроенным GSM-модулем.
Отопление дома в СНТ "Балтийская Слобода" Ленинградской области (проект отопления дома).
o Выполнен теплотехнический расчет отопления каркасного дома (утеплитель стен, кровли и пола - пенополистирол 150 и 200 мм) с учетом теплопотерь через ограждающие конструкции при наружной температуре -26°С для Ленинградскойобласти (по СП 131.13330.2020), расчетный расход тепла на отопление дома составил 9,92 кВт, удельные теплопотери 75,5 Вт/м.кв.;
o Подобраны приборы для отопления дома: стальные панельные радиаторы Kermi с нижним подключением и встроенные в пол конвекторы Varmann;
o Схема радиаторного отопления дома двухтрубная, коллекторно-лучевая, с принудительной циркуляцией теплоносителя и температурным графиком 80/60°С;
o Трубы отопления из полиэтилена Valtec;
o Теплоизоляция трубопроводов отопления Valtec, толщиной 6мм;
o Теплоноситель в системе радиаторного отопления дома – подготовленная вода.
Водяной теплый пол дома в СНТ "Балтийская Слобода" (проект теплого пола).
o Водяной теплый пол в доме предусмотрен на площади 50 м.кв., 8 петель, коллектор теплого пола Valtec на 8 отводов;
o Предусмотрен насосно-смесительный узел для теплоснабжения водяного теплого пола в котельной;
o Трубопроводы теплого пола – сшитый полиэтилен Valtec, основание - плиты пенополистирольные с покрытием и фиксирующими бобышками EasyFix L (Формат);
o Регулирование температуры теплого пола - общее, на смесительном узле и а также зональное, по помещениям, при помощи электронных комнатных хронотермостатов с Wi-Fi (Valtec).
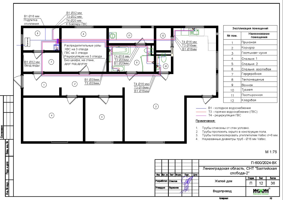
Внутренний водопровод дома в СНТ "Балтийская Слобода" (проект водоснабжения).
o Схема внутреннего водоснабжения дома – коллекторно-лучевая с рециркуляцией горячей воды через водяные полотенцесушители, выполнен расчет 22-х точек водоснабжения и полотенцесушителей;
o Трубопроводы системы водоснабжения – из сшитого полиэтилена Valtec;
o Теплоизоляция трубопроводов Valtec, толщиной 6мм.
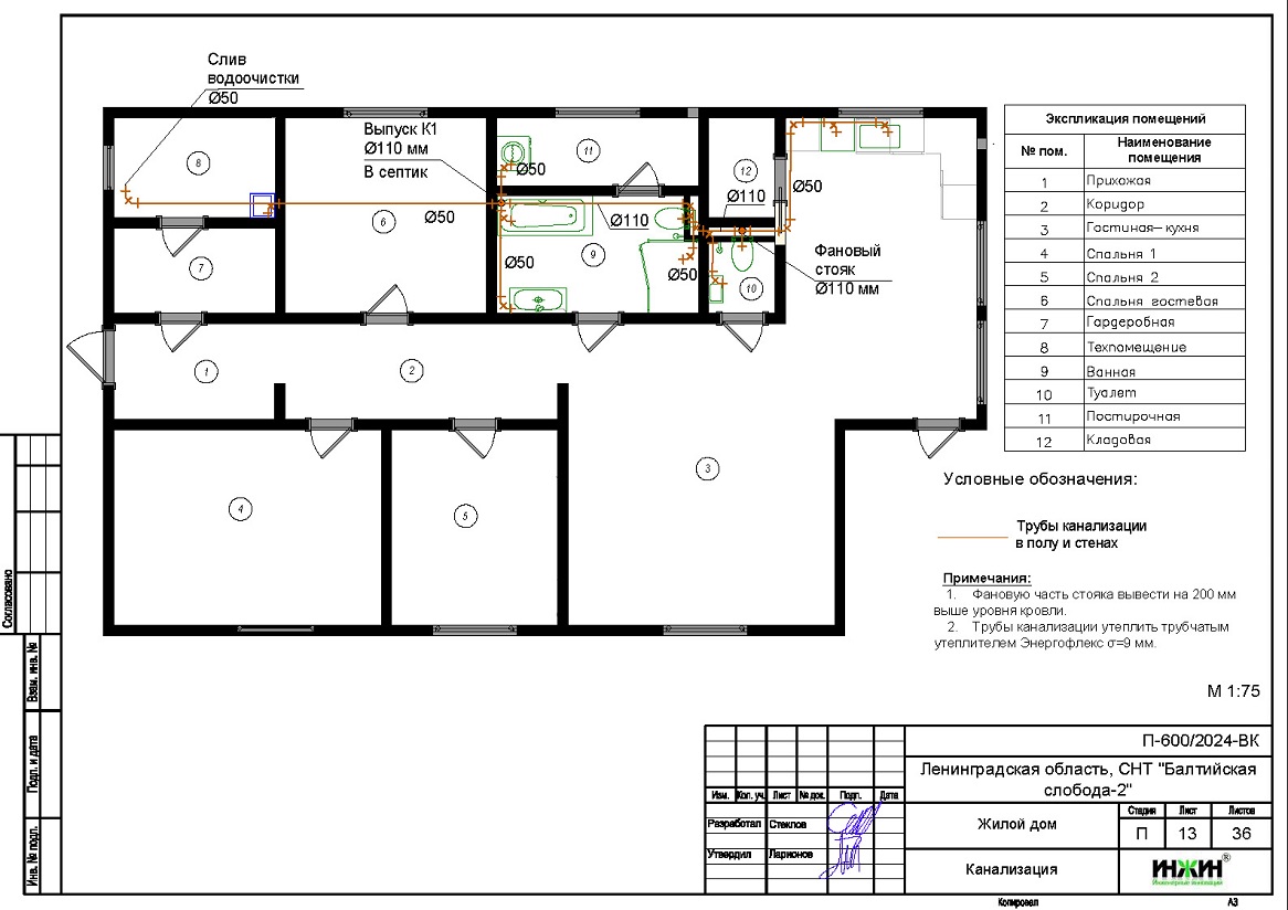
Внутренняя канализация (проект канализации) дома в СНТ "Балтийская Слобода" Ленинградской области.
o Безнапорная, отвод стоков от санитарно-технических приборов предусмотрен в септик;
o Произведен расчет 11-ти точек бытовой канализации;
o Канализационные трубы Синикон, раструбные, из полипропилена.



















