Выполненные проекты
Проект отопления дома 258 м.кв в Новом Уренгое
Объект: частный дом из газобетона, общей площадью 258 м.кв., расположенный в г. Новый Уренгой, Ямало-Ненецкого АО
Вариант отопления: «Комфортный+»
Цена проекта отопления и водоснабжения: 32 996 руб. со скидкой 10%, проект котельной - бесплатно.
Проект котельной, отопления и водоснабжения выполнен: 18.09.2024
Состав проекта котельной, отопления и водоснабжения дома в Новом Уренгое:
1. Пояснительная записка проекта, общие данные по системам отопления и водоснабжения дома 258 м.кв. в Новом Уренгое.
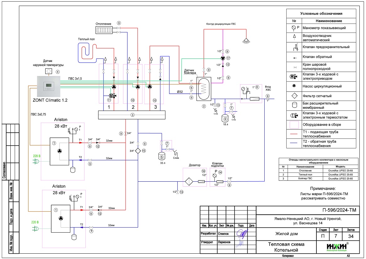
2. Тепломеханическая схема котельной с размещением оборудования в отдельном помещении дома из газобетона.
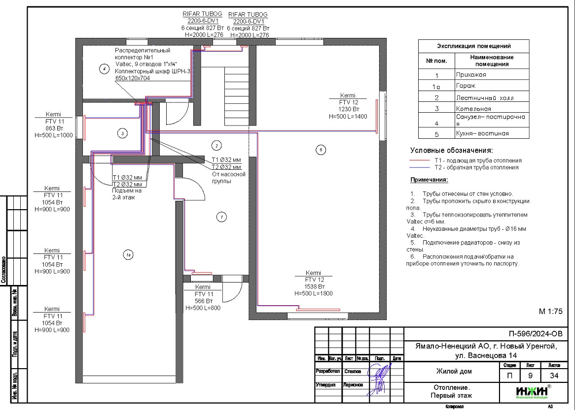
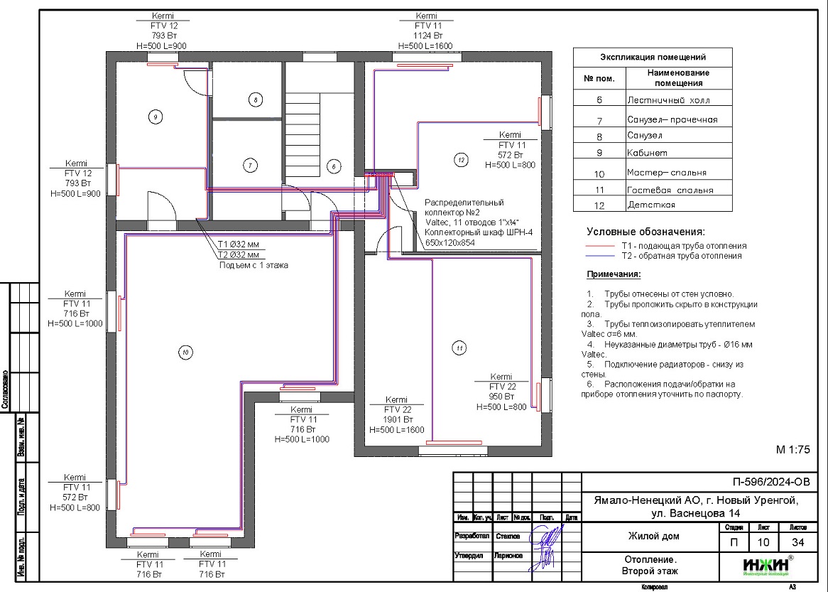
3. Комплект поэтажных чертежей радиаторного отопления дома в Новом Уренгое.
4. Комплект чертежей теплого пола на площади 139 м.кв.
5. Типовые схемы системы отопления дома 258 м.кв.
6. Теплотехнический расчет отопления дома из газобетона.
7. Спецификация материалов и оборудования по котельной, отоплению дома в Новом Уренгое.
Объем проекта отопления и водоснабжения дома в Новом Уренгое: 34 листа.
Описание проекта отопления, котельной и водоснабжения частного дома 258 м.кв. в Новом Уренгое.
Котельная частного дома в Новом Уренгое(проект котельной бесплатно).
o Размещена в отдельном помещении первого этажа дома 258 м.кв.;
o Теплогенераторы - каскад из двух настенных газовых котлов Ariston CLAS X SYSTEM, мощностью 28 кВт каждый;
o Контуры теплоснабжения котельной – радиаторное отопление дома, теплый пол дома и горячее водоснабжение, для которого предусмотрен накопительный бойлер STOUT, объемом 200 литров;
o Расширительные баки отопления и бойлера Flamco, объемом 35 и 18 литров, соответственно;
o Дымоудаление естественное, дымоход из нержавеющей стали, комплект для вертикального прохода через кровлю (отдельно для каждого котла), диаметр 130 мм;
o Распределительный коллектор - STOUT с насосными группами и встроенным гидравлическим разделителем;
o Автоматика котельной – контроллер ZONT Climatic 1.2 со встроенным GSM-модулем.
Отопление дома в Новом Уренгое (проект отопления дома).
o Выполнен теплотехнический расчет отопления дома (утеплитель кровли и стен дома - минвата 300мм и 150мм, соответственно) с учетом теплопотерь через ограждающие конструкции при наружной температуре -48°С для Нового Уренгоя (по СП 131.13330.2020), расчетный расход тепла на отопление дома составил 25,85 кВт, удельные теплопотери 97,4 Вт/м.кв.;
o Подобраны приборы для отопления дома: стальные панельные радиаторы Kermiс нижним подключением и трубчатые дизайн-радиаторы Rifar TUBOG;
o Схема радиаторного отопления основного и гостевого дома двухтрубная, коллекторно-лучевая, с принудительной циркуляцией теплоносителя и температурным графиком 80/60°С;
o Трубы отопления из сшитого полиэтилена Valtec;
o Теплоизоляция трубопроводов отопления Valtec, толщиной 6мм;
o Теплоноситель в системе радиаторного отопления дома – вода, предусмотрены средства защиты от накипи.
Водяной теплый пол дома в Новом Уренгое (проект теплого пола).
o Водяной теплый пол в доме предусмотрен на площади 139 м.кв., коллектор теплого пола Valtec на 11 отводов, всего 19 петель;
o Предусмотрен насосно-смесительный узел для теплоснабжения водяного теплого пола дома (на коллекторе котельной);
o Трубопроводы теплого пола из сшитого полиэтилена Valtec;
o Регулирование температуры теплого пола - общее, регулятором на смесительной группе, а также зональное, по помещениям, при помощи электронных термостатов Valtec VT.АС 712.
Для этого дома в Новом Уренгое выполнен проект электрики.



















