Выполненные проекты
Проект отопления дома в г.о. Сергиев Посад
Объект: частный одноэтажный дом, общей площадью 102 м.кв., расположенный в дер. Смена, г.о. Сергиев Посад Московской области
Вариант отопления:«Комфортный»
Цена проекта отопления: 27 304 руб. со скидкой 10%, проект котельной - бесплатно.
Проект котельной и отопления выполнен: 21.01.2025
Состав проекта котельной, отопления, водоснабжения, канализации и теплого пола дома в дер. Смена.
1. Пояснительная записка проекта, общие данные по системе отопления дома 102 м.кв. в дер. Смена.
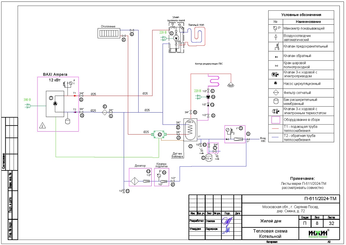
2. Тепломеханическая схема котельной с размещением оборудования в отдельном помещении газобетонногодома.
3. Комплект поэтажных чертежей радиаторного отопления дома в дер. Смена.
4. Комплект чертежей теплого пола на площади 100 м.кв.
5. Комплект чертежей водоснабжения и канализации частного дома в дер. Смена.
6. Типовые схемы системы отопления канализации и водоснабжения дома 102 м.кв.
7. Теплотехнический расчет отопления газобетонного дома.
8. Спецификация материалов и оборудования по котельной, отоплению, канализации и водоснабжению дома в дер. Смена.
Объем проекта отопления дома в дер. Смена: 32 листа.
Описание проекта отопления, водоснабжения, канализации и котельной частного дома 102 м.кв. в дер. Смена.
Котельная частного дома в дер. Смена(проект котельной бесплатно).
o Размещена в отдельном помещении дома 102 м.кв.;
o Теплогенератор - настенный электрический котел BAXI AMPERA Plusмощностью 12 кВт;
o Контуры теплоснабжения котельной – радиаторное отопление дома, теплый пол и горячее водоснабжение, для которого предусмотрен накопительный бойлер STOUT, объемом 200 литров;
o Расширительный бак бойлера Flamco, объемом 18 литров, отопления - встроен в котел;
o Дымоход не предусмотрен;
o Распределительный коллектор в котельной не предусмотрен;
o Автоматика котельной встроена в котел.
Отопление дома в дер. Смена (проект отопления дома).
o Выполнен теплотехнический расчет отопления каркасного дома (утеплитель кровли - минвата 150 мм) с учетом теплопотерь через ограждающие конструкции при наружной температуре -26°С для Московскойобласти (по СП 131.13330.2020), расчетный расход тепла на отопление дома составил 10,1 кВт, удельные теплопотери 107,3 Вт/м.кв.;
o Подобраны приборы для отопления дома: стальные панельные радиаторы Kermi с нижним подключением;
o Схема радиаторного отопления дома коллекторно-лучевая, с принудительной циркуляцией теплоносителя и температурным графиком 80/60°С;
o Трубы отопления из сшитого полиэтилена Valtec;
o Теплоизоляция трубопроводов отопления Valtec, толщиной 6мм;
o Теплоноситель в системе радиаторного отопления дома – подготовленная вода.
Водяной теплый пол дома в дер. Смена (проект теплого пола).
o Водяной теплый пол в доме предусмотрен на площади 100 м.кв., 8 петель, коллектор теплого пола Valtec на 8 отводов;
o Предусмотрен насосно-смесительный узел для теплоснабжения водяного теплого пола (на контуре отопления);
o Трубопроводы теплого пола – сшитый полиэтилен Valtec, основание - плиты пенополистирольные с покрытием и фиксирующими бобышками EasyFix L (Формат);
o Регулирование температуры теплого пола - общее, на смесительном узле,
Внутренний водопровод дома в дер. Смена (проект водоснабжения).
o Схема внутреннего водоснабжения дома – коллекторно-лучевая с рециркуляцией горячей воды через водяные полотенцесушители, выполнен расчет 12-ти точек водоснабжения и полотенцесушителей;
o Трубопроводы системы водоснабжения – из сшитого полиэтилена Valtec;
o Теплоизоляция трубопроводов Valtec, толщиной 6мм.
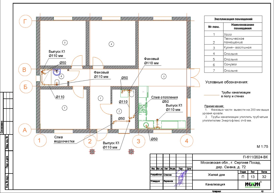
Внутренняя канализация (проект канализации) дома в дер. Смена.
o Безнапорная, отвод стоков от санитарно-технических приборов предусмотрен в септик;
o Произведен расчет 9-ти точек бытовой канализации;
o Канализационные трубы Синикон, раструбные, из полипропилена.
Заказать в нашей компании проект отопления, водоснабжения и канализации загородного дома дистанционно со скидкой.
Для этого дома в дер. Сменавыполнен проект электроснабжения и освещения.



















