Выполненные проекты
Проект отопления дома в КП «Еремеево Лайф»
Объект: двухэтажный дом из газобетона, площадью площадью 160 м.кв., расположенный в КП «Еремеево Лайф», Истринского района Московской области
Вариант отопления: «Комфортный+»
Цена проекта отопления, канализации и водоснабжения: 24 516 руб. со скидкой 10%, проект котельной - бесплатно.
Проект котельной, отопления, водоснабжения и канализации выполнен: 06.02.2025
Состав проекта котельной, отопления, канализации и водоснабжения дома в КП «Еремеево Лайф»:
1. Пояснительная записка проекта, общие данные по системам отопления, канализации и водоснабжения дома 160 м.кв. в КП «Еремеево Лайф».
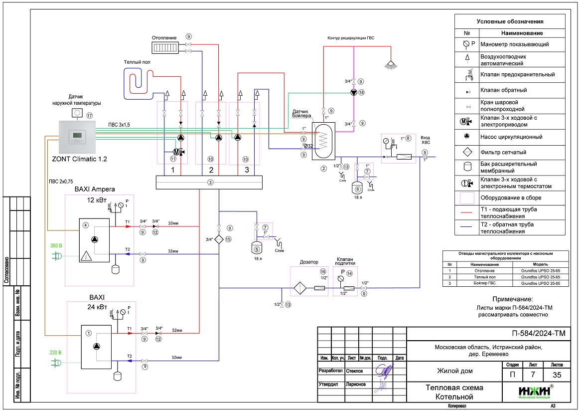
2. Тепломеханическая схема котельной с размещением оборудования в отдельном помещении дома из газобетона.
3. Комплект поэтажных чертежей радиаторного отопления дома в КП «Еремеево Лайф».
4. Комплект чертежей теплого пола на площади 60 м.кв.
5. Комплект чертежей водоснабжения и канализации частного дома из газобетона в КП «Еремеево Лайф».
6. Типовые схемы системы отопления канализации и водоснабжения дома 160 м.кв.
7. Теплотехнический расчет отопления дома из газобетона.
8. Спецификация материалов и оборудования по котельной, отоплению и водоснабжению дома в КП «Еремеево Лайф».
Объем проекта отопления и водоснабжения дома в КП «Еремеево Лайф»: 35 листов.
Описание проекта отопления, котельной, канализации и водоснабжения частного дома 160 м.кв. в КП «Еремеево Лайф».
Котельная частного дома в КП «Еремеево Лайф»(проект котельной бесплатно).
o Размещена в отдельном помещении дома 160м.кв.;
o Теплогенераторы - настенный газовый котел Baxi ECO-4S, мощностью 24 кВт (основной), настенный электрический котел BAXI AMPERA Plus, мощностью 12 кВт (резервный);
o Контуры теплоснабжения котельной – радиаторное отопление дома, теплый пол и горячее водоснабжение, для которого предусмотрен накопительный бойлер STOUT, объемом 200 литров;
o Расширительные баки отопления и бойлера Flamco, объемом 18 литров каждый;
o Дымоудаление принудительное, дымоход раздельный, в строительной шахте;
o Распределительный коллектор - STOUT с насосными группами и встроенной гидрострелкой;
o Автоматика котельной – контроллер ZONT Climatic 1.2 со встроенным GSM-модулем.
Отопление дома в КП «Еремеево Лайф» (проект отопления дома).
o Выполнен теплотехнический расчет отопления дома из газобетона (утеплитель кровли - минвата 250мм) с учетом теплопотерь через ограждающие конструкции при наружной температуре -26°С для Московской области (по СП 131.13330.2020), расчетный расход тепла на отопление дома составил 13,75 кВт, удельные теплопотери 77 Вт/м.кв.;
o Подобраны приборы для отопления дома: секционные трубчатые радиаторы RIFAR TUBOG с нижним подключением, а также встроенные в пол конвекторы Varmann;
o Схема радиаторного отопления дома двухтрубная, коллекторно-лучевая, с принудительной циркуляцией теплоносителя и температурным графиком 80/60°С;
o Трубы отопления из сшитого полиэтилена Valtec;
o Теплоизоляция трубопроводов отопления Valtec, толщиной 6мм;
o Теплоноситель в системе радиаторного отопления дома – подготовленная вода, предусмотрены средства защиты от образования накипи.
Водяной теплый пол дома в КП «Еремеево Лайф»(проект теплого пола).
o Водяной теплый пол в доме предусмотрен на площади 60 м.кв., коллектор теплого пола Valtec на 8 отводов, всего 8 петель;
o Предусмотрен насосно-смесительный узел для теплоснабжения водяного теплого пола дома - в составе насосной группы;
o Трубопроводы теплого пола – сшитый полиэтилен Valtec;
o Регулирование температуры теплого пола - общее, регулятором на смесительной группе и локальное - помещениям при помощи комнатных Wi-Fi термостатов Valtec.
Внутренний водопровод дома в КП «Еремеево Лайф»(проект водоснабжения).
o Схема внутреннего водоснабжения дома – коллекторно-лучевая с рециркуляцией горячей воды через водяные полотенцесушители, выполнен расчет 23-х точек водоснабжения и полотенцесушителей;
o Трубопроводы системы водоснабжения – из сшитого полиэтилена Valtec;
o Теплоизоляция трубопроводов Valtec, толщиной 6мм.
Для этого дома в КП «Еремеево Лайф»выполнен проект электрики.



















