Выполненные проекты
Проект отопления дома в дер. Соболиха
Объект: частный дом из газобетона, общей площадью 98 м.кв., расположенный в дер. Соболиха Московской области (г. Железнодорожный)
Вариант отопления: «Комфортный»
Цена проекта отопления и водоснабжения: 17 183 руб. со скидкой 10%, проект котельной - бесплатно.
Проект котельной, отопления и водоснабжения выполнен: 14.04.2025
Состав проекта котельной, отопления и водоснабжения дома в дер. Соболиха Московской области (г. Железнодорожный):
1. Пояснительная записка проекта, общие данные по системам отопления и водоснабжения дома 98 м.кв. в дер. Соболиха Московской области.
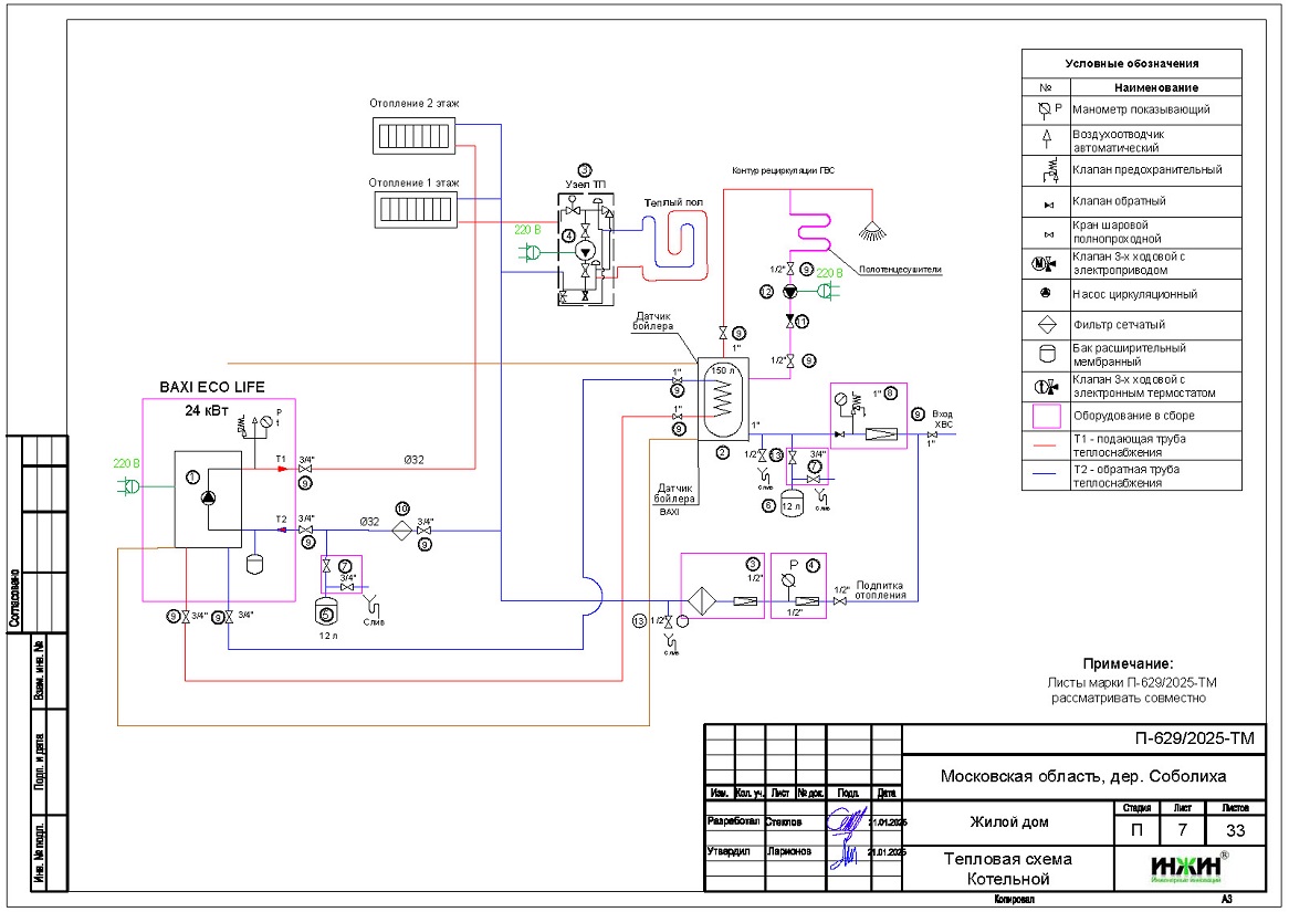
2. Тепломеханическая схема котельной с размещением оборудования в отдельном помещении дома из газобетона.
3. Комплект поэтажных чертежей радиаторного отопления дома в дер. Соболиха Московской области.
4. Комплект чертежей теплого пола на площади 50 м.кв.
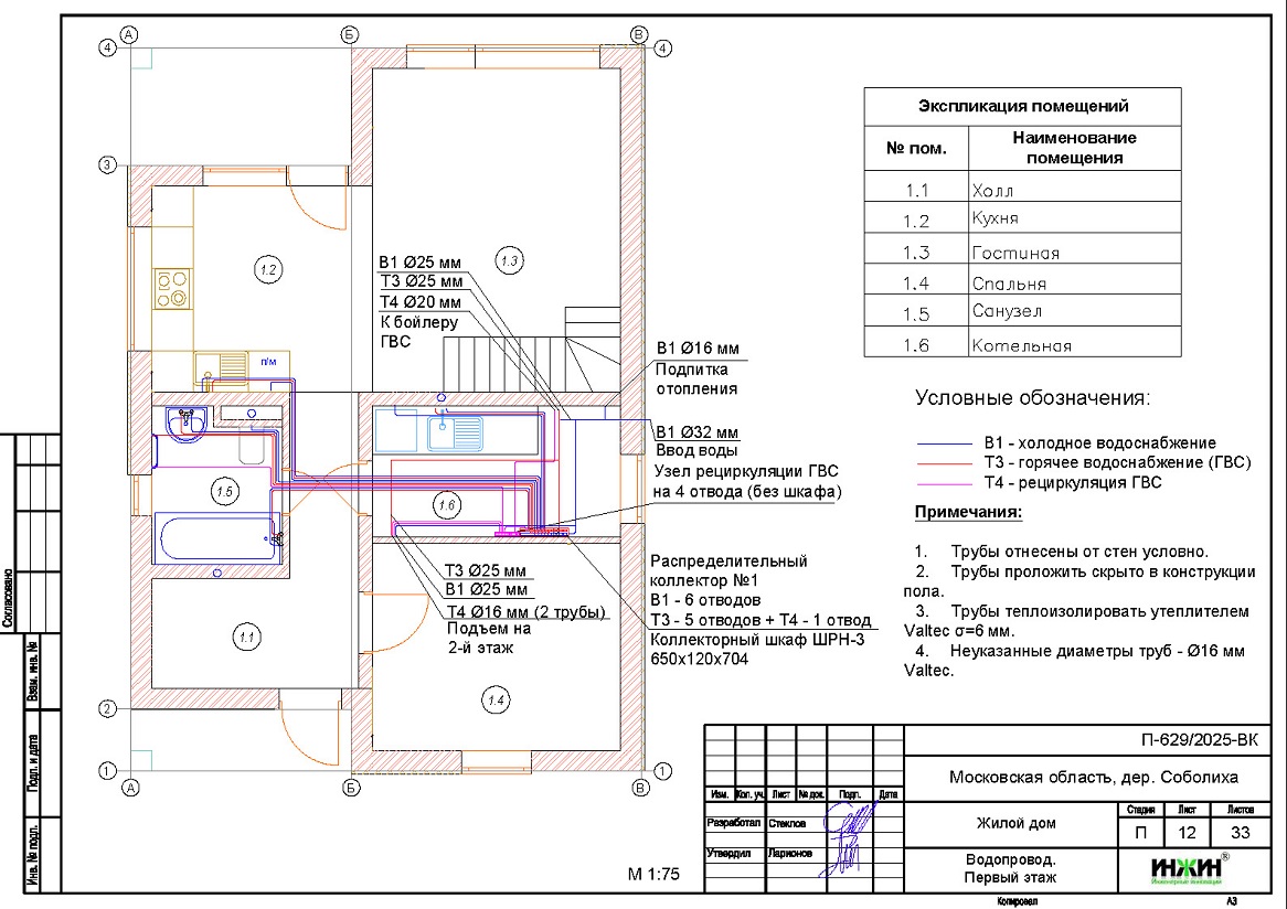
5. Комплект чертежей водоснабжения и канализации частного дома из газобетона в дер. Соболиха Московской области.
6. Типовые схемы системы отопления канализации и водоснабжения дома 98 м.кв.
7. Теплотехнический расчет отопления дома из газобетона.
8. Спецификация материалов и оборудования по котельной, отоплению, канализации и водоснабжению дома в дер. Соболиха Московской области.
Объем проекта отопления и водоснабжения дома в дер. Соболиха Московской области: 33 листа.
Описание проекта отопления, котельной и водоснабжения частного дома 98 м.кв. в дер. Соболиха Московской области.
Котельная частного дома в дер. Соболиха Московской области области(проект котельной бесплатно).
o Размещена в отдельном помещении первого этажа дома 98 м.кв.;
o Теплогенератор - настенный газовый котел BAXI ECO Life, мощностью 24 кВт;
o Контуры теплоснабжения котельной – радиаторное отопление дома, теплый пол дома и горячее водоснабжение, для которого предусмотрен накопительный бойлер STOUT, объемом 150 литров;
o Расширительные баки отопления и бойлера Flamco, объемом 18 и 12 литров, соответственно;
o Дымоудаление принудительное, дымоход коаксиальный, в исполнении "через стену";
o Распределительный коллектор - STOUT с насосными группами и гидравлическим разделителем;
o Автоматика котельной – встроена в котёл.
Отопление дома в дер. Соболиха Московской области (проект отопления дома).
o Выполнен теплотехнический расчет отопления дома (утеплитель кровли дома - базальтовая вата 200мм) с учетом теплопотерь через ограждающие конструкции при наружной температуре -26°С для Московской области (по СП 131.13330.2020), расчетный расход тепла на отопление дома составил 9,45 кВт, удельные теплопотери 96,5 Вт/м.кв.;
o Подобраны приборы для отопления дома: стальные панельные радиаторы Kermi с нижним подключением;
o Схема радиаторного отопления основного и гостевого дома двухтрубная, коллекторно-лучевая, с принудительной циркуляцией теплоносителя и температурным графиком 80/60°С;
o Трубы отопления из сшитого полиэтилена Valtec;
o Теплоизоляция трубопроводов отопления Valtec, толщиной 6мм;
o Теплоноситель в системе радиаторного отопления дома – вода.
Водяной теплый пол дома в дер. Соболиха Московской области (проект теплого пола).
o Водяной теплый пол в доме предусмотрен на площади 50 м.кв., коллектор теплого пола Valtec на 6 отводов, всего 6 петель;
o Предусмотрен насосно-смесительный узел для теплоснабжения водяного теплого пола на контуре отопления;
o Трубопроводы теплого пола из сшитого полиэтилена Valtec;
o Регулирование температуры теплого пола - общее, регулятором на смесительном узле.
Внутренний водопровод дома в дер. Соболиха Московской области (проект водоснабжения).
o Схема внутреннего водоснабжения дома – коллекторно-лучевая с рециркуляцией горячей воды через проходные водорозетки, выполнен расчет 20-ти точек водоснабжения и полотенцесушителей;
o Трубопроводы системы водоснабжения – из сшитого полиэтилена Valtec;
o Теплоизоляция трубопроводов Valtec, толщиной 6мм.
Заказать в нашей компании проект отопления, водоснабжения и канализации загородного дома дистанционно со скидкой.
По этому проекту выполнен монтаж систем отопления и водоснабжения.



















