Выполненные проекты
Проект отопления дома в с. Заозерье, Республика Карелия
Объект: двухэтажный дом из газобетона, площадью площадью 100 м.кв., расположенный в с. Заозерье, Прионежского района, Республика Карелия
Вариант отопления: «Комфортный»
Цена проекта отопления, канализации и водоснабжения: 19 044 руб. со скидкой 10%, проект котельной - бесплатно.
Проект котельной, отопления и водоснабжения выполнен: 09.04.2025
Состав проекта котельной, отопления и водоснабжения дома в с. Заозерье, Республика Карелия:
1. Пояснительная записка проекта, общие данные по системам отопления и водоснабжения дома 100 м.кв. в с. Заозерье, Республика Карелия.
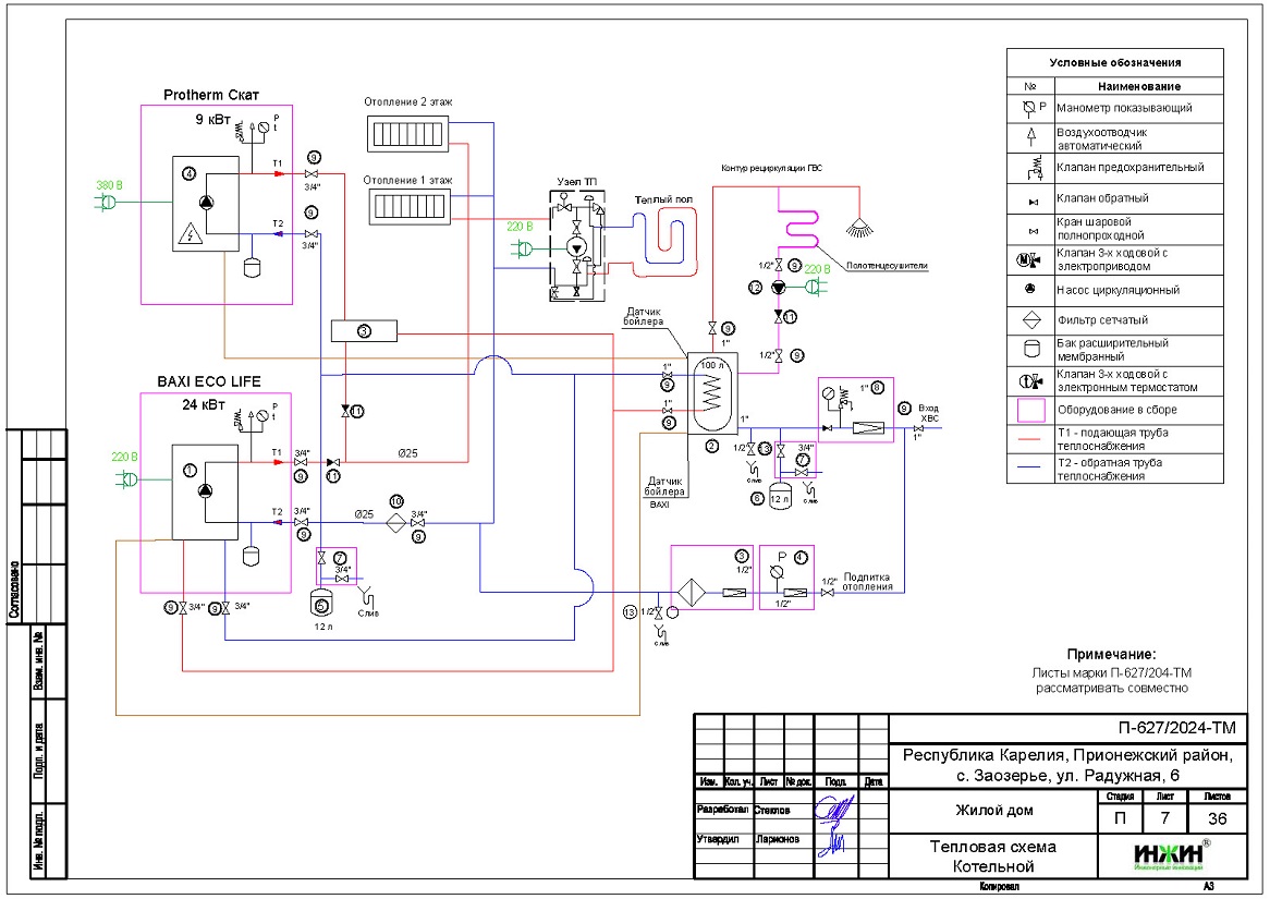
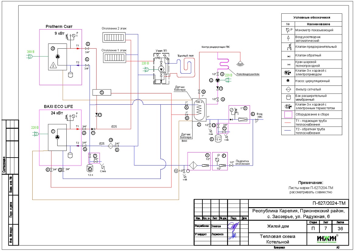
2. Тепломеханическая схема котельной с размещением оборудования в отдельном помещении дома из газобетона.
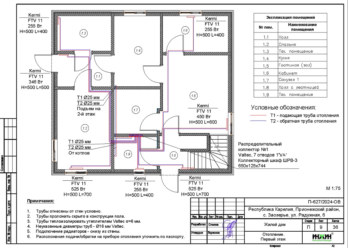
3. Комплект поэтажных чертежей радиаторного отопления дома в с. Заозерье, Республика Карелия.
4. Комплект чертежей теплого пола на площади 72 м.кв.
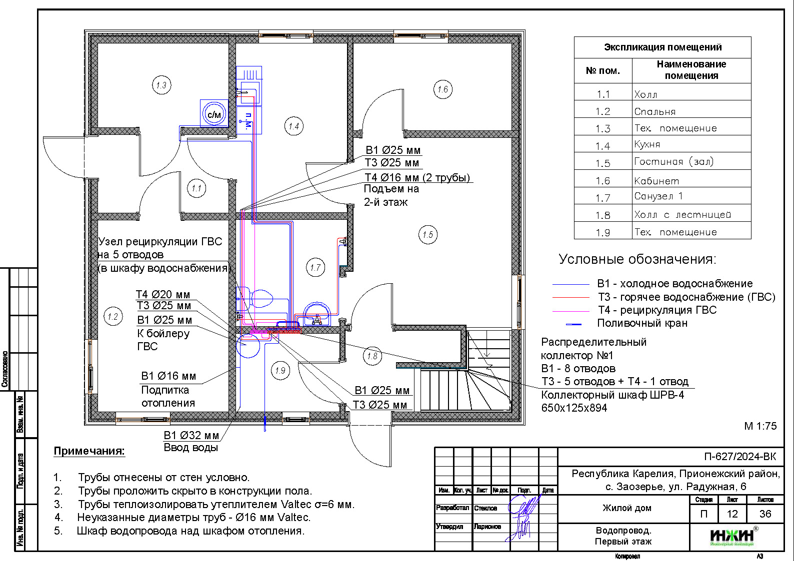
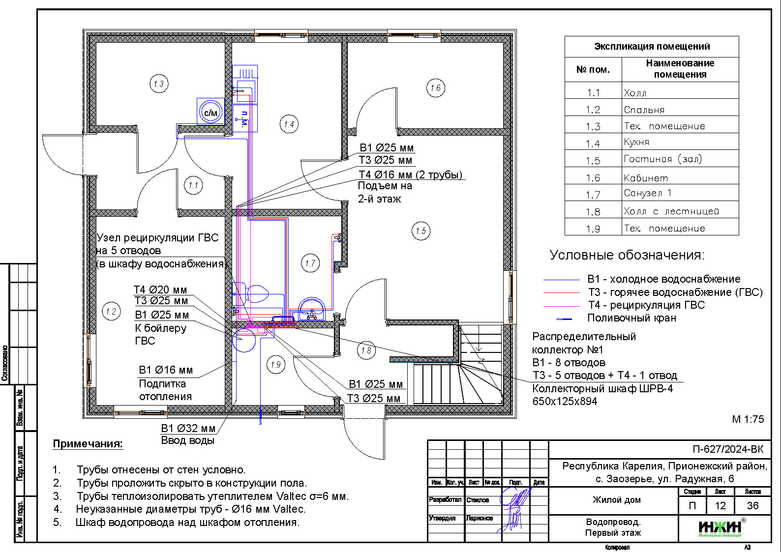
5. Комплект чертежей водоснабжения и канализации частного дома из газобетона в с. Заозерье, Республика Карелия.
6. Типовые схемы системы отопления и водоснабжения дома 100 м.кв.
7. Теплотехнический расчет отопления дома из газобетона.
8. Спецификация материалов и оборудования по котельной, отоплению и водоснабжению дома в с. Заозерье, Республика Карелия.
Объем проекта отопления и водоснабжения дома в с. Заозерье, Республика Карелия: 36 листов.
Описание проекта отопления, котельной, канализации и водоснабжения частного дома 100 м.кв. в с. Заозерье, Республика Карелия.
Котельная частного дома в с. Заозерье, Республика Карелия(проект котельной бесплатно).
o Размещена в отдельном помещении дома 160м.кв.;
o Теплогенераторы - настенный газовый котел Baxi ECO Life, мощностью 24 кВт (основной), настенный электрический котел Protherm Скат, мощностью 9 кВт (резервный);
o Контуры теплоснабжения котельной – радиаторное отопление дома, теплый пол и горячее водоснабжение, для которого предусмотрен накопительный бойлер STOUT, объемом 100 литров;
o Расширительные баки отопления и бойлера Flamco, объемом 12 литров каждый;
o Дымоудаление принудительное, дымоход коаксиальный, размещение "через стену";
o Распределительный коллектор не предусмотрен;
o Автоматика котельной – встроена в котлы.
Отопление дома в с. Заозерье, Республика Карелия (проект отопления дома).
o Выполнен теплотехнический расчет отопления дома из газобетона (утеплитель стен и кровли дома - каменная вата 100 и 200мм, соответственно) с учетом теплопотерь через ограждающие конструкции при наружной температуре -28°С для Петрозаводской области (по СП 131.13330.2020), расчетный расход тепла на отопление дома составил 7,96 кВт, удельные теплопотери 73,5 Вт/м.кв.;
o Подобраны приборы для отопления дома: стальные панельные радиаторы Kermi с нижним подключением;
o Схема радиаторного отопления дома двухтрубная, коллекторно-лучевая, с принудительной циркуляцией теплоносителя и температурным графиком 80/60°С;
o Трубы отопления из сшитого полиэтилена Valtec;
o Теплоизоляция трубопроводов отопления Valtec, толщиной 6мм;
o Теплоноситель в системе радиаторного отопления дома – подготовленная вода, предусмотрены средства защиты от образования накипи.
Водяной теплый пол дома в с. Заозерье, Республика Карелия(проект теплого пола).
o Водяной теплый пол в доме предусмотрен на площади 72 м.кв., коллектор теплого пола Valtec на 10 отводов, всего 10 петель;
o Предусмотрен насосно-смесительный узел для теплоснабжения водяного теплого пола дома - на контуре отопления;
o Трубопроводы теплого пола – сшитый полиэтилен Valtec;
o Регулирование температуры теплого пола - общее, регулятором на смесительном узле.
Внутренний водопровод дома в с. Заозерье, Республика Карелия(проект водоснабжения).
o Схема внутреннего водоснабжения дома – коллекторно-лучевая с рециркуляцией горячей воды через водяные полотенцесушители, выполнен расчет 20-ти точек водоснабжения и полотенцесушителей;
o Трубопроводы системы водоснабжения – из сшитого полиэтилена Valtec;
o Теплоизоляция трубопроводов Valtec, толщиной 6мм.



















