Выполненные проекты
Проект отопления дома в СНТ "Гжель" (140 м.кв.)
Объект: двухэтажный дом из газобетона, площадью 140 м.кв., расположенный в СНТ "Гжель", Раменского района Московской области
Вариант отопления: «Комфортный+»
Цена проекта отопления, канализации и водоснабжения: 36 234 руб. со скидкой 10%, проект котельной - бесплатно.
Проект котельной, отопления, водоснабжения и канализации выполнен: 23.05.2025
Состав проекта котельной, отопления, канализации и водоснабжения дома в СНТ "Гжель":
1. Пояснительная записка проекта, общие данные по системам отопления, канализации и водоснабжения дома 140 м.кв. в СНТ "Гжель".
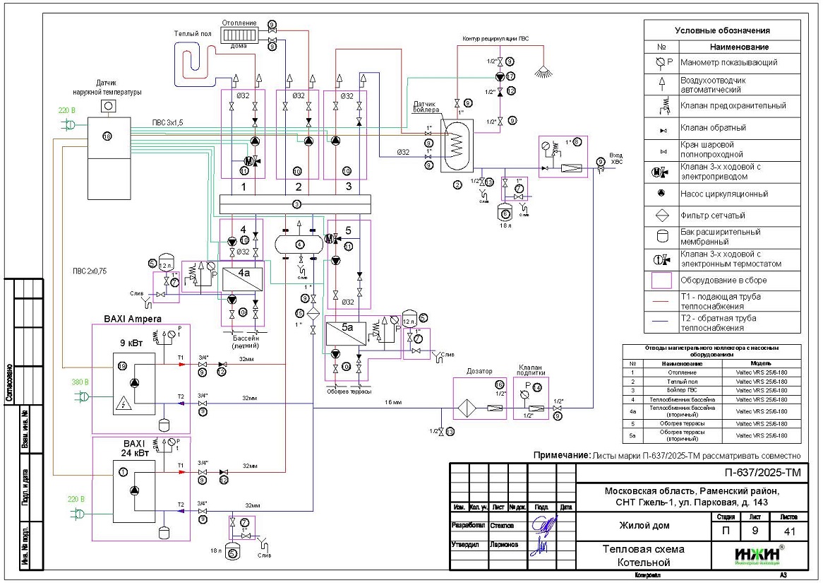
2. Тепломеханическая схема котельной с размещением оборудования в отдельном помещении дома из газобетона.
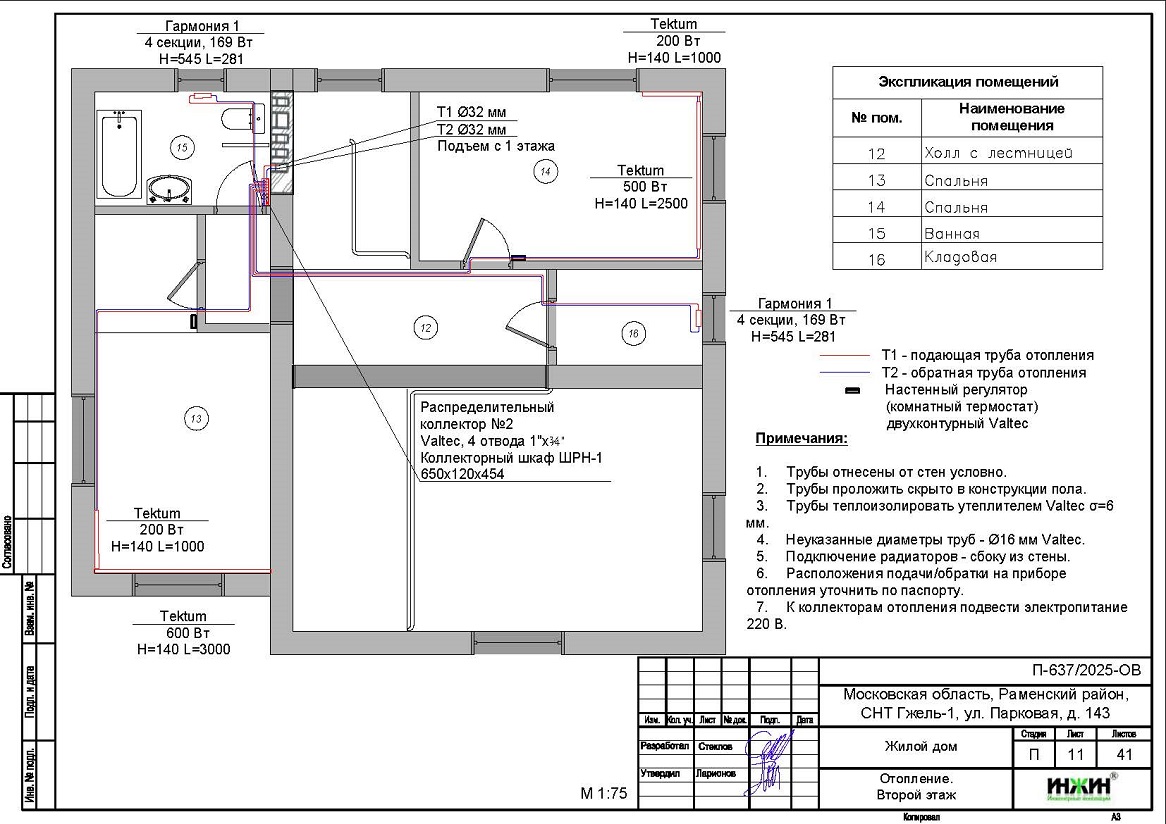
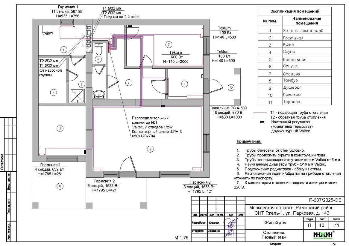
3. Комплект поэтажных чертежей радиаторного отопления дома в СНТ "Гжель".
4. Комплект чертежей теплого пола на площади 120 м.кв.
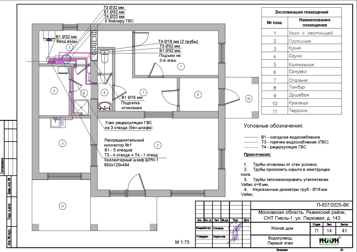
5. Комплект чертежей водоснабжения и канализации частного дома из газобетона в СНТ "Гжель".
6. Типовые схемы системы отопления канализации и водоснабжения дома 140м.кв.
7. Теплотехнический расчет отопления дома из газобетона.
8. Спецификация материалов и оборудования по котельной, отоплению, канализации и водоснабжению дома в СНТ "Гжель".
Объем проекта отопления, канализации и водоснабжения дома в СНТ "Гжель": 41 лист.
Описание проекта отопления, котельной, канализации и водоснабжения частного дома 140 м.кв. в СНТ "Гжель".
Котельная частного дома в СНТ "Гжель"(проект котельной бесплатно).
o Размещена в отдельном помещении дома 140м.кв.;
o Теплогенераторы - настенный газовый котел Baxi LUNA Platinum+, мощностью 24 кВт (основной), настенный электрический котел BAXI AMPERA Plus, мощностью 9 кВт (резервный);
o Контуры теплоснабжения котельной – радиаторное отопление дома, теплый пол, теплообменник летнего бассейна, обогрев наружных поверхностей (террасы) и горячее водоснабжение, для которого предусмотрен накопительный бойлер STOUT, объемом 200 литров;
o Расширительные баки отопления и бойлера Flamco, объемом 18 литров каждый;
o Дымоудаление естественное, дымоход раздельный, 80/80, в строительной шахте;
o Распределительный коллектор - STOUT с насосными группами и отдельной гидрострелкой;
o Автоматика котельной – контроллер ZONT Climatic 1.3 со встроенным GSM-модулем и блоком расширения ЕХ-77.
Отопление дома в СНТ "Гжель" (проект отопления дома).
o Выполнен теплотехнический расчет отопления дома из газобетона (утеплитель кровли - эковата 250мм) с учетом теплопотерь через ограждающие конструкции при наружной температуре -26°С для Московской области (по СП 131.13330.2020), расчетный расход тепла на отопление дома составил 14,37 кВт, удельные теплопотери 96,3 Вт/м.кв.;
o Подобраны приборы для отопления дома: трубчатые дизайн-радиаторы "Гармония" (КЗТО) с боковым подключением, а также водный тёплый плинтус Mr. Tektum;
o Схема радиаторного отопления дома двухтрубная, коллекторно-лучевая, с принудительной циркуляцией теплоносителя и температурным графиком 80/60°С;
o Трубы отопления из сшитого полиэтилена Valtec;
o Теплоизоляция трубопроводов отопления Valtec, толщиной 6мм;
o Теплоноситель в системе радиаторного отопления дома – подготовленная вода, предусмотрены средства защиты от образования накипи.
Водяной теплый пол дома в СНТ "Гжель"(проект теплого пола).
o Водяной теплый пол в доме предусмотрен на площади 120 м.кв., коллекторы теплого пола Valtec на 2, 4 и 7 отводов, всего 13 петель;
o Предусмотрен насосно-смесительный узел для теплоснабжения водяного теплого пола дома - в составе насосной группы котельной;
o Трубопроводы теплого пола – сшитый полиэтилен Valtec;
o Регулирование температуры теплого пола - общее, регулятором на смесительной группе и локальное - помещениям при помощи комнатных Wi-Fi термостатов Valtec.
Внутренний водопровод дома в СНТ "Гжель"(проект водоснабжения).
o Схема внутреннего водоснабжения дома – коллекторно-лучевая с рециркуляцией горячей воды через проходные водорозетки, выполнен расчет 17-и точек водоснабжения и полотенцесушителей;
o Трубопроводы системы водоснабжения – из сшитого полиэтилена Valtec;
o Теплоизоляция трубопроводов Valtec, толщиной 6мм.
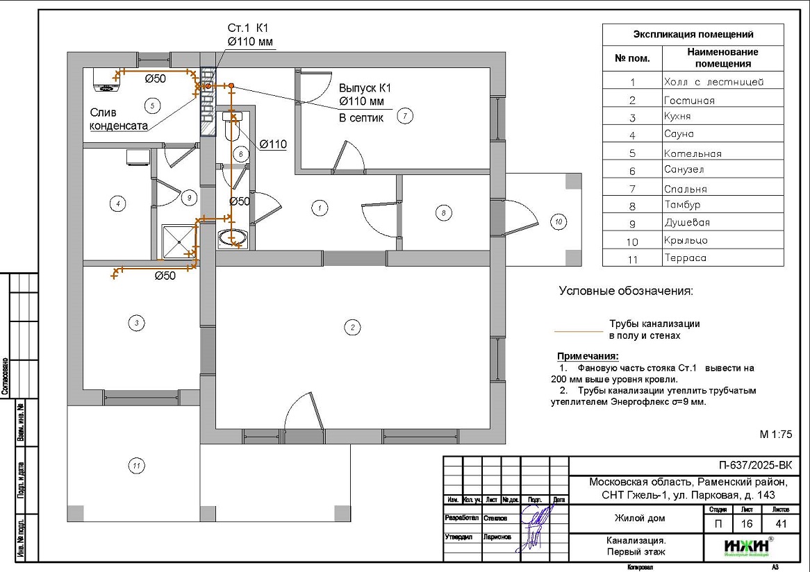
Внутренняя канализация (проект канализации) дома в СНТ "Гжель".
o Безнапорная, отвод стоков от санитарно-технических приборов предусмотрен в поселковую сеть;
o Произведен расчет 9-ти точек бытовой канализации;
o Канализационные трубы Синикон, раструбные, из полипропилена.






















