Выполненные проекты
Проект отопления комплекса строений 455 м.кв.
Объект: комплекс из трёх строений - жилой дом, хозблок и беседка, общей площадью 455 м.кв., расположенный в с. Льва Толстого Дзержинского района Калужской области
Вариант отопления: «Комфортный+»
Цена проекта отопления, канализации и водоснабжения: 70 983 руб. со скидкой 10%, проект котельной - бесплатно.
Проект котельной, отопления, водоснабжения и канализации выполнен: 26.09.2025
Состав проекта котельной, отопления, канализации и водоснабжения домов в с. Льва Толстого Калужской области:
1. Пояснительная записка проекта, общие данные по системам отопления, канализации и водоснабжения комплекса строений 455 м.кв. в с. Льва Толстого Калужской области.
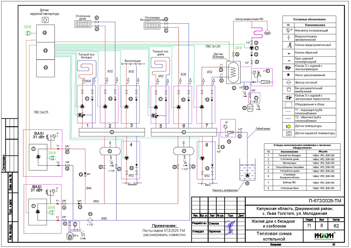
2. Тепломеханическая схема котельной с размещением оборудования в отдельном помещении хозблока.
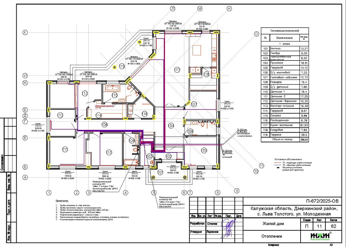
3. Комплект поэтажных чертежей радиаторного отопления комплекса строений в с. Льва Толстого Калужской области.
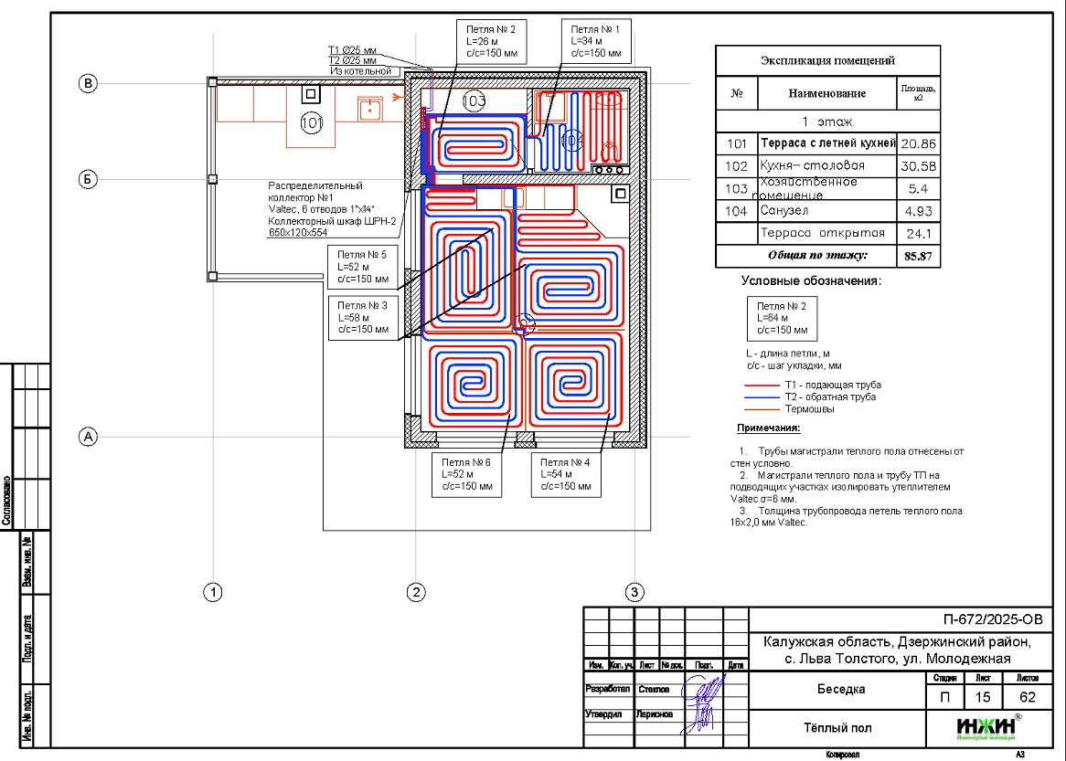
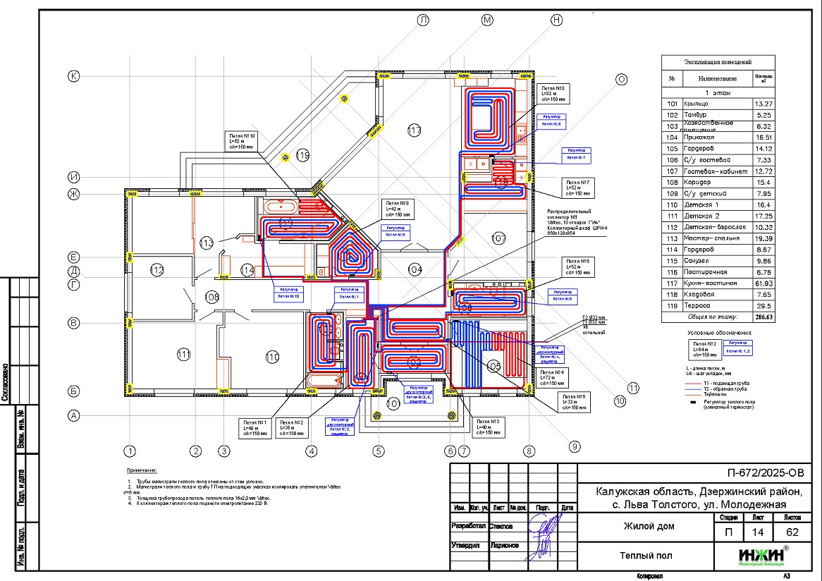
4. Комплект чертежей теплого пола на площади 110 м.кв.
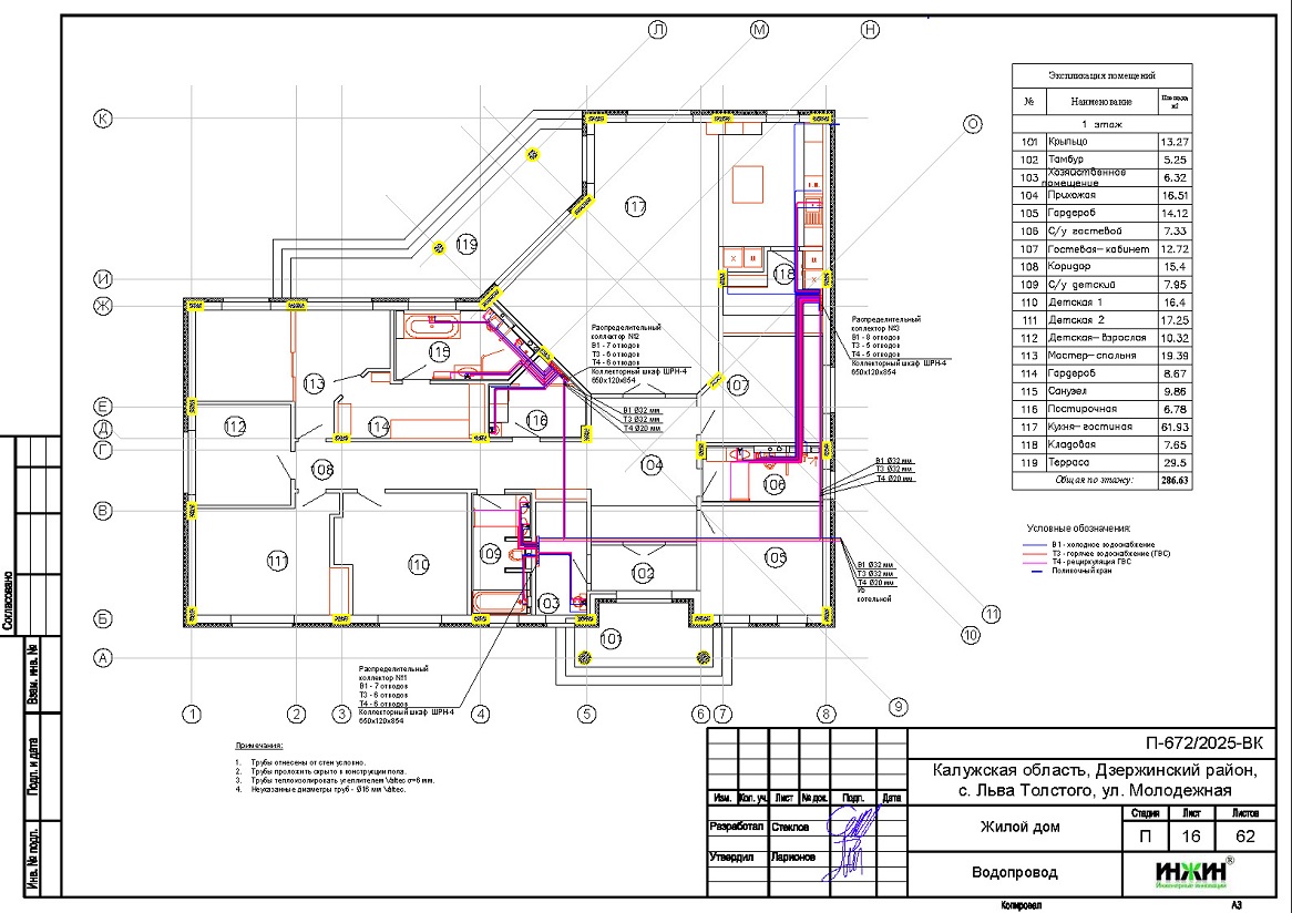
5. Комплект чертежей водоснабжения и канализации частного комплекса строений в с. Льва Толстого Калужской области.
6. Типовые схемы системы отопления канализации и водоснабжения комплекса строений 455 м.кв.
7. Теплотехнический расчет отопления комплекса строений.
8. Спецификация материалов и оборудования по котельной, отоплению и водоснабжению комплекса строений в с. Льва Толстого Калужской области.
Объем проекта отопления и водоснабжения комплекса строений в с. Льва Толстого Калужской области: 62 листа.
Описание проекта отопления, котельной и водоснабжения частного комплекса строений 455 м.кв. в с. Льва Толстого Калужской области.
Котельная частного комплекса строений в с. Льва Толстого Калужской области (проект котельной бесплатно).
o Размещена в отдельном помещении хозблока;
o Теплогенераторы - настенные газовые котлы Baxi LUNA-3, 2 шт., мощностью 31 кВт каждый;
o Контуры теплоснабжения котельной – радиаторное отопление дома, отопление беседки, хозблока, тёплый пол дома, тёплый пол беседки, вентиляция, теплоснабжение бани, летнего бассейна (перспектива) и горячее водоснабжение, для которого предусмотрен накопительный бойлер STOUT, объемом 300 литров (подключение к коллектору);
o Расширительные баки отопления и бойлера Flamco, объемом 80 и 25 литров, соответственно;
o Дымоудаление принудительное, дымоход коаксиальный, диаметром 60/100 мм, через кровлю здания;
o Распределительный коллектор - STOUT с насосными группами;
o Автоматика котельной – контроллер ZONT Climatic 1.3 со встроенным GSM-модулем.
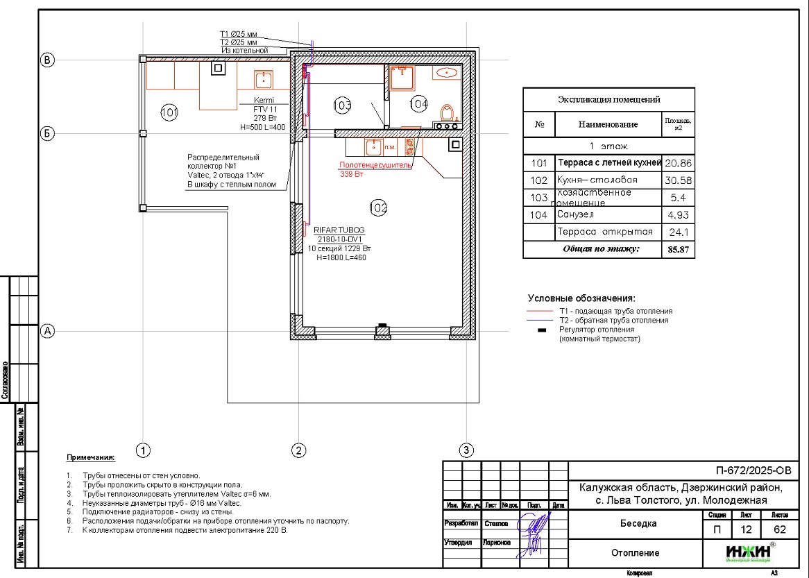
Отопление дома в с. Льва Толстого Калужской области (проект отопления дома).
o Выполнен теплотехнический расчет отопления комплекса строений (утеплитель стен и кровли - ППС 100 и 200мм, соответственно) с учетом теплопотерь через ограждающие конструкции при наружной температуре -25°С для Калужской области (по СП 131.13330.2020), расчетный расход тепла на отопление всех строений составил 37,72 кВт, удельные теплопотери 81,07 Вт/м.кв.;
o Подобраны приборы для отопления всех строений: стальные панельные радиаторы Kermi с нижним подключением;
o Схема радиаторного отопления двухтрубная, коллекторно-лучевая, с принудительной циркуляцией теплоносителя и температурным графиком 80/60°С;
o Трубы отопления из сшитого полиэтилена Valtec;
o Теплоизоляция трубопроводов отопления Valtec, толщиной 6мм;
o Теплоноситель во всех контурах – незамерзающая жидкость.
Водяной теплый пол комплекса строений в с. Льва Толстого Калужской области (проект теплого пола).
o Водяной теплый пол в доме и беседке предусмотрен на площади 110 м.кв., коллекторы теплого пола Valtec на 6 и 10 отводов, всего 16 петель;
o Предусмотрен насосно-смесительные группы котельной для теплоснабжения водяного теплого пола дома и беседки;
o Трубопроводы теплого пола – сшитый полиэтилен Valtec;
o Регулирование температуры теплого пола - общее, регулятором на смесительных группах и локальное, по помещениям, при помощи электронных комнатных термостатов Valtec с Wi-Fi (обзор которых публиковали на нашем сайте в разделе новинок).
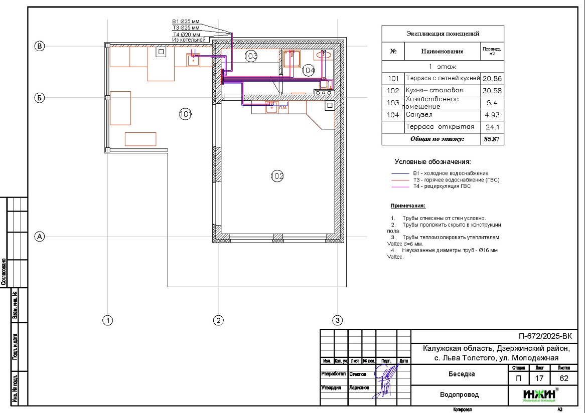
Внутренний водопровод комплекса строений в с. Льва Толстого Калужской области (проект водоснабжения).
o Схема внутреннего водоснабжения комплекса строений– коллекторно-лучевая с рециркуляцией горячей воды через водяные полотенцесушители и коллекторы, выполнен расчет 64-х точек водоснабжения и полотенцесушителей;
o Трубопроводы системы водоснабжения – из сшитого полиэтилена Valtec;
o Теплоизоляция трубопроводов Valtec, толщиной 6мм;
o Для летнего водопровода предусмотрен незамерзающий кран Arrowhead (2 шт.).






















