Выполненные проекты
Проект отопления дома в Электрогорске
Объект: двухэтажный дом из газобетона, площадью 236м.кв., расположенный в г. Электрогорск Московской области
Вариант отопления: «Комфортный+»
Цена проекта отопления, канализации и водоснабжения: 55 948 руб. со скидкой 10%, проект котельной - бесплатно.
Проект котельной, отопления, водоснабжения и канализации выполнен: 27.04.2026
Состав проекта котельной, отопления, канализации и водоснабжения дома в г. Электрогорск:
1. Пояснительная записка проекта, общие данные по системам отопления, канализации и водоснабжения дома 236 м.кв. в г. Электрогорск.
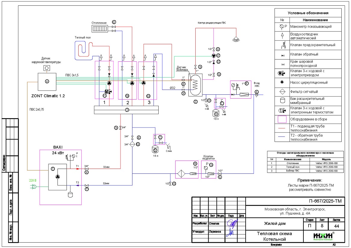
2. Тепломеханическая схема котельной с размещением оборудования в отдельном помещении дома из газобетона.
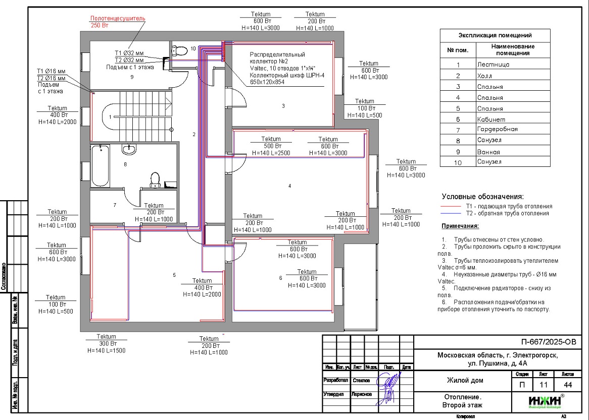
3. Комплект поэтажных чертежей радиаторного отопления дома в г. Электрогорск.
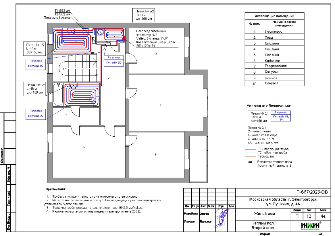
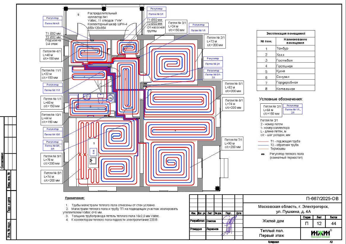
4. Комплект чертежей теплого пола на площади 131 м.кв.
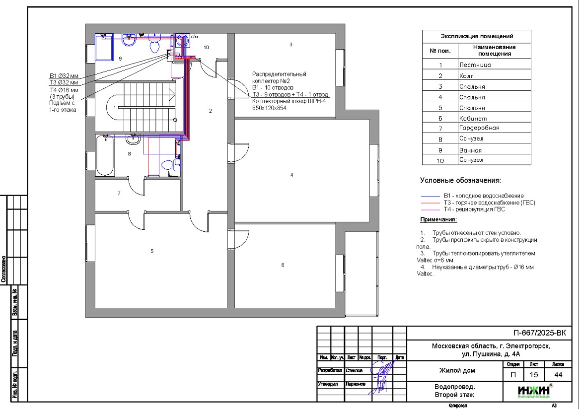
5. Комплект чертежей водоснабжения и канализации частного дома из газобетона в г. Электрогорск.
6. Типовые схемы системы отопления канализации и водоснабжения дома 236м.кв.
7. Теплотехнический расчет отопления дома из газобетона.
8. Спецификация материалов и оборудования по котельной, отоплению, канализации и водоснабжению дома в г. Электрогорск.
Объем проекта отопления, канализации и водоснабжения дома в г. Электрогорск: 44 листа.
Описание проекта отопления, котельной, канализации и водоснабжения частного дома 138 м.кв. в г. Электрогорск.
Котельная частного дома в г. Электрогорск(проект котельной бесплатно).
o Размещена в отдельном помещении дома 236м.кв.;
o Теплогенератор - настенный газовый котел Baxi Eco Nova, мощностью 24 кВт (в наличии);
o Контуры теплоснабжения котельной – радиаторное отопление дома, теплый пол и горячее водоснабжение, для которого предусмотрен накопительный бойлер Termex Nixen, объемом 200 литров;
o Расширительные баки отопления и бойлера Flamco, объемом 18 литров каждый;
o Дымоудаление принудительное, дымоход раздельный, 80/80, через кровлю здания;
o Распределительный коллектор - STOUT с насосными группами и встроенной гидрострелкой;
o Автоматика котельной – контроллер ZONT Climatic 1.3 со встроенным GSM-модулем.
Отопление дома в г. Электрогорск (проект отопления дома).
o Выполнен теплотехнический расчет отопления дома из газобетона (утеплитель кровли - минвата 200мм) с учетом теплопотерь через ограждающие конструкции при наружной температуре -26°С для Московской области (по СП 131.13330.2020), расчетный расход тепла на отопление дома составил 16,98 кВт, удельные теплопотери 70,7 Вт/м.кв.;
o Подобраны приборы для отопления дома: стальные панельные радиаторы Kermi с нижним подключением, а также водный тёплый плинтус Mr. Tektum;
o Схема радиаторного отопления дома двухтрубная, коллекторно-лучевая, с принудительной циркуляцией теплоносителя и температурным графиком 80/60°С;
o Трубы отопления из сшитого полиэтилена Valtec;
o Теплоизоляция трубопроводов отопления Valtec, толщиной 6мм;
o Теплоноситель в системе радиаторного отопления дома – подготовленная вода, предусмотрены средства защиты от образования накипи.
Водяной теплый пол дома в г. Электрогорск(проект теплого пола).
o Водяной теплый пол в доме предусмотрен на площади 131 м.кв., коллекторы теплого пола Valtec на 3 и 11 отводов, всего 14 петель;
o Предусмотрен насосно-смесительный узел для теплоснабжения водяного теплого пола дома - в составе насосной группы котельной;
o Трубопроводы теплого пола – сшитый полиэтилен Valtec;
o Регулирование температуры теплого пола - общее, регулятором на смесительной группе и локальное - помещениям при помощи комнатных Wi-Fi термостатов Valtec.
Внутренний водопровод дома в г. Электрогорск(проект водоснабжения).
o Схема внутреннего водоснабжения дома – коллекторно-лучевая с рециркуляцией горячей воды через проходные водорозетки, выполнен расчет 34-х точек водоснабжения и полотенцесушителей;
o Трубопроводы системы водоснабжения – из сшитого полиэтилена Valtec;
o Теплоизоляция трубопроводов Valtec, толщиной 6мм.
Внутренняя канализация (проект канализации) дома в г. Электрогорск.
o Безнапорная, отвод стоков от санитарно-технических приборов предусмотрен в поселковую сеть;
o Произведен расчет 14-ти точек бытовой канализации;
o Канализационные трубы Синикон, раструбные, из полипропилена.






















