Новости компании
Разработан проект отопления дома 185 м.кв.
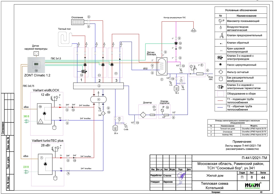
Для загородного дома со стенами из бетона (утеплитель кровли - минеральная вата 200мм), площадью 185 м.кв., расположенного в ТСН "Сосновый бор", разработаны проекты отопления, канализации и водоснабжения.
В проекте отопления, канализации и водоснабжения, по заданию Заказчика, предусмотрены следующие основные технические решения:
- Вариант отопления «Комфортный», с системой управления котельной ZONT-Climatic 1.2 со встроенным GSM-модулем для удаленного управления при помощи мобильного приложения;
- Индивидуальная котельная с каскадом из двух настенных котлов - газового Vaillant turboTEC plus, мощностью 28 кВт, и электрического - Vaillant eloBLOCK, мощностью 12 кВт;
- Контуры теплоснабжения дома – 3 шт. (отопление, теплый пол и горячее водоснабжение);
- Выполнен расчет отопления, расход тепла на отопление составил - 21,43 кВт, удельные теплопотери 107,0 Вт/м.кв;
- Отопление и водоснабжение дома в Московской области предусмотрены по коллекторно-лучевой схеме, с трубопроводами из металлопластика Valtec;
- Приборы для системы отопления дома - стальные панельные радиаторы Kermi и стальные дизайн-радиаторы Гармония (КЗТО) с нижним подключением;
- Водяной теплый пол проектом предусмотрен на площади 145 м.кв., 16 петель;
- Водоснабжение предусмотрено с рециркуляцией горячей воды через полотенцесушители, выполнен расчет 25-и точек внутреннего водопровода и 12-ти точек канализации.
Стоимость проекта отопления и водоснабжения дома в ТСН "Сосновый бор"- 48 735 руб. со скидкой 10%, проект котельной бесплатно, объем проекта 44 листа.

28 февраля 2022 года
- Информация о материале
- Просмотров: 2615














