Выполненные проекты
Проект отопления частного дома 268 м.кв. в дер. Новленское
Объект: частный дом площадью 268 м.кв., расположенный в дер. Новленское Домодедовского района Московской области
Вариант отопления: «Комфортный»
Стоимость проекта отопления и котельной: 22 253 руб. (проект котельной дома бесплатно)
Проект котельной и отопления: 09.08.2018
Состав проекта котельной и отопления дома в Домодедовском районе:
1. Пояснительная записка отопления. Общие данные по системе отопления и котельной частного дома.
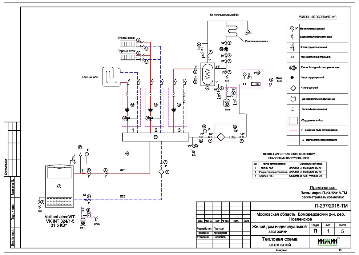
2. Тепломеханическая схема котельной с размещением оборудования в помещении.
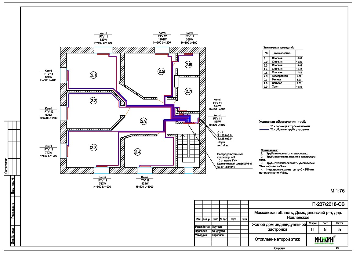
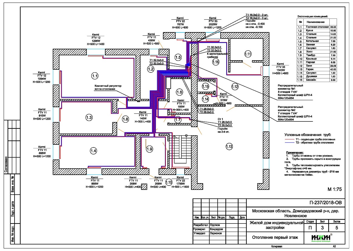
3. Комплект поэтажных чертежей радиаторного отопления дома в дер. Новленское.
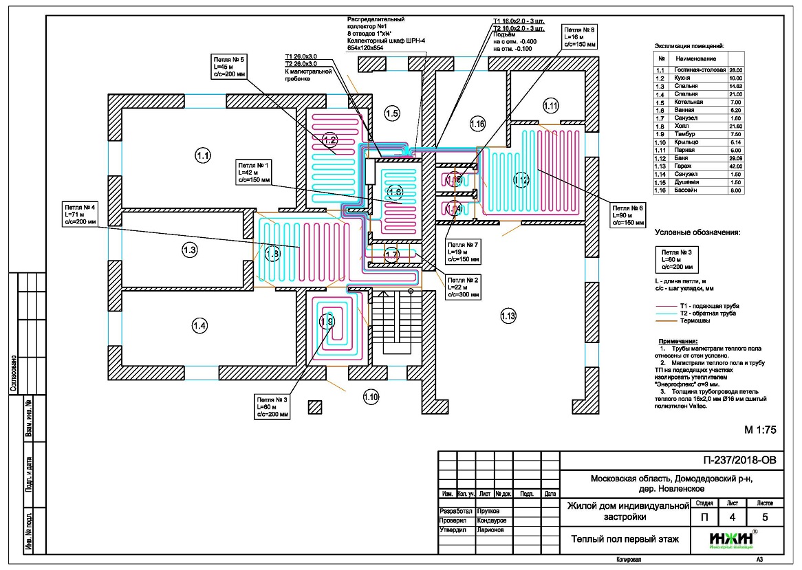
4. Комплект чертежей водяного теплого пола первого этажа дома.
5. Теплотехнический расчет отопления дома в дер. Новленское.
6. Спецификация материалов и оборудования по котельной и отоплению дома в дер. Новленское.
Объем проекта отопления: 39 листов.
Описание проекта отопления и котельной загородного дома площадью 268 м.кв. в дер. Новленское.
Котельная частного дома (проект котельной бесплатно).
o Размещена в доме, в специально отведенном помещении 1-го этажа;
o Котел газовый напольный Vaillant atmoVIT мощностью 31,5 кВт;
o Контуры теплоснабжения котельной – радиаторное отопление дома, водяной теплый пол и горячее водоснабжение (бойлер косвенного нагрева);
o Для приготовления горячей воды предусмотрен накопительный бойлер Vaillant uniSTOR, объемом 200 литров;
o Расширительный баки отопления и водоснабжения Flamco, объемом 25 и 18 литров;
o Насосы отопления и теплого пола Grundfos, использованы энергоэффективные насосы Hybrid 25-70;
o Дымоудаление естественное, использованы трубы из нержавеющей стали Rosinox;
o Распределительный коллектор – Meibes, с насосно-смесительными узлами;
o Предусмотрена ручная подпитка отопления;
o Автоматика котельной – погодозависимый блок Vaillant calorMATIC 630/3 с выносным задатчиком-регулятором.
Автоматика отопления и котельной (вариант «Комфортный»).
o Автоматическое регулирование отопления по наружной температуре (погодное регулирование) и температуре внутри дома;
o Автоматическое поддержание заданной температуры в контурах отопления, теплого пола и горячего водоснабжения;
o Дистанционный контроль работы котла при помощи мобильного приложения и GSM-модуля ZONT H-1V.
Отопление дома (проект отопления).
o Выполнен теплотехнический расчет отопления, с учетом теплопотерь через ограждающие конструкции при наружной температуре -28°С для Московской области (по СП 131.13330.2012), теплоотдачи отопительных приборов и теплого пола, расчетный расход тепла на отопление дома составил 21,63 кВт;
o Подобраны приборы для системы отопления: панельные стальные радиаторы Kermi, подключение из стены снизу;
o Схема радиаторного отопления коллекторно-лучевая с температурным графиком 80/60°С;
o Трубы отопления из металлопластика Valtec, в теплоизоляции Энергофлекс толщиной 9мм;
o Коллекторы отопления – Valtec, на 7, 8 и 10 отводов;
o Шкафы коллекторные Valtec, встраиваемый и пристраиваемые;
o Теплоноситель в системе отопления и теплых полов – подготовленная вода;
o Регулирование отопления ручное, при помощи термоголовок на радиаторах.
Водяной теплый пол дома (проект теплого пола).
o Водяной теплый пол в доме предусмотрен на площади 52 м.кв., 8 петель;
o Контур теплого пола отдельный, организован при помощи смесительного узла котельной;
o Коллектор теплого пола Valtec с расходомерами на 8 отводов;
o Основание теплого пола – маты из ламинированного пенополистирола Elsen ElM01.50;
o Регулирование температуры теплого пола общее, автоматикой смесительного узла насосной группы котельной.



















