Выполненные проекты
Отопление дома площадью 150 м.кв. в СНТ «Искра», проект
Объект: частный дома площадью 150 м.кв. из пенобетонных блоков, расположенный в СНТ «Искра», г. Москва
Вариант отопления: «Базовый»
Цена проекта отопления и котельной: 11 250 руб. (проект котельной бесплатно).
Проект котельной и отопления выполнен: 14.11.2018
Состав проекта котельной и отопления дома площадью 150 м.кв.:
1. Пояснительная записка проекта отопления. Общие данные по системе отопления дома в СНТ «Искра».
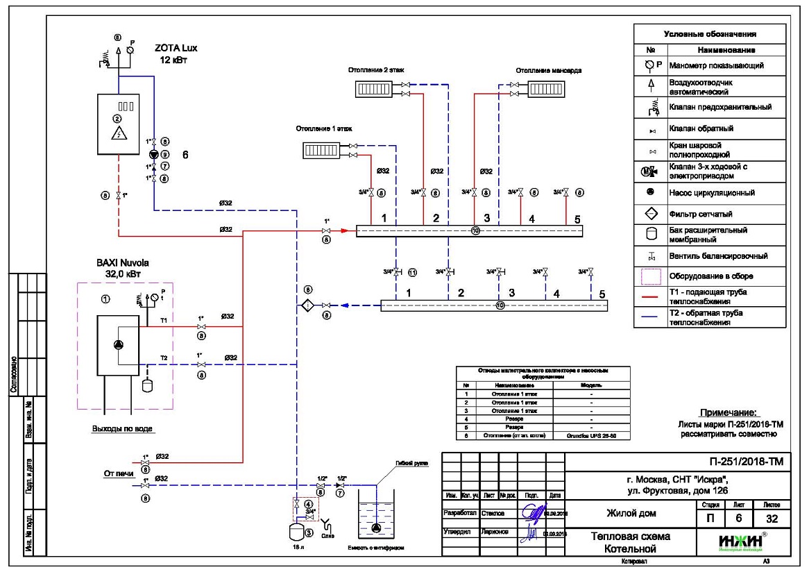
2. Тепломеханическая схема котельной с размещением оборудования в помещении.
3. Комплект поэтажных чертежей радиаторного отопления 3-х этажей дома.
4. Теплотехнический расчет отопления дома в СНТ «Искра».
5. Спецификация материалов и оборудования по котельной и отоплению частного дома 150 м.кв.
Объем проекта: 32 листа.
Описание проекта отопления и котельной дома в СНТ «Искра».
Котельная дома (проект котельной бесплатно).
o Котельная размещена в специально отведенном помещении;
o Теплогенераторы - основной настенный газовый двухконтурный котел Baxi NUVOLA-3 Comfort 320 Fi мощностью 31 кВт, резервный котел – электрический ZOTA Lux, мощностью 12 кВт;
o Контуры теплоснабжения котельной – радиаторное отопление дома и горячее водоснабжение (встроенный второй контур котла);
o Насос отопления (для резервного котла) Grundfos серии Alpha;
o Дымоудаление принудительное, комплект коаксиального дымохода через стену;
o Распределительный узел отопления – коллектор Valtec, на 4 отвода, по одному на отопление каждого этажа, один резервный;
o Предусмотрена ручная подпитка отопления;
o Автоматика котельной – встроена в котел.
Система отопления частного дома в СНТ «Искра» (проект отопления).
o Выполнен теплотехнический расчет отопления дома в СНТ «Искра», с учетом теплопотерь через ограждающие конструкции при наружной температуре -28°С для Московской области (по СП 131.13330.2012) и теплоотдачи отопительных приборов, расчетный расход тепла на отопление дома составил 13,16 кВт (удельные теплопотери 81,5 Вт/м.кв.);
o Подобраны приборы для системы отопления: секционные биметаллические радиаторы Rifar Base с боковым подключением;
o Схема радиаторного отопления двухтрубная, с принудительной циркуляцией теплоносителя;
o Температурный график системы отопления 80/60°С;
o Трубы отопления из армированного полипропилена Valtec PP-ALUX;
o Прокладка труб отопления предусмотрена открытым способом, без изоляции;
o Теплоноситель в системе отопления – антифриз DIXIS Тор.


















