Выполненные проекты
Проект отопления дома 295 м.кв. в Уфе
Объект: частный дом с баней и гаражом общей площадью 295 м.кв., расположенный в г. Уфа, КП "Зубово Life" (дистанционное проектирование)
Вариант отопления: «Комфортный»
Цена проекта котельной, отопления, канализации и водоснабжения: 37 978 руб. со скидкой 10%.
Проект котельной, отопления, водоснабжения и канализации выполнен: 07.03.2019
Состав проекта котельной, отопления, канализации и водоснабжения дома в Уфе:
1. Пояснительная записка проекта, общие данные по системам отопления, канализации и водоснабжения дома 295 м.кв. в Уфе.
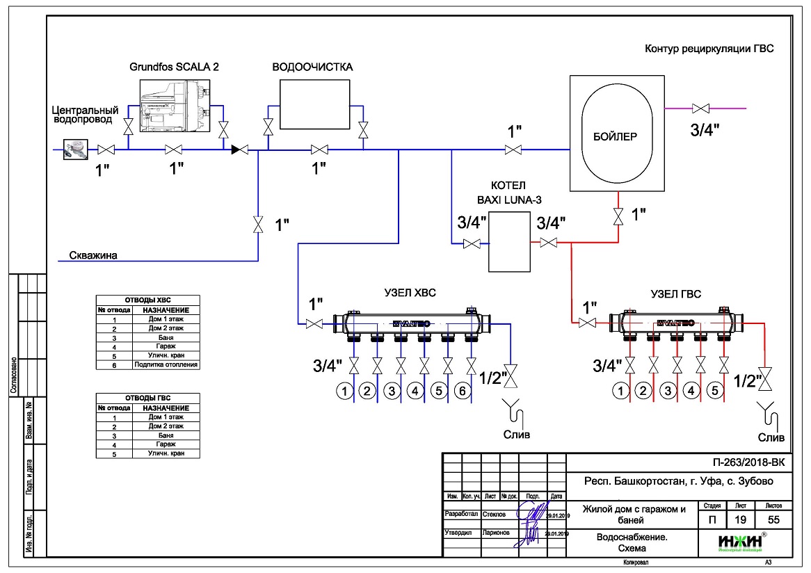
2. Тепломеханическая схема котельной с размещением оборудования в помещении 1-го этажа дома в КП "Зубово Life".
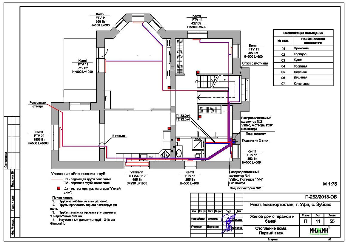
3. Комплект поэтажных чертежей радиаторного отопления дома и гаража в Уфе.
4. Комплект чертежей теплого пола дома.
5. Комплект чертежей теплого пола бани.
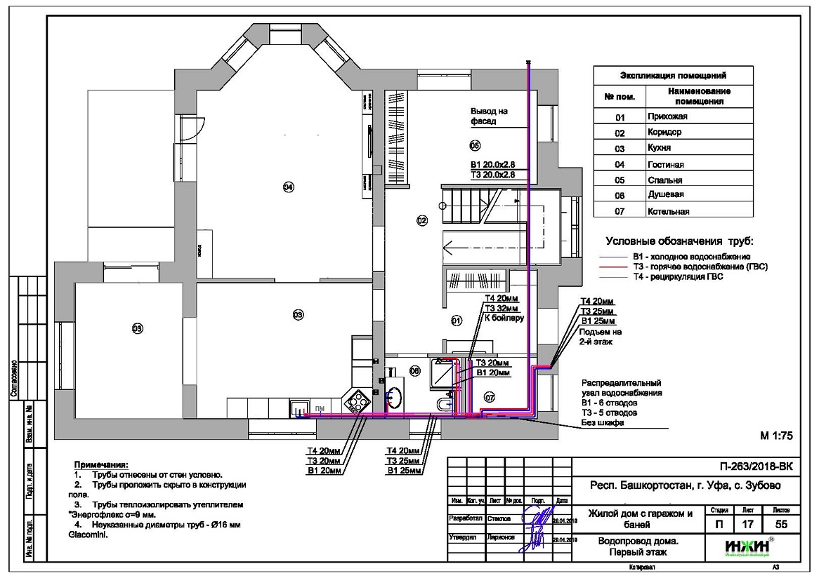
6. Комплект чертежей водоснабжения и канализации частного дома из кирпича.
7. Типовые схемы системы отопления канализации и водоснабжения дом и гаража.
8. Теплотехнический расчет отопления дома и гаража.
9. Спецификация материалов и оборудования по котельной, отоплению, канализации и водоснабжения дома в Уфе.
Объем проекта отопления, канализации и водоснабжения дома в Уфе: 55 листов.
Описание проекта отопления, котельной, канализации и водоснабжения частного дома 295 м.кв. в Уфе.
Котельная частного дома в Уфе(проект котельной бесплатно).
o Размещена в помещении 1-го этажа дома 295 м.кв.;
o Предусмотрено два теплогенератора: основной - настенный газовый котел Baxi Luna-3 310Fi, мощностью 31 кВт (в наличии на объекте), резервный - настенный электрический ZOTA MK, мощностью 6 кВт;
o Контуры теплоснабжения котельной – радиаторное отопление дома, радиаторное отопление гаража (через раздельный теплообменник), теплый пол дома, теплый пол бани, контур вентиляции и горячее водоснабжение трех строений, для которого предусмотрен комбинированный накопительный бойлер Drazice OKC 160/1, объемом 160 литров;
o Предусмотрено резервное горячее водоснабжение дома при помощи 2-го контура двухконтурного котла отопления;
o Расширительные баки отопления и бойлера Flamco, объемом 25 и18 литров, для контура на раздельном теплообменнике (на антифризе) предусмотрен расширительный бак объемом 12 литров;
o Циркуляционные насосы отопления и бойлера Grundfos, использованы энергоэффективные насосы UPM3 Hybrid (в составе насосных групп), аналог насосов серии Alpha;
o Дымоудаление принудительное, комплект коаксиального дымохода диаметром 60/100мм, исполнение "через стену";
o Распределительный коллектор - настенный, Meibes, "Поколение 8";
o Автоматика котельной – встроена в котел.
Автоматизация котельной, отопления и теплого пола (вариант «Комфортный») - оборудованием системы "Умный дом", предоставляемой Заказчиком.
Отопление дома из кирпича (проект отопления дома в Уфе).
o Выполнен теплотехнический расчет отопления дома из кирпича (утеплитель - плиты из пенополистирола 100мм), а также гаража из керамзитоблоков, с учетом теплопотерь через ограждающие конструкции при наружной температуре -35°С для Уфы (по СП 131.13330.2012), расчетный расход тепла на отопление дома составил 18,11 кВт, удельные теплопотери 92,5 Вт/м.кв., расчетный расход тепла на отопление гаража составил 8,6 кВт, удельные теплопотери 113,3 Вт/м.кв.;
o Подобраны приборы для отопления дома и гаража: стальные панельные радиаторы Kermi с нижним подключением, а также вcтроенные в пол конвекторы Varmann;
o Схема радиаторного отопления дома и гаража двухтрубная, коллекторно-лучевая, с принудительной циркуляцией теплоносителя и температурным графиком 80/60°С;
o Трубы отопления из сшитого полиэтилена Giacomini;
o Теплоизоляция трубопроводов отопления Энергофлекс, толщиной 9мм;
o Теплоноситель в системе радиаторного отопления дома – подготовленная вода, в системе отопления гаража - антифриз.
Водяной теплый пол дома и бани (проект теплого пола).
o Водяной теплый пол в доме и бане предусмотрен на площади 131 м.кв., коллекторы теплого пола Valtec;
o Предусмотрен отдельные контуры котельной для теплоснабжения водяного теплого пола дома и бани;
o Трубопроводы теплого пола – сшитый полиэтилен Giacomini;
o Регулирование температуры теплого пола системой "Умный дом".
Внутренний водопровод дома в Уфе (проект водоснабжения).
o Схема внутреннего водоснабжения дома – коллекторно-лучевая с рециркуляцией горячей воды через водяные полотенцесушители;
o Трубопроводы системы водоснабжения – сшитый полиэтилен Giacomini;
o Теплоизоляция трубопроводов Энергофлекс Супер, толщиной 9мм;
o Для летнего водопровода предусмотрено три наружных крана Meibes SEPP-Eis с защитой от замерзания (не требующий слива в зимний период).
Внутренняя канализация (проект канализации) дома.
o Безнапорная, отвод стоков от санитарно-технических приборов предусмотрен в септик;
o Предусмотрен сантехнический трап Viega с "сухим" затвором в котельной;
o Для дренажа системы вентиляции предусмотрена капельная воронка HL21, с "сухим" затвором;
o Канализационные трубы Синикон Comfort Plus, малошумные.






















