Выполненные проекты
Отопление дома 175 м.кв. в дер. Зеленково, проект
Объект: одноэтажный загородный дом из газобетонных блоков площадью 175 м.кв., расположенный в дер. Зеленково Истринского района Московской области
Вариант отопления: «Комфортный»
Цена проекта отопления, канализации и водоснабжения: 32 713 руб. со скидкой 10%, проект котельной - бесплатно.
Проект котельной, отопления, водоснабжения и канализации выполнен: 20.03.2019
Состав проекта котельной, отопления, канализации и водоснабжения дома в дер. Зеленково:
1. Пояснительная записка проекта, общие данные по системам отопления, канализации и водоснабжения дома 175 м.кв. в Московской области.
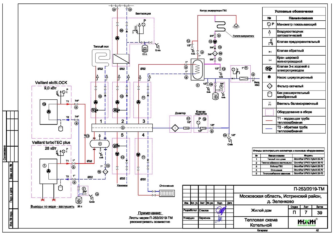
2. Тепломеханическая схема котельной с размещением оборудования в помещении 1-го этажа дома из газобетонных блоков.
3. Комплект поэтажных чертежей радиаторного отопления дома в дер. Зеленково.
4. Комплект чертежей теплого пола одноэтажного дома.
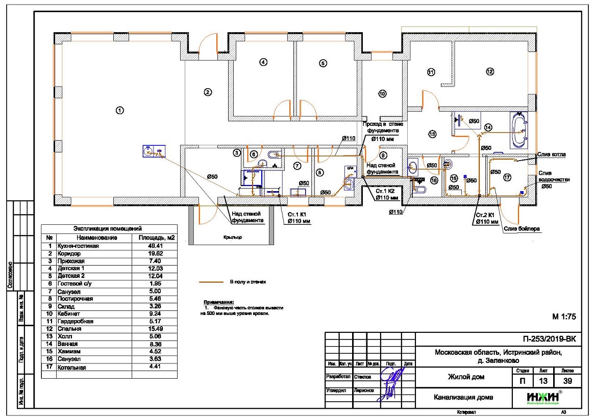
5. Комплект чертежей водоснабжения и канализации частного дома из газобетонных блоков.
6. Типовые схемы системы отопления канализации и водоснабжения дома.
7. Теплотехнический расчет отопления дома из газобетонных блоков.
8. Спецификация материалов и оборудования по котельной, отоплению, канализации и водоснабжения дома в дер. Зеленково.
Объем проекта отопления, канализации и водоснабжения дома из газобетонных блоков: 39 листов.
Описание проекта отопления, котельной, канализации и водоснабжения частного дома 175 м.кв. в дер. Зеленково.
Котельная частного дома в дер. Зеленково(проект котельной бесплатно).
o Размещена в помещении 1-го этажа дома 175 м.кв.;
o Теплогенераторы (котлы отопления): основной - настенный газовый Vaillant turboTEC plus, мощностью 28 кВт, резервный - настенный электрический Vaillant eloBLOCK, мощностью 9 кВт;
o Контуры теплоснабжения котельной – радиаторное отопление дома, теплый пол дома, контур вентиляции (с раздельным теплообменником), контур теплоснабжения хаммама и горячее водоснабжение, для которого предусмотрен накопительный бойлер Vaillant uniSTOR, объемом 200 литров;
o Расширительные баки отопления и бойлера Flamco, объемом 25 и18 литров, для контура вентиляции (на антифризе) предусмотрен расширительный бак объемом 12 литров;
o Циркуляционные насосы отопления и бойлера Grundfos, использованы энергоэффективные насосы UPM3 Hybrid (в составе насосных групп), аналог насосов серии Alpha;
o Дымоудаление принудительное, комплект коаксиального дымохода диаметром 60/100мм, исполнение "через стену";
o Распределительный коллектор - настенный, Meibes, "Поколение 8";
o Автоматика котельной – блок Vaillant calorMATIC 630/3 с дополнительным модулем VR 60, комнатным регулятором VR 90/3 и GSM-термостатом ZONT H-1V.
Автоматизация котельной, отопления и теплого пола (вариант «Комфортный»).
o Автоматическое регулирование отопления по наружной температуре (погодное регулирование);
o Автоматическое поддержание заданной температуры в контурах отопления, теплого пола и горячего водоснабжения;
o Дистанционный контроль работы котла отопления и переключение режимов работы котельной ("Комфорт"/"Эконом") при помощи GSM-модуля и мобильного приложения ZONT.
Отопление дома в дер. Зеленково (проект отопления дома).
o Выполнен теплотехнический расчет отопления дома из газобетонных блоков (утеплитель пола - пеностекольный щебень 200мм) с учетом теплопотерь через ограждающие конструкции при наружной температуре -28°С для Московской области (по СП 131.13330.2012), а также теплоотдачи помещений с теплым полом, расчетный расход тепла на отопление дома составил 17,61 кВт, удельные теплопотери 102,3 Вт/м.кв.;
o Исходное пожелание Заказчика - обеспечить отопление дома только при помощи теплого пола, без использования радиаторов отопления. В соответствие с этим, требовалось определить минимальное значение наружной температуры, до которой будет обеспечиваться отопление только теплым полом, чтобы принять решение о возможности отопления теплым полом при нормативных условиях (-28°С для Московской области). В результате проведенных расчетов, полученное значение наружной температуры до которой теплый пол обеспечивает полноценное отопление (до +22°С в помещениях дома) -9°С, что не соответствует нормативному значению (-28°С). Т.е., теплый пол не обеспечивает отопление дома при нормативных значениях наружной температуры. На основании полученных результатов Заказчиком было принято решение использовать для отопления дома панельные радиаторы;
o Подобраны приборы для отопления дома: стальные панельные радиаторы Kermi с нижним подключением;
o Схема радиаторного отопления дома двухтрубная, с принудительной циркуляцией теплоносителя и температурным графиком 80/60°С;
o Трубы отопления из сшитого полиэтилена Uponor;
o Теплоизоляция трубопроводов отопления Энергофлекс, толщиной 9мм;
o Теплоноситель в системе радиаторного отопления дома – подготовленная вода, предусмотрены средства защиты от образования накипи.
Водяной теплый пол дома дер. Зеленково (проект теплого пола).
o Водяной теплый пол в доме предусмотрен на площади 161 м.кв., коллекторы теплого пола Valtec;
o Предусмотрен отдельные контуры котельной для теплоснабжения водяного теплого пола дома и бани;
o Трубопроводы теплого пола – сшитый полиэтилен Uponor Smart;
o Регулирование температуры теплого пола - общее, контуром котельной.
Внутренний водопровод дома в дер. Зеленково (проект водоснабжения).
o Схема внутреннего водоснабжения дома – коллекторно-лучевая с рециркуляцией горячей воды через водяные полотенцесушители;
o Трубопроводы системы водоснабжения – сшитый полиэтилен Uponor, водорозетки Smart Aqua Q&E;
o Теплоизоляция трубопроводов Энергофлекс Супер, толщиной 9мм;
o Для летнего водопровода предусмотрено три наружных крана Meibes SEPP-Eis с защитой от замерзания.
Внутренняя канализация (проект канализации) дома.
o Безнапорная, отвод стоков от санитарно-технических приборов предусмотрен в септик с разделением сточных вод от унитазов и остальных приборов;
o Предусмотрены сантехнические трапы Viega с "сухим" затвором в котельной и санузлах;
o Для душевых кабин предусмотрены душевые лотки Viega Advantix;
o Канализационные трубы Синикон, раструбные, из полипропилена.



















