Выполненные проекты
Проект отопления дома в 178 м.кв.
Объект:двухэтажный частный дом из газобетонных блоков, площадью 178 м.кв., расположенный в дер. Легчищево Чеховского района Московской области
Цена проекта отопления, канализации и водоснабжения: 24 030 руб. со скидкой 10%, проект котельной - бесплатно.
Проект котельной, отопления, водоснабжения и канализации выполнен: 26.07.2019
Состав проекта котельной, отопления, канализации и водоснабжения дома в дер. Легчищево:
1. Пояснительная записка проекта, общие данные по системам отопления, канализации и водоснабжения дома 178 м.кв. в Московской области.
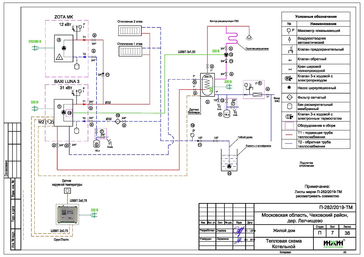
2. Тепломеханическая схема котельной с размещением оборудования в помещении 1-го этажа дома из газобетонных блоков.
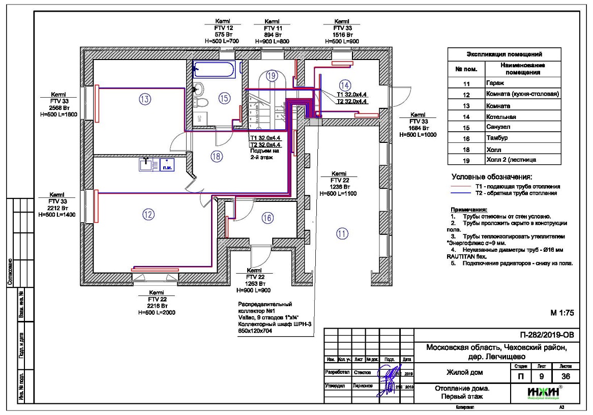
3. Комплект поэтажных чертежей радиаторного отопления дома в дер. Легчищево.
4. Комплект чертежей водоснабжения и канализации частного дома из газобетонных блоков.
5. Типовые схемы системы отопления канализации и водоснабжения дома 178 м.кв.
6. Теплотехнический расчет отопления дома из газобетонных блоков в дер. Легчищево.
7. Спецификация материалов и оборудования по котельной, отоплению, канализации и водоснабжению дома в дер. Легчищево.
Объем проекта отопления, канализации и водоснабжения дома из газобетонных блоков: 36 листов.
Описание проекта отопления, котельной, канализации и водоснабжения частного дома 178 м.кв. в дер. Легчищево.
Котельная частного дома в дер. Легчищево(проект котельной бесплатно).
o Размещена в помещении 1-го этажа дома 178 м.кв.;
o Теплогенераторы - основной, настенный газовый котел Baxi, мощностью 31 кВт, резервный, электрический котел ZOTA MK (мини-котельная), мощностью 12 кВт;
o Контуры теплоснабжения котельной – радиаторное отопление дома и горячее водоснабжение, для которого предусмотрен накопительный бойлер Drazice, объемом 200 литров;
o Расширительные баки отопления и бойлера Flamco, объемом 18 литров (оба);
o Циркуляционный насос рециркуляции горячей воды Grundfos (отопления - встроены в котлы);
o Дымоудаление принудительное, дымоход коаксиальный, комплект Baxiдля прохода через кровлю, диаметр 80/125 мм;
o Распределительный коллектор - нет, подключение отопления и бойлера к вывода газового котла;
o Автоматика котельной – встроена в котел, с дополнительным GSM-термостатом ZONT H-1VB.
Автоматизация котельной и отопления (вариант «Базовый»).
o Автоматическое регулирование отопления по наружной температуре (погодное регулирование, встроено в котел);
o Дистанционный контроль работы газового котла отопления при помощи GSM-модуля и мобильного приложения ZONT.
Отопление дома в дер. Легчищево (проект отопления дома).
o Выполнен теплотехнический расчет отопления дома из газобетонных блоков (утеплитель стен и пола - нет, кровли - минвата 250мм) с учетом теплопотерь через ограждающие конструкции при наружной температуре -28°С для Московской области (по СП 131.13330.2012), расчетный расход тепла на отопление дома составил 24,27 кВт, удельные теплопотери 160,9 Вт/м.кв.;
o Подобраны приборы для отопления дома: стальные панельные радиаторы KERMI с нижним подключением;
o Схема радиаторного отопления дома двухтрубная, коллекторно-лучевая, с принудительной циркуляцией теплоносителя и температурным графиком 80/60°С;
o Трубы отопления из сшитого полиэтилена Rehau;
o Теплоизоляция трубопроводов отопления Энергофлекс, толщиной 9мм;
o Теплоноситель в системе радиаторного отопления дома – незамерзающая жидкость "Теплый дом".
Водяной теплый пол проектом не предусмотрен.
Внутренний водопровод дома в дер. Легчищево (проект водоснабжения).
o Схема внутреннего водоснабжения дома – коллекторно-лучевая, с рециркуляцией горячей воды через водяные полотенцесушители, выполнен расчет 18-ти точек водоснабжения и полотенцесушителей;
o Трубопроводы системы водоснабжения – из сшитого полиэтилена Rehau;
o Теплоизоляция трубопроводов Энергофлекс Супер, толщиной 9мм.
Внутренняя канализация (проект канализации) дома в дер. Легчищево.
o Безнапорная, отвод стоков от санитарно-технических приборов предусмотрен в септик;
o Произведен расчет 13-ти точек бытовой канализации;
o Канализационные трубы Синикон, раструбные, из полипропилена.






















