Выполненные проекты
Отопление таунхауса 153 м.кв., проект
Объект: трехэтажный таунхаус из керамических блоков Porotherm, площадью 153 м.кв., расположенный в КП "Академия Парк" г. Москва (Новая Москва).
Вариант отопления: «Комфортный»
Цена проекта отопления, канализации и водоснабжения: 22 095 руб. со скидкой 10%, проект котельной - бесплатно.
Проект котельной, отопления, водоснабжения и канализации таунхауса в КП "Академия Парк" выполнен: 28.10.2019
Состав проекта котельной, отопления, канализации и водоснабжения таунхауса в КП "Академия Парк":
1. Пояснительная записка проекта, общие данные по системам отопления, канализации и водоснабжения таунхауса 153 м.кв. в Московской области.
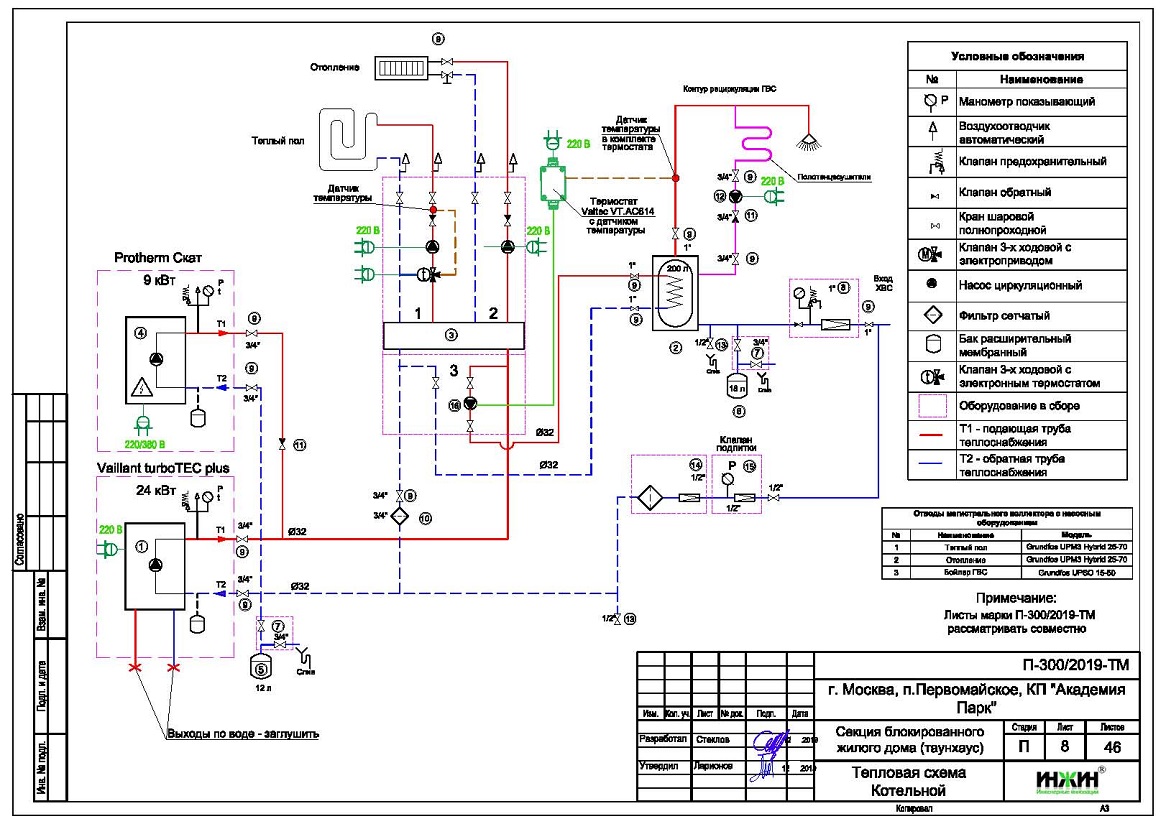
2. Тепломеханическая схема котельной с размещением оборудования в помещении 1-го этажа дома из керамических блоков Porotherm.
3. Комплект поэтажных чертежей радиаторного отопления таунхауса в КП "Академия Парк".
4. Комплект чертежей теплого пола на площади 20 м.кв.
5. Комплект чертежей водоснабжения и канализации частного дома из керамических блоков Porotherm.
6. Типовые схемы системы отопления канализации и водоснабжения таунхауса 153 м.кв.
7. Теплотехнический расчет отопления дома из керамических блоков Porotherm.
8. Спецификация материалов и оборудования по котельной, отоплению, канализации и водоснабжению таунхауса в КП "Академия Парк".
Объем проекта отопления, канализации и водоснабжения таунхауса в КП "Академия Парк": 46 листов.
Описание проекта отопления, котельной, канализации и водоснабжения таунхауса площадью 153 м.кв.
Котельная таунхауса в КП "Академия Парк"(проект котельной бесплатно).
o Размещена в помещении 1-го этажа таунхауса 153 м.кв.;
o Теплогенераторы - основной, настенный газовый котел Vaillant, мощностью 24 кВт, резервный- электрический котел Protherm Скат, мощностью 12 кВт;
o Контуры теплоснабжения котельной – радиаторное отопление дома, теплый пол и горячее водоснабжение, для которого предусмотрен накопительный бойлер Vaillant, объемом 200 литров (подключение к коллектору);
o Расширительные баки отопления и бойлера Flamco, объемом 12 и 18 литров;
o Циркуляционные насосы отопления и бойлера Grundfos, использованы энергоэффективные насосы UPM3 Hybrid (в составе модуля Kombimix), аналог насосов серии Alpha;
o Дымоудаление принудительное, дымоход коаксиальный, комплект Vaillant для прохода через стену, диаметр 60/100 мм;
o Распределительный коллектор - настенный компактный модуль Meibes Kombimix;
o Автоматика котельной – встроена в котел.
Отопление таунхауса в КП "Академия Парк" (проект отопления таунхауса).
o Выполнен теплотехнический расчет отопления таунхауса из керамических блоков Porotherm (утеплитель кровли - минеральная вата Rockwool 200мм) с учетом теплопотерь через ограждающие конструкции при наружной температуре -28°С для Московской области (по СП 131.13330.2012), а также теплоотдачи помещений с теплым полом, расчетный расход тепла на отопление таунхауса составил 9,42 кВт, удельные теплопотери 67,7 Вт/м.кв.;
o Подобраны приборы для отопления дома: стальные панельные радиаторы KERMI с нижним подключением;
o Схема радиаторного отопления дома двухтрубная, коллекторно-лучевая, с принудительной циркуляцией теплоносителя и температурным графиком 80/60°С;
o Трубы отопления из сшитого полиэтилена Rehau;
o Теплоизоляция трубопроводов отопления Энергофлекс, толщиной 9мм;
o Теплоноситель в системе радиаторного отопления дома – подготовленная вода, предусмотрены средства защиты от образования накипи.
Водяной теплый пол таунхауса в КП "Академия Парк" (проект теплого пола).
o Водяной теплый пол в доме предусмотрен на площади 20 м.кв., коллекторы теплого пола Valtec на 3 и 5 отводов;
o Предусмотрен отдельный контур котельной для теплоснабжения водяного теплого пола дома (насосная группа в составе модуля Kombimix);
o Трубопроводы теплого пола – сшитый полиэтилен Rehau;
o Регулирование температуры теплого пола - общее, контуром котельной.
Внутренний водопровод таунхауса в КП "Академия Парк" (проект водоснабжения).
o Схема внутреннего водоснабжения дома – коллекторно-лучевая с рециркуляцией горячей воды через водяные полотенцесушители, выполнен расчет 33-х точек водоснабжения и полотенцесушителей;
o Трубопроводы системы водоснабжения – из сшитого полиэтилена Rehau;
o Теплоизоляция трубопроводов Энергофлекс Супер, толщиной 9мм;
o Для летнего водопровода предусмотрен наружный кран Meibes SEPP-Eis с защитой от замерзания.
Внутренняя канализация (проект канализации) таунхауса в КП "Академия Парк".
o Безнапорная, отвод стоков от санитарно-технических приборов предусмотрен в септик;
o Произведен расчет 15-ти точек бытовой канализации;
o Канализационные трубы Синикон, раструбные, из полипропилена.






















