Выполненные проекты
Проект отопления и водоснабжения дома 130 м.кв.
Объект: двухэтажный кирпичный дом, площадью 130 м.кв. в СНТ "Дорожник" Красногорского района Московской области
Вариант отопления: «Комфортный»
Цена проекта отопления, канализации и водоснабжения: 20 430 руб. со скидкой 10%, проект котельной - бесплатно.
Проект котельной, отопления, водоснабжения и канализации выполнен: 04.12.2019
Состав проекта котельной, отопления, канализации и водоснабжения дома в СНТ "Дорожник":
1. Пояснительная записка проекта, общие данные по системам отопления, канализации и водоснабжения дома 130 м.кв. в Московской области.
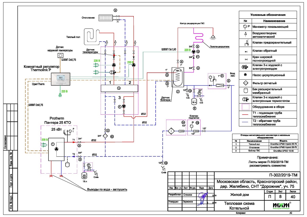
2. Тепломеханическая схема котельной с размещением оборудования в помещении 1-го этажа дома из пустотелого кирпича.
3. Комплект поэтажных чертежей радиаторного отопления дома в СНТ "Дорожник".
4. Комплект чертежей водоснабжения и канализации частного площадью 130 м.кв. из кирпича.
5. Типовые схемы системы отопления, канализации и водоснабжения дома 130 м.кв.
6. Теплотехнический расчет отопления дома из кирпича.
7. Спецификация материалов и оборудования по котельной, отоплению, канализации и водоснабжению дома в СНТ "Дорожник".
Объем проекта отопления, канализации и водоснабжения дома в СНТ "Дорожник": 40 листов.
Котельная частного дома в СНТ "Дорожник"(проект котельной бесплатно).
o Размещена в помещении 1-го этажа дома 130м.кв.;
o Теплогенератор - напольный газовый котел Protherm "Пантера" 25 КТО, мощностью 25 кВт;
o Контуры теплоснабжения котельной – радиаторное отопление дома, теплый пол и горячее водоснабжение, для которого предусмотрен накопительный бойлер Protherm, объемом 200 литров;
o Расширительные баки отопления и бойлера Flamco, объемом по 18 литров;
o Циркуляционные насосы отопления и бойлера Grundfos, использованы энергоэффективные насосы UPM3 Hybrid (в составе модуля Kombimix), аналог насосов серии Alpha;
o Дымоудаление принудительное, дымоход коаксиальный, комплект Protherm для прохода через кровлю, диаметр 60/100 мм;
o Распределительный коллектор - настенный компактный модуль Meibes Kombimix с опциональной группой загрузки бойлера;
o Автоматика котельной – встроена в котел с дополнительным GSM-термостатом ZONT H-1V eBus.
Автоматизация котельной, отопления и теплого пола (вариант «Комфортный»): автоматическое регулирование отопления по наружной температуре (погодное регулирование), дистанционный контроль работы газового котла отопления при помощи GSM-модуля и мобильного приложения ZONT,
Отопление дома в СНТ "Дорожник" (проект отопления дома).
o Выполнен теплотехнический расчет отопления дома из кирпича (утеплитель кровли - плиты из минеральной ваты 200мм, стен 2 этажа - минвата 50мм) с учетом теплопотерь через ограждающие конструкции при наружной температуре -28°С для Московской области (по СП 131.13330.2012), а также теплоотдачи помещений с теплым полом, расчетный расход тепла на отопление дома составил 18,36 кВт, удельные теплопотери 141,2 Вт/м.кв.;
o Подобраны приборы для отопления дома: стальные панельные радиаторы Korado с нижним подключением;
o Схема радиаторного отопления дома двухтрубная, коллекторно-лучевая, с принудительной циркуляцией теплоносителя и температурным графиком 80/60°С;
o Трубы отопления из металлопластика Valtec;
o Теплоизоляция трубопроводов отопления Энергофлекс, толщиной 9мм;
o Теплоноситель в системе радиаторного отопления дома – подготовленная вода, предусмотрены средства защиты от образования накипи.
Водяной теплый пол дома в СНТ "Дорожник"(проект теплого пола).
o Водяной теплый пол в доме предусмотрен на площади 40 м.кв., коллектор теплого пола Valtec на 8 отводов, всего 8 петель;
o Предусмотрен отдельный контур котельной для теплоснабжения водяного теплого пола дома в СНТ "Дорожник";
o Трубопроводы теплого пола – из сшитого полиэтилена Valtec;
o Регулирование температуры теплого пола - общее, контуром котельной (термостатом на насосной группе).
Внутренний водопровод дома в СНТ "Дорожник" (проект водоснабжения).
o Схема внутреннего водоснабжения дома – коллекторно-лучевая с рециркуляцией горячей воды через водяные полотенцесушители, выполнен расчет 19-ти точек водоснабжения и полотенцесушителей;
o Трубопроводы системы водоснабжения – металлопластик Valtec;
o Теплоизоляция трубопроводов Энергофлекс Супер, толщиной 9мм.
Внутренняя канализация (проект канализации) дома в СНТ "Дорожник".
o Безнапорная, отвод стоков от санитарно-технических приборов предусмотрен в септик;
o Произведен расчет 12-ти точек бытовой канализации;
o Канализационные трубы Синикон, раструбные, из полипропилена.
Заказать в нашей компании проект отопления, водоснабжения и канализации загородного дома в Московской области со скидкой.
Для этого дома в СНТ "Дорожник" выполнен проект электропроводки.






















