Выполненные проекты
Проект отопления дома 162 м.кв. в СНТ "Жаворонки"
Объект: двухэтажный загородный дом из газосиликатных блоков в СНТ "Жаворонки" Одинцовского района Московской области, площадью 162 м.кв.
Вариант отопления: «Комфортный»
Цена проекта отопления и водоснабжения: 13 815 руб. со скидкой 10%, проект котельной - бесплатно.
Проект котельной, отопления, водоснабжения и канализации дома в СНТ "Жаворонки"выполнен: 03.06.2020
Состав проекта котельной, отопления, канализации и водоснабжения дома в СНТ "Жаворонки":
1. Пояснительная записка проекта, общие данные по системам отопления, канализации и водоснабжения дома 162 м.кв. в СНТ "Жаворонки".
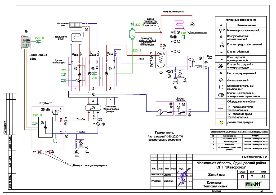
2. Тепломеханическая схема котельной с размещением оборудования в помещении 1-го этажа дома в СНТ "Жаворонки".
3. Комплект поэтажных чертежей радиаторного отопления дома в СНТ "Жаворонки".
4. Комплект чертежей теплого пола дома на площади 40 м.кв.
5. Комплект чертежей водоснабжения частного дома 162 м.кв.
6. Типовые схемы системы отопления и водоснабжения дома из газосиликатных блоков 162 м.кв.
7. Теплотехнический расчет отопления дома газосиликатных блоков 162 м.кв.
8. Спецификация материалов и оборудования по котельной, отоплению и водоснабжению дома в СНТ "Жаворонки".
Объем проекта отопления и водоснабжения дома газосиликатных блоков: 34 листа.
Описание проекта отопления, котельной и водоснабжения частного дома из газосиликатных блоков в СНТ "Жаворонки".
Котельная частного дома в СНТ "Жаворонки"(проект котельной бесплатно).
o Размещена в помещении 1-го этажа дома в СНТ "Жаворонки";
o Теплогенератор котельной - настенный газовый котел Protherm, мощностью 35 кВт;
o Контуры теплоснабжения котельной – радиаторное отопление дома, теплый пол и горячее водоснабжение, для которого предусмотрен накопительный бойлер Protherm, объемом 200 литров (подключение к коллектору);
o Расширительные баки отопления и бойлера Flamco, объемом 25 и 18 литров;
o Циркуляционные насосы отопления, теплого пола и бойлера Grundfos, использованы энергоэффективные насосы UPM3 Hybrid (в составе насосных групп), аналог насосов серии Alpha;
o Дымоудаление газового котла принудительное, дымоход коаксиальный, комплект Prothermдля прохода через стену, диаметр 60/100 мм;
o Распределительный коллектор - Meibes с насосными группами;
o Автоматика котельной – встроена в котел с дополнительным GSM-модулем.
Автоматизация котельной, отопления и теплого пола (вариант «Комфортный»).
o Автоматическое регулирование отопления по наружной температуре (погодное регулирование, при помощи модуля ZONT);
o Дистанционный контроль и управление работой газового котла отопления при помощи GSM-модуля и мобильного приложения ZONT.
Отопление дома в СНТ "Жаворонки" (проект отопления дома из газосиликатных блоков).
o Выполнен теплотехнический расчет отопления дома из газосиликатных блоков(утеплитель стен - пенопласт 100мм, кровли - минеральная вата 100мм, пола - пенополистирол 50мм) с учетом теплопотерь через ограждающие конструкции при наружной температуре -28°С для Московской области (по СП 131.13330.2012), а также теплоотдачи теплого пола (в помещениях, где он предусмотрен), расчетный расход тепла на отопление составил 14,79 кВт, удельные теплопотери 91 Вт/м.кв.;
o Подобраны приборы для отопления дома: стальные панельные радиаторы KERMI с нижним подключением (из пола);
o Схема радиаторного отопления дома двухтрубная, коллекторно-лучевая, с принудительной циркуляцией теплоносителя и температурным графиком 80/60°С, коллекторы отопления Valtec, на 4 и 11 отводов;
o Трубы отопления из сшитого полиэтилена Rehau;
o Теплоизоляция трубопроводов отопления Энергофлекс, толщиной 9мм;
o Теплоноситель в системе радиаторного отопления дома – подготовленная вода, предусмотрены средства защиты от образования накипи.
Водяной теплый пол дома в СНТ "Жаворонки"(проект теплого пола).
o Водяной теплый пол в доме предусмотрен на площади 40 м.кв., коллектор теплого пола Valtec - на 8 отводов;
o Предусмотрен отдельный контур котельной для теплоснабжения водяного теплого пола (насосная группа);
o Трубопроводы теплого пола – сшитый полиэтилен Rehau, основание для укладки - плиты STOUT;
o Регулирование температуры теплого пола - общее, контуром котельной.
Внутренний водопровод дома в СНТ "Жаворонки" (проект водоснабжения).
o Схема внутреннего водоснабжения дома – коллекторно-лучевая с рециркуляцией горячей воды через полотенцесушители, выполнен расчет 21-й точки водоснабжения;
o Трубопроводы системы водоснабжения – из сшитого полиэтилена Rehau;
o Теплоизоляция трубопроводов Энергофлекс Супер, толщиной 9мм;
o Для летнего водопровода предусмотрен наружный кран Meibes SEPP-Eis с защитой от замерзания.



















