Выполненные проекты
Проект отопления дома в Удмуртской республике
Объект: одноэтажный загородный дом из газобетонных блоков, площадью 153 м.кв., расположенный в дер. Шудья Завьяловского района Удмуртской республики
Вариант отопления: «Комфортный»
Цена проекта отопления, канализации и водоснабжения: 31 095 руб. со скидкой 10%, проект котельной - бесплатно.
Проект котельной, отопления, водоснабжения и канализации выполнен: 27.07.2020
Состав проекта котельной, отопления, канализации и водоснабжения дома в дер. Шудья (Удмуртия):
1. Пояснительная записка проекта, общие данные по системам отопления, канализации и водоснабжения дома 153 м.кв. в Удмуртии.
2. Тепломеханическая схема котельной с размещением оборудования в отдельном помещении дома из газобетонных блоков.
3. Комплект поэтажных чертежей радиаторного отопления дома в дер. Шудья (Удмуртия).
4. Комплект чертежей теплого пола на площади 145 м.кв.
5. Комплект чертежей водоснабжения и канализации частного дома из газобетонных блоков в Удмуртии.
6. Типовые схемы системы отопления канализации и водоснабжения дома 153 м.кв.
7. Теплотехнический расчет отопления дома из газобетонных блоков.
8. Спецификация материалов и оборудования по котельной, отоплению, канализации и водоснабжению дома в дер. Шудья (Удмуртия).
Объем проекта отопления, канализации и водоснабжения дома в Удмуртии: 35 листов.
Описание проекта отопления, котельной, канализации и водоснабжения частного дома 153 м.кв. в дер. Шудья (Удмуртия).
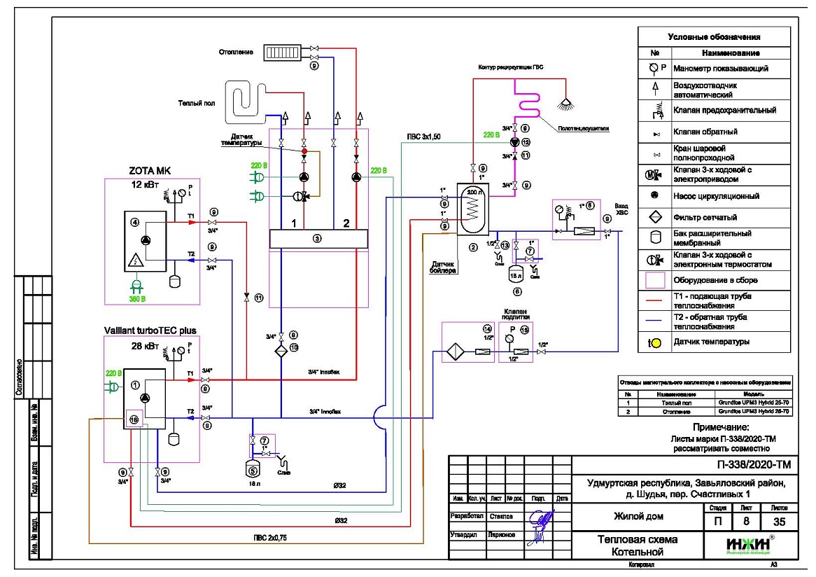
Котельная частного дома в дер. Шудья (проект котельной бесплатно).
o Размещена в отдельном помещении дома 153 м.кв.;
o Теплогенераторы - основной, настенный газовый котел Vaillant, мощностью 28 кВт, резервный- электрический котел ZOTA MK, мощностью 12 кВт;
o Контуры теплоснабжения котельной – радиаторное отопление дома, теплый пол и горячее водоснабжение, для которого предусмотрен накопительный бойлер Vaillant uniSTOR, объемом 200 литров (подключение к котлу);
o Расширительные баки отопления и бойлера Flamco, объемом 18 литров каждый;
o Циркуляционные насосы отопления и бойлера Grundfos, использованы энергоэффективные насосы UPM3 Hybrid (в составе модуля Kombimix), аналог насосов серии Alpha;
o Дымоудаление принудительное, дымоход коаксиальный, комплект Vaillant для прохода через стену, диаметр 60/100 мм;
o Распределительный коллектор - настенный компактный модуль Meibes Kombimix;
o Автоматика котельной – встроена в котел.
Отопление дома в дер. Шудья (Удмуртия) (проект отопления дома).
o Выполнен теплотехнический расчет отопления дома из газобетонных блоков (утеплитель кровли - минеральная вата Rockwool, 250мм) с учетом теплопотерь через ограждающие конструкции при наружной температуре -33°С для Удмуртской республики (по СП 131.13330.2012), расчетный расход тепла на отопление дома составил 16,78 кВт, удельные теплопотери 140,5 Вт/м.кв.;
o Подобраны приборы для отопления дома: стальные панельные радиаторы KERMI с нижним подключением и встроенный в пол конвектор Varmann;
o Схема радиаторного отопления дома двухтрубная, коллекторно-лучевая, с принудительной циркуляцией теплоносителя и температурным графиком 80/60°С;
o Трубы отопления из металлопластика Valtec;
o Теплоизоляция трубопроводов отопления Энергофлекс, толщиной 9мм;
o Теплоноситель в системе радиаторного отопления дома – подготовленная вода, предусмотрены средства защиты от образования накипи.
Водяной теплый пол дома в дер. Шудья (Удмуртия) (проект теплого пола).
o Водяной теплый пол в доме предусмотрен на площади 145 м.кв., два коллектора теплого пола Valtec на 8 петель каждый;
o Предусмотрен отдельный контур котельной для теплоснабжения водяного теплого пола дома (насосная группа в составе модуля Kombimix);
o Трубопроводы теплого пола – сшитый полиэтилен Valtec;
o Регулирование температуры теплого пола - общее, контуром котельной, а также локальное, по помещениям, при помощи электронных комнатных термостатов.
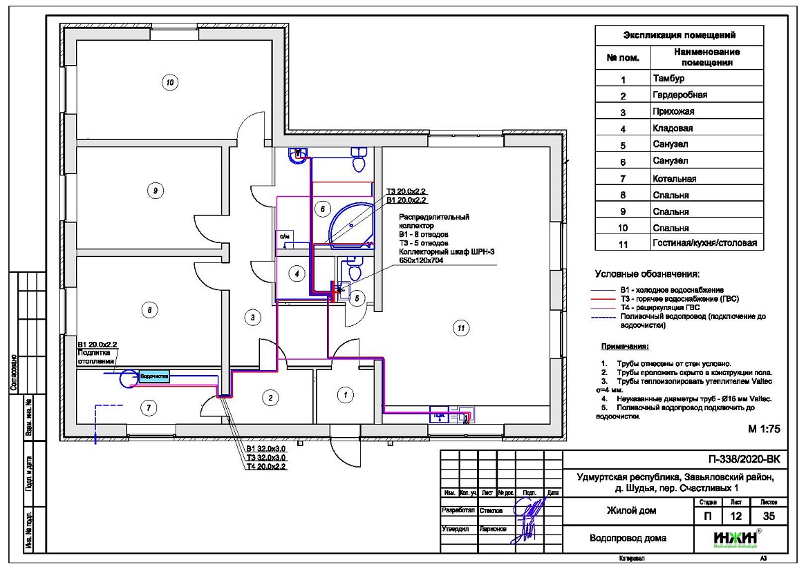
Внутренний водопровод дома в дер. Шудья (проект водоснабжения).
o Схема внутреннего водоснабжения дома – коллекторно-лучевая с рециркуляцией горячей воды через водяные полотенцесушители, выполнен расчет 14-и точек водоснабжения и полотенцесушителей;
o Трубопроводы системы водоснабжения – из металлопластика Valtec;
o Теплоизоляция трубопроводов Энергофлекс Супер, толщиной 9мм;
o Для летнего водопровода предусмотрен незамерзающий кран Meibes SEPP-Eis.
Внутренняя канализация (проект канализации) дома в дер. Шудья (Удмуртия).
o Безнапорная, отвод стоков от санитарно-технических приборов предусмотрен в септик;
o Произведен расчет 11-ти точек бытовой канализации;
o Канализационные трубы Синикон, раструбные, из полипропилена.



















