Выполненные проекты
Отопление дома 150 м.кв. в дер Шарапово, проект
Объект: одноэтажный загородный дом из газобетонных блоков, площадью 150 м.кв., расположенный в с. Шарапово, г.о. Чехов Московской области
Вариант отопления: «Комфортный»
Цена проекта отопления и водоснабжения: 14 480 руб. со скидкой 10%, проект котельной - бесплатно.
Проект котельной, отопления и водоснабжения выполнен: 09.10.2020
Состав проекта котельной, отопления и водоснабжения дома в с. Шарапово:
1. Пояснительная записка проекта, общие данные по системам отопления и водоснабжения дома 150 м.кв. в Московской области.
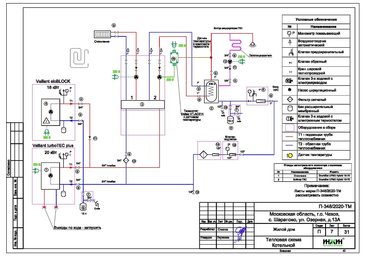
2. Тепломеханическая схема котельной с размещением оборудования в отдельном помещении дома из газоблоков.
3. Комплект поэтажных чертежей радиаторного отопления дома в с. Шарапово.
4. Комплект чертежей теплого пола на площади 10 м.кв.
5. Комплект чертежей водоснабжения частного дома из газоблоков.
6. Типовые схемы системы отопления канализации и водоснабжения дома 150 м.кв.
7. Теплотехнический расчет отопления дома из газобетонных блоков.
8. Спецификация материалов и оборудования по котельной, отоплению и водоснабжению дома в с. Шарапово.
Объем проекта отопления и водоснабжения дома: 31 лист.
Описание проекта отопления, котельной и водоснабжения частного дома 150 м.кв. в с. Шарапово.
Котельная частного дома в с. Шарапово(проект котельной бесплатно).
o Размещена в отдельном помещении дома 150 м.кв.;
o Теплогенераторы - основной, настенный газовый котел Vaillant, мощностью 20 кВт, резервный- электрический котел Vaillant eloBLOCK, мощностью 18 кВт (в наличии);
o Контуры теплоснабжения котельной – радиаторное отопление дома и горячее водоснабжение, для которого предусмотрен накопительный бойлер Vaillant, объемом 200 литров (подключение к коллектору котельной);
o Расширительные баки отопления и бойлера Flamco, объемом по 18 литров;
o Циркуляционные насосы отопления и бойлера Grundfos, использованы энергоэффективные насосы UPM3 Hybrid (в составе насосных групп Meibes), аналог насосов серии Alpha;
o Дымоудаление принудительное, дымоход коаксиальный, комплект Vaillant для прохода через стену, диаметр 60/100 мм;
o Распределительный коллектор - настенный компактный модуль Meibes Kombimix, с насосными группами;
o Автоматика котельной – встроена в основной котел.
Отопление дома в с. Шарапово (проект отопления дома).
o Выполнен теплотехнический расчет отопления дома из газобетонных блоков (утеплитель кровли - минеральная вата Rockwool, 150мм, стен - каменная вата 100мм, пола - пенопласт 100мм) с учетом теплопотерь через ограждающие конструкции при наружной температуре -28°С для Московской области (по СП 131.13330.2012), расчетный расход тепла на отопление дома составил 9,6 кВт, удельные теплопотери 83,7 Вт/м.кв.;
o Подобраны приборы для отопления дома: стальные панельные радиаторы KERMI с нижним подключением;
o Схема радиаторного отопления дома двухтрубная, коллекторно-лучевая, с принудительной циркуляцией теплоносителя и температурным графиком 80/60°С;
o Трубы отопления из металлопластика Valtec;
o Теплоизоляция трубопроводов отопления Энергофлекс, толщиной 9мм;
o Теплоноситель в системе радиаторного отопления дома – подготовленная вода, предусмотрены средства защиты от образования накипи в системе отопления.
Водяной теплый пол дома в с. Шарапово (проект теплого пола).
o Водяной теплый пол в доме предусмотрен на площади 10 м.кв.;
o Предусмотрен смесительный узел на рециркуляции горячей воды Valtec VT.ICBOX.2.0;
o Трубопроводы теплого пола – сшитый полиэтилен Valtec;
o Регулирование температуры теплого пола - общее, смесительным узлом.
Внутренний водопровод дома в с. Шарапово (проект водоснабжения).
o Схема внутреннего водоснабжения дома – коллекторно-лучевая с рециркуляцией горячей воды через водяные полотенцесушители, выполнен расчет 19-и точки водоснабжения и полотенцесушителей;
o Трубопроводы системы водоснабжения – из металлопластика Valtec;
o Теплоизоляция трубопроводов Энергофлекс Супер, толщиной 9мм;
o Летний водопровод проектом не предусмотрен.



















