Выполненные проекты
Проект отопления деревянного дома в СПК "Альбатрос"
Объект: двухэтажный деревянный дом из бревна площадью 80 м.кв. в СПК "Альбатрос" Истринского района Московской области
Цена проекта отопления: 5 400 руб. со скидкой 10%, проект котельной - бесплатно.
Проект котельной и отопления дома в СПК "Альбатрос" выполнен: 21.10.2020
Состав проекта котельной и отопления дома в СПК "Альбатрос":
1. Пояснительная записка проекта, общие данные по системе отопления и котельной дома 80 м.кв. в Московской области.
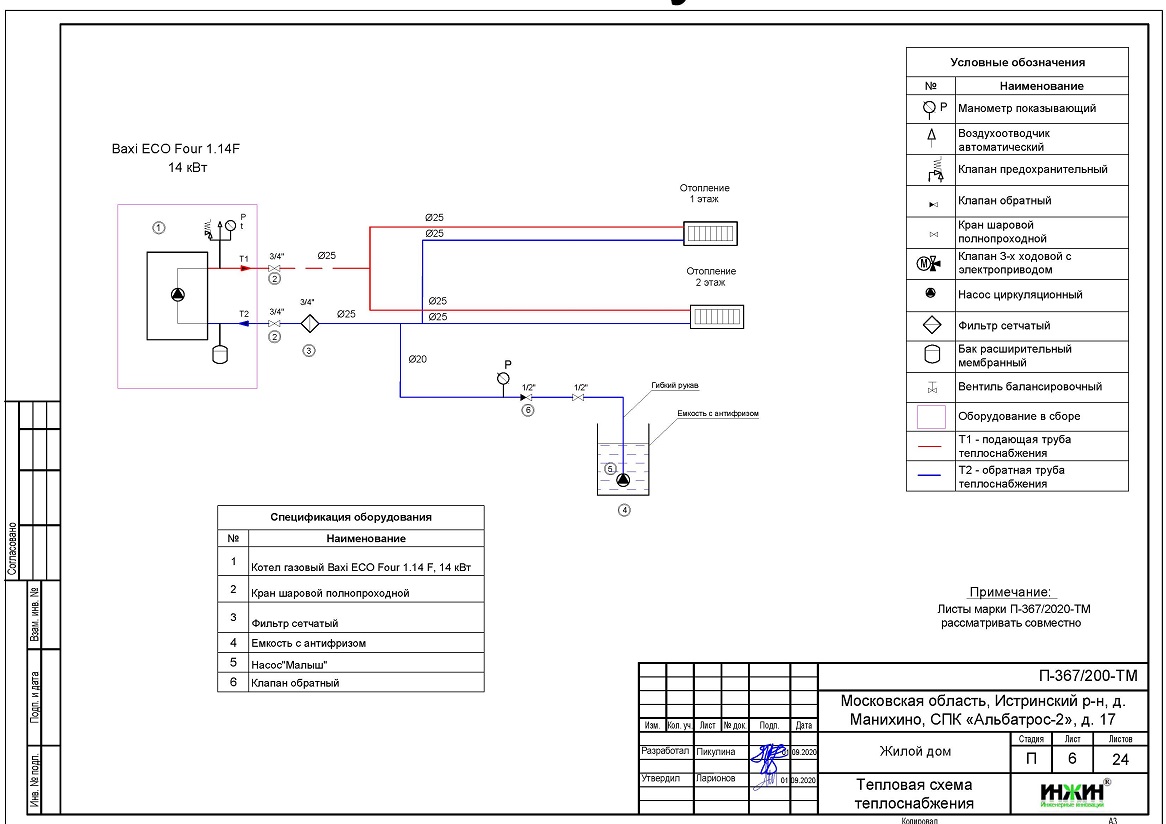
2. Тепломеханическая схема котельной с размещением оборудования в помещении 1-го этажа дома в СПК "Альбатрос".
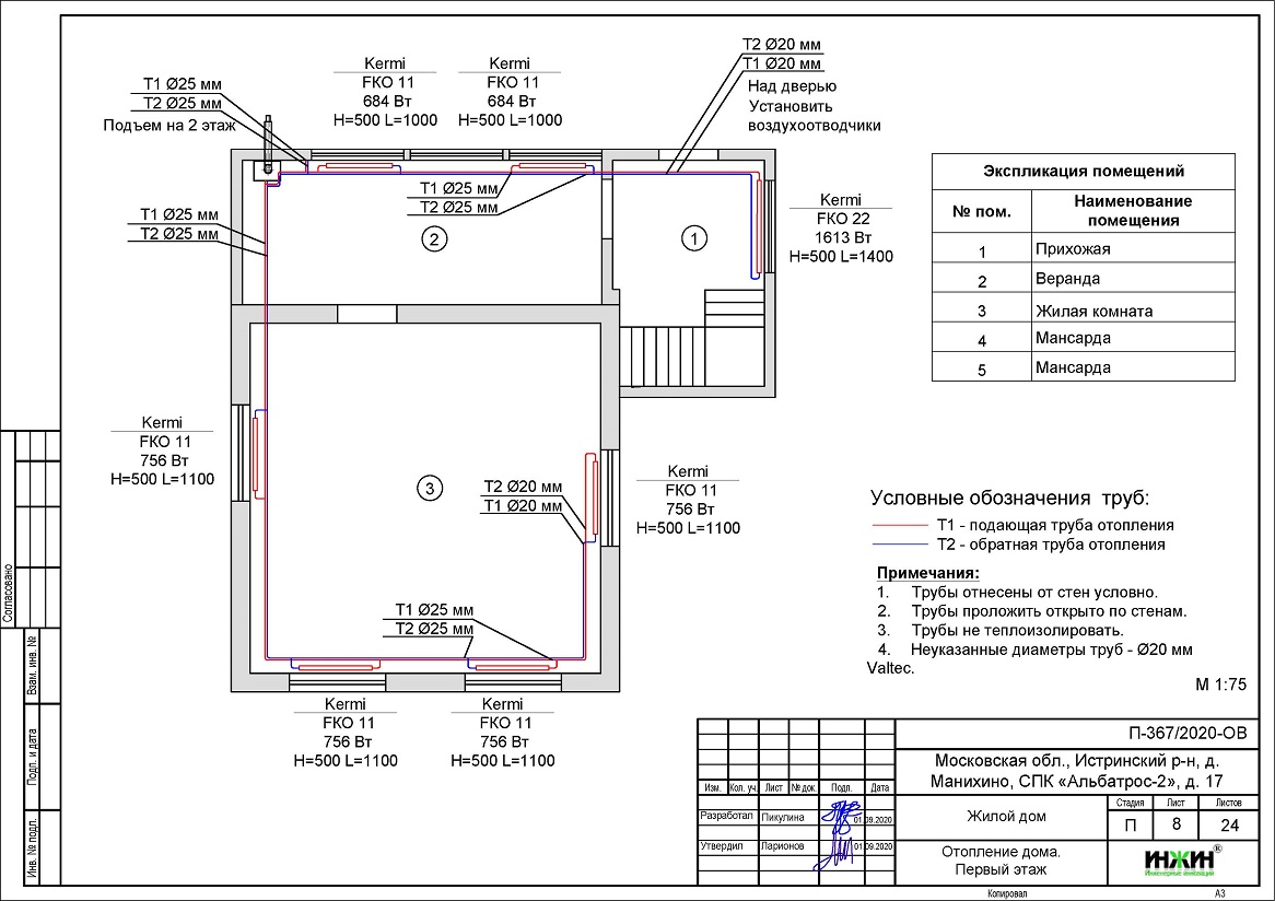
3. Комплект поэтажных чертежей радиаторного отопления дома в СПК "Альбатрос".
4. Типовые схемы системы отопления дома из бревна 80 м.кв.
5. Теплотехнический расчет отопления деревянного дома 80 м.кв.
6. Спецификация материалов и оборудования по котельной и отоплению дома в СПК "Альбатрос".
Объем проекта отопления, канализации и водоснабжения деревянного дома: 24 листа.
Описание проекта отопления и котельной частного дома из бревна в СПК "Альбатрос".
Котельная частного дома в СПК "Альбатрос"(проект котельной бесплатно).
o Размещена в помещении 1-го этажа дома в СПК "Альбатрос";
o Теплогенератор котельной - настенный газовый котел Baxi ECO Four 1.14F, мощностью 14 кВт;
o Контуры теплоснабжения котельной – радиаторное отопление дома;
o Расширительный бак отопления строен в котел;
o Циркуляционный насос отопления Grundfos, встроен в котел;
o Дымоудаление газового котла принудительное, дымоход коаксиальный, комплект Baxi для прохода через стену, диаметр 60/100 мм;
o Распределение теплоносителя встроено в котел;
o Автоматика котельной – встроена в котел.
Отопление дома в СПК "Альбатрос" (проект отопления деревянного дома).
o Выполнен теплотехнический расчет отопления дома из бревна(утеплитель кровли - минеральная вата 150мм) с учетом теплопотерь через ограждающие конструкции при наружной температуре -28°С для Московской области (по СП 131.13330.2012), расчетный расход тепла на отопление составил 9,64 кВт, удельные теплопотери 122,2 Вт/м.кв.;
o Подобраны приборы для отопления дома: стальные панельные радиаторы KERMI с боковым подключением;
o Схема радиаторного отопления дома двухтрубная, с принудительной циркуляцией теплоносителя и температурным графиком 80/60°С;
o Трубы отопления из полипропилена Valtec;
o Теплоизоляция трубопроводов отопления не предусмотрена;
o Теплоноситель в системе радиаторного отопления дома – антифриз DIXIS-30.
















