Выполненные проекты
Отопление дома 176 м.кв. в Вологодской области, проект
Объект: двухэтажный загородный дом из керамзитных блоков, площадью 176 м.кв., расположенный в дер. Щекино Вытегорского района Вологодской области
Вариант отопления: «Комфортный»
Цена проекта отопления и теплого пола: 28 440 руб. со скидкой 10%, проект котельной - бесплатно.
Проект котельной и отопления выполнен: 06.08.2021
Состав проекта котельной и отопления дома в дер. Щекино Вологодской области:
1. Пояснительная записка проекта, общие данные по системе отопления дома 176 м.кв. в Вологодской области.
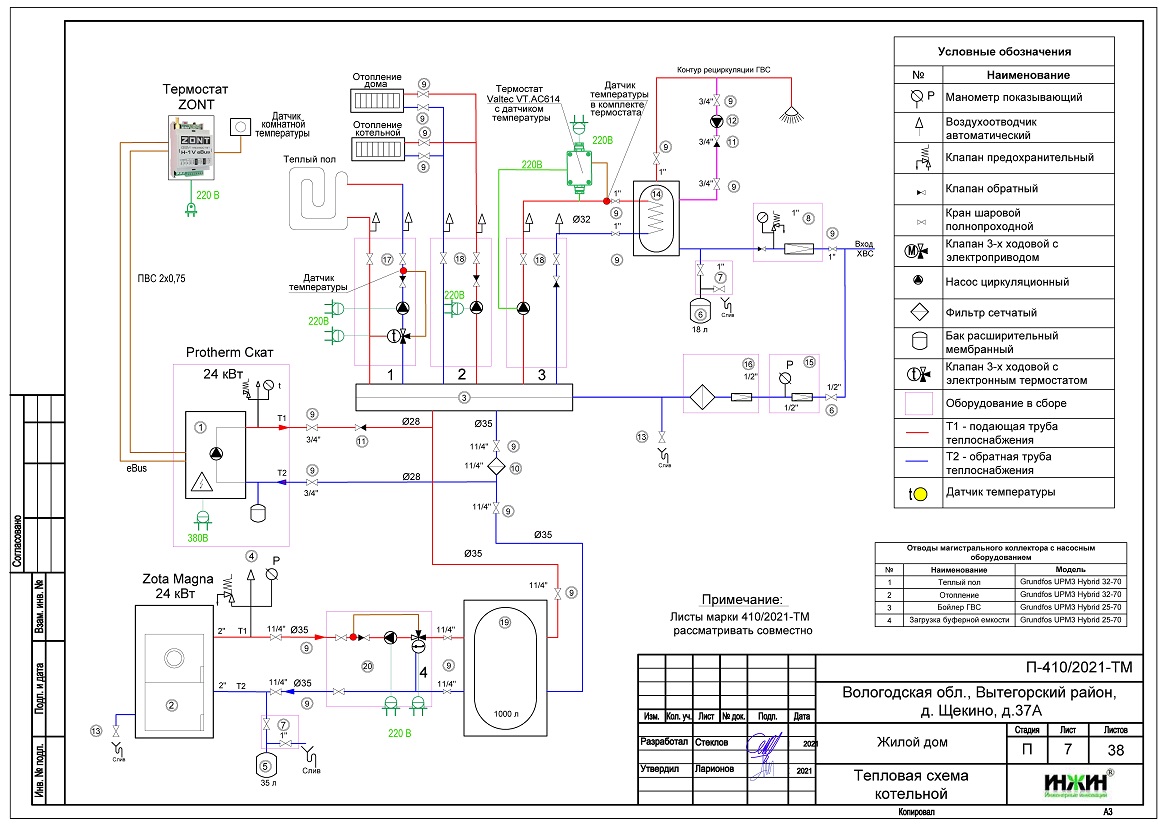
2. Тепломеханическая схема котельной с размещением оборудования в отдельном помещении дома из керамзитных блоков.
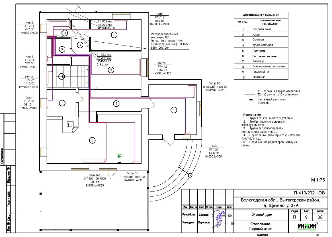
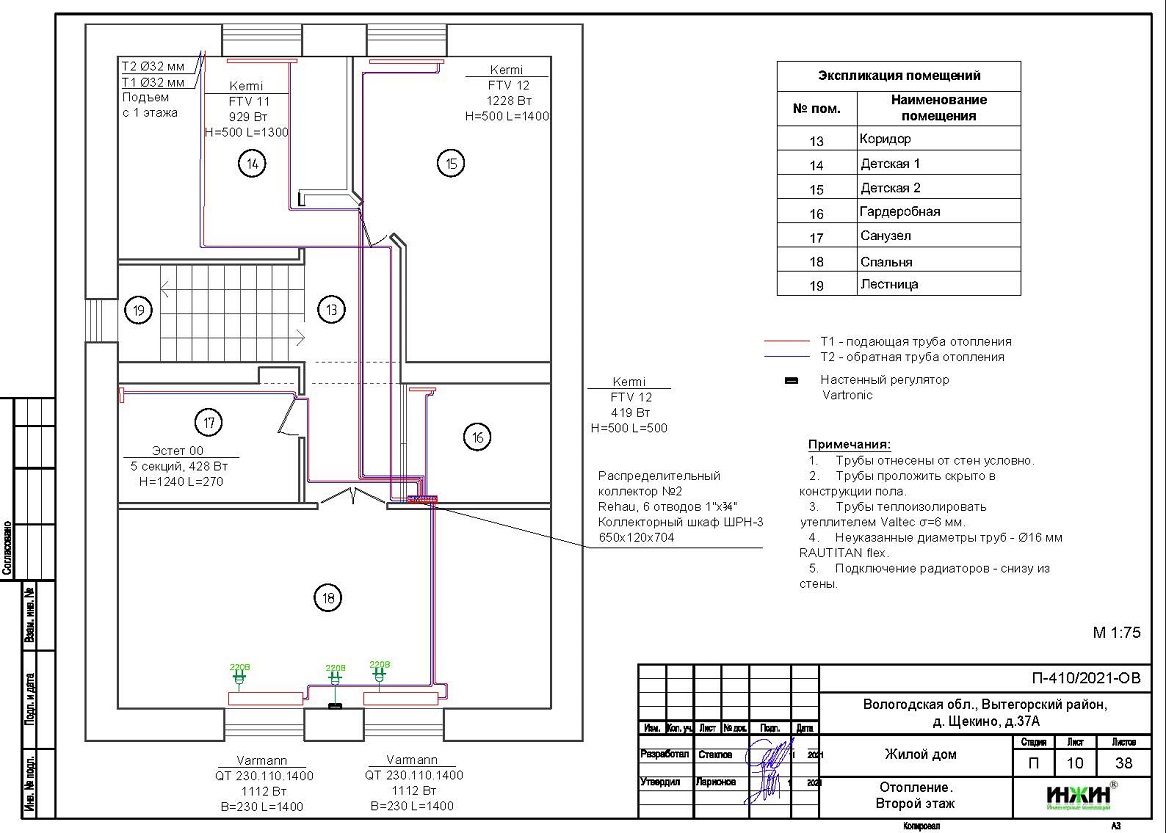
3. Комплект поэтажных чертежей радиаторного отопления дома в дер. Щекино Вологодской области.
4. Комплект чертежей теплого пола на площади 153 м.кв.
5. Типовые схемы системы отопления дома 176 м.кв.
6. Теплотехнический расчет отопления дома из керамзитных блоков.
7. Спецификация материалов и оборудования по котельной и отоплению дома в дер. Щекино Вологодской области.
Объем проекта отопления дома: 38 листов.
Описание проекта отопления и котельной частного дома 176 м.кв. в дер. Щекино Вологодской области.
Котельная частного дома в дер. Щекино Вологодской области (проект котельной бесплатно).
o Размещена в отдельном строении на участке;
o Теплогенераторы - основной напольный твердотопливный котел ZOTA Magna, мощностью 26 кВт (с буферной ёмкостью на 1000 литров), резервный - электрический Protherm Скат, мощностью 24 кВт;
o Контуры теплоснабжения котельной – радиаторное отопление дома и строения котельной, теплый пол и горячее водоснабжение, для которого предусмотрен накопительный бойлер Protherm, объемом 200 литров (подключение к коллектору);
o Расширительные баки отопления и бойлера Flamco, объемом 35 и 18 литров соответственно;
o Циркуляционные насосы Grundfos, использованы энергоэффективные насосы UPM3 Hybrid (в составе насосных групп Meibes), аналог насосов серии Alpha;
o Дымоудаление естественное, предусмотрен дымохода з нержавеющей стали, диаметр 150 мм;
o Распределительный коллектор в котельной - Meibes (Поколение 8);
o Автоматика котельной – встроена в котел с дополнительным GSM-модулем для электрокотла.
Отопление дома в дер. Щекино Вологодской области (проект отопления дома).
o Выполнен теплотехнический расчет отопления дома из керамзитных блоков (утеплитель кровли - минеральная вата URSA, 100мм) с учетом теплопотерь через ограждающие конструкции при наружной температуре -32°С для Вологодской области (по СП 131.13330.2012), расчетный расход тепла на отопление дома составил 22,56 кВт, удельные теплопотери 109,6 Вт/м.кв.;
o Подобраны приборы для отопления дома: стальные панельные радиаторы Kermi с нижним подключением, в вентильном исполнении;
o Схема радиаторного отопления дома двухтрубная, коллекторно-лучевая, с принудительной циркуляцией теплоносителя и температурным графиком 80/60°С;
o Трубы отопления из сшитого полиэтилена Rehau;
o Теплоизоляция трубопроводов отопления Энергофлекс, толщиной 9мм;
o Теплоноситель в системе радиаторного отопления дома – подготовленная вода, предусмотрены средства защиты от образования накипи в системе отопления.
Водяной теплый пол дома в дер. Щекино Вологодской области (проект теплого пола).
o Водяной теплый пол в доме предусмотрен на площади 153 м.кв., 21 петля, коллекторы теплого пола Rehau на 10 и 11 отводов;
o Предусмотрен отдельный контур котельной для теплоснабжения водяного теплого пола дома;
o Трубопроводы теплого пола – Rehau;
o Регулирование температуры теплого пола - общее, на смесительном узле, а также локальное - по помещениям, при помощи комнатных термостатов и сервоприводов на отводах коллекторов.



















