Выполненные проекты
Проект отопления дома 318 м.кв. в Зарайском районе
Объект: двухэтажный загородный дом из полистиролбетона, площадью 318 м.кв., расположенный в дер. Давыдово Зарайского района Московской области
Вариант отопления: «Комфортный»
Цена проекта отопления, канализации и водоснабжения: 82 386 руб. со скидкой 10%, проект котельной - бесплатно.
Проект котельной, отопления, водоснабжения и канализации выполнен: 13.10.2021
Состав проекта котельной, отопления, канализации и водоснабжения дома в дер. Давыдово:
1. Пояснительная записка проекта, общие данные по системам отопления, канализации и водоснабжения дома 318 м.кв. в дер. Давыдово.
2. Тепломеханическая схема котельной с размещением оборудования в отдельном помещении дома из полистиролбетона.
3. Комплект поэтажных чертежей радиаторного отопления дома в дер. Давыдово.
4. Комплект чертежей теплого пола на площади 230 м.кв.
5. Комплект чертежей водоснабжения и канализации частного дома из полистиролбетона в дер. Давыдово.
6. Типовые схемы системы отопления канализации и водоснабжения дома 318 м.кв.
7. Теплотехнический расчет отопления дома из полистиролбетона.
8. Спецификация материалов и оборудования по котельной, отоплению, канализации и водоснабжению дома в дер. Давыдово.
Объем проекта отопления, канализации и водоснабжения дома в дер. Давыдово: 46 листов.
Описание проекта отопления, котельной, канализации и водоснабжения частного дома 318 м.кв. в дер. Давыдово.
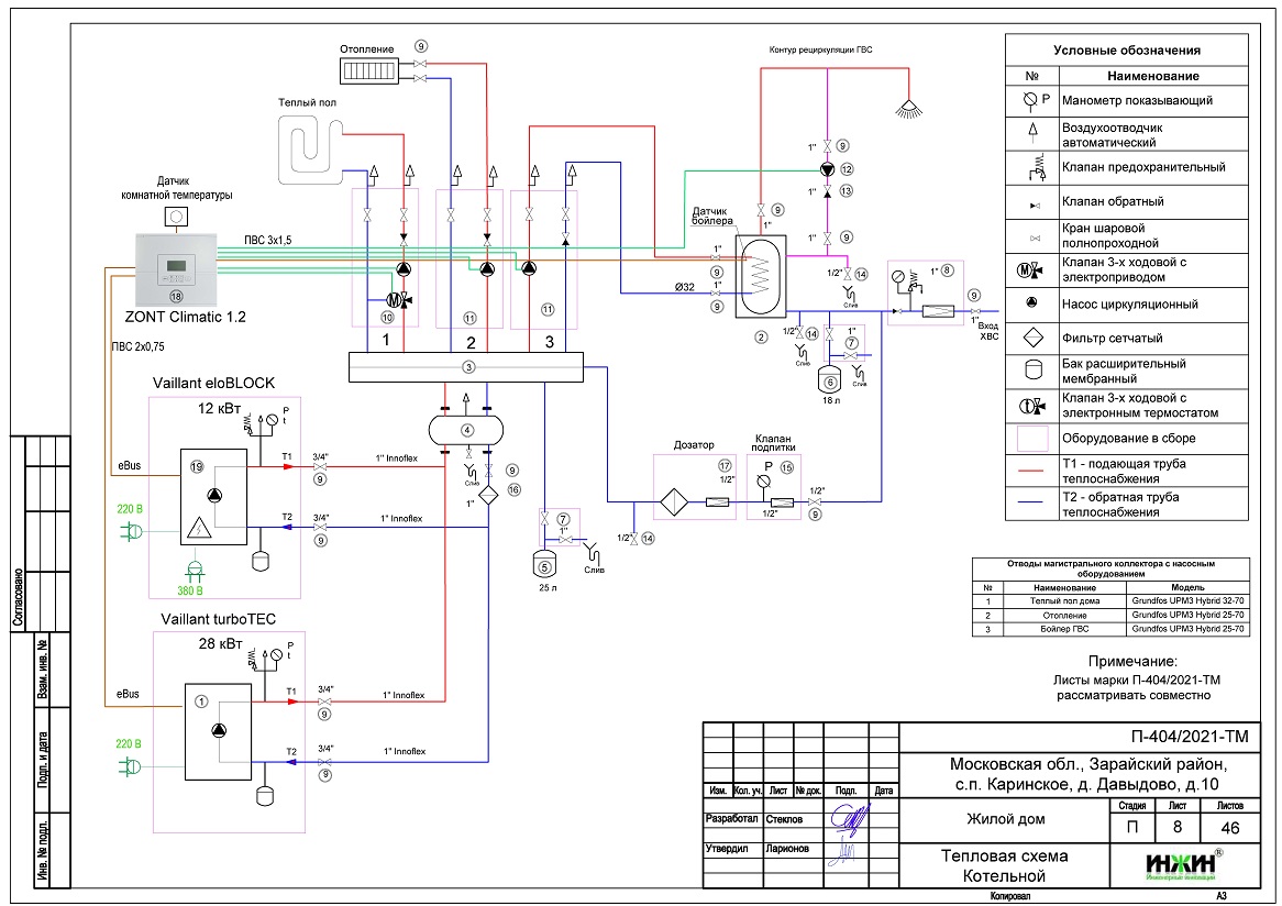
Котельная частного дома в дер. Давыдово(проект котельной бесплатно).
o Размещена в отдельном помещении дома 318 м.кв.;
o Теплогенераторы - основной настенный газовый котел Vaillant turboTEC plus, мощностью 28 кВт, резервный - электрический котел Protherm Скат, мощностью 12 кВт;
o Контуры теплоснабжения котельной – радиаторное отопление дома, теплый пол и горячее водоснабжение, для которого предусмотрен накопительный бойлер Vaillant uniSTOR, объемом 200 литров (подключение к коллектору);
o Расширительные баки отопления и бойлера Flamco, объемом 35 и 18 литров, соответственно;
o Дымоудаление принудительное, дымоход коаксиальный, комплект Vaillant для горизонтального прохода через стену, диаметр 60/100 мм;
o Распределительный коллектор - Meibes с насосными группами;
o Автоматика котельной – контроллер ZONT Climatic 1.2 со встроенным GSM-модулем.
Отопление дома в дер. Давыдово (проект отопления дома).
o Выполнен теплотехнический расчет отопления дома из полистиролбетона (утеплитель кровли - минеральная вата 200мм, плита основания - ЭППС 20мм) с учетом теплопотерь через ограждающие конструкции при наружной температуре -28°С для Московской области (по СП 131.13330.2012), расчетный расход тепла на отопление дома составил 24,16 кВт, удельные теплопотери 76,4 Вт/м.кв.;
o Подобраны приборы для отопления дома: стальные трубчатые радиаторы Гармония (КЗТО) с нижним подключением, в вентильном исполнении, окраска в цвета RAL 8003 и 7024;
o Схема радиаторного отопления дома двухтрубная, коллекторно-лучевая, с принудительной циркуляцией теплоносителя и температурным графиком 80/60°С;
o Трубы отопления из металлопластика Valtec;
o Теплоизоляция трубопроводов отопления Valtec, толщиной 6мм;
o Теплоноситель в системе радиаторного отопления дома – подготовленная вода, предусмотрены средства защиты от образования накипи.
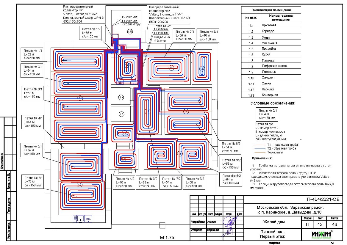
Водяной теплый пол дома в дер. Давыдово (проект теплого пола).
o Водяной теплый пол в доме предусмотрен на площади 230 м.кв., коллекторы теплого пола Valtec на 8 и 9 отводов;
o Предусмотрен насосно-смесительный узел для теплоснабжения водяного теплого пола дома - в составе насосной группы;
o Трубопроводы теплого пола – сшитый полиэтилен Valtec;
o Регулирование температуры теплого пола - общее, регулятором на смесительной группе.
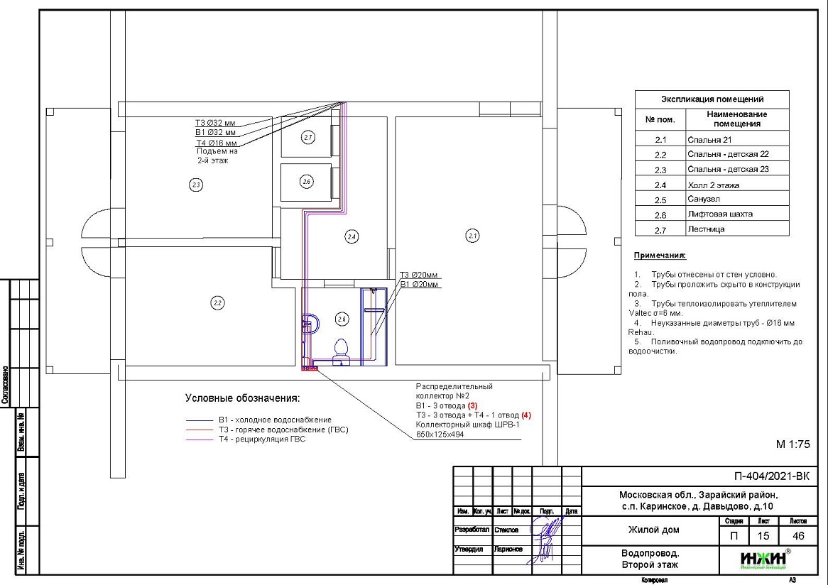
Внутренний водопровод дома в дер. Давыдово (проект водоснабжения).
o Схема внутреннего водоснабжения дома – коллекторно-лучевая с рециркуляцией горячей воды через водяные полотенцесушители, выполнен расчет 20-ти точек водоснабжения и полотенцесушителей;
o Трубопроводы системы водоснабжения – из металлопластика Valtec;
o Теплоизоляция трубопроводов Энергофлекс Супер, толщиной 9мм;
o Для летнего водопровода предусмотрен незамерзающий кран Meibes SEPP-Eis.
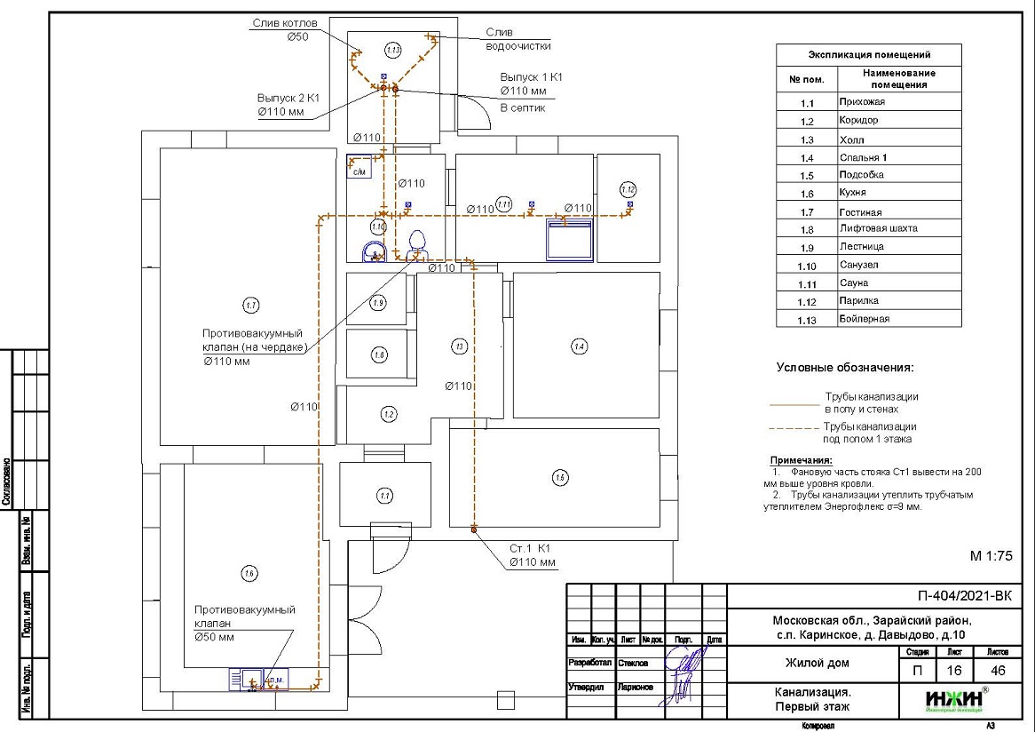
Внутренняя канализация (проект канализации) дома в дер. Давыдово.
o Безнапорная, отвод стоков от санитарно-технических приборов предусмотрен в септик;
o Произведен расчет 16-ти точек бытовой канализации;
o Канализационные трубы Синикон, раструбные, из полипропилена.
Заказать в нашей компании проект отопления, водоснабжения и канализации загородного дома дистанционно со скидкой.
Для этого загородного дома в дер. Давыдово выполнен проект электроснабжения и освещения (электрики).






















