Выполненные проекты
Отопление дома 110 м.кв. в с. Игумново, проект
Объект: двухэтажный загородный дом из газоблоков, площадью 110 м.кв., расположенный в с.Игумново Раменского района Московской области
Вариант отопления: «Комфортный»
Цена проекта отопления, водоснабжения и теплого пола: 19 359 руб. со скидкой 10%, проект котельной - бесплатно.
Проект котельной и отопления выполнен: 25.10.2021
Состав проекта котельной и отопления дома в с. Игумново:
1. Пояснительная записка проекта, общие данные по системе отопления дома 110 м.кв. в с. Игумново.
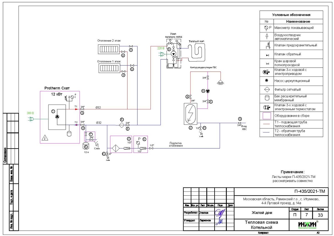
2. Тепломеханическая схема котельной с размещением оборудования в отдельном помещении дома из газоблоков.
3. Комплект поэтажных чертежей радиаторного отопления дома в с. Игумново.
4. Комплект чертежей теплого пола на площади 42 м.кв.
5. Типовые схемы системы отопления дома 110 м.кв.
6. Теплотехнический расчет отопления дома из газобетонных блоков.
7. Спецификация материалов и оборудования по котельной и отоплению дома в с. Игумново.
Объем проекта отопления и водоснабжения дома: 33 листа.
Описание проекта отопления и котельной частного дома 110 м.кв. в с. Игумново.
Котельная частного дома в с. Игумново (проект котельной бесплатно).
o Размещена в отдельном помещении дома 110 м.кв.;
o Теплогенератор - настенный электрический котел Proherm Скат мощностью 12 кВт;
o Контуры теплоснабжения котельной – радиаторное отопление дома и теплый пол, горячее водоснабжение при помощи электрического бойлера Drazice, объемом 100 литров;
o Расширительный бак отопления Flamco, объемом 12 литров;
o Циркуляционный насос отопления встроен в котел;
o Распределительный коллектор в котельной не предусмотрен;
o Автоматика котельной – встроена в котел.
Отопление дома в с. Игумново (проект отопления дома).
o Выполнен теплотехнический расчет отопления дома из газобетонных блоков (утеплитель кровли - минвата 200мм) с учетом теплопотерь через ограждающие конструкции при наружной температуре -28°С для Московской области (по СП 131.13330.2012), расчетный расход тепла на отопление дома составил 15,11 кВт, удельные теплопотери 149,3 Вт/м.кв.;
o Подобраны приборы для отопления дома: стальные панельные радиаторы Kermi с нижним подключением;
o Схема радиаторного отопления дома двухтрубная, коллекторно-лучевая, с принудительной циркуляцией теплоносителя и температурным графиком 80/60°С;
o Трубы отопления из металлопластика Valtec;
o Теплоизоляция трубопроводов отопления Супер Протект, толщиной 6мм;
o Теплоноситель в системе радиаторного отопления дома – подготовленная вода, предусмотрены средства защиты от образования накипи в системе отопления.
Водяной теплый пол дома в с. Игумново (проект теплого пола).
o Водяной теплый пол в доме предусмотрен на площади 42 м.кв., всего 6 петель на 1-м этаже;
o Предусмотрен смесительный узел (на отоплении) для теплоснабжения водяного теплого пола дома;
o Трубопроводы теплого пола – Valtec PEX-EVOH;
o Регулирование температуры теплого пола - общее, на смесительном узле, а также локальное - по помещениям.
Внутренний водопровод дома в с. Игумново (проект водоснабжения).
o Схема внутреннего водоснабжения дома – коллекторно-лучевая с рециркуляцией горячей воды через водяные полотенцесушители, выполнен расчет 18-ти точек водоснабжения и полотенцесушителей;
o Трубопроводы системы водоснабжения – из металлопластика Valtec;
o Теплоизоляция трубопроводов Супер Протект, толщиной 6мм;
o Для летнего водопровода предусмотрен незамерзающий кран Meibes SEPP-Eis.



















