Выполненные проекты
Проект отопления дома в Краснодаре
Объект: двухэтажный частный дом из кирпича, площадью 113 м.кв., расположенный в г. Краснодар
Вариант отопления: «Комфортный»
Цена проекта отопления, водоснабжения и теплого пола: 15 219 руб. со скидкой 10%, проект котельной - бесплатно.
Проект котельной и отопления выполнен: 26.11.2021
Состав проекта котельной и отопления дома в Краснодаре:
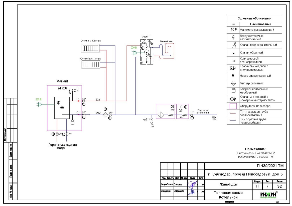
1. Пояснительная записка проекта, общие данные по системе отопления дома 113 м.кв. в Краснодаре.
2. Тепломеханическая схема котельной с размещением оборудования в отдельном помещении дома из кирпича.
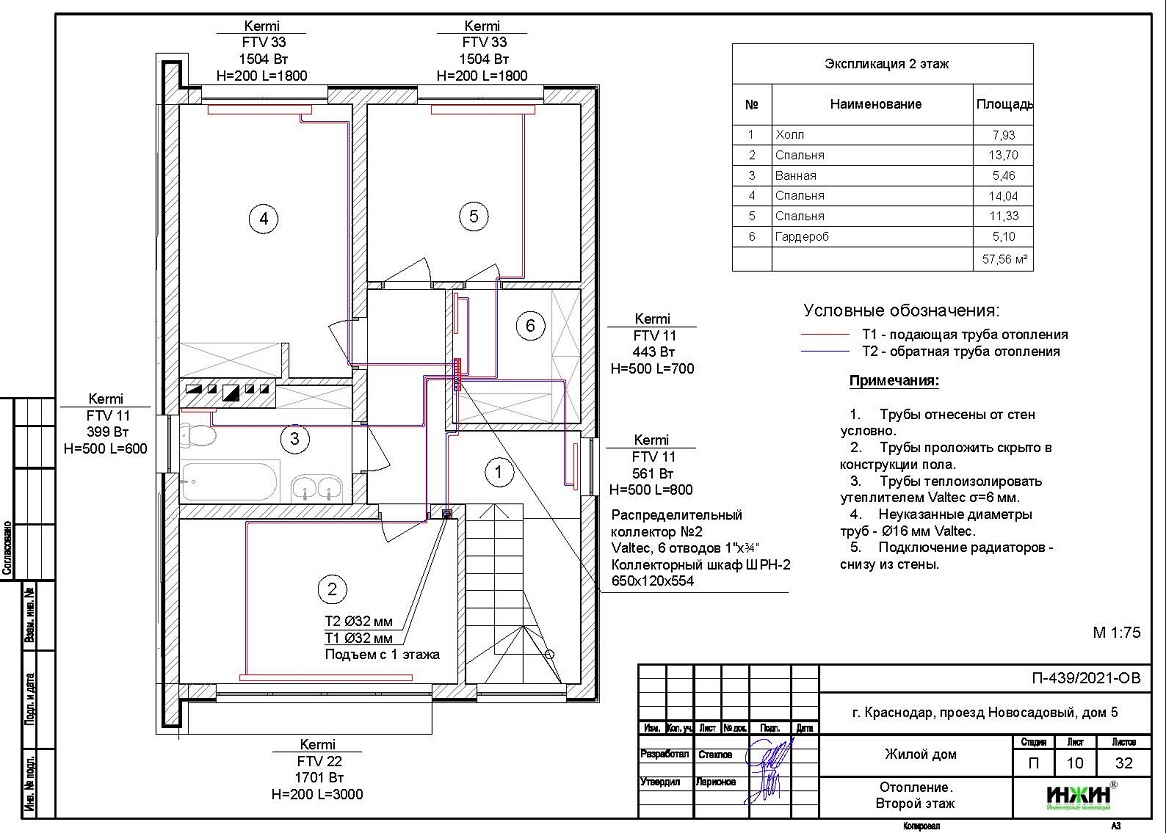
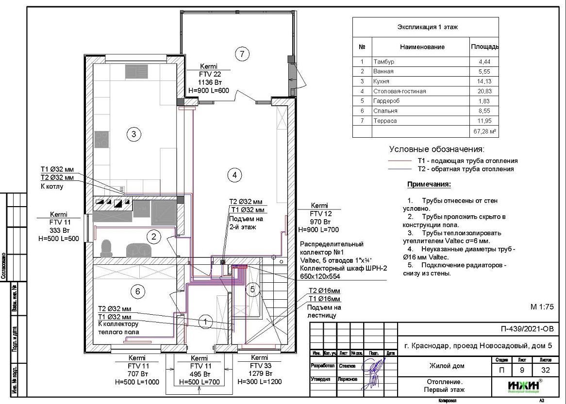
3. Комплект поэтажных чертежей радиаторного отопления дома в Краснодаре.
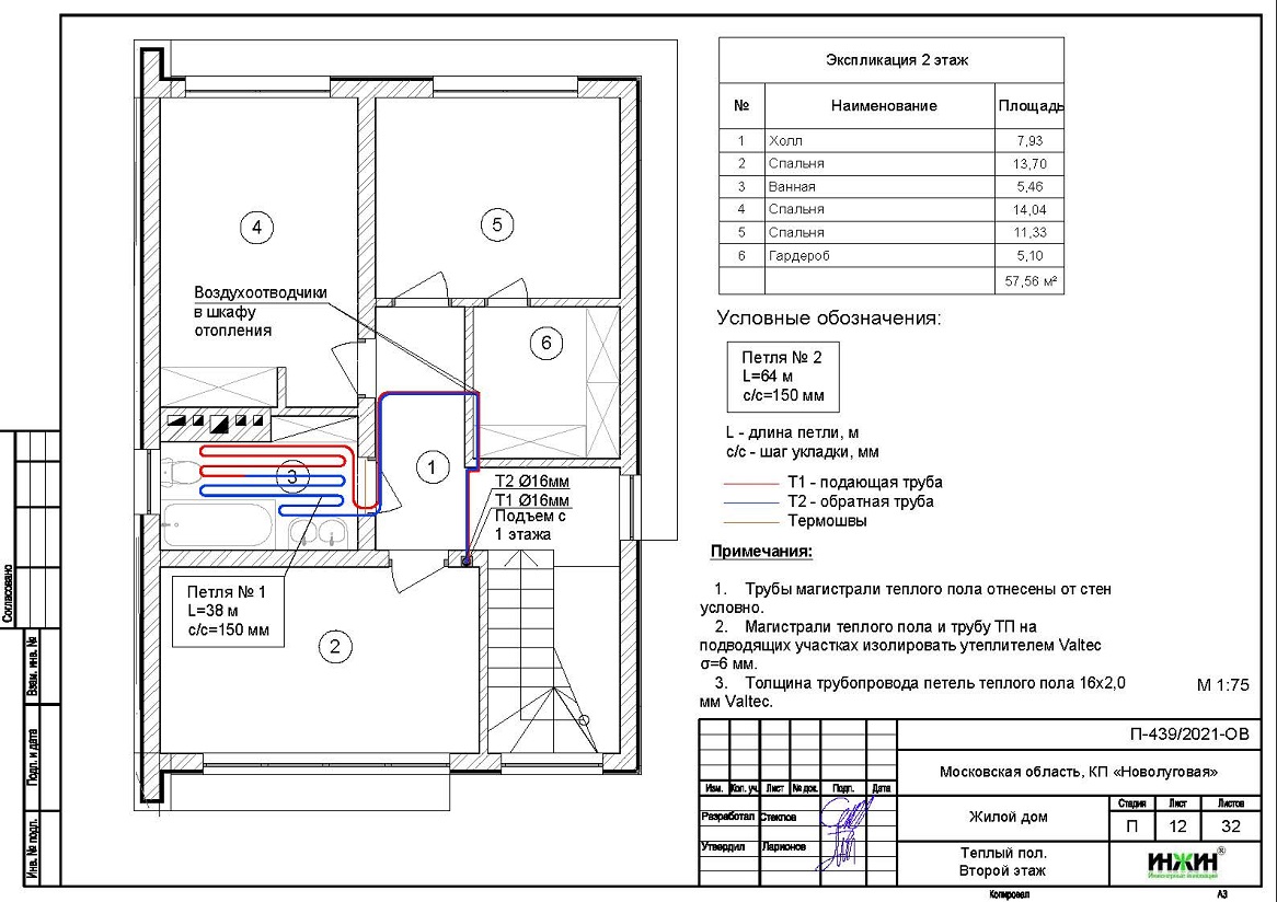
4. Комплект чертежей теплого пола на площади 56 м.кв.
5. Типовые схемы системы отопления дома 113 м.кв.
6. Теплотехнический расчет отопления дома из кирпича.
7. Спецификация материалов и оборудования по котельной и отоплению дома в Краснодаре.
Объем проекта отопления дома: 32 листа.
Описание проекта отопления и котельной частного дома 113 м.кв. в Краснодаре.
Котельная частного дома в Краснодаре (проект котельной бесплатно).
o Размещена в отдельном помещении дома 113 м.кв.;
o Теплогенератор - настенный газовый двухконтурный котел Vaillant turboFIT мощностью 24 кВт;
o Контуры теплоснабжения котельной – радиаторное отопление дома и теплый пол, горячее водоснабжение - вторым контуром котла;
o Расширительный бак отопления встроен в котел;
o Циркуляционный насос отопления встроен в котел;
o Распределительный коллектор в котельной не предусмотрен;
o Автоматика котельной – встроена в котел.
Отопление дома в Краснодаре (проект отопления дома).
o Выполнен теплотехнический расчет отопления дома из кирпича (утеплитель стен - минвата 50мм, кровли - ЭППС 100мм) с учетом теплопотерь через ограждающие конструкции при наружной температуре -19°С для Краснодарской климатической зоны (по СП 131.13330.2012), расчетный расход тепла на отопление дома составил 12,61 кВт, удельные теплопотери 107,6 Вт/м.кв.;
o Подобраны приборы для отопления дома: стальные панельные радиаторы Kermi с нижним подключением;
o Схема радиаторного отопления дома двухтрубная, коллекторно-лучевая, с принудительной циркуляцией теплоносителя и температурным графиком 80/60°С;
o Трубы отопления из металлопластика Valtec;
o Теплоизоляция трубопроводов отопления Valtec Супер Протект, толщиной 6мм;
o Теплоноситель в системе радиаторного отопления дома – подготовленная вода, предусмотрены средства защиты от образования накипи в системе отопления.
Водяной теплый пол дома в Краснодаре(проект теплого пола).
o Водяной теплый пол в доме предусмотрен на площади 56 м.кв., всего 7 петель на 2-х этажах;
o Предусмотрен смесительный узел (на отоплении) Valtec VT.COMBI (с термоголовкой) для теплоснабжения водяного теплого пола дома;
o Трубопроводы теплого пола – Valtec PEX-EVOH;
o Регулирование температуры теплого пола - общее, на смесительном узле.



















