Выполненные проекты
Отопление дома 129 м.кв. в дер. Левково, проект
Объект: двухэтажный дом из пеноблоков, площадью 129 м.кв., расположенный в д. Левково, Дмитровского района Московской области
Вариант отопления: «Комфортный»
Цена проекта отопления: 17 811 руб. со скидкой 10%, проект котельной - бесплатно.
Проект котельной, отопления выполнен: 22.03.2022
Состав проекта котельной, отопления дома в д. Левково:
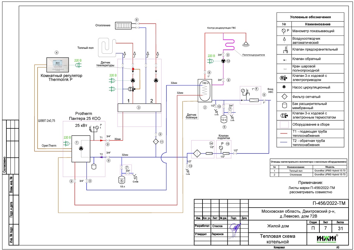
1. Пояснительная записка проекта, общие данные по системам отопления и теплого пола дома 129 м.кв. в д. Левково.
2. Тепломеханическая схема котельной с размещением оборудования в отдельном помещении дома из пеноблоков.
3. Комплект поэтажных чертежей радиаторного отопления дома в д. Левково.
4. Комплект чертежей теплого пола на площади 70 м.кв.
5. Теплотехнический расчет отопления дома из пеноблоков.
6. Спецификация материалов и оборудования по котельной, отоплению и теплому полу дома в д. Левково.
Объем проекта отопления дома в д. Левково: 31 лист.
Описание проекта отопления, котельной частного дома 129 м.кв. в д. Левково.
Котельная частного дома в д. Левково(проект котельной бесплатно).
o Размещена в отдельном помещении дома 129 м.кв.;
o Теплогенератор - настенный газовый котел Protherm Пантера, мощностью 25 кВт;
o Контуры теплоснабжения котельной – радиаторное отопление дома, теплый пол и горячее водоснабжение, для которого предусмотрен накопительный бойлер Protherm, объемом 150 литров (подключение к котлу);
o Расширительные баки отопления и бойлера Flamco, объемом 18 и 12 литров, соответственно;
o Дымоудаление естественное, дымоход выполнен на объекте;
o Распределительный коллектор - Meibes с насосными группами;
o Автоматика котельной – комнатный регулятор Thermolink P.
Отопление дома в д. Левково (проект отопления дома).
o Выполнен теплотехнический расчет отопления дома из пеноблоков (утеплитель кровли - минвата 200мм, плита основания - ЭППС 150мм) с учетом теплопотерь через ограждающие конструкции при наружной температуре -28°С для Московской области (по СП 131.13330.2012), расчетный расход тепла на отопление дома составил 12,71 кВт, удельные теплопотери 90,5 Вт/м.кв.;
o Подобраны приборы для отопления дома: стальные панельные радиаторы Kermi с нижним подключением, в вентильном исполнении;
o Схема радиаторного отопления дома двухтрубная, коллекторно-лучевая, с принудительной циркуляцией теплоносителя и температурным графиком 80/60°С;
o Трубы отопления из металлопластика Valtec;
o Теплоизоляция трубопроводов отопления Valtec, толщиной 6мм;
o Теплоноситель в системе радиаторного отопления дома – подготовленная вода, предусмотрены средства защиты от образования накипи.
Водяной теплый пол дома в д. Левково (проект теплого пола).
o Водяной теплый пол в доме предусмотрен на площади 70 м.кв., коллектор теплого пола Valtec на 11 отводов;
o Предусмотрен насосно-смесительный узел для теплоснабжения водяного теплого пола дома - в составе насосной группы;
o Трубопроводы теплого пола – сшитый полиэтилен Valtec;
o Регулирование температуры теплого пола - общее, регулятором на смесительной группе.


















